un mio amico bassista mi ha chiesto di realizzargli questa cassa, con coni ciare che ha già su un'altra cassa perchè gli piace molto il suono. ora, avendo letto un interessante articolo della ciare sui crossover, su una cassa di questo tipo è necessario costruirlo, dato che spiegano ampiamente che i tweeter mal sopportano la basse frequenze..
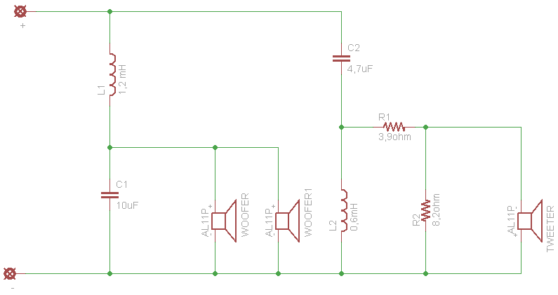
sempre basandomi su quelle informazioni, ho disegnato lo schema di un crossover che dovrebbe essere adatto allo scopo, con i due woofer in parallelo per ottenere i 4ohm.
però il tweeter è a 8ohm, e qui è messo in serie... causerà dei problemi? devo usare un tweeter che sia a 4ohm? sono altre controindicazioni di cui non sono a conoscenza??
cassa per basso 2x10 + tweeter
Re:cassa per basso 2x10 + tweeter
Non hai detto che modello sono i woofer, magari posso aiutarti.
Da quello che so io: i woofer sono in parallelo con il twetter non in serie e il fatto che l'impedenza nominale sia diversa non cambia poi molto a meno che tu non utilizzi un finale valvolare. I filtri sul woofer li puoi anche togliere, il woofer si filtra da solo grazie all'induttanza dell'avvolgimento, puoi provare a lasciare il condensatore così da stressare meno l'avvolgimento. Per dirti se i vaoli sono corretti ho bisogno dei dati dei woofer e del twetter. Ciao.
Da quello che so io: i woofer sono in parallelo con il twetter non in serie e il fatto che l'impedenza nominale sia diversa non cambia poi molto a meno che tu non utilizzi un finale valvolare. I filtri sul woofer li puoi anche togliere, il woofer si filtra da solo grazie all'induttanza dell'avvolgimento, puoi provare a lasciare il condensatore così da stressare meno l'avvolgimento. Per dirti se i vaoli sono corretti ho bisogno dei dati dei woofer e del twetter. Ciao.
[cit.]Just turn yourself into anything you think that you could ever be
Re:cassa per basso 2x10 + tweeter
la mia cassa da basso ashdown non ha nessun crossover, ma posso dirti che il tweeter è in parallelo ed in serie a lui c'e' anche una grossa resistenza (grosso wattaggio, piccolo valore, ma non ricordo) (immagino x attenuare...)
Re:cassa per basso 2x10 + tweeter
se si può non metterlo il crossover preferisco, ma se solo se sono certo al 100% perchè mi scazzerebbe far fuori un tweeter..
i coni scelti sono Ciare: woofer PW256 10" 250W (500Wmax) 8ohm collegati in parallelo/serie (vuole uno switch per scegliere)
tweeter PT382 1,5" 200W (400Wmax) 8ohm collegato parallelo/serie?
il finale non è valvolare, usa una testa ampeg svt non so che serie, ma non a valvole, 500W su 4ohm.
quali dati ti servono? ho le schede tecniche, ma alcuni valori non so cosa siano

mi ha chiesto inoltre se gli si può mettere sul retro il pot per regolare il tweeter
cosa può essere? un attenuatore? mi ha detto che serve per mandare le basse frequenze più al woofer o più al tweeter..
i coni scelti sono Ciare: woofer PW256 10" 250W (500Wmax) 8ohm collegati in parallelo/serie (vuole uno switch per scegliere)
tweeter PT382 1,5" 200W (400Wmax) 8ohm collegato parallelo/serie?
il finale non è valvolare, usa una testa ampeg svt non so che serie, ma non a valvole, 500W su 4ohm.
quali dati ti servono? ho le schede tecniche, ma alcuni valori non so cosa siano


mi ha chiesto inoltre se gli si può mettere sul retro il pot per regolare il tweeter

Re:cassa per basso 2x10 + tweeter
qualche disegnino interessante qui:
http://www.colomar.com/Shavano/2x12wiring.html
forse allora il mio usa un piezo?! chissà
http://www.colomar.com/Shavano/2x12wiring.html
forse allora il mio usa un piezo?! chissà