Nuovo ampli da 10W a due canali!!! FINITO, SAMPLE INSIDE
- jimmy_ver2.0
- Diyer Eroe

- Messaggi: 527
- Iscritto il: 16/12/2010, 13:09
- Località: Perugia
Re: Nuovo ampli da 10W a due canali!!! FINITO, SAMPLE INSIDE
non mi torna, controlla tutti i valori resistivi e, se ci sono differenze, posta lo schema di nuovo.
- semprelibero
- Diyer

- Messaggi: 142
- Iscritto il: 05/01/2010, 17:03
- Località: Modena
Re: Nuovo ampli da 10W a due canali!!! FINITO, SAMPLE INSIDE
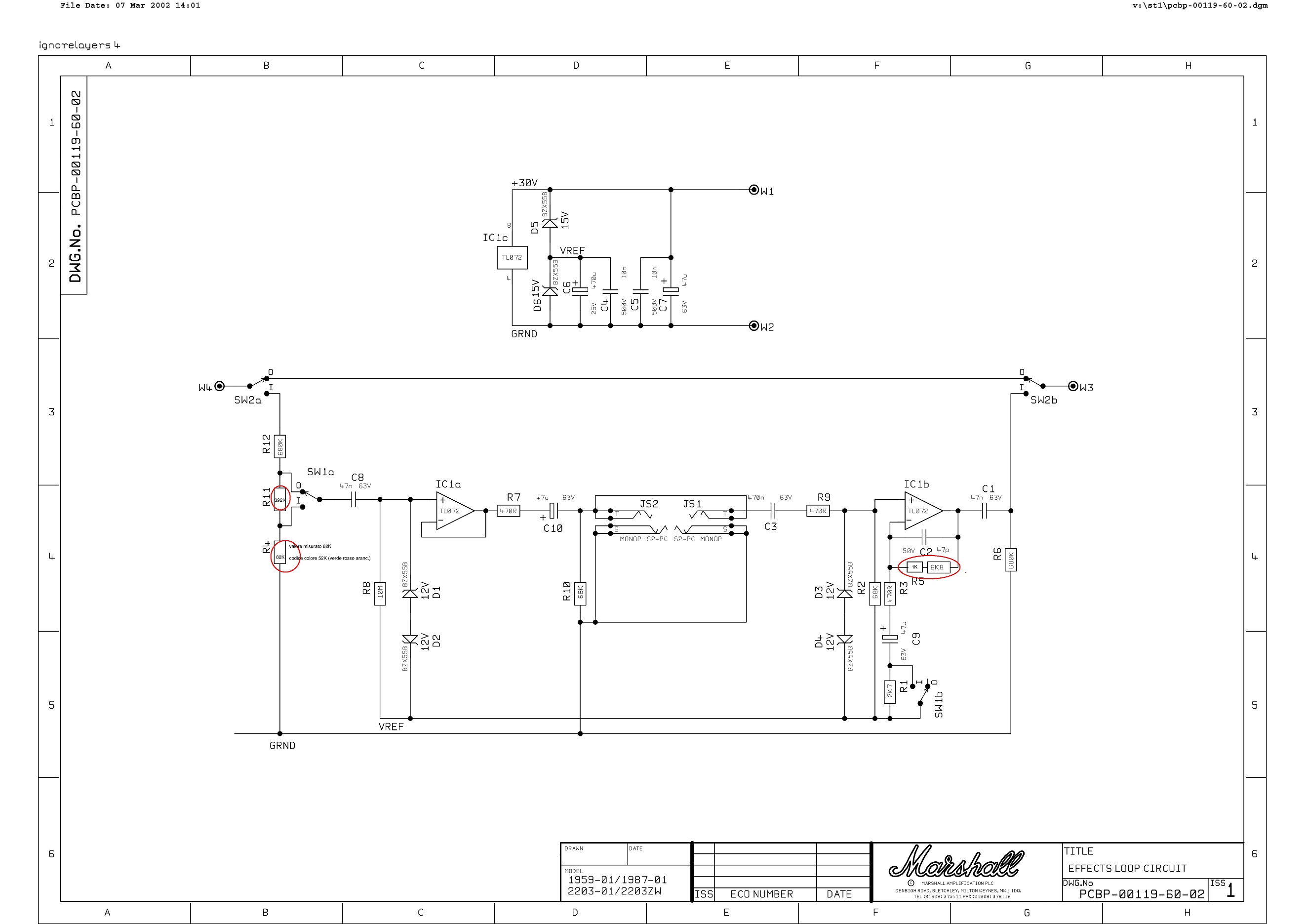
Ho controllato lo schema rispetto al loop e ho notato differenze in alcuni valori di resistenze, i condensatori invece sono ok.
ho aggiornato lo schema, in allegato
un'altra cosa che ho notato è che quando commuto SW1 noto un aumento notevole del volume proprio mentre sto communtando lo switch, volume che poi si assesta immediatamente su valori più bassi (ma cmq più alti rispetto alla pos. 0) come se si caricasse/scaricasse un condensatore...
ho aggiornato lo schema, in allegato
un'altra cosa che ho notato è che quando commuto SW1 noto un aumento notevole del volume proprio mentre sto communtando lo switch, volume che poi si assesta immediatamente su valori più bassi (ma cmq più alti rispetto alla pos. 0) come se si caricasse/scaricasse un condensatore...
- semprelibero
- Diyer

- Messaggi: 142
- Iscritto il: 05/01/2010, 17:03
- Località: Modena
Re: Nuovo ampli da 10W a due canali!!! FINITO, SAMPLE INSIDE
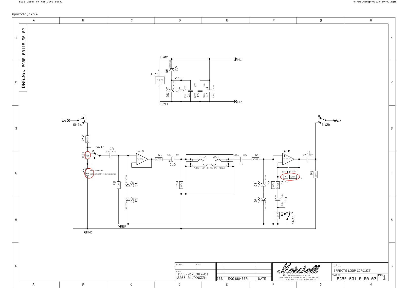
mi sono accorto che lo schema non si legge una mazza....riallego!
- Kagliostro
- Amministratore

- Messaggi: 9942
- Iscritto il: 03/12/2007, 0:16
- Località: Prov. di Treviso
Re: Nuovo ampli da 10W a due canali!!! FINITO, SAMPLE INSIDE
Mi pare che lo schema si veda correttamente in tutti e due i post
essendo un file caricato sul server del forum, per vederlo a dimensioni reali basta cliccarci sopra
K
essendo un file caricato sul server del forum, per vederlo a dimensioni reali basta cliccarci sopra
K
- jimmy_ver2.0
- Diyer Eroe

- Messaggi: 527
- Iscritto il: 16/12/2010, 13:09
- Località: Perugia
Re: Nuovo ampli da 10W a due canali!!! FINITO, SAMPLE INSIDE
io escluderei lo switch e proverei per cominciare la situazione "0".
occhio che, se i valori sono quelli, il guadagno dello stadio dopo il return è troppo elevato, forse non hai tenuto conto della res 2.7k.
occhio che, se i valori sono quelli, il guadagno dello stadio dopo il return è troppo elevato, forse non hai tenuto conto della res 2.7k.
- semprelibero
- Diyer

- Messaggi: 142
- Iscritto il: 05/01/2010, 17:03
- Località: Modena
Re: Nuovo ampli da 10W a due canali!!! FINITO, SAMPLE INSIDE
mah dici? a me sembra di essere passato da 2,1 circa a 2,4 circa....troppo??jimmy_ver2.0 ha scritto:l guadagno dello stadio dopo il return è troppo elevato, forse non hai tenuto conto della res 2.7k.
- jimmy_ver2.0
- Diyer Eroe

- Messaggi: 527
- Iscritto il: 16/12/2010, 13:09
- Località: Perugia
Re: Nuovo ampli da 10W a due canali!!! FINITO, SAMPLE INSIDE
a me risulta 3.4
- semprelibero
- Diyer

- Messaggi: 142
- Iscritto il: 05/01/2010, 17:03
- Località: Modena
Re: Nuovo ampli da 10W a due canali!!! FINITO, SAMPLE INSIDE
Azz...ma che asino, non ho sommato 1 alla configurazione non invertente!!
Ma allora, scusa, non mi tornano nemmeno i conti che facevi tu qualche post indietro.... dicevi, con lo schea originale, che l'attenuazione del send era 0,33 (partitore resistivo, calcolo ok) e che il return aveva un guadagno di 2,14 (opamp non invertente) quindi 0,33*2,14=0,7
Però rifacendo i conti il guadagno del return originale era 3,14!! --> 1+(R5/R3+R1) --> 3,14*0,33=1,037 quindi il guadagno teorico dello schema originale era praticamente 1....
Il problema semmai è che, controllando i valori delle resistenze col tester ho scoperto incongruenze con lo schema nella zona del partitore del send (schema aggiornato allegato qualche post fa), con i valori che ho misurato l'attenuazione risulta di 0,4 --> quindi 0,4*3,14=1,256 cioè guadagno complessivo superiore a 1
A questo punto mi chiedo come mai utilizzando il loop il volume generale dell'ampli è più basso...forse perchè avendo quel guadagno clippa?!
Ma allora, scusa, non mi tornano nemmeno i conti che facevi tu qualche post indietro.... dicevi, con lo schea originale, che l'attenuazione del send era 0,33 (partitore resistivo, calcolo ok) e che il return aveva un guadagno di 2,14 (opamp non invertente) quindi 0,33*2,14=0,7
Però rifacendo i conti il guadagno del return originale era 3,14!! --> 1+(R5/R3+R1) --> 3,14*0,33=1,037 quindi il guadagno teorico dello schema originale era praticamente 1....
Il problema semmai è che, controllando i valori delle resistenze col tester ho scoperto incongruenze con lo schema nella zona del partitore del send (schema aggiornato allegato qualche post fa), con i valori che ho misurato l'attenuazione risulta di 0,4 --> quindi 0,4*3,14=1,256 cioè guadagno complessivo superiore a 1
A questo punto mi chiedo come mai utilizzando il loop il volume generale dell'ampli è più basso...forse perchè avendo quel guadagno clippa?!
- jimmy_ver2.0
- Diyer Eroe

- Messaggi: 527
- Iscritto il: 16/12/2010, 13:09
- Località: Perugia
Re: Nuovo ampli da 10W a due canali!!! FINITO, SAMPLE INSIDE
se il problema è un clipping, con lo switch in posizione 1 non dovresti averlo.
- semprelibero
- Diyer

- Messaggi: 142
- Iscritto il: 05/01/2010, 17:03
- Località: Modena
Re: Nuovo ampli da 10W a due canali!!! FINITO, SAMPLE INSIDE
No, il problema non è il clipping, è sempre il volume basso, solo che non riesco a capire il perchè...
forse, come ho letto in giro, questo loop è un po' una ciofeca e, mettendolo in serie rovina troppo il segnale...
magari in parallelo la situazione migliorerebbe, almeno una parte del segnale andrebbe direttamente alla finale senza passare dal loop! questo vuole dire aggiungere un pot però...

forse, come ho letto in giro, questo loop è un po' una ciofeca e, mettendolo in serie rovina troppo il segnale...
magari in parallelo la situazione migliorerebbe, almeno una parte del segnale andrebbe direttamente alla finale senza passare dal loop! questo vuole dire aggiungere un pot però...
