Sostieni il forum con una donazione! Il tuo contributo ci aiuterà a rimanere online!
Immagine

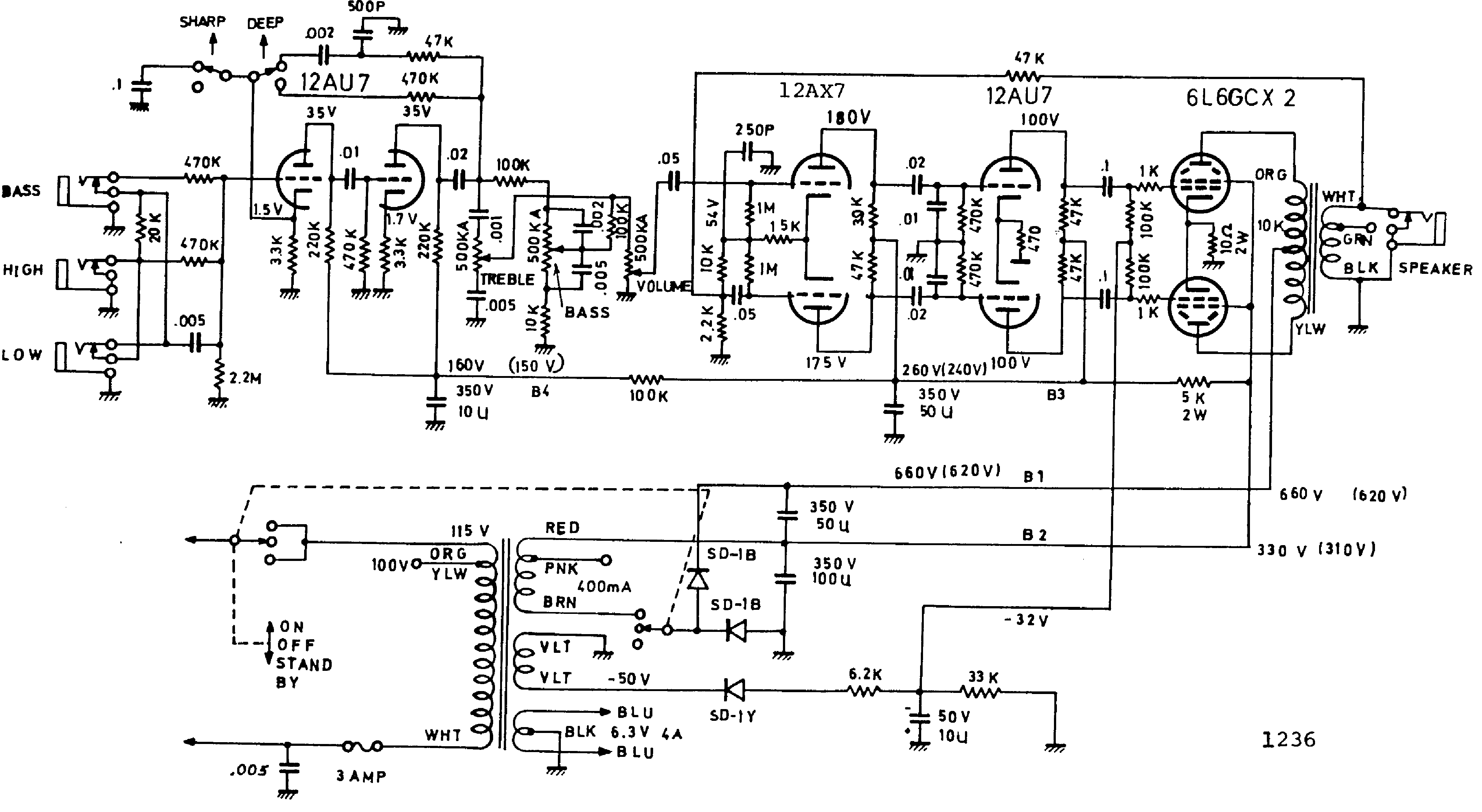
Univox 1236 - Ecco l'ampli con 12au7 come V1 e post PI

Discussioni di carattere generale sugli amplificatori valvolari...
Rispondi
Avatar utente
Kagliostro
Amministratore
Amministratore
Messaggi: 9930
Iscritto il: 03/12/2007, 0:16
Località: Prov. di Treviso

Univox 1236 - Ecco l'ampli con 12au7 come V1 e post PI

Messaggio da Kagliostro » 23/11/2014, 1:10

Come dicevamo l'altra sera, c'è un ampli da basso della Univox che ha usa una valvola non sconosciuta, anzi, ma poco usata negli ampli da chitarra e basso, e men che meno come V1
univox_1236.pdf_1.png
:ciao:

K

Avatar utente
robi
Amministratore
Amministratore
Messaggi: 9738
Iscritto il: 17/12/2006, 13:57
Località: Alba

Re: Univox 1236 - Ecco l'ampli con 12au7 come V1 e post PI

Messaggio da robi » 23/11/2014, 13:25

A proposito di aampli con valvole in ingresso pressochè inusuali, citerei i vecchi ampeg, che in ingresso avevano due 12DW7 http://www.drtube.com/datasheets/12dw7-sylvania1961.pdf

Avatar utente
Kagliostro
Amministratore
Amministratore
Messaggi: 9930
Iscritto il: 03/12/2007, 0:16
Località: Prov. di Treviso

Re: Univox 1236 - Ecco l'ampli con 12au7 come V1 e post PI

Messaggio da Kagliostro » 23/11/2014, 15:50

12dw7, il doppio triodo 1/2 12ax7 ed 1/2 (se non sbaglio) 12au7, bella valvola, non molto usata, ma con delle prerogative interessanti

http://www.nj7p.org/Tube/SQL/Tube_query.php?Type=12dw7

ottima per un PFLoop (send 12au7 -return 12ax7) o per un riverbero a molla

K

Avatar utente
robi
Amministratore
Amministratore
Messaggi: 9738
Iscritto il: 17/12/2006, 13:57
Località: Alba

Re: Univox 1236 - Ecco l'ampli con 12au7 come V1 e post PI

Messaggio da robi » 23/11/2014, 16:20

Personalmente non la metterei in nessuno dei miei progetti, proprio perchè non così semplice a reperirsi (entri in qualsiasi negozio di musica ed una 12ax7 la trovi, una 12bw7 no), con tutti i problemi che questo comporta in caso di rotture all'ultimo minuto e non solo.

Avatar utente
Kagliostro
Amministratore
Amministratore
Messaggi: 9930
Iscritto il: 03/12/2007, 0:16
Località: Prov. di Treviso

Re: Univox 1236 - Ecco l'ampli con 12au7 come V1 e post PI

Messaggio da Kagliostro » 23/11/2014, 16:24

Su questo hai perfettamente ragione, è per questo appiattimento della disponibilità diffusa che penso che in giro gli ampli moderni

usino pressochè sempre (e quasi unicamente) le 12ax7

Effettivamente se uno è in giro a suonare sarebbe un handicapp non da poco

K

Avatar utente
robi
Amministratore
Amministratore
Messaggi: 9738
Iscritto il: 17/12/2006, 13:57
Località: Alba

Re: Univox 1236 - Ecco l'ampli con 12au7 come V1 e post PI

Messaggio da robi » 23/11/2014, 17:02

12AX/AT/AU7 ed EF86 sono le valvole universalmente usate nell'amplificazione per strumenti musicali (e non solo, chiaramente), ed è per questo che la loro produzione dura nel tempo.

Non lo definerei appiattimento, perchè alla fine quelle valvole hanno fatto la storia della musica degli ultimi 70 anni, e chi suona si rifa a certe timbriche (non parlo di equalizzazione o dettagli simili, ma di una visione globale di suono), quindi è normale che restino solo certe valvole sul mercato.

Inoltre sotto il nome 12AX7 si nascondono un'infinitá di sonoritá diverse, semplicemente cambiando lotto di produzione, per non parlare di produttori diversi.

Non dimentichiamoci che il futuro per molti sarà dei vari Kemper&C, ilcui unico limite diverrà a breve la bontà del processo di campionamento e registrazione.

Avatar utente
Kagliostro
Amministratore
Amministratore
Messaggi: 9930
Iscritto il: 03/12/2007, 0:16
Località: Prov. di Treviso

Re: Univox 1236 - Ecco l'ampli con 12au7 come V1 e post PI

Messaggio da Kagliostro » 23/11/2014, 17:14

E' un po' un cane che si morde la coda, non trovi facilmente le valvole, eviti di usare amp che le usano, non ci sono amp che usano una valvola, si evita lo stoccaggio dell'articolo

In effetti è anche vero che le 12ax7 con la/le loro sonorità, hanno conquistato sempre maggior spazio, probabilmente anche per un

diffuso cambio dei gusti

del resto, una volta Fender aveva quasi sempre 12ay7 come V1 .... ora direi che ampli nuovi ne fanno volentieri a meno

---

Sacrosanta verità che con i Kemper si possa fare di tutto e forse di più, anzi direi che è quasi certo se non proprio certo

ma a noi non resterebbe più la gioia di vedersi esplodere un elettrolitico o di prenderci qualche bella scossa o scottata con il vetro di

una valvola incandescente :face_green: e sono soddisfazioni che non si pagano :lol1:

K

Avatar utente
robi
Amministratore
Amministratore
Messaggi: 9738
Iscritto il: 17/12/2006, 13:57
Località: Alba

Re: Univox 1236 - Ecco l'ampli con 12au7 come V1 e post PI

Messaggio da robi » 23/11/2014, 18:14

Non lo ritengo un cane che si morde la coda.
Certi suoni sono fatti con determinate valvole e non sono riproducibili con altre (come entrano in saturazione, come rispondono al tocco, come interagiscono fra loro).
Preamp come finali, beninteso. EL34/84, 6V6, 6L6GC e derivate, KT88 e 6550.

La storia della musica è stata fatta con queste valvole e gli utenti quello cercano.
E per storia della musica intendo anche quello che possono essere gli ultimi 20 anni.

La passione per il DIY in ambito amplificazione valvolare per chitarra è una cosa ristretta a... mille italiani? Il resto è il mercato e quello a cui giustamente si punta.
Altrimenti una 12ax7 semplice di produzione attuale base ci costerebbe 80 euro.

MapleMarco
Roger Mayer Jr.
Roger Mayer Jr.
Messaggi: 2658
Iscritto il: 02/06/2012, 14:22
Località: Mirano (VE)

Re: Univox 1236 - Ecco l'ampli con 12au7 come V1 e post PI

Messaggio da MapleMarco » 23/11/2014, 19:06

12dw7 l'ho usata come CF nella ubershall per calmarla un pò, con ottimi risultati...molto più morbida nelle dissonanze gravi, meno sfregolosa.

(è una soluzione da ampeg, quella del CF con uno stadio x7 e uno u7....)

Per quanto riguarda il kemper, fractal etc....ragazzi, non ci siamo.
In studio ok, ma in live...seriamente...hanno un quarto della presenza di un ampli a valvole...
provare per credere!
CHE DIO B'ASSISTA!

Avatar utente
robi
Amministratore
Amministratore
Messaggi: 9738
Iscritto il: 17/12/2006, 13:57
Località: Alba

Re: Univox 1236 - Ecco l'ampli con 12au7 come V1 e post PI

Messaggio da robi » 24/11/2014, 9:33

Io ho provato, ed ho anche sentito chi la usa abitualmente, e questo quarto della presenza del valvolare sinceramente non l'ho sentito.

Sia suonandolo sul palco (delle prove di un gruppo di amici organizzate in un piccolo teatro per provare la strumentazione come fosse un live), sia ascoltandoli da sotto il palco.
Se la base di partenza usata è buona, chi la usa sa cosa fa e c'è un buon fonico alle spalle (o almeno due delle tre cose, come per gli ampli valvolari), la resa ha poco da invidiare all'ampli live, ed ancora meno se l'ampli diventano gli ampli.

MapleMarco
Roger Mayer Jr.
Roger Mayer Jr.
Messaggi: 2658
Iscritto il: 02/06/2012, 14:22
Località: Mirano (VE)

Re: Univox 1236 - Ecco l'ampli con 12au7 come V1 e post PI

Messaggio da MapleMarco » 24/11/2014, 15:36

per Dio, esiste l'effetto placebo...ed anche il famoso discorso del gusto menta che citi spesso :face_green:

Ma in ambito metal spinto (death, core, extreme, black), mi hanno sempre deluso le soluzioni digitali,
e non sempre sapevo a priori che lo fossero.
Mi è anche capitato di restare stupito da dei pre digitali che invece di entrare in impianto, passavano per dei finali a Tubi.
Ma del digitale dritto in impianto....mai.

Magari è sempre stato un caso ed ho sempre incrociato serate con fonici incompetenti.
Non è un ipotesi così assurda da essere esclusa! :hummm_1:
CHE DIO B'ASSISTA!

Rispondi