Apro questo topic sostanzialmente per fornire un riassunto sulla costruzione della famigerata mesa mark.
ecco come pensavo di organizzare questo thread
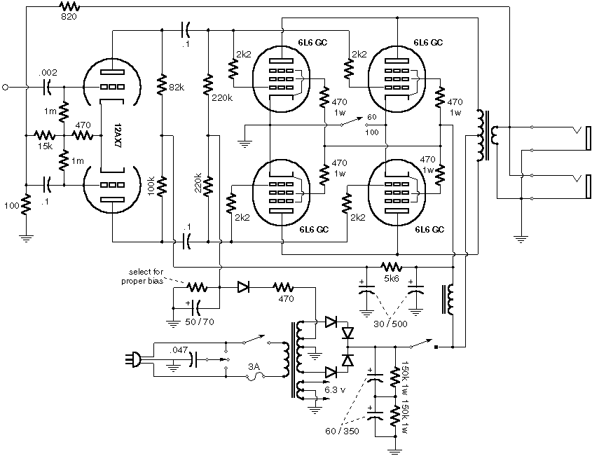
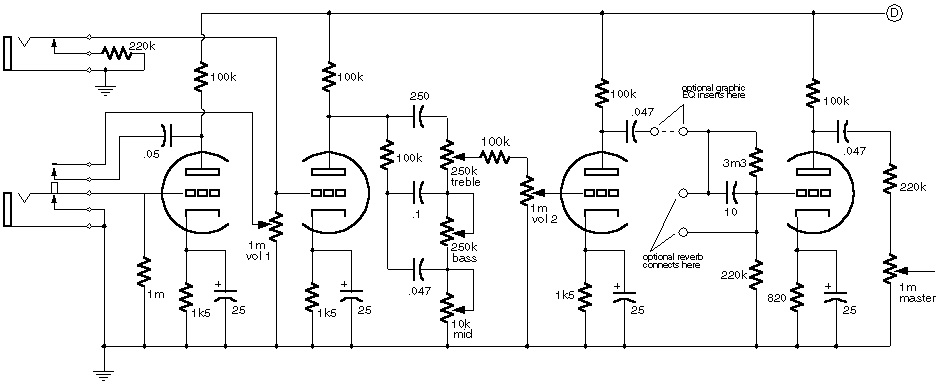
1- storia riassuntiva delle mark, con allegati schemi, per far capire come è evoluta e si è differenziata
2- note (frutto di tutti i miei esperimenti) per capire quali impostazioni funzionano e quali invece sono sostanzialmente inutili
3- diario di costruzione dello schema desunto dalle considerazioni di cui sopra (eh si gente, riciclo la mia 200W seguendo lo schema che ritengo "perfezionato" in ambito mark!!)
dunque, via alle danze!


