Sostieni il forum con una donazione! Il tuo contributo ci aiuterà a rimanere online!
Immagine

ampli geloso G261 per chitarra ?

Discussioni di carattere generale sugli amplificatori valvolari...
Avatar utente
Kagliostro
Amministratore
Amministratore
Messaggi: 9958
Iscritto il: 03/12/2007, 0:16
Località: Prov. di Treviso

Re: ampli geloso G261 per chitarra ?

Messaggio da Kagliostro » 15/01/2014, 17:24

Doclegume

ho provato a chiedere, controlla se sono ok i componenti dell'NFB (cap e res)

e il condensatore che se ne sta dopo la PI
(quello col numero 47 che è collegato alla res della griglia da 1k)

puoi fare delle prove sostituendo le valvole ?

K

Avatar utente
Kagliostro
Amministratore
Amministratore
Messaggi: 9958
Iscritto il: 03/12/2007, 0:16
Località: Prov. di Treviso

Re: ampli geloso G261 per chitarra ?

Messaggio da Kagliostro » 16/01/2014, 9:34

Ecco la mod da fare che dovrebbe risolverti il problema
Geloso-deHiss.jpg
prova e fammi sapere il risultato

K

Avatar utente
doclegume
Diyer Aiutante
Diyer Aiutante
Messaggi: 59
Iscritto il: 12/11/2012, 12:01
Contatta:

Re: ampli geloso G261 per chitarra ?

Messaggio da doclegume » 16/01/2014, 11:27

Ecco la mod da fare che dovrebbe risolverti il problema
grazie kagliostro, provo quanto prima !!
comunque ho sostituito TUTTE le resistenze e quasi tutti i condensatori tranne i due "vitoni" e un paio di condensatori da 2200 sui toni, devo ancora acquistarli e sostituirli
ho fatto qualche cambio valvola ma il risultato non cambia .. ripeto, sul cono da chitarra non si sente quindi presumo sia un soffio sulle altissime frequenze

ah, piccola nota di colore: da quando uso il geloso in studio ho dovuto spegnere il riscaldamento ;-)

Avatar utente
Kagliostro
Amministratore
Amministratore
Messaggi: 9958
Iscritto il: 03/12/2007, 0:16
Località: Prov. di Treviso

Re: ampli geloso G261 per chitarra ?

Messaggio da Kagliostro » 16/01/2014, 13:26

Quei condensatori cambiali quanto prima

per i vitone, se proprio vuoi mantenere l'estetica

fai un restauro svuotandoli e mettendoci dentro degli elettrolitici normali

Immagine

qui le istruzioni
http://www.radioedintorni.it/Radiomecca ... itone.html

comunque la prova dei due cap da aggiungere la puoi fare anche prima di avere gli elettrolitici nuovi (visto che ormai l'ampli l'hai acceso e bene o male va)

Quell'ampli, per l'inverno è un vero toccasana, forse questa estate un po' di meno :face_green:

Ciao

K

Avatar utente
doclegume
Diyer Aiutante
Diyer Aiutante
Messaggi: 59
Iscritto il: 12/11/2012, 12:01
Contatta:

Re: ampli geloso G261 per chitarra ?

Messaggio da doclegume » 16/01/2014, 16:33

per i vitone, se proprio vuoi mantenere l'estetica fai un restauro svuotandoli e mettendoci dentro degli elettrolitici normali
bel lavoro !!! seguirò il tuo consiglio .. tra l'altro è strano che i due vitoni siano da 32+32uF l'uno mentre nello schema sono indicati come 40uF l'uno, probabilmente ai tempi usavano quello che trovavano in magazzino :-)

Avatar utente
Kagliostro
Amministratore
Amministratore
Messaggi: 9958
Iscritto il: 03/12/2007, 0:16
Località: Prov. di Treviso

Re: ampli geloso G261 per chitarra ?

Messaggio da Kagliostro » 16/01/2014, 17:16

Sì, è facile che usassero un po' tutto quello che capitava, ma non è detto che non siano già stati sostituiti ;)

K

Avatar utente
doclegume
Diyer Aiutante
Diyer Aiutante
Messaggi: 59
Iscritto il: 12/11/2012, 12:01
Contatta:

Re: ampli geloso G261 per chitarra ?

Messaggio da doclegume » 06/06/2014, 15:59

ragazzi, scusate se torno "a bomba" su questo vecchio post

l'ampli va più che bene ma mi rimane il desiderio di sistemarlo al meglio; si è comportato egregiamente durante un paio di concerti, tra l'altro a volume molto (ehm) sostenuto, quindi niente da dire
il problema è che l'ampli suona bene solo se preamplifico la chitarra con booster/overdrive
sui suoni "puliti", soprattutto con chitarre anni '6o con poca potenza di uscita sui pickup, gli acuti e la presenza sono davvero latitanti

per capirci, dopo qualche mese di utilizzo del Geloso ho fatto due note sul mio vecchio Pignose G40V e mi si sono sturate le orecchie !!

immagino che il taglio del tonestack Geloso sia modellato sull'utilizzo hi-fi, forse il treble enfatizza frequenze troppo alte per una chitarra e basta modificare il valore dei caps .. qualche idea ?

Avatar utente
doclegume
Diyer Aiutante
Diyer Aiutante
Messaggi: 59
Iscritto il: 12/11/2012, 12:01
Contatta:

Re: ampli geloso G261 per chitarra ?

Messaggio da doclegume » 26/06/2015, 11:30

Buongiorno a tutti
Vorrei aggiornarvi sulle modifiche definitive e soprattutto molto soddisfacenti del mitico Geloso G261
Le modifiche sono state effettuate facendo riferimento al Fender Bandmaster (input) e al Princeton (tone stack e NFB)
Con l'aggiunta del master volume per limitare l'irruenza di questa bestiaccia, riesco ad ottenere un bel crunch e in generele un bel suono armonioso e squillante

Grazie per l'aiuto ad Uruhkai, Maplemarco, Kagliostro e a chi magari ho dimenticato ... non ce l'avrei mai fatta da solo :-)

Allego lo schema modificato
Allegati
geloso_g261a MODS.jpg

MapleMarco
Roger Mayer Jr.
Roger Mayer Jr.
Messaggi: 2658
Iscritto il: 02/06/2012, 14:22
Località: Mirano (VE)

Re: ampli geloso G261 per chitarra ?

Messaggio da MapleMarco » 26/06/2015, 17:27

non mi ricordavo di aver partecipato a questa discussione...
be se sono stato utile in qualche modo mi fa piacere :lol1:

ottimo lavoro!!
CHE DIO B'ASSISTA!

Baden
Neutrino
Neutrino
Messaggi: 1
Iscritto il: 19/10/2015, 21:43

Re: ampli geloso G261 per chitarra ?

Messaggio da Baden » 19/10/2015, 22:14

Ciao a tutti e complimenti a doclegume e a chi lo ha aiutato a trasformare il suo ampli. Un vero capolavoro.
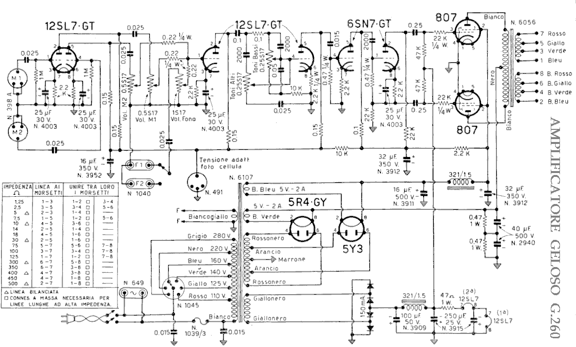
Io sono possessore di un Geloso G-260, credo la versione precedente del 261, comunque un po diversa nello schema, e sulla scia del vostro successo vorrei accingermi a trasformarlo per chitarra.
Non sono un tecnico (sono solo un chitarrista geologo) e vorrei far fare le modifiche a mio suocero che è un perito elettronico e da giovane ha avuto a che fare con amplificatori valvolari ma di musica non ci capisce una mazza.
Se potete aiutarmi vorrei farvi alcune domande e se siete così gentili da rispondere vi chiedo di essere molto semplici perché devo capire e far da tramite con mio suocero che metterà le mani sul Geoloso.
1) Dallo schema dell'ampli che vi allego mi sembra che l'imput sia diverso dal G-261 ed in qualche modo sia già adattato per la chitarra.
2) Perché nella modifica di doclegume è stato necessario metter due Jack di input? sono diversi oppure è come nei vecchi ampli Fender dove dal Jack 1 e 2 vi è una differenza di volume e suono?
3) Il Master che è stato inserito è solo un potenziometro dopo le valvole preamplificatrici oppure è necessario fare ulteriori modifiche?
4) Le modifiche di resistenze etc. che vedo nello schema finale di doclegume le posso fare anch'io oppure per il ampli meglio di no?
5) Posso cambiare le valvole o e meglio lasciare quelle indicate dalla casa? ad es. una valvola non è la sua originale ma è una 5U4.
6) Per le impedenze in uscita vi sono vari morsetti con delle indicazioni che non capisco bene, mi potete dire come funziona per selezionare l'impedenza voluta?

Vi allego gli schemi
g260.gif
Geloso G260A Amplifier.pdf
(445.32 KiB) Scaricato 249 volte

Rispondi