Sostieni il forum con una donazione! Il tuo contributo ci aiuterà a rimanere online!
Immagine

Costruzione Silver Jubilee 18W

Discussioni di carattere generale sugli amplificatori valvolari...
Overdrive
Diyer
Diyer
Messaggi: 110
Iscritto il: 07/03/2015, 23:54
Località: Monza

Re: Costruzione Silver Jubilee 18W

Messaggio da Overdrive » 23/10/2015, 15:05

La descrizione migliore che ho trovato io per dimensionare il finale:

http://Www.valvewizard.co.uk

Marco

Avatar utente
peppinho
Diyer Aiutante
Diyer Aiutante
Messaggi: 53
Iscritto il: 03/06/2014, 20:39

Re: Costruzione Silver Jubilee 18W

Messaggio da peppinho » 26/10/2015, 2:31

grazie Marco, ci vorrà un po a tradurlo correttamente ma vedendolo promette bene.

Piccolo OT: per correggere gli sbalzi di tensione credo che opterò per lo schema in allegato.
Con questa soluzione, con un singolo trasformatore da una decina di VA potrei gestire sbalzi di +- 9 o +-18V con 3 relè pilotati da un circuito a parte (che richiederà un terzo trasformatore, a meno che non prenda l'alimentazione direttamente da rete) che non ho ancora dimensionato.
Spiegazione:
S1: Collega l'estremo "in fase" del primario alla fase o al neutro. Se si trova sulla fase e l'altro sul neutro in uscita si ha la tensione di rete sommata alla tensione sul secondario del trasformatore.
S3: Collega l'estremo "sfasato" (o il tap centrale, vedi S2) alla fase o al neutro. Se si trova sulla fase e l'altro sul neutro in uscita si ha la tensione di rete meno la tensione sul secondario del trasformatore.
S2: Avendo un primario a 230V con tap centrale, collegando il tap alla tensione di rete si ottiene il doppio della tensione nominale sul secondario, collegando l'altro estremo del primario il secondario funziona alla tensione nominale
Devo verificare quale sia la tensione massima applicabile su questi primari, ma se reggono dovrei aver risolto il problema "tensione" con una cosa decisamente meno ingombrante di un autotrasformatore o di un ups.
Allegati
5.png

Avatar utente
Kagliostro
Amministratore
Amministratore
Messaggi: 9958
Iscritto il: 03/12/2007, 0:16
Località: Prov. di Treviso

Re: Costruzione Silver Jubilee 18W

Messaggio da Kagliostro » 26/10/2015, 9:28

Scusa Peppinho ma non riesco a seguire il tuo schema

Per me la cosa funziona così
Buck - Boost Transformer.jpg
Naturalmente le tensioni in uscita sono indicate per un ingresso di rete fisso a 220v, se l'ingresso varia le uscite, in proporzione, variano

---

Tra l'altro non collegherei mai la tensione di rete al CT di un trasformatore che ai suoi estremi sopporta la stessa, collegando a metà avvolgimento le specifiche sarebbero di molto superate, ma ripeto, non ho sono riuscito a seguire cosa intendevi dire e quindi potrei aver sbagliato in pieno l'interpretazione

---

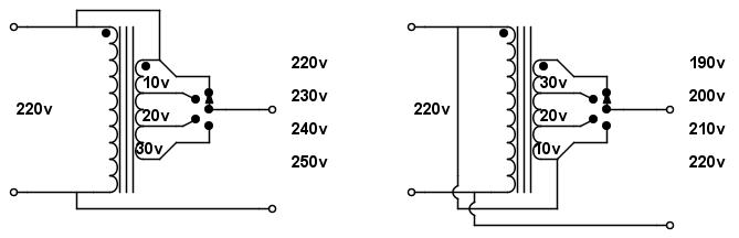
Forse potrebbe interessarti questo

http://bestengineeringprojects.com/elec ... r-circuit/

---

Dovrebbe funzionare anche questo (al centro stessa tensione di rete, commuti in una direzione aggiunge, commuti dall'altra parte toglie)
Boock - Boost Transformer 02.jpg
Boock - Boost Transformer 02.jpg (7.56 KiB) Visto 5068 volte
K

Avatar utente
peppinho
Diyer Aiutante
Diyer Aiutante
Messaggi: 53
Iscritto il: 03/06/2014, 20:39

Re: Costruzione Silver Jubilee 18W

Messaggio da peppinho » 26/10/2015, 22:50

nel mio schema i primari (non avendo il ct su multisim) sono quelli di sotto.
per quanto riguarda le bobine, teoricamente hanno un isolamento di 5kV, ben oltre la tensione nominale del trasformatore, ed è proprio la cosa da verificare, ovvero se alimentate al doppio della tensione nominale reggono.
Teoricamente dovrebbero funzionare correttamente a patto di mantenere la potenza totale in ingresso entro quella nominale del trafo, e la tensione in ingresso entro quella di isolamento della bobina primaria.

Avatar utente
Kagliostro
Amministratore
Amministratore
Messaggi: 9958
Iscritto il: 03/12/2007, 0:16
Località: Prov. di Treviso

Re: Costruzione Silver Jubilee 18W

Messaggio da Kagliostro » 27/10/2015, 2:38

Per me se dai 220v su un CT da 125v il core del trasfo satura

K

Avatar utente
peppinho
Diyer Aiutante
Diyer Aiutante
Messaggi: 53
Iscritto il: 03/06/2014, 20:39

Re: Costruzione Silver Jubilee 18W

Messaggio da peppinho » 20/01/2016, 1:39

Ragazzi, ci siamo.
credo di essere pronto a fare l'ordine.
se possibile però, prima di fare l'ordine e rischiare di ordinare qualcosa in meno o qualche componente sbagliato, posto lo schema e chiedo se qualcuno ha voglia di dargli un occhiata.
premetto che nello schema ho cercato di linearizzare il tutto per essere letto più semplicemente (da sinistra a destra i vari stadi partendo dall'jack in inresso fino ad arrivare al TU), e per comodità nello schema ho messo connettori al posto dei trasformatori.
I valori dei trasformatori sono sempre gli stessi: TU da 8k, TA da 270+270V 150mA

Come potete vedere, non ho fatto altro che prendere la gestione triodo/pentodo e la prima parte dell'alimentazione dal vox NT15 postato a inizio discussione, il resto del finale dal marshall 18W ed il resto, ovvero pre, equalizzazione, phase splitter e feedback per il presence dal jubilee.
sulla carta, finale escluso (che non ho modo di verificare) dovrebbe funzionare, ma ad occhio e croce ci sono 150€ di componenti, per cui prima di fare il ceck out preferirei aspettare l'intervento di qualcuno più esperto di me.
:ok_1:
Allegati
JUBILEE 18W.pdf
(56.09 KiB) Scaricato 221 volte

Avatar utente
peppinho
Diyer Aiutante
Diyer Aiutante
Messaggi: 53
Iscritto il: 03/06/2014, 20:39

Re: Costruzione Silver Jubilee 18W

Messaggio da peppinho » 21/01/2016, 17:47

Ragazzi, già che ci siamo chiedo una cosa: secondo voi è il caso di lasciarlo fixed bias o fare un cathode bias per adattarsi meglio alle tensioni che avrò una volta costruito il tutto?

Avatar utente
robi
Amministratore
Amministratore
Messaggi: 9762
Iscritto il: 17/12/2006, 13:57
Località: Alba

Re: Costruzione Silver Jubilee 18W

Messaggio da robi » 21/01/2016, 19:35

Veramente da schema ora è cathode biased, non fixed biased.
Dipende da che sonorità cerchi.

Avatar utente
peppinho
Diyer Aiutante
Diyer Aiutante
Messaggi: 53
Iscritto il: 03/06/2014, 20:39

Re: Costruzione Silver Jubilee 18W

Messaggio da peppinho » 21/01/2016, 19:42

scusa, faccio sempre confusione :mart: .
Comunque, cosa cambia fra fixed e cathode a livello di suono?

Avatar utente
robi
Amministratore
Amministratore
Messaggi: 9762
Iscritto il: 17/12/2006, 13:57
Località: Alba

Re: Costruzione Silver Jubilee 18W

Messaggio da robi » 22/01/2016, 11:41

Dipende da mille parametri, ma a grandi linee i cathode biased hanno una transizione più morbida in saturazione, mentre per i fixed la transizione è più netta.

Avatar utente
peppinho
Diyer Aiutante
Diyer Aiutante
Messaggi: 53
Iscritto il: 03/06/2014, 20:39

Re: Costruzione Silver Jubilee 18W

Messaggio da peppinho » 22/01/2016, 12:39

quindi, se non ho interpretato male, per un crunch leggero (intendo un clean che, dando pennate più forti, inizia a distorcere lievemente) sarebbe più adatto il cathode, o sbaglio?

Avatar utente
robi
Amministratore
Amministratore
Messaggi: 9762
Iscritto il: 17/12/2006, 13:57
Località: Alba

Re: Costruzione Silver Jubilee 18W

Messaggio da robi » 22/01/2016, 15:28

Come ti dicevo dipende da altri mille fattori, interazione fra pre e finale compresa.
Però non ti costa nulla provare entrambi i metodi (un tap per il bias costa molto poco aggiungerlo) e poi scegliere quale usare.

Avatar utente
peppinho
Diyer Aiutante
Diyer Aiutante
Messaggi: 53
Iscritto il: 03/06/2014, 20:39

Re: Costruzione Silver Jubilee 18W

Messaggio da peppinho » 22/01/2016, 22:13

prima di tutto grazie per il chiarimento.
Oggi pomeriggio ho fatto qualche prova sotto carico del PSU, e da queste prove sono arrivato a farmi 2 conti:
Stando a quanto letto in giro per le EL84, fra i 350 ed i 400V, dovrei stare fra 17 e 21 mA per tubo, per cui il carico "a riposo" dovrebbe essere 40mA.
Con le SAG da 220 ohm passo da 400V a vuoto a 375 con 12 mA di carico, che mi sembra una caduta eccessiva.
Mettendo 2 resistenze da 100 ohm, invece, dovrei ottenere un buon compromesso fra tensione a riposo (375 V con solo i 40 mA di bias) e sotto carico (340V con 140 mA di carico, che è poco meno di quanto regge il TA).
Ora mi è sorto un dubbio:
Ho dato un occhiata al sito consigliato da Overdrive, ma mi sono venuti 2 dubbi:
1) non ho ben capito come dimensionare la resistenza sul catodo per il bias. da quanto ho letto, scelta la corrente di bias (20mA) dovrei cercare sulla caratteristica di trasferimento il punto che interseca con la corrente scelta e da li ricavare la tensione della griglia, e calcolare la resistenza con la legge di ohm.
Il problema è che, ammesso di aver capito bene questo passaggio, per le EL 84 le curve si fermano a 250V
2) lo switch triodo/pentodo influisce, in qualche modo, sul calcolo del bias?

Avatar utente
peppinho
Diyer Aiutante
Diyer Aiutante
Messaggi: 53
Iscritto il: 03/06/2014, 20:39

Re: Costruzione Silver Jubilee 18W

Messaggio da peppinho » 25/01/2016, 1:56

piccolo OT.
nel frattempo, nel week end:
Allegati
IMG_20160124_220613.jpg
IMG_20160124_220522.jpg
IMG_20160123_134951.jpg

Avatar utente
peppinho
Diyer Aiutante
Diyer Aiutante
Messaggi: 53
Iscritto il: 03/06/2014, 20:39

Re: Costruzione Silver Jubilee 18W

Messaggio da peppinho » 08/02/2016, 11:48

Buone nuove:
Ho ricevuto i componenti da TT ed ho iniziato l'assemblaggio.
Per ora ho fatto i 2 PCB ( uno fa da PSU + finale, l'altro da Pre), assemblato gli stessi e testato il finale.
Sotto carico, con le SAG da 150 ohm stiamo sui 360V di anodica, per cui ho regolato il bias a 40mA (alla fine ho scelto il fixed bias).
Per ora sembra funzionare, a parte il fatto che inizia a distorcere molto prima di quanto mi aspettassi e che lo switch triodo/pentodo sembra non funzionare (non noto nessuna differenza).
Per ora me la sono cavata con 200€ + trasformatori, legni e finta pelle che avevo già.
Allego qualche foto
Allegati
IMG_20160208_014749.jpg
Pre lato piste e zoccoli
IMG_20160207_144918.jpg
Finale assemblato durante il test
IMG_20160208_025821.jpg
Pre lato componeni

Rispondi