info choke JTM45
info choke JTM45
Buongiorno a tutti ho comprato una testata Marshall jtm 45 con finali KT66 con choke bruciata,in casa ho una choke Hammond 194 C 50 mA credo non vada bene che ne dite grazie.
- Kagliostro
- Amministratore

- Messaggi: 9949
- Iscritto il: 03/12/2007, 0:16
- Località: Prov. di Treviso
Re: info choke JTM45
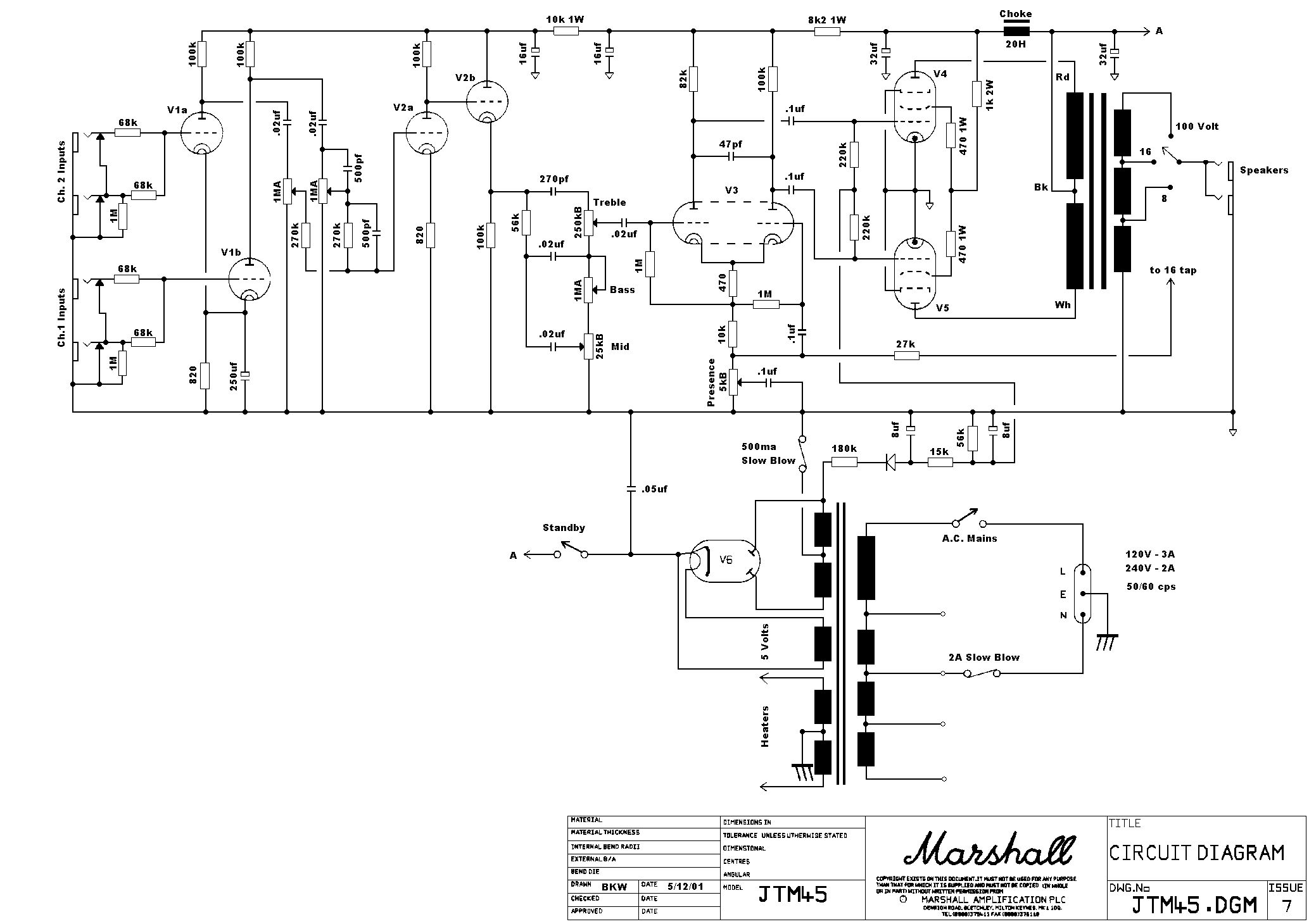
Nel jtm45 la choke non alimenta anche le placche delle finali ma solo il pre, la PI e le griglie delle finali
Senza choke ovviamente il circuito risponde in modo diverso, ma una volta ripristinati eventuali guasti potresti, senza choke,
verificare che l'assorbimento di quel nodo stia sotto i 50mA (Classic Tone per il jtm45 vende delle choke da 20H 70mA)
se ci passa meno di 50mA di corrente la choke che hai potresti anche metterla
tenendo presente, però, che ha il doppio dell'impedenza rispetto quella di progetto (40H invece di 20H)
e quindi qualche differenza potresti sentirla
Leggiti un po' di discussione qui
http://forum.metropoulos.net/viewtopic.php?t=25243
K
Senza choke ovviamente il circuito risponde in modo diverso, ma una volta ripristinati eventuali guasti potresti, senza choke,
verificare che l'assorbimento di quel nodo stia sotto i 50mA (Classic Tone per il jtm45 vende delle choke da 20H 70mA)
se ci passa meno di 50mA di corrente la choke che hai potresti anche metterla
tenendo presente, però, che ha il doppio dell'impedenza rispetto quella di progetto (40H invece di 20H)
e quindi qualche differenza potresti sentirla
Leggiti un po' di discussione qui
http://forum.metropoulos.net/viewtopic.php?t=25243
K
Re: info choke JTM45
Ciao Kagliostro grazie scusa il ritardo ma ero al lavoro,quando ho tempo misuro amperaggio poi ti dico intanto ho ordinato la sua per sicurezza grazieee

