Clone dark terror
Clone dark terror
Buongiorno a tutti ho costruito un clone dark terror,tutto funziona alla grande ma un problema strano mi sta facendo diventar matto!!
Con volume master a zero e gain a metà si sente suono chitarra,ho ricontrollato il tutto ma non vedo errori,il layout e quello in figura non riesco a capire se qualcuno vuole aiutarmi,grazie
Con volume master a zero e gain a metà si sente suono chitarra,ho ricontrollato il tutto ma non vedo errori,il layout e quello in figura non riesco a capire se qualcuno vuole aiutarmi,grazie
- Kagliostro
- Amministratore

- Messaggi: 9947
- Iscritto il: 03/12/2007, 0:16
- Località: Prov. di Treviso
Re: Clone dark terror
Sei sicuro che il pot del volume vada a zero quando lo giri da quella parte ?
Non è che R19 non viene collegata a massa dal cursore del pot e quindi un po' di segnale continua a passare ?
--
Controlla anche il collegamento alla presa jack di ingresso (però se il problema fosse lì ruotando il pot del gain non dovrebbe influire)
K
Non è che R19 non viene collegata a massa dal cursore del pot e quindi un po' di segnale continua a passare ?
--
Controlla anche il collegamento alla presa jack di ingresso (però se il problema fosse lì ruotando il pot del gain non dovrebbe influire)
K
Re: Clone dark terror
ciao Kagliostro ho provato fino a ora ma niente da fare ,ho messo direttamente a massa r19 ma passa ancora ,il suono e con molti acuti,mi sa che ho un problemi di collegamenti!,ho provato a staccare R19 ma niente e un ora che provo mi sa che rifaccio tutti i cavi per capire cos'è speriamo bene comunque vi faccio sapere grazie
Re: Clone dark terror
prima di rifare i collegamenti prova a mandare a massa il nodo tra r19 e c15 e vedi se il problema persiste
Re: Clone dark terror
ok mandato a massa r19 e c15 il problema rimane, 
Re: Clone dark terror
Ho eliminato filo che dal return va al C19,scollegato r19 quindi fatto un ponte che va dal piedino centrale volume al C 19 e il problema sparisce,suppongo che qualcosa non va nel triodo V3A,ma non capisco cosa c'è perche ho ricontrollato circuito V3A ed e ok qualche interferenza?
mi sto arrendendo!!!Correggetemi se dico una cavolata ma può essere che c5 e c8 portino del segnale sull alimentazione?
mi sto arrendendo!!!Correggetemi se dico una cavolata ma può essere che c5 e c8 portino del segnale sull alimentazione?
Re: Clone dark terror
Ho eliminato filo che dal return va al C19,scollegato r19 quindi fatto un ponte che va dal piedino centrale volume al C 19 e il problema sparisce,suppongo che qualcosa non va nel triodo V3A,ma non capisco cosa c'è perche ho ricontrollato circuito V3A ed e ok qualche interferenza?
mi sto arrendendo!!!Correggetemi se dico una cavolata ma può essere che c5 e c8 portino del segnale sull alimentazione?
mi sto arrendendo!!!Correggetemi se dico una cavolata ma può essere che c5 e c8 portino del segnale sull alimentazione?
-
alexradium
- Diyer Eroe

- Messaggi: 777
- Iscritto il: 07/06/2011, 14:18
Re: Clone dark terror
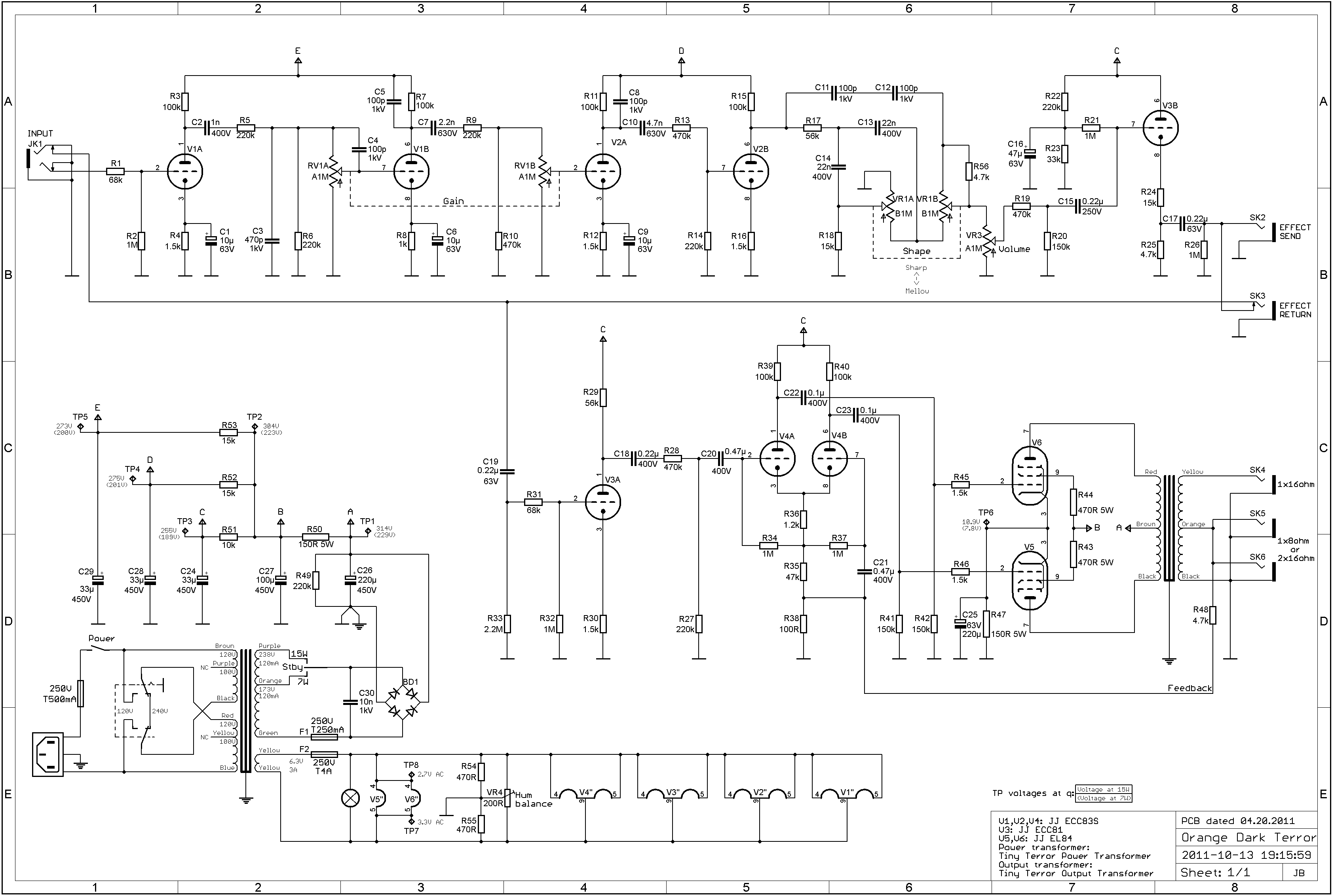
Quando si fanno preamp con tanti stadi in cascata,il gain generato è parecchio,capita che parte del suono venga captato da circuiti adiacenti anche estranei al canale stesso,per vari motivi che possono essere cavi non schermati in zone sensibili come le griglie dei triodi,condensatori,carcasse dei potenziometri non collegate a massa,valvole troppo ravvicinate fra loro o troppo vicine a trasformatori,assenza di schermo sulle stesse,layout non ottimale del preamplificatore anche rispetto alle masse.giorgio62 ha scritto: ↑22/10/2018, 9:38Buongiorno a tutti ho costruito un clone dark terror,tutto funziona alla grande ma un problema strano mi sta facendo diventar matto!!
Con volume master a zero e gain a metà si sente suono chitarra,ho ricontrollato il tutto ma non vedo errori,il layout e quello in figuraOrange_Dark_Terror.pngDark-Terror-Layout-41516-grid-resistor.gif
non riesco a capire se qualcuno vuole aiutarmi,grazie
Magari un paio di foto del lavoro fatto possono dire qualcosa in più su dove mettere mano.
Re: Clone dark terror
ciao.. la massa del send e return dove l'hai piazzata? secondo me ti entra il segnale per induzione da la..o dal send e return o da qualche parte in v3b
