Riduzione potenza, come fare....
Re: Riduzione potenza, come fare....
Ciao,
personalmente non ho mai visto i potenziometri "fruscianti" come un problema. Le vecchie plexi frusciano come se non ci fosse un domani sul presence, ma non c'è nessun problema a riguardo. In tutti i miei ampli il depth ha un leggero fruscio che ho preferito all'aggiungere un altro condensatore sul feedback.
personalmente non ho mai visto i potenziometri "fruscianti" come un problema. Le vecchie plexi frusciano come se non ci fosse un domani sul presence, ma non c'è nessun problema a riguardo. In tutti i miei ampli il depth ha un leggero fruscio che ho preferito all'aggiungere un altro condensatore sul feedback.
-
desdemone1976
- Neutrino

- Messaggi: 12
- Iscritto il: 31/07/2019, 19:51
Re: Riduzione potenza, come fare....
Dunque mi sono spulciato il manuale del rebel 20
Quindi concordo con quanto detto da Kagliostro nell'ultimo post...pero ho cercato info per la riduzione della tensione su G2 e ho trovato vari thread qui sul forum
viewtopic.php?f=22&t=6603&p=65013&hilit ... ing#p65013
qui Luix lo caldeggia...
Ho letto molti altri post e thread qui e su altri forum e la soluzione del VVR (nel Power Scaling) mi sembra sicuramente la più adatta a quello che vorrei...
Magari la potrei fare non a potenziometro ma "fissa" cosi setto ad hoc sia anodica che bias (avendo un fixed bias) cioè tipo 20W/2W
Adesso qui entrano molte variabili come se intervenire anche sull'anodica della PI o solo sulle finali...e via dicendo...
Ho visto anche i post di Robi quando parla del Power Scaling del OD3 (sloclone)...
Insomma un bel po di cosette da provare...

viewtopic.php?f=22&t=6603&p=65013&hilit ... ing#p65013
qui Luix lo caldeggia...
Ho letto molti altri post e thread qui e su altri forum e la soluzione del VVR (nel Power Scaling) mi sembra sicuramente la più adatta a quello che vorrei...
Magari la potrei fare non a potenziometro ma "fissa" cosi setto ad hoc sia anodica che bias (avendo un fixed bias) cioè tipo 20W/2W
Adesso qui entrano molte variabili come se intervenire anche sull'anodica della PI o solo sulle finali...e via dicendo...
Ho visto anche i post di Robi quando parla del Power Scaling del OD3 (sloclone)...
Insomma un bel po di cosette da provare...
Re: Riduzione potenza, come fare....
Mitiche le litigate con robi del 2010
Ero un cacchio di burbero, l'età porta consiglio
Comunque ritornando al discorso, io lo farei passivo, cioè con un Lpad e qualche componente che "aggiusti" la risposta in frequenza, ultimamente si trovano gli attenuatori torpedo usati a 150-170 euro, forse non conviene neanche sbattersi per cercare di costruirselo, considerando che devi comprare un Lpad (50 euro) una scatola (20 euro), resistenze corazzate (20 euro), condensatori alta tensione (10 euro), induttanze (10 euro!?!), tempo di smadonnamento (non ha prezzo)....
Su adamsamps c'è questo articolo
https://monster.partyhat.co/article/amp ... tenuation/
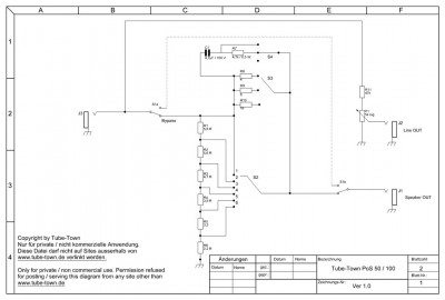
Quì di sotto trovi la versione di tube town, il problema principale credo sia il fatto che usando delle resistenze per attenuare "isoli" l'altoparlante dall'ampli e quindi fai vedere all'amplificatore un carico molto più simile a una resistenza che a un altoparlante.
In pratica se non usi dei filtri rischi di ottenere un suono sterile oppure molto diverso da quello che sarebbe usando l'altoparlante. Ora sta a te costruire sbatterti e smanettare per trovare il tuo suono oppure comprarne uno studiarlo e modificarlo o ancora comprarne uno e festa finita
Ero un cacchio di burbero, l'età porta consiglio
Comunque ritornando al discorso, io lo farei passivo, cioè con un Lpad e qualche componente che "aggiusti" la risposta in frequenza, ultimamente si trovano gli attenuatori torpedo usati a 150-170 euro, forse non conviene neanche sbattersi per cercare di costruirselo, considerando che devi comprare un Lpad (50 euro) una scatola (20 euro), resistenze corazzate (20 euro), condensatori alta tensione (10 euro), induttanze (10 euro!?!), tempo di smadonnamento (non ha prezzo)....
Su adamsamps c'è questo articolo
https://monster.partyhat.co/article/amp ... tenuation/
Quì di sotto trovi la versione di tube town, il problema principale credo sia il fatto che usando delle resistenze per attenuare "isoli" l'altoparlante dall'ampli e quindi fai vedere all'amplificatore un carico molto più simile a una resistenza che a un altoparlante.
In pratica se non usi dei filtri rischi di ottenere un suono sterile oppure molto diverso da quello che sarebbe usando l'altoparlante. Ora sta a te costruire sbatterti e smanettare per trovare il tuo suono oppure comprarne uno studiarlo e modificarlo o ancora comprarne uno e festa finita
Re: Riduzione potenza, come fare....
Per i potenziometri che frusciano prova con lo svitol, fa miracoli e costa un decimo dello spray pulisci contattirobi ha scritto: ↑15/01/2021, 9:21Ciao,
personalmente non ho mai visto i potenziometri "fruscianti" come un problema. Le vecchie plexi frusciano come se non ci fosse un domani sul presence, ma non c'è nessun problema a riguardo. In tutti i miei ampli il depth ha un leggero fruscio che ho preferito all'aggiungere un altro condensatore sul feedback.
Se poi il potenziometro muove della tensione DC è normale che frusci, ad esempio nel mio ampli il potenziometro che abbassa la G2 del pentodo fruscia da pazzi, però è normalissimo e fisiologico proprio perchè si sta variando una tensione DC.
Re: Riduzione potenza, come fare....
Ciao Luix,
ho rimosso le discussione del 2010. Mi ricordo solo una volta in cui mi ero impuntato su non so cosa e non avevo considerato che c'era un calcolo davvero ovvio che io avevo saltato a piè pari senza accorgermene, e non ci capivamo perchè tu giustamente ne avevi tenuto conto.
Sì, il mio pot del depth ha della continua, come i vecchi presence delle 1959.
Fruscia per quello, ma l'ho preferito così piuttosto di aggiungere un altro RC sul loop.
ho rimosso le discussione del 2010. Mi ricordo solo una volta in cui mi ero impuntato su non so cosa e non avevo considerato che c'era un calcolo davvero ovvio che io avevo saltato a piè pari senza accorgermene, e non ci capivamo perchè tu giustamente ne avevi tenuto conto.
Sì, il mio pot del depth ha della continua, come i vecchi presence delle 1959.
Fruscia per quello, ma l'ho preferito così piuttosto di aggiungere un altro RC sul loop.
Re: Riduzione potenza, come fare....
I pot che frusciano perchè hanno DC, possono essere una cosa detestabile per qualcuno e superflua per qualcun'altro. Per me, per esempio, è odiosa.
Il mio scopo era solo rendere conscio l'autore del thread della possibilitá che poteva dare quella mod sperimentandola realmente. Poi se può essere trascurabile o no è personale, certo.
Però almeno sai che realizzando il circuito in quel modo il pot ti scratcha e sei consapevole del risultato.
Il circuito postato da Luix dovrebbe essere un Dummyload. Provai a realizzarne uno tempo fa e risultati furono davvero scadenti. Si, il suono è assolutamente sterile.
Con una "reactive load" la cosa cambia e il suono migliora di molto. Ma non credo che potrá mai essere come un buon VVR progettato bene.
Il mio scopo era solo rendere conscio l'autore del thread della possibilitá che poteva dare quella mod sperimentandola realmente. Poi se può essere trascurabile o no è personale, certo.
Però almeno sai che realizzando il circuito in quel modo il pot ti scratcha e sei consapevole del risultato.
Il circuito postato da Luix dovrebbe essere un Dummyload. Provai a realizzarne uno tempo fa e risultati furono davvero scadenti. Si, il suono è assolutamente sterile.
Con una "reactive load" la cosa cambia e il suono migliora di molto. Ma non credo che potrá mai essere come un buon VVR progettato bene.
Re: Riduzione potenza, come fare....
Personalmente, il miglior attenuatore che abbia mai provato è questo:
https://m.youtube.com/watch?reload=9&v=CH6AI2mAsD4
Non ci sono modifiche circuitali che tengano, nè altri attenuatori così trasparenti.
https://m.youtube.com/watch?reload=9&v=CH6AI2mAsD4
Non ci sono modifiche circuitali che tengano, nè altri attenuatori così trasparenti.
Re: Riduzione potenza, come fare....
Si, lo conosco. Ho visto alcuni video e letto diverse notizie su quel MOSTRO. Pare che sia eccezionale. Anche i sample audio dicono molto a riguardo.
...Il problema è che... costa un botto!
...Il problema è che... costa un botto!
Re: Riduzione potenza, come fare....
Ne ha un paio un mio amico collezionista di Marshall anni '60 e chitarre anni '50 e '60.
L'ultima volta che l'ho provato non avevo ancora un ponte LCR e quindi non potevo prendere tutte le misurazioni necessarie.
Spero di riuscire a farlo la prossima volta, quando mai sarà.
L'ultima volta che l'ho provato non avevo ancora un ponte LCR e quindi non potevo prendere tutte le misurazioni necessarie.
Spero di riuscire a farlo la prossima volta, quando mai sarà.
Re: Riduzione potenza, come fare....
Ricordo di aver visto lo schema degli attenuatori marshall ed erano semplicemente degli autotrasformatori, purtroppo non ne trovo traccia!
Mi è però venuta una idea, se lo si include in un amplificatore in costruzione si potrebbe far uso del feedback preso direttamente dall'altoparlante e riamplificato così da far credere all'amplificatore che sta pilotando un altoparlante.
Provo a spiegarmi con uno schema:
Più si attenua con l'Lpad più si amplifica il segnale che viene iniettato nel feedback.
Il problema sarebbe che l'L-pad non ha un terzo potenziometro che permetta di segnalare quanto sta attenuando, si dovrebbe quindi usare un selettore rotativo a tre vie e X posizioni in modo che due vie siano usate per l'attenuazione e l'altra via sia usata per regolare il guadagno...
Una idea complicata ma che magari funziona... chissà se chi sperimenta con gli amplificatori legge i forum in cerca di nuove idee
Mi è però venuta una idea, se lo si include in un amplificatore in costruzione si potrebbe far uso del feedback preso direttamente dall'altoparlante e riamplificato così da far credere all'amplificatore che sta pilotando un altoparlante.
Provo a spiegarmi con uno schema:
Più si attenua con l'Lpad più si amplifica il segnale che viene iniettato nel feedback.
Il problema sarebbe che l'L-pad non ha un terzo potenziometro che permetta di segnalare quanto sta attenuando, si dovrebbe quindi usare un selettore rotativo a tre vie e X posizioni in modo che due vie siano usate per l'attenuazione e l'altra via sia usata per regolare il guadagno...
Una idea complicata ma che magari funziona... chissà se chi sperimenta con gli amplificatori legge i forum in cerca di nuove idee
Re: Riduzione potenza, come fare....
https://schematicheaven.net/marshallamps/powerbrake.pdf
Questo è lo schema del power brake: avuto e rivenduto subito.
Per l'amplificatore sul feedback preso sul cono, parte del suono di un ampli spinto oltre i limiti è dovuto al suo entrare ed uscire dalla linearitá, e dal come dinamicamente questo viene fatto dall'ampli. "Stabilizzargli" questo aspetto non credo cre porti ad un suono naturale del finale, così a naso. Ma chiaramente posso sbagliarmi!
Questo è lo schema del power brake: avuto e rivenduto subito.
Per l'amplificatore sul feedback preso sul cono, parte del suono di un ampli spinto oltre i limiti è dovuto al suo entrare ed uscire dalla linearitá, e dal come dinamicamente questo viene fatto dall'ampli. "Stabilizzargli" questo aspetto non credo cre porti ad un suono naturale del finale, così a naso. Ma chiaramente posso sbagliarmi!
-
desdemone1976
- Neutrino

- Messaggi: 12
- Iscritto il: 31/07/2019, 19:51
Re: Riduzione potenza, come fare....
Ho buttato giù questo schemino da cui ricaverò un PCB da poter implementare dentro i miei ampli...preso dallo schema del OD3, ho inserito tutto quello che penso mi serva per fare un intervento minimo sugli ampli, ho previsto entrambi equivalenti agli NTE.
-
desdemone1976
- Neutrino

- Messaggi: 12
- Iscritto il: 31/07/2019, 19:51
Re: Riduzione potenza, come fare....
Ragazzi HELP
sto facendo "spesa" di componenti... i mosfet li avevo trovati su rs components...ma NON trovo il potenziometro lineare stereo da 1M!!!!
Qualche consiglio su negozi online? (oltre la baya...)
GRAZIE!
sto facendo "spesa" di componenti... i mosfet li avevo trovati su rs components...ma NON trovo il potenziometro lineare stereo da 1M!!!!
Qualche consiglio su negozi online? (oltre la baya...)
GRAZIE!
- Kagliostro
- Amministratore

- Messaggi: 9955
- Iscritto il: 03/12/2007, 0:16
- Località: Prov. di Treviso
