Sostieni il forum con una donazione! Il tuo contributo ci aiuterà a rimanere online!
Immagine

Micro-JCM con EF80

Discussioni di carattere generale sugli amplificatori valvolari...
Matrix_G
Diyer
Diyer
Messaggi: 126
Iscritto il: 09/07/2010, 19:28
Località: Modena

Micro-JCM con EF80

Messaggio da Matrix_G » 08/07/2022, 17:22

Ciao a tutti,
causa scimmia che mi si è arrampicata sulla schiena, ho in cantiere un JCM800 con finale PP di EF80 (praticamente quello presente sul sito di Rob Robinette), ma lievemente modificato per usare il più possibile quello che ho in casa e sperimentare su alcuni aspetti. In particolare:
  • Rettifica a valvole con EZ81
  • VVR a Mosftet per mantenere le tensioni di pre del 2204 e quelle del finale consone alle EF80
  • PPIMV stile LarMar che sostituisce il MV prima della PI (qui per sperimentare vorrei mettere un trimmer per giocare con l'ingresso in saturazione della PI all'aumentare del gain)
Domanda:
- Volendo mantenere la timbrica del JCM, avevo pensato di configurare il PPIMV in modo che il carico visto dalla PI fosse il più costante possibile lungo l'escursione del pot e prossimo a quello originale. Allo stesso tempo, ho cercato di avere l'attenuazione necessaria per non saturare subito il finale. Sono solo inutili pippe oppure variare il carico visto dalla PI può influire decisamente sul suono finale?

:numb1:

Avatar utente
robi
Amministratore
Amministratore
Messaggi: 9738
Iscritto il: 17/12/2006, 13:57
Località: Alba

Re: Micro-JCM con EF80

Messaggio da robi » 11/07/2022, 17:50

Ciao, con un MVPPI non cambia il carico della PI. Cosa intendi?
Hai uno schema da condividere?

Avatar utente
Kagliostro
Amministratore
Amministratore
Messaggi: 9949
Iscritto il: 03/12/2007, 0:16
Località: Prov. di Treviso

Re: Micro-JCM con EF80

Messaggio da Kagliostro » 11/07/2022, 18:46



Robinette usa un crossline e non un LarMar

Questo è un LarMar



Questo, forse, potrebbe essere quello che intende dicendo di non voler variare il carico della PI



Franco

Matrix_G
Diyer
Diyer
Messaggi: 126
Iscritto il: 09/07/2010, 19:28
Località: Modena

Re: Micro-JCM con EF80

Messaggio da Matrix_G » 11/07/2022, 20:06

Ovviamente si ragiona meglio con uno straccio di schema :muro:

Dunque, la configurazione che usa Rob nel JCM Micro (a differenza di quella postata da kagliostro) ha il MV pre-PI ed un partitore fisso dopo il cap di disaccoppiamento della PI, che fa passare circa l'11% del segnale (serie 56k + 470k verso massa).

Quindi io, ipotizzando il massimo swing sulla PI, volevo mantenere un PPIMV con in serie una resistenza per limitare il segnale max.
Quindi una configurazione così:
Capture.PNG


Per cui, scegliendo R_Limit = 220k, R_Pot = 100k ed R_Safe = 2.2M ho un carico visto dalla PI pressochè costante lungo l'escursione del pot (varia da 316k a 320k).

Capture_2.PNG

La mia domanda era più che altro una mia pippa mentale, per capire se variando i valori sopra, e quindi il carico, le differenze sul suono sono evidenti o assolutamente trascurabili.
Ed in caso il valore sia importante, che target mi conviene avere? (avevo pensato a qualcosa intorno ai 300k visti i 220k delle grid leak nel 2204 originale)

Avatar utente
robi
Amministratore
Amministratore
Messaggi: 9738
Iscritto il: 17/12/2006, 13:57
Località: Alba

Re: Micro-JCM con EF80

Messaggio da robi » 11/07/2022, 22:28

La variazione é minima e trascurabile.
Io opterei per 25k e 220k.

Avatar utente
Kagliostro
Amministratore
Amministratore
Messaggi: 9949
Iscritto il: 03/12/2007, 0:16
Località: Prov. di Treviso

Re: Micro-JCM con EF80

Messaggio da Kagliostro » 11/07/2022, 22:38

Io, lo schema che ho postato, l'ho trovato sul sito di Robinette

Franco

Matrix_G
Diyer
Diyer
Messaggi: 126
Iscritto il: 09/07/2010, 19:28
Località: Modena

Re: Micro-JCM con EF80

Messaggio da Matrix_G » 12/07/2022, 7:15

@robi: come mai quei valori? Non rischio di avere un segnale troppo forte in ingresso alle EF80

@kagliostro: si quello schema è sulla pagina della JCM Micro ma lo usa come riferimento per il finale, lo schema in se è di un Fender con EF80. Se poi guardi il layout del JCM Micro noti che è differente, ma non c'è lo schema.

Avatar utente
Kagliostro
Amministratore
Amministratore
Messaggi: 9949
Iscritto il: 03/12/2007, 0:16
Località: Prov. di Treviso

Re: Micro-JCM con EF80

Messaggio da Kagliostro » 12/07/2022, 8:15

Ah, vero, quindi lo schema è questo ?

https://robrobinette.com/images/Guitar/ ... _DIYLC.pdf

Franco

Avatar utente
robi
Amministratore
Amministratore
Messaggi: 9738
Iscritto il: 17/12/2006, 13:57
Località: Alba

Re: Micro-JCM con EF80

Messaggio da robi » 12/07/2022, 10:16

@Franco: sì, lo schema del 2203 (e derivati) è quello.

@Matrix: nell'originale hai -34V circa sulle griglie delle finali, con le EF80 hai 1/10.
con 25k e 220k hai 1/10 del segnale in uscita.

Hai uno schema completo?

Matrix_G
Diyer
Diyer
Messaggi: 126
Iscritto il: 09/07/2010, 19:28
Località: Modena

Re: Micro-JCM con EF80

Messaggio da Matrix_G » 12/07/2022, 10:33

Ecco lo schema con le modifiche:
JCMicro.png

@robi: capito ora, tu intendi 25k per il pot e 220k per la R_Limit giusto?

Avatar utente
robi
Amministratore
Amministratore
Messaggi: 9738
Iscritto il: 17/12/2006, 13:57
Località: Alba

Re: Micro-JCM con EF80

Messaggio da robi » 12/07/2022, 11:01

R_Limit = 220k, R_Pot = 25k ed R_Safe = 220k.

Puoi abbassare i valori delle tensioni del pre, che suona meglio sui 280 sulla PI ed il resto a scalare.
Inoltre anche i condensatori possono essere dei 22u o anche meno,

Al posto del VVR, puoi ottenere l'alimentazione direttamente dal trafo, suddividendo il secondario anodica.

A che anodica farai funzionare le finali, e con quale Raa?
Il catodo è un resistore unico non bypassato?

Matrix_G
Diyer
Diyer
Messaggi: 126
Iscritto il: 09/07/2010, 19:28
Località: Modena

Re: Micro-JCM con EF80

Messaggio da Matrix_G » 12/07/2022, 11:34

robi ha scritto:
12/07/2022, 11:01
R_Limit = 220k, R_Pot = 25k ed R_Safe = 220k.

Puoi abbassare i valori delle tensioni del pre, che suona meglio sui 280 sulla PI ed il resto a scalare.
Inoltre anche i condensatori possono essere dei 22u o anche meno,

Al posto del VVR, puoi ottenere l'alimentazione direttamente dal trafo, suddividendo il secondario anodica.

A che anodica farai funzionare le finali, e con quale Raa?
Il catodo è un resistore unico non bypassato?
Cavolo, non pensavo suonasse meglio con 100V in meno!
Per i condensatori, vorrei usare dei 33u che ho in casa, troppo grossi?

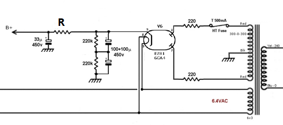
Interessante la storia del secondario, come dovrei fare? Il trafo è un 300-0-300

Le finali pensavo di farle lavorare sui 270V (Va max è 300V quindi qualcosa in meno) con 22.5k Raa.
Si il catodo ha solo una resistenza da 330 come da progetto di Rob.

Avatar utente
robi
Amministratore
Amministratore
Messaggi: 9738
Iscritto il: 17/12/2006, 13:57
Località: Alba

Re: Micro-JCM con EF80

Messaggio da robi » 12/07/2022, 13:33

Potresti usare un CRC in alimentazione (l'induttore non è strettamente necessario), portando finale e preamp sui 250V di anodica (così resti anche sotto Va0 delle finali), mentre le griglie le terrei sui 200V per far sì che la retta di carico delle finali resti alla destra del ginocchio del pentodo.

Fai delle prove col catodo, e poi anche con la retroazione, perchè tutti i valori che hai per il 2203 sono sballati qui.

Riporto anche il datasheet delle finali, così che sia più facile seguire i ragionamenti:
https://frank.pocnet.net/sheets/084/e/EF80.pdf
http://www.r-type.org/pdfs/ef80.pdf

Matrix_G
Diyer
Diyer
Messaggi: 126
Iscritto il: 09/07/2010, 19:28
Località: Modena

Re: Micro-JCM con EF80

Messaggio da Matrix_G » 12/07/2022, 15:52

robi ha scritto:
12/07/2022, 13:33
Potresti usare un CRC in alimentazione (l'induttore non è strettamente necessario), portando finale e preamp sui 250V di anodica (così resti anche sotto Va0 delle finali), mentre le griglie le terrei sui 200V per far sì che la retta di carico delle finali resti alla destra del ginocchio del pentodo.

Fai delle prove col catodo, e poi anche con la retroazione, perchè tutti i valori che hai per il 2203 sono sballati qui.

Riporto anche il datasheet delle finali, così che sia più facile seguire i ragionamenti:
https://frank.pocnet.net/sheets/084/e/EF80.pdf
http://www.r-type.org/pdfs/ef80.pdf
Se capisco bene, il tuo suggerimento è fare qualcosa di questo tipo, corretto?
Untitled2.png
Se così fosse però dovrei dimensionare quella resistenza nel CRC per ridurre di circa 150/170V la tensione e quindi da 10W (ipotizzo una corrente intorno ai 30mA visto che da datasheet ne avrei 12mA per finale a 250V/330ohm e tengo un po' di margine sul wattaggio).

Per le griglie invece, tenerle a 200V vuol dire avere un CRC tra anodo e griglie da 10k (con 2.5mA per griglia). Però così facendo entro sulla PI con 200V non più con 250V, se considero tutti gli stadi in cascata. Altrimenti dovrei collegare il nodo della PI direttamente alla B+ anodica :hummm_1:

Per la parte di retroazione parto dal valore di Rob (10k dal tap 8ohm)

Avatar utente
robi
Amministratore
Amministratore
Messaggi: 9738
Iscritto il: 17/12/2006, 13:57
Località: Alba

Re: Micro-JCM con EF80

Messaggio da robi » 12/07/2022, 17:05

Diciamo che quel trasformatore non è proprio l'ideale per questo tipo di progetto.
Un 200-0-200 V sarebbe stato molto meglio, altrimenti usi uno zener per calare un po' la tensione anodica:
https://www.aikenamps.com/index.php/wha ... ck-biasing

Puoi derivare la tensione delle griglie e dell'invertitrice di fase dallo stesso nodo degli anodi.

Rispondi