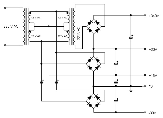
Qualche tempo fa, assieme ad un amico, abbiamo sviluppato questo schema di alimentatore che sfrutta due trasformatori 220v/12v+12v collegati Back to Back (mannaggia ... come si dice in italiano ???)
Non so se ho mai postato questa cosa e siccome mi pare un qualcosa di versatile ho pensato che, magari, potrebbe interessare a qualcuno
(Per inciso, gli amici appassionati australiani fanno spesso uso di alimentazioni ricavate con due trasformatori collegati Back to Back)
K
Back to Back TA
- Kagliostro
- Amministratore

- Messaggi: 9903
- Iscritto il: 03/12/2007, 0:16
- Località: Prov. di Treviso
