Robi mi sa che devo scocciarti - mi dici qualcosa su sta mod ? GRAZIE
- Kagliostro
- Amministratore

- Messaggi: 9949
- Iscritto il: 03/12/2007, 0:16
- Località: Prov. di Treviso
Re: Robi mi sa che devo scocciarti - mi dici qualcosa su sta mod ? GRAZIE
Grazie Roberto
Ci ragiono su ma credo di aver capito
-----
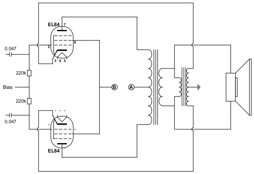
Oggi mi è venuta in mente questa cosa
Diciamo che si voglia sperimentare con il feedback locale a livello di finali
e si abbia una sola uscita dal TU per l'altoparlante
Usando un piccolo TU per PP da pochi W si potrebbe fare questo ?
Mah, forse no, per via del rapporto di trasformazione che alza la tensione non di poco
Franco
Ci ragiono su ma credo di aver capito
-----
Oggi mi è venuta in mente questa cosa
Diciamo che si voglia sperimentare con il feedback locale a livello di finali
e si abbia una sola uscita dal TU per l'altoparlante
Usando un piccolo TU per PP da pochi W si potrebbe fare questo ?
Mah, forse no, per via del rapporto di trasformazione che alza la tensione non di poco
Franco
Re: Robi mi sa che devo scocciarti - mi dici qualcosa su sta mod ? GRAZIE
Forse più semplice con un trasformatore di isolamento?
Comunque solitamente si fa un 10%v per i catodi.
Comunque solitamente si fa un 10%v per i catodi.
- Kagliostro
- Amministratore

- Messaggi: 9949
- Iscritto il: 03/12/2007, 0:16
- Località: Prov. di Treviso
Re: Robi mi sa che devo scocciarti - mi dici qualcosa su sta mod ? GRAZIE
Stavo pensando che dopotutto si potrebbero usare delle resistenze per abbassare il livello del segnale nel feedback se troppo alto, come si fa di solito nei feedback normali
Un trasformatore di linea .... sì, hai ragione, anche quello dovrebbe andare
Franco
Un trasformatore di linea .... sì, hai ragione, anche quello dovrebbe andare
Franco
Re: Robi mi sa che devo scocciarti - mi dici qualcosa su sta mod ? GRAZIE
Diciamo che non lo proporrei all'utente, ed in generale non spenderei un extra per un trasformatore solo per quello, ancor meno se devo ancora applicare aggiustamenti. Alla fine il classico AC30 suona benissimo senza feedback. Solitamente basta tagliare un po' gli alti, se hai un pre con un guadagno elevato.
- Kagliostro
- Amministratore

- Messaggi: 9949
- Iscritto il: 03/12/2007, 0:16
- Località: Prov. di Treviso
Re: Robi mi sa che devo scocciarti - mi dici qualcosa su sta mod ? GRAZIE
Niente NFB = Ampli progettato come si deve
NFB = Beh, si fa quel che si può, casomai diamo un'aggiustatina
Franco
NFB = Beh, si fa quel che si può, casomai diamo un'aggiustatina
Franco
Re: Robi mi sa che devo scocciarti - mi dici qualcosa su sta mod ? GRAZIE
La questione del NFB è da sempre dibattutissima perchè soggettiva, e bella per quello.
- Kagliostro
- Amministratore

- Messaggi: 9949
- Iscritto il: 03/12/2007, 0:16
- Località: Prov. di Treviso
