Sostieni il forum con una donazione! Il tuo contributo ci aiuterà a rimanere online!
Immagine

Dumble SE con GU50 (???)

Discussioni di carattere generale sugli amplificatori valvolari...
Avatar utente
robi
Amministratore
Amministratore
Messaggi: 9753
Iscritto il: 17/12/2006, 13:57
Località: Alba

Re: Dumble SE con GU50 (???)

Messaggio da robi » 24/05/2023, 15:58

MapleMarco ha scritto:
24/05/2023, 13:40
Ci sto ancora provando su ma promette molto bene e toglie pochissimi dB
Possiamo riferire il catodo della driver ad una tensione negativa, così da avere un Rk più grande e giocare con l'impedenza a massa per equalizzare un po' il finale.

Avatar utente
robi
Amministratore
Amministratore
Messaggi: 9753
Iscritto il: 17/12/2006, 13:57
Località: Alba

Re: Dumble SE con GU50 (???)

Messaggio da robi » 24/05/2023, 16:02

Dom ha scritto:
24/05/2023, 15:17
Ciao Marco. Esiste una sorta di "pseudo presence" che puoi adottare nel SE.
.... Diciamo che forse potrebbe adeguarsi a presence.
Si tratta del "filtro congiuntivo". Un Cap è una res. che va a massa dall'anodica della finale.
Detto anche zobel, si usa per far vedere un'impedenza costante al finale ad alte frequenze.
Ma il suo effetto è l'opposto del classico presence come sonorità, è più da presence da AC30 (che taglia invece di enfatizzare).
Per evitare condensatori di elevata tensione si può fare la stessa cosa sul secondario del trasformatore.
Dom ha scritto:
24/05/2023, 15:17
.... Solo che, non so come potrebbe reagire se abbiamo il feedback positivo che va sulla griglia.
... Non lo so se si può implementare.
Il feedback che ho disegnato sulla griglia g1 è negativo.

Avatar utente
Dom
Roger Mayer Jr.
Roger Mayer Jr.
Messaggi: 2034
Iscritto il: 07/09/2013, 15:38
Località: Abruzzo (Te)

Re: Dumble SE con GU50 (???)

Messaggio da Dom » 24/05/2023, 17:06

Si Robi. È negativo. Rispondo sempre da telefono durante il giorno e sto correttore automatico lo odio.
Si, è l'esatto opposto di un presence. Ma io lo immaginavo per farlo lavorare proprio al contrario.
Senza NFB, su entrambi i finali in SE che ho realizzato, ho moltissime alte. Su E. T. Con il feedback risolvo. Su Little And Bastard, invece, quel controllo lo implemento proprio per avere piú alte tipo presence alla rovescia.

Cmq era un'idea.

Riguardo alla concertina era proprio cosí come lo hai descritto che lo immaginavo. Volevo essere sicuro che si potesse realizzare senza problemi in quel modo.

Io terrei l'uscita sbilanciata del Send senza attenuazione per un possibile loop.
Lo dedicherei solo allo scopo di pilotare un finale di classe diversa.

Avatar utente
robi
Amministratore
Amministratore
Messaggi: 9753
Iscritto il: 17/12/2006, 13:57
Località: Alba

Re: Dumble SE con GU50 (???)

Messaggio da robi » 24/05/2023, 17:21

Questo è quello che proponevo. La bilanciata prende anche l'altra uscita.
Tumbler send-return-SE.jpg

Avatar utente
robi
Amministratore
Amministratore
Messaggi: 9753
Iscritto il: 17/12/2006, 13:57
Località: Alba

Re: Dumble SE con GU50 (???)

Messaggio da robi » 24/05/2023, 17:24

Dimenticavo:

ho polarizzato così la PI per un motivo: bootstrappando il resistore di polarizzazione, la sua resistenza tende ad infinito, quindi va ad inficiare minimamente sull'impedenza del potenziometro del volume dei due canali. Anche il condensatore di disaccoppiamento più essere molto più piccolo senza perdere bassi.

Avatar utente
Kagliostro
Amministratore
Amministratore
Messaggi: 9955
Iscritto il: 03/12/2007, 0:16
Località: Prov. di Treviso

Re: Dumble SE con GU50 (???)

Messaggio da Kagliostro » 24/05/2023, 17:30

Ottima soluzione con il bootstrap

Per quanto riguarda l'idea alla quale mi riferivo, quella di Cornara, lui fa così

e noi ... non so, magari 2 SF ? (se si vuole), come diceva Roberto

metterci un doppio triodo mi pare un po' .... eccessivo (?)



Franco

p.s.: Che poi, tra l'altro, sta presunta carenza di 12at7 nel mio stock, forse è solo che ricordo male ...

Avatar utente
Dom
Roger Mayer Jr.
Roger Mayer Jr.
Messaggi: 2034
Iscritto il: 07/09/2013, 15:38
Località: Abruzzo (Te)

Re: Dumble SE con GU50 (???)

Messaggio da Dom » 24/05/2023, 20:02

Bel lavoro Robi.
Anch'io ho il Send in bootstrap. Volevo chiederti, se è possibile, un piccolo approfondimento riguardo a quella specifica polarizzazione.
Mi interesserebbe sapere i perchè della scelta di quei valori.
Cioè: come mai 180r e non 470r (... Per esempio) come valore della res di catodo superiore? Sempre per il discorso inerente la res che tende ad infinito?

10k di anodo e 10k di catodo sono volutamente scelti per far sì che si abbia anche un'uscita bilanciata, giusto? Alzando di poco il valore, tipo 28k / 28k, quale svantaggio possiamo avere?

Avatar utente
Dom
Roger Mayer Jr.
Roger Mayer Jr.
Messaggi: 2034
Iscritto il: 07/09/2013, 15:38
Località: Abruzzo (Te)

Re: Dumble SE con GU50 (???)

Messaggio da Dom » 25/05/2023, 20:53

...Vado di fretta.

I valori dei cap di disaccoppiamento dello stadio "SEND", sono indicativi. Poi vedremo meglio quali valori dargli.

Spero possa andare bene alimentare quell'ultimo stadio a 360V anzichè a 400V.
Se non ricordo male Robi aveva detto che poca tensione in meno andava bene cmq.

Ditemi se potrebbe andare il tutto e se è più o meno quello a cui si voleva arrivare.
Allegati
PROVA TRUMBLE SE - SCHEMA 3.jpg
PROVA PSU TRUMBLE - 3.jpg

Avatar utente
Kagliostro
Amministratore
Amministratore
Messaggi: 9955
Iscritto il: 03/12/2007, 0:16
Località: Prov. di Treviso

Re: Dumble SE con GU50 (???)

Messaggio da Kagliostro » 25/05/2023, 21:28

Ciao Domenico

Sul fatto della tensione 400v o meno ho provato a vedere se ritrovavo dove Roberto l'ha detto ma non ci sono riuscito, a lui risponderti direttamente

Per quanto riguarda lo schema c'è qualcosa che non capisco

se di fianco a B+2 c'è indicata una tensione di 331.99... V, come fanno ad essercene 409.92 ...V sotto alla scritta R30 (in pratica sulla placca direttamente) ??

Franco

Avatar utente
Kagliostro
Amministratore
Amministratore
Messaggi: 9955
Iscritto il: 03/12/2007, 0:16
Località: Prov. di Treviso

Re: Dumble SE con GU50 (???)

Messaggio da Kagliostro » 25/05/2023, 22:27

Stavo anche pensando una cosa ..... abbiamo il disegno di un finale Cathode Bias nello schema

è questa la decisione che è stata presa ? o si va di Fixed Bias ?

Perché se si va di Fixed Bias non ho idea di cosa succede se ricaviamo la tensione negativa da uno dei rami HT accoppiando con condensatore (o senza in questo caso :hummm_1: :hummm_1: ???)

Se il sistema del prelievo della tensione da uno dei rami funziona, allora, forse, anche l'idea del circuito con i -200V potrebbe andare avanti ... o no :????:

Franco

Avatar utente
Kagliostro
Amministratore
Amministratore
Messaggi: 9955
Iscritto il: 03/12/2007, 0:16
Località: Prov. di Treviso

Re: Dumble SE con GU50 (???)

Messaggio da Kagliostro » 26/05/2023, 3:51

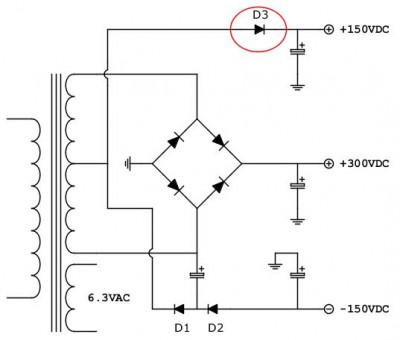
Chiedendo mi è stato suggerito questo (i volt con il 150-0-150 sarebbero circa 400V e circa 200V)

PS PROVA 300V = 150V = -150V.jpg

Se si potesse, anche se poi non lo usiamo, sarebbe interessante mandarlo in simulazione, per vedere se va o ... esplode

Franco

Avatar utente
Dom
Roger Mayer Jr.
Roger Mayer Jr.
Messaggi: 2034
Iscritto il: 07/09/2013, 15:38
Località: Abruzzo (Te)

Re: Dumble SE con GU50 (???)

Messaggio da Dom » 26/05/2023, 6:43

Kagliostro ha scritto:
25/05/2023, 21:28

Per quanto riguarda lo schema c'è qualcosa che non capisco

se di fianco a B+2 c'è indicata una tensione di 331.99... V, come fanno ad essercene 409.92 ...V sotto alla scritta R30 (in pratica sulla placca direttamente) ??

Franco
Ciao Franco. Hai ragione. Si tratta di un errore di ltspice quando cambi qualche valore e non ripeti la simulazione. Infatti anche la tensione sull'anodo della finale è errata.
Ieri ho fatto tutto al volo e di fretta. Nel tardo pomeriggio posto lo schema con i valori giusti.

Avatar utente
Dom
Roger Mayer Jr.
Roger Mayer Jr.
Messaggi: 2034
Iscritto il: 07/09/2013, 15:38
Località: Abruzzo (Te)

Re: Dumble SE con GU50 (???)

Messaggio da Dom » 26/05/2023, 6:50

Kagliostro ha scritto:
25/05/2023, 22:27
Stavo anche pensando una cosa ..... abbiamo il disegno di un finale Cathode Bias nello schema

è questa la decisione che è stata presa ? o si va di Fixed Bias ?

Perché se si va di Fixed Bias non ho idea di cosa succede se ricaviamo la tensione negativa da uno dei rami HT accoppiando con condensatore (o senza in questo caso :hummm_1: :hummm_1: ???)

Se il sistema del prelievo della tensione da uno dei rami funziona, allora, forse, anche l'idea del circuito con i -200V potrebbe andare avanti ... o no :????:

Franco
Non credo che abbiamo preso una decisione definitiva a riguardo.
Fino ad ora stiamo solo dando forma ad una possibilitá.

Io mi sono limitato a copiare dei circuiti disegnati da Robi dove è presente un probabile fixed bias e ho cercato di disegnare il tutto completo di uscita bilanciata + uscita sbilanciata per un secondo finale.

Lo scopo è quello di provare a vedere se può andare il circuito con queste 2 uscite impiegando un triodo inutilizzato. Poi si può sempre fare il finale in cathode bias o tornare alle idee precedenti.

Avatar utente
Dom
Roger Mayer Jr.
Roger Mayer Jr.
Messaggi: 2034
Iscritto il: 07/09/2013, 15:38
Località: Abruzzo (Te)

Re: Dumble SE con GU50 (???)

Messaggio da Dom » 26/05/2023, 6:59

robi ha scritto:
23/05/2023, 23:49
@Dom: va bene anche B+2, devo solo ricontrollare il punto di lavoro.

Vorrei provare a iniettare il rumore dell’alimentazione sul catodo della driver per ridurre il rumore di alimentazione, invece di filtrare con induttori o gyrator.
Il nodo B+2 è stato portato a 360V circa considerato il totale assorbimento dei 2 triodi: 8mA.
Sono circa 40V in meno, alla fine.

Avatar utente
Kagliostro
Amministratore
Amministratore
Messaggi: 9955
Iscritto il: 03/12/2007, 0:16
Località: Prov. di Treviso

Re: Dumble SE con GU50 (???)

Messaggio da Kagliostro » 26/05/2023, 9:11

Ciao Domenico

Ah, ecco, ho capito cosa succede con l'indicazione di quei voltaggi

Per il Bias mi pare di aver capito (ma non vorrei sbagliarmi) che Fixed era meglio

E proprio in riferimento a questo fatto, oltre che all'eventuale adozione di quel circuito con i -200v, che ti chiederei, quando puoi, di verificare quel sistema per ottenere la tensione negativa che mi hanno suggerito

Certo che se abbiamo problemi a ricavare la tensione del Bias, prima di fare aggiungere un apposito avvolgimento al TA si potrebbe anche vedere di fare l'iniezione sulla griglia di tensione positiva (anziché negativa) prelevandola dal catodo con il partitore come nello schemino che ho postato

Se si trattasse di un normale PS con rettifica a 2 diodi e CT a massa o una a ponte senza CT a massa, sappiamo come fare, ma qui preleviamo la tensione positiva per le G2 dal CT NON collegato a massa

E farei anche un controllo sul ripple presente su quei +200V che preleviamo dal CT, d'accordo che poi tra Gyrator o iniettando il disturbo dove opportuno si fa rientrare dove voluto, ma sarebbe interessante sapere se si parte da un livello di ripple normale o sostenuto (visto che ci va sulle G2)

Franco

Rispondi