Re:Sviluppiamo un Preamp valvolare su DIYItalia?
Re:Sviluppiamo un Preamp valvolare su DIYItalia?
Dagli ultimi post pare che lo schema sia quello di una settimana fa per il pedale, e quello nuovo di massy per il rack.
Adoro le donne con un passato, e gli uomini con un futuro.
- gnogno
- Braccio destro di Roger Mayer

- Messaggi: 1986
- Iscritto il: 15/05/2006, 20:34
- Località: Lucerna
Re:Sviluppiamo un Preamp valvolare su DIYItalia?
ma non dovevamo cambiare controllo toni?
[size=40][b]La funzione Cerca è tua amica[/b][/size]
Re:Sviluppiamo un Preamp valvolare su DIYItalia?
Ora il controllo toni e' TMB tipo Dumble... Proprio ora sto saldando gli ultimi componenti e domani lo provo, poi se il suono e' abbastanza convincente lo registro, cosi' avete ben chiaro di cosa si e' costruito!
Live another day, climb a little higher, find another reason to stay...
Re:Sviluppiamo un Preamp valvolare su DIYItalia?
Yes, ho dato per scontato il cambio di tonestack. Tutto come prima ma con tonestack dumble.
Andrea, hai fatto la mod fra terzo e quarto stadio come ho scritto qualche post fa?
Andrea, hai fatto la mod fra terzo e quarto stadio come ho scritto qualche post fa?
Adoro le donne con un passato, e gli uomini con un futuro.
Re:Sviluppiamo un Preamp valvolare su DIYItalia?
Se devo essere sincero me la sono persa fra le chiacchiere! 
Ora mi rispulcio tutti i post precedenti e ci do' un'occhiatan nel frattempo se fossi troppo rincoglionito da non vederla me la potresti ricordare?
Thanks!
Ora mi rispulcio tutti i post precedenti e ci do' un'occhiatan nel frattempo se fossi troppo rincoglionito da non vederla me la potresti ricordare?
Live another day, climb a little higher, find another reason to stay...
Re:Sviluppiamo un Preamp valvolare su DIYItalia?
Fra terzo e quarto stadio tieni come partitore 120k 82k con 180k di grid stopper del quarto, senza bright cap.
10n di coupling e 4u7 di bypass cap ovunque sono ben accetti.
10n di coupling e 4u7 di bypass cap ovunque sono ben accetti.
Adoro le donne con un passato, e gli uomini con un futuro.
Re:Sviluppiamo un Preamp valvolare su DIYItalia?
ottimo, facci sapere come va...Hades ha scritto: Ora il controllo toni e' TMB tipo Dumble... Proprio ora sto saldando gli ultimi componenti e domani lo provo, poi se il suono e' abbastanza convincente lo registro, cosi' avete ben chiaro di cosa si e' costruito!
Re:Sviluppiamo un Preamp valvolare su DIYItalia?
Ho fatto 'na cavolata col tonestack, nel senso che l'ho cablato male e fungeva da volume complessivo (faccio schifo coi cablaggi).
Comunque il suono e' molto migliorato, molto piu' cattivo e pieno sulla distorsione, con gain da vendere (ma non troppo stile 5150 o slo), assolutamente un'altra faccia sul pulito. Rimane sempre un pelo cupo e gonfio sui medi... Come posso rimediare?
Intanto sistemo il tonestack e per i medi penso si risolva... Robi, il fatto del suono cupo puo' essere dovuto alla modifica "speciale" che abbiamo fatto sul terzo e quarto stadio?
Perche' la differenza si sente quando bypasso questi due stadi, sul clean e' discretamente cristallino, anche se non troppo...
Comunque il suono e' molto migliorato, molto piu' cattivo e pieno sulla distorsione, con gain da vendere (ma non troppo stile 5150 o slo), assolutamente un'altra faccia sul pulito. Rimane sempre un pelo cupo e gonfio sui medi... Come posso rimediare?
Intanto sistemo il tonestack e per i medi penso si risolva... Robi, il fatto del suono cupo puo' essere dovuto alla modifica "speciale" che abbiamo fatto sul terzo e quarto stadio?
Perche' la differenza si sente quando bypasso questi due stadi, sul clean e' discretamente cristallino, anche se non troppo...
Live another day, climb a little higher, find another reason to stay...
Re:Sviluppiamo un Preamp valvolare su DIYItalia?
Andre, hai fatto l'ultima mod sul gain fra terzo e quarto stadio?
Per il suono cupo, se è su entrambi i canali no, se è solo sul lead togli la modifica nascosta. Ma prima provalo col tonestack corretto.
Per il suono cupo, se è su entrambi i canali no, se è solo sul lead togli la modifica nascosta. Ma prima provalo col tonestack corretto.
Adoro le donne con un passato, e gli uomini con un futuro.
Re:Sviluppiamo un Preamp valvolare su DIYItalia?
Ok, ho sistemato il tonestack.
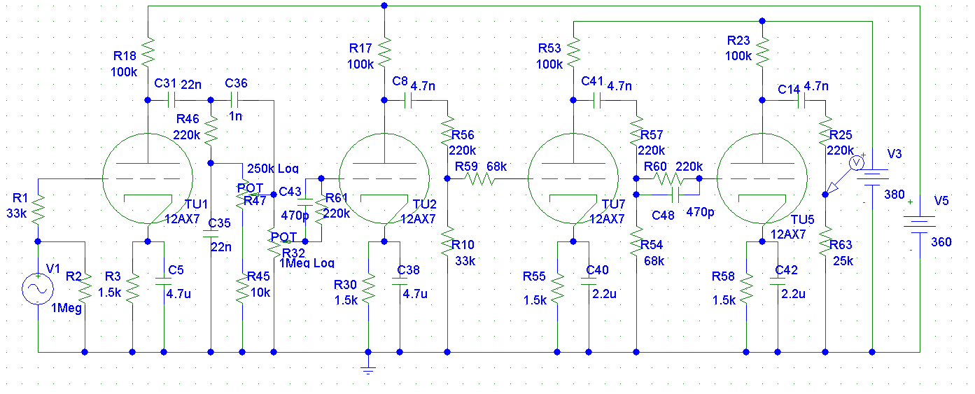
Innanzitutto ho eliminato R45, R46 e C36 (che valevano solo per il tono mono pot, anche se non sono sicuro di C36).
Il tonestack che ho utilizzato e' quello allegato (fra i pin 1 e 3 del pot dei bassi c'era un cap da 1n, ma l'ho eliminato perche' slabbrava troppo i bassi).
Lo schema di base e' allegato pure.
Le altre modifiche sono C5 e C31 (bypass catodo 1° e 2° stadio) a 22uF (per dare piu' spinta sui bassi), C31 a 4.7n.
Resoconto:
Il suono ha tanto, ma veramente tanto gain, ci si tira fuori tranquillamente un bel lead non da thash metal ovviamente.
Rimane abbastanza medioso nel complesso, non e' mai cristallino come un fender sul pulito ma assomiglia molto di piu' ad un marshall come pasta.
Sul distorto ha gain da vendere, oserei dire molto piu' del GTO, e mi piace molto perche' non impasta mai ed e' molto dinamico.
Unici nei (per me notevoli):
- Il clean e' troppo medioso (problema che avevamo all'inizio), anche se su bassi e alti si riesce ad agire abbastanza bene e c'e' un bel range di regolazione;
- I medi non agiscono bene e non permettono il classico scoop;
- I bassi risultano slabbrati, soprattutto sul distorto (anche dopo aver tolto il cap di cui parlavo all'inizio dal tonestack);
- In generale suona troppo chiuso per i miei gusti, anche se so che questo tipo di suono puo' piacere, soprattutto per il blues. Questo problema sparisce tenendo i bassi a 0, il suono si apre ed esce bello cristallino (sia pulito che distorto). Potrebbe essere la res da 9k8 che impasta i bassi (anche se non penso dato che va a massa)?
Per quanto riguarda il suono chiuso sarebbe bello avere uno switch aperto/chiuso in modo da rendere il tutto piu' versatile...
Come si possono risolvere questi problemi?
Innanzitutto ho eliminato R45, R46 e C36 (che valevano solo per il tono mono pot, anche se non sono sicuro di C36).
Il tonestack che ho utilizzato e' quello allegato (fra i pin 1 e 3 del pot dei bassi c'era un cap da 1n, ma l'ho eliminato perche' slabbrava troppo i bassi).
Lo schema di base e' allegato pure.
Le altre modifiche sono C5 e C31 (bypass catodo 1° e 2° stadio) a 22uF (per dare piu' spinta sui bassi), C31 a 4.7n.
Resoconto:
Il suono ha tanto, ma veramente tanto gain, ci si tira fuori tranquillamente un bel lead non da thash metal ovviamente.
Rimane abbastanza medioso nel complesso, non e' mai cristallino come un fender sul pulito ma assomiglia molto di piu' ad un marshall come pasta.
Sul distorto ha gain da vendere, oserei dire molto piu' del GTO, e mi piace molto perche' non impasta mai ed e' molto dinamico.
Unici nei (per me notevoli):
- Il clean e' troppo medioso (problema che avevamo all'inizio), anche se su bassi e alti si riesce ad agire abbastanza bene e c'e' un bel range di regolazione;
- I medi non agiscono bene e non permettono il classico scoop;
- I bassi risultano slabbrati, soprattutto sul distorto (anche dopo aver tolto il cap di cui parlavo all'inizio dal tonestack);
- In generale suona troppo chiuso per i miei gusti, anche se so che questo tipo di suono puo' piacere, soprattutto per il blues. Questo problema sparisce tenendo i bassi a 0, il suono si apre ed esce bello cristallino (sia pulito che distorto). Potrebbe essere la res da 9k8 che impasta i bassi (anche se non penso dato che va a massa)?
Per quanto riguarda il suono chiuso sarebbe bello avere uno switch aperto/chiuso in modo da rendere il tutto piu' versatile...
Come si possono risolvere questi problemi?
Ultima modifica di Hades il 24/03/2009, 22:17, modificato 1 volta in totale.
Live another day, climb a little higher, find another reason to stay...
- gnogno
- Braccio destro di Roger Mayer

- Messaggi: 1986
- Iscritto il: 15/05/2006, 20:34
- Località: Lucerna
Re:Sviluppiamo un Preamp valvolare su DIYItalia?
I due cap da 22u mi sembrano un'esagerazione, ci credo che impasta!
Hai provato se con il classico controllo toni tipo marshall (o anche fender) il suono migliora?
Hai provato se con il classico controllo toni tipo marshall (o anche fender) il suono migliora?
[size=40][b]La funzione Cerca è tua amica[/b][/size]
Re:Sviluppiamo un Preamp valvolare su DIYItalia?
Ciao Andre,
R32, R45, R46, R47, C31, C35, C36 vanno eliminati. Togliendo C31 togli mediosità.
Prova a tenere C5 e C38 a 4u7.
Il bright sul volume dopo il tonestack l'hai messo?
R32, R45, R46, R47, C31, C35, C36 vanno eliminati. Togliendo C31 togli mediosità.
Prova a tenere C5 e C38 a 4u7.
Il bright sul volume dopo il tonestack l'hai messo?
Adoro le donne con un passato, e gli uomini con un futuro.
Re:Sviluppiamo un Preamp valvolare su DIYItalia?
Scusami, C31 e' rimasto ma e' da 4.7n.
Il bright non l'ho messo perche' e' abbastanza squillante, ha soltanto una "voce" un po' gutturale.
Probabilmente e' come dice Paolo, 22uF sono troppi e va a impastare i bassi e chiude i medi.
Sostituisco con due cap prima da 10uF e poi da 4.7uF e vi faccio sapere, e quando ho raggiunto una base perlomeno decente provo anche tutte le modifiche proposte da robi, tipo il partitore fra 3° e 4° stadio (in casa purtroppo non ho valori che si avvicinino un minimo a quelli) e il bright (secondo me non necessario).
Il bright non l'ho messo perche' e' abbastanza squillante, ha soltanto una "voce" un po' gutturale.
Probabilmente e' come dice Paolo, 22uF sono troppi e va a impastare i bassi e chiude i medi.
Sostituisco con due cap prima da 10uF e poi da 4.7uF e vi faccio sapere, e quando ho raggiunto una base perlomeno decente provo anche tutte le modifiche proposte da robi, tipo il partitore fra 3° e 4° stadio (in casa purtroppo non ho valori che si avvicinino un minimo a quelli) e il bright (secondo me non necessario).
Live another day, climb a little higher, find another reason to stay...
Re:Sviluppiamo un Preamp valvolare su DIYItalia?
C31 non ci vuole. Quello attuale è un tonestack plate loaded.
Adoro le donne con un passato, e gli uomini con un futuro.
Re:Sviluppiamo un Preamp valvolare su DIYItalia?
Infatti ho tolto C31 ed e' cambiata completamente la musica (gioco di parole
).
Nel senso che ora i difetti palesi tipo il suono chiuso e i bassi slabbrati si sono ridotti almeno dell'80%, e ora rientrano nel semplice voicing del preamp.
I bassi non sono proprio secchi e compressi ma sono pastosi il giusto, il suono e' decisamente meno medioso e molto piu' aperto, ma ancora non si avvicina ad un suono dumble/two rock/mesa, ma piu' ad un marshall tipo jcm800.
Inoltre ho portato il cap di bypass catodico del primo stadio a 0.47uF e lasciato il bypass del secondo stadio a 22uF (per creare una specie di effetto deep sempre inserito), domani provo con due cap da 4.7uF sui primi due stadi per vedere se migliora ancora.
Cose che rimangono da sistemare:
- Ancora un po' troppo medioso, soprattutto sul clean (quindi direi che il problema e' relegato ai primi due stadi).
- Leggermente chiuso ancora il suono, soprattutto sul clean. Sul distorto questa cosa non si sente piu' di tanto.
Fate conto che l'ho provato con una chitarra che ha due EMG81 e con un finale 10W single ended con una 6L6 EH, e le due valvole del pre sono due JJ ECC83S.
Sono tutte operazioni di fine tuning, ma sono proprio queste le operazioni che distinguono un suono discreto da un bel suono.
Comunque rassicuro tutti: a livello di suono stiamo facendo passi da gigante!!!
Nel senso che ora i difetti palesi tipo il suono chiuso e i bassi slabbrati si sono ridotti almeno dell'80%, e ora rientrano nel semplice voicing del preamp.
I bassi non sono proprio secchi e compressi ma sono pastosi il giusto, il suono e' decisamente meno medioso e molto piu' aperto, ma ancora non si avvicina ad un suono dumble/two rock/mesa, ma piu' ad un marshall tipo jcm800.
Inoltre ho portato il cap di bypass catodico del primo stadio a 0.47uF e lasciato il bypass del secondo stadio a 22uF (per creare una specie di effetto deep sempre inserito), domani provo con due cap da 4.7uF sui primi due stadi per vedere se migliora ancora.
Cose che rimangono da sistemare:
- Ancora un po' troppo medioso, soprattutto sul clean (quindi direi che il problema e' relegato ai primi due stadi).
- Leggermente chiuso ancora il suono, soprattutto sul clean. Sul distorto questa cosa non si sente piu' di tanto.
Fate conto che l'ho provato con una chitarra che ha due EMG81 e con un finale 10W single ended con una 6L6 EH, e le due valvole del pre sono due JJ ECC83S.
Sono tutte operazioni di fine tuning, ma sono proprio queste le operazioni che distinguono un suono discreto da un bel suono.
Comunque rassicuro tutti: a livello di suono stiamo facendo passi da gigante!!!
Live another day, climb a little higher, find another reason to stay...


