ciao
mi chiedevo se qualcuno di voi ha sperimentato diverse tipologie di loop valvolari, nello specifico
riguardo la sezione send?
avete suggerimeni o esperienze da fornire riguardo alla migliore tipologia di send seriale, cioè quella più trasparente?
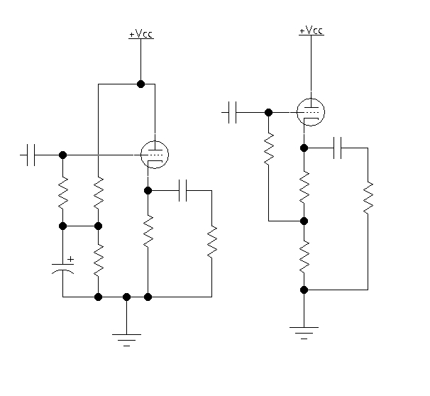
io ho provato solamente lo schema di sinistra (una versione semplificata e molto simile a quella di un mesa rect) con buoni risultati, ma magari quella a destra andrebbe anche meglio
che ne dite?
ps giusto per fare 2 chiacchiere speculative: dove mettereste il tonestack prima o dopo il loop?
Re:quale configurazione per un send valvolare?
quale configurazione per un send valvolare?
Un esperto è un uomo che ha fatto tutti gli errori che si possono fare in un campo molto ristretto - Niels Bohr
Re:quale configurazione per un send valvolare?
Io credo che il più trasparente sia quello di sinistra, tuttavia quello di destra è stabilizzato termicamente ed è più robusto e duraturo (facci caso, se aumenta la corrente di placca aumenta la caduta di potenziale sulla res di catodo chiudendo di conseguenza il gate alla griglia e riportando la corrente di placca sotto controllo).
In ogni caso è una questione di gusti, lo schema di destra presenta una certa compressione di segnale (dovuta al controllo di temperatura) che potrebbe piacere molto.
Infine io il tone stack lo metterei dopo per conservare la possibilità di ritoccare il suono alla bisogna.
In ogni caso è una questione di gusti, lo schema di destra presenta una certa compressione di segnale (dovuta al controllo di temperatura) che potrebbe piacere molto.
Infine io il tone stack lo metterei dopo per conservare la possibilità di ritoccare il suono alla bisogna.
L\'uso del tasto \"CERCA\" non provoca impotenza!
Alex
Alex
Re:quale configurazione per un send valvolare?
Direttamente da Joey, con cui stavo parlando di qualcosa di simile:
Adoro le donne con un passato, e gli uomini con un futuro.
Re:quale configurazione per un send valvolare?
grazie a tutti e due.
@Alex nello schema di destra il segnale in uscita è identico a quello in entrata o mi devo aspettare una riduzione che dipende dalla res di catodo e da quella
in serie che guarda verso terra ?? sempre per restare in tema se devo passare da un segnale di pre di 100Vac circa a qualche Vac per il multifx quale dei due sceglieresti (ovviamente nello schema a sinistra ci sarebbe da sostituire la res di catodo con un partitore resistivo)
@Robi in quella configurazione io mi aspetterei un bel clipping del segnale se in ingresso ci sono piu di una decina di Volts, mi sbaglio?
@Alex nello schema di destra il segnale in uscita è identico a quello in entrata o mi devo aspettare una riduzione che dipende dalla res di catodo e da quella
in serie che guarda verso terra ?? sempre per restare in tema se devo passare da un segnale di pre di 100Vac circa a qualche Vac per il multifx quale dei due sceglieresti (ovviamente nello schema a sinistra ci sarebbe da sostituire la res di catodo con un partitore resistivo)
@Robi in quella configurazione io mi aspetterei un bel clipping del segnale se in ingresso ci sono piu di una decina di Volts, mi sbaglio?
Un esperto è un uomo che ha fatto tutti gli errori che si possono fare in un campo molto ristretto - Niels Bohr
Re:quale configurazione per un send valvolare?
Nello schema di destra devi aspettarti una piccola (ma piccola) riduzione del segnale ed una compressione dipendente dall'intensità del segnale in ingresso, se non è molto forte la compressione non è percettibile.
Le tensioni di alimentazione dei circuiti a valvole sono in continua, non in alternata.
Quello che è variabile nel tempo è il segnale applicato in ingresso al nostro circuito, ma si ragiona in termini di corrente continua, regime dinamico.
Per quanto riguarda la scelta direi che opterei per il circuito a sinistra, se non altro per evitare di introdurre altra compressione oltre a quella che metterà il multifx.
Le tensioni di alimentazione dei circuiti a valvole sono in continua, non in alternata.
Quello che è variabile nel tempo è il segnale applicato in ingresso al nostro circuito, ma si ragiona in termini di corrente continua, regime dinamico.
Per quanto riguarda la scelta direi che opterei per il circuito a sinistra, se non altro per evitare di introdurre altra compressione oltre a quella che metterà il multifx.
L\'uso del tasto \"CERCA\" non provoca impotenza!
Alex
Alex
Re:quale configurazione per un send valvolare?
magari mi sono spiegato male ma intendevo la tensione del segnale(alternata) in ingresso e in uscita dalla valvola_Alex_ ha scritto:
Le tensioni di alimentazione dei circuiti a valvole sono in continua, non in alternata.
Un esperto è un uomo che ha fatto tutti gli errori che si possono fare in un campo molto ristretto - Niels Bohr


