Messaggio
da gansedo » 17/07/2009, 11:37
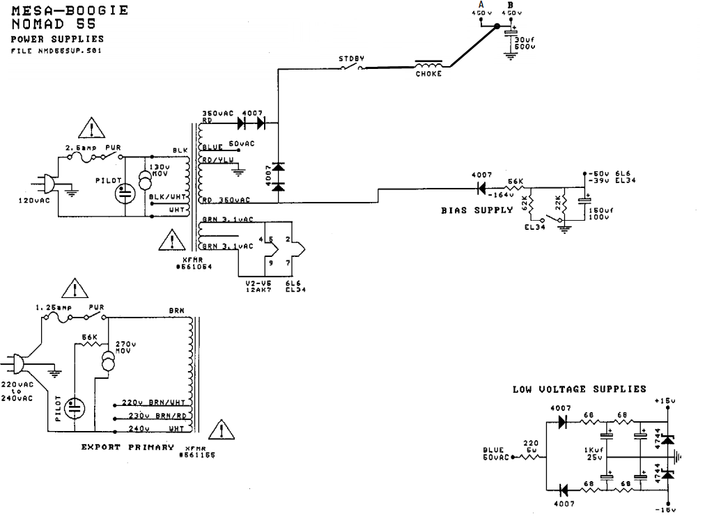
scusami, mi stai dicendo di andare dal 350vAC del trafo direttamente al choke senza quella serie di resistenze e condensatori, per poi andare direttamente ad alimentare il finale?
cosa intendi con: "I finali mesa da 50W non mi son mai piaciuti. Splendidi a basse ed alte potenze, i 50W bah.." Dici che suonano male o che mancano di potenza?
PS: scusami me io ho bisogno di 449v in B e 450v in A, posso passare ad entrambi il solito valore??visto che la circuiteria dovrebbe servire a pasare 450v ad A e 449v a B e a fare lo switch tra due tipi di valvole, le 6l6 e le EL34 (A va al trafo di output e B mi alimenta la circuiteria del finale).
Ti allego un jpeg cosi mi dici se ho capito cosa mi stai dicendo
-
Allegati
-

Ultima modifica di
gansedo il 17/07/2009, 11:50, modificato 1 volta in totale.