Sostieni il forum con una donazione! Il tuo contributo ci aiuterà a rimanere online!
Immagine

nuovo preamp

Discussioni di carattere generale sugli amplificatori valvolari...
Rispondi
ARMAS
Diyer Eroe
Diyer Eroe
Messaggi: 649
Iscritto il: 27/11/2008, 19:04

nuovo preamp

Messaggio da ARMAS » 20/07/2009, 14:43

Salve a todos

ieri ho recuperato un nuovo trafo  da un vecchio doppio lettore a cassette ha due secondari!

14 vac e 24 vac

ho fatto delle prove con i due incapsulati che ho recuperato per il preamp jcm800

tengo il 14 per i filamenti  e la 24 per l'anodica, con il trafo 2/220 ottengo 298 vac, con il 12/220 ottengo 274vac


che dite faccio un regalone all'amico Mukulone  e gli costruisco un bel preamp fender/vox oriented? avete info o consigli per un preamp per blues leggero o come dice lui " pop raffinato" che vada da  clean cristallini a crunch granitici!!

:ciao: :ciao:

Avatar utente
Hades
Roger Mayer Jr.
Roger Mayer Jr.
Messaggi: 2615
Iscritto il: 10/09/2008, 11:56
Località: Carpi (MO)

Re:nuovo preamp

Messaggio da Hades » 21/07/2009, 0:21

Fatti il preamp del Bassman no?
Piu' bluesy di quello...  :lol1: :lol1: :lol1:
Live another day, climb a little higher, find another reason to stay...

ARMAS
Diyer Eroe
Diyer Eroe
Messaggi: 649
Iscritto il: 27/11/2008, 19:04

Re:nuovo preamp

Messaggio da ARMAS » 21/07/2009, 14:30

grazie hades

ora vedo qualcosa

ciaooo

Avatar utente
Hades
Roger Mayer Jr.
Roger Mayer Jr.
Messaggi: 2615
Iscritto il: 10/09/2008, 11:56
Località: Carpi (MO)

Re:nuovo preamp

Messaggio da Hades » 21/07/2009, 20:05

Il bassman pero' non ha crunch granitici... per dei crunch da spavento forse e' meglio il pre della plexi, ottimi puliti e un crunch favoloso.
Live another day, climb a little higher, find another reason to stay...

ARMAS
Diyer Eroe
Diyer Eroe
Messaggi: 649
Iscritto il: 27/11/2008, 19:04

Re:nuovo preamp

Messaggio da ARMAS » 28/07/2009, 19:50

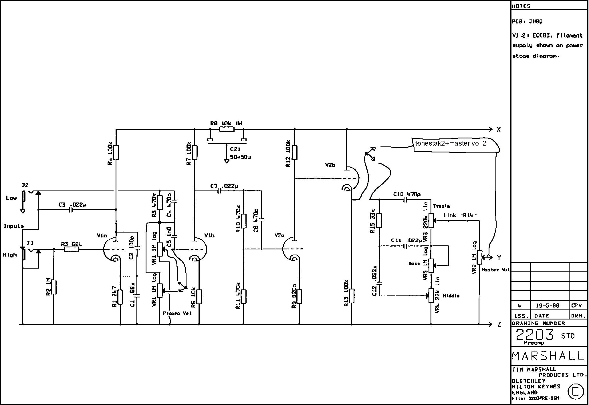
Stavo ricontrollando il preamp marshall che sto usando e praticamente ho abbandonato tutti i distorsori! che uso solo come booster e per variare la pasta sonora.

vorrei proporvi di realizzare il doppio tonestak agendo direttamente sul punto indicato con un 3pdt che scambia

1) tonestack
2) gain
3) led di stato

si può?
Allegati
2203prem2.gif
2203prem.gif
Ultima modifica di ARMAS il 28/07/2009, 19:53, modificato 1 volta in totale.

ARMAS
Diyer Eroe
Diyer Eroe
Messaggi: 649
Iscritto il: 27/11/2008, 19:04

Re:nuovo preamp

Messaggio da ARMAS » 30/07/2009, 14:43

nessuno ha controllato lo schema!

:ciao:

Peppazzz91

Re:nuovo preamp

Messaggio da Peppazzz91 » 30/07/2009, 14:58

non credo, per 2 motivi:
1) lo switch del gain agisce solo sul cursore dei 2 pot, ma in questo modo i 2 pot sono in parallelo e diventano come una resistenza da 500K.
considerato ke prima dei pot c'è una R da 470k... ti ritrovi in ingresso al primo stadio un segnale più basso (circa la metà), quindi meno gain.
2) nel doppio tone+master imho ci vorrebbe uno switch sia prima che dopo.

per me fai prima con dei relè

ARMAS
Diyer Eroe
Diyer Eroe
Messaggi: 649
Iscritto il: 27/11/2008, 19:04

Re:nuovo preamp

Messaggio da ARMAS » 30/07/2009, 15:46

si sarei interessato al discorso relè; però ho gia swicthato gain e Volume con un 3pdt che mi pilota anche il led( forse ho sbagliato lo schema), tutto funziona bene e non ho calo di gain!

il mio dubbio è la tensione nel ramo prima del tonestack, per le vacanze estive faccio qualche prova

ciaooo

Rispondi