Ciao a tutti,
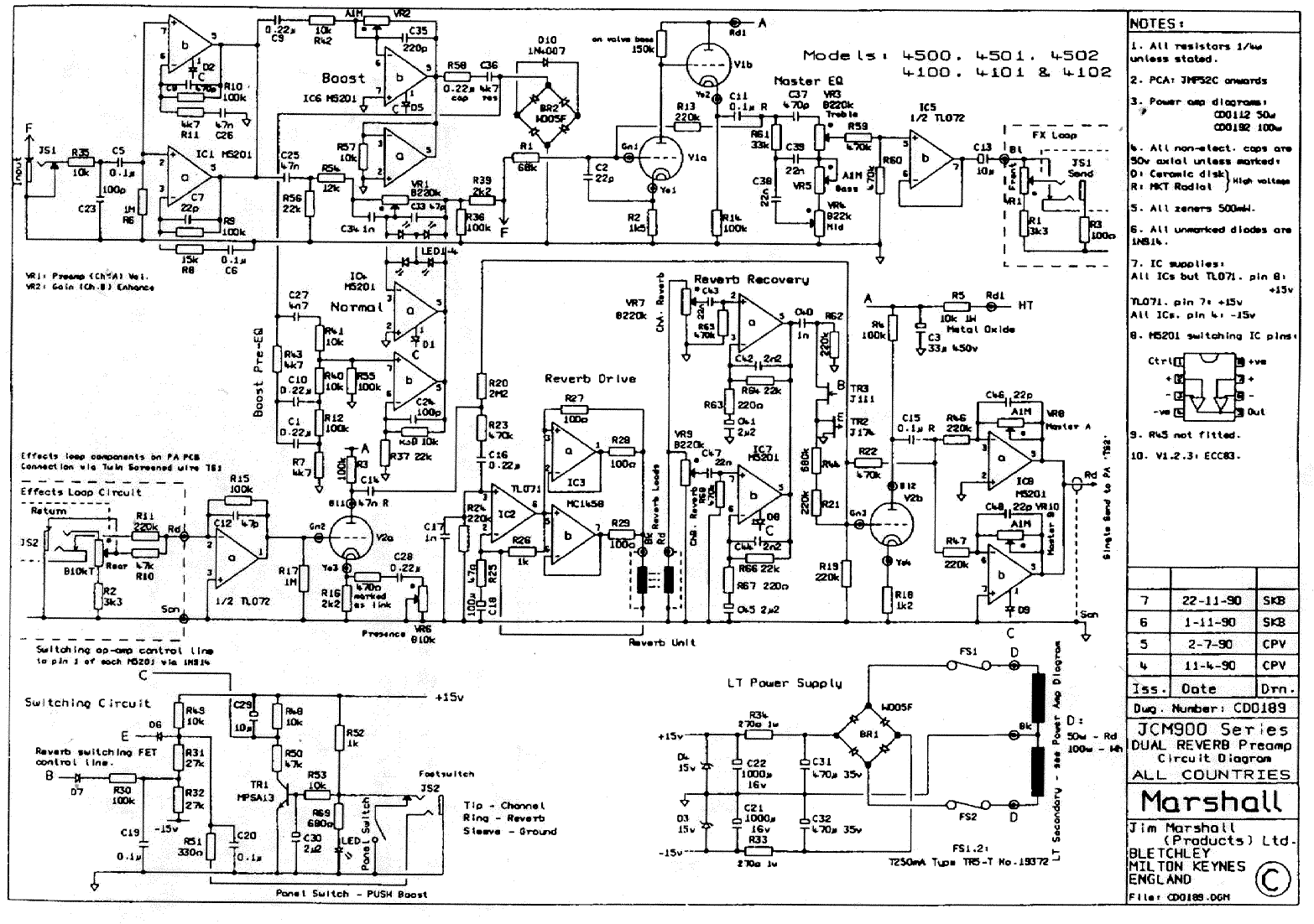
oggi andando a dare una sistematina al mio fido Jcm900 4500 (critiche a parte a me piace davvero tanto il suo suono per il genere che ci faccio, ovvero death metal

), ho notato l'elettrolitico C3 che inizia ad avere le classiche 3 piccole escrescenze che in genere si presentano quando è alla fine dei suoi giorni, ora, questo è un 33uF per 450V, di marca ignota, pensavo di sostituirlo con un TAD e visto che c'ero prendere anche gli altri due cap di filtro, sempre TAD, quelli da 50+50 (500V), che dal 1991 che mamma Marshall lo fece sono presenti ancora i suoi LCR...
Voi altrimenti cosa mi consigliereste di montare??