preamp bassman
Re: preamp bassman
..direi a muso! 
Re: preamp bassman
Ah ok ok allora ci siamo!
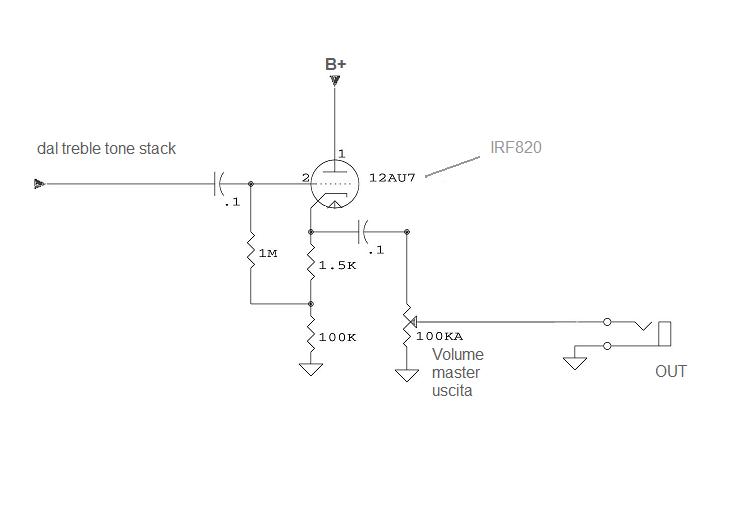
Forse finalmente ho risolto il discorso buffer!
Le res che vanno dal source del mosfet a terra (1,5k e 100k) devono essere almeno da 2W o bastano semplicemente da 1/2W?
Forse finalmente ho risolto il discorso buffer!
Le res che vanno dal source del mosfet a terra (1,5k e 100k) devono essere almeno da 2W o bastano semplicemente da 1/2W?
Re: preamp bassman
Vorrei aggiungere un riverbero al preamp, sfruttando l'anodica per alimentare il driver e il recovery... che ne dite di andare anche in questo caso di mosfet??
Ho trovato solo questo esempio, però vorrei piazzare un mosfet anche nel secondo stadio, avete qualche suggerimento?
Grazie mille!

Ho trovato solo questo esempio, però vorrei piazzare un mosfet anche nel secondo stadio, avete qualche suggerimento?
Grazie mille!
- Allegati
-
- Reverb_IRF820.gif (5.18 KiB) Visto 2331 volte
- Kagliostro
- Amministratore

- Messaggi: 9960
- Iscritto il: 03/12/2007, 0:16
- Località: Prov. di Treviso
Re: preamp bassman
Ciao Felix
Prova a vedere se questo file ti può essere d'aiuto
Kagliostro
Prova a vedere se questo file ti può essere d'aiuto
Kagliostro
- Allegati
-
- mikede30.pdf
- (147.04 KiB) Scaricato 235 volte
Re: preamp bassman
Ciao kagliostro
grazie mille quello schema me l'ero già gustato quando l'avevi pubblicato
Ottimo anche per la presenza del tremolo......ma purtroppo notai che in ingresso al reverb tank è necessario un trasformatore
un pò una scocciatura... :S
grazie mille quello schema me l'ero già gustato quando l'avevi pubblicato
Ottimo anche per la presenza del tremolo......ma purtroppo notai che in ingresso al reverb tank è necessario un trasformatore
Re: preamp bassman
Se facessi qualcosa del genere potrebbe andare? 
- Allegati
-
- Reverb_IRF820-2.gif (5.32 KiB) Visto 2301 volte

