marshall jcm 800 2204 50 w
Re: marshall jcm 800 2204 50 w
grazie mille x lo schema! io usavo un fender frontman 212R dove all'uscita preamp (jack) ci collegavo anche le cuffie .. dici che è la stessa cosa dello schema che mi hai dato ?
- Kagliostro
- Amministratore
- Messaggi: 9864
- Iscritto il: 03/12/2007, 0:16
- Località: Prov. di Treviso
Re: marshall jcm 800 2204 50 w
No se l'uscita era jack non serve tutta la complicazione del trasformatore
basta un line out ottenibile con una resistenza ed un potenziometro
una cosa tipo questa
Qui si esce in parallelo allo speaker, non a livello di pre, per cui viene conservata tutta la pasta sonora dell'ampli, compreso l'effetto sul suono del circuito delle finali
K
basta un line out ottenibile con una resistenza ed un potenziometro
una cosa tipo questa
Qui si esce in parallelo allo speaker, non a livello di pre, per cui viene conservata tutta la pasta sonora dell'ampli, compreso l'effetto sul suono del circuito delle finali
K
Re: marshall jcm 800 2204 50 w
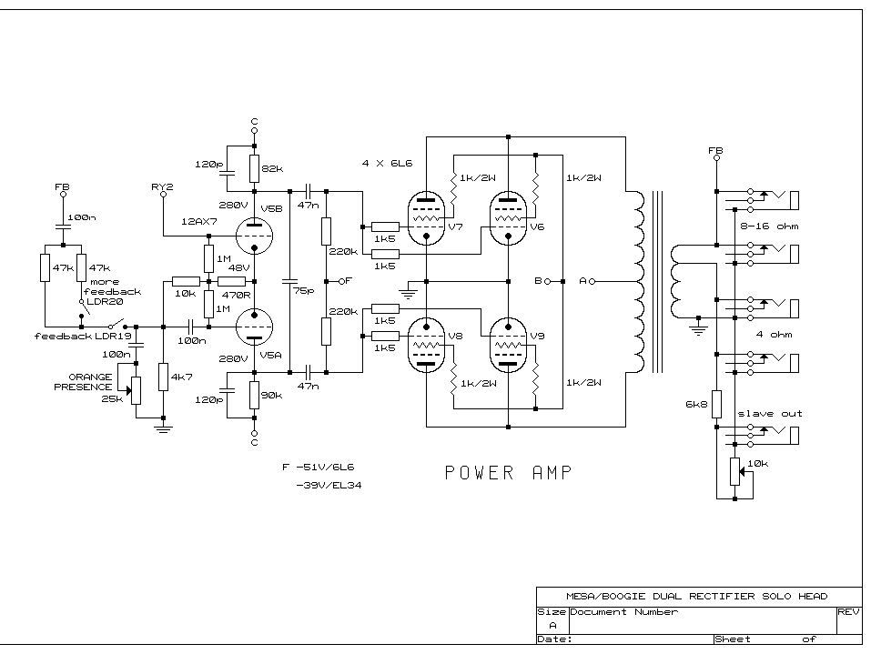
grande! riassumendo basta una res da 6,8k e un pot , il tutto collegato in parallelo all'uscita 8ohm e il gioco è fatto?
- Kagliostro
- Amministratore
- Messaggi: 9864
- Iscritto il: 03/12/2007, 0:16
- Località: Prov. di Treviso
Re: marshall jcm 800 2204 50 w
Beh, magari dovrai giocare un po' con i valori, ma il principio è quello
K
K
Re: marshall jcm 800 2204 50 w
Molti usano 47k fissa e 5k di pot, ma puoi scegliere cosa ti torna più comodo.
Re: marshall jcm 800 2204 50 w
ho disegnato il circuito alla buona.. è corretto? io posso andare tranquillo al mixer senza fare danni? scusate ma non riesco a girare l'immagine. Se qualcuno è capace lo ringrazio

EDIT: Come da richiesta immagine girata
K
Re: marshall jcm 800 2204 50 w
No, così è sbagliato.
- 47k vanno all'uscita del finale
- 5k vanno alla 47k ed a massa, con il pin centrale che va all'uscita.
- 47k vanno all'uscita del finale
- 5k vanno alla 47k ed a massa, con il pin centrale che va all'uscita.
Re: marshall jcm 800 2204 50 w
odiiiooo non ci salto fuori!
riusciresti a farmi uno schizzo? 



Re: marshall jcm 800 2204 50 w
Cerca lo schema della yamaha T100H, trovi esattamente cosa intendo.
- Kagliostro
- Amministratore
- Messaggi: 9864
- Iscritto il: 03/12/2007, 0:16
- Località: Prov. di Treviso
Re: marshall jcm 800 2204 50 w
Non è così nell'immagine ?? A me sembra che sia già come dici tu Robi- 47k vanno all'uscita del finale
- 5k vanno alla 47k ed a massa, con il pin centrale che va all'uscita.
K
Re: marshall jcm 800 2204 50 w
robi ha scritto:Cerca lo schema della yamaha T100H, trovi esattamente cosa intendo.
è questo che intendi robi?

- Kagliostro
- Amministratore
- Messaggi: 9864
- Iscritto il: 03/12/2007, 0:16
- Località: Prov. di Treviso
Re: marshall jcm 800 2204 50 w
Probabilmente Robi intendeva quello
comunque anche l'altro metodo dovrebbe funzionare
visto che lo usa la Mesa Boogie
K
comunque anche l'altro metodo dovrebbe funzionare
visto che lo usa la Mesa Boogie
K
- Fix_Metal
- Braccio destro di Roger Mayer
- Messaggi: 1955
- Iscritto il: 28/07/2008, 3:44
- Località: Bergamo
- Contatta:
Re: marshall jcm 800 2204 50 w
La engl utilizza un sistema che crea l'uscita bilanciata tramite opamp utilizzando proprio il tap. Devo dire che il cono è quello che conferisce l'80% del suono. Senza, manca la risposta dello stesso (la pacca
), infatti il line out è privo di corpo.

Re: marshall jcm 800 2204 50 w
regaz ho realizzato il circuito quello disegnato a mano postato da me sotto consiglio di kagliostro e funziona.
Ho utilizzato res da 47k e pot da 10k (avevo solo questi in casa).. bisognerà però diminuire il valore del pot perchè il controllo dell'uscita è difficile da pilotare...o magari aumento la res..
Ho utilizzato res da 47k e pot da 10k (avevo solo questi in casa).. bisognerà però diminuire il valore del pot perchè il controllo dell'uscita è difficile da pilotare...o magari aumento la res..
Re: marshall jcm 800 2204 50 w
Ciao zanco :) si riesce a ottenere un bel suono ?zanco ha scritto:regaz ho realizzato il circuito quello disegnato a mano postato da me sotto consiglio di kagliostro e funziona.
Ho utilizzato res da 47k e pot da 10k (avevo solo questi in casa).. bisognerà però diminuire il valore del pot perchè il controllo dell'uscita è difficile da pilotare...o magari aumento la res..