Dubbi Power Scaling - VVR
Dubbi Power Scaling - VVR
Ciao a tutti,
Stavo lavorando ad un piccolo circuito di Power Scaling da poter aggiungere a quegli ampli non master volume per poter ridurre la pressione sonora intaccando il meno possibile il suono. Parliamo di amplificatori fixed bias.
Leggendo in giro e guardando i vari schemi e implementazioni mi sono sorti alcuni dubbi:
- A livello sonoro, cosa comporta scalare soltanto la tensione di G2 e di bias piuttosto che anche la tensione anodica?
- Siccome gli NTEXXXX costano veramente un occhio della testa, stavo cercando alternative. Per l'anodica l'STW15NK90Z in luogo dell'NTE2973 puo' andare??? e l'IRF9640PBF in luogo dell'NTE2373?
PS: Sapete perche' i vari NTE sono cosi' costosi?
Stavo lavorando ad un piccolo circuito di Power Scaling da poter aggiungere a quegli ampli non master volume per poter ridurre la pressione sonora intaccando il meno possibile il suono. Parliamo di amplificatori fixed bias.
Leggendo in giro e guardando i vari schemi e implementazioni mi sono sorti alcuni dubbi:
- A livello sonoro, cosa comporta scalare soltanto la tensione di G2 e di bias piuttosto che anche la tensione anodica?
- Siccome gli NTEXXXX costano veramente un occhio della testa, stavo cercando alternative. Per l'anodica l'STW15NK90Z in luogo dell'NTE2973 puo' andare??? e l'IRF9640PBF in luogo dell'NTE2373?
PS: Sapete perche' i vari NTE sono cosi' costosi?
Live another day, climb a little higher, find another reason to stay...
- Kagliostro
- Amministratore

- Messaggi: 9958
- Iscritto il: 03/12/2007, 0:16
- Località: Prov. di Treviso
Re: Dubbi Power Scaling - VVR
Anche questo dovrebbe poter andar bene come sostituto (disponibile da RS)
http://docs-europe.electrocomponents.co ... db2783.pdf
Per la questione di cosa scalare, pur non sapendo dare una risposta diretta alla tua domanda, ti posso dire che la maggior parte di coloro che usano VVR abbassano l'anodica
abbassare G2 può essere un sistema per poter usare mosfet meno performanti, visto che le correnti e le tensioni sono in genere abbastanza più basse rispetto all'uso sull'anodica
sino ad ora ho visto abbassare G2 solo con il prodotto commercializzato da TubeTown e non mi pare che usino un mosfet al top ..................
---
tieni presente che molti preferiscono regolare solo la tensione delle finali ed inserire un PPIMV
cosa che forse potresti evitare regolando anche la tensione del PI, ma l'argomento è molto soggettivo e c'è chi preferisce una soluzione chi l'altra
K
http://docs-europe.electrocomponents.co ... db2783.pdf
Per la questione di cosa scalare, pur non sapendo dare una risposta diretta alla tua domanda, ti posso dire che la maggior parte di coloro che usano VVR abbassano l'anodica
abbassare G2 può essere un sistema per poter usare mosfet meno performanti, visto che le correnti e le tensioni sono in genere abbastanza più basse rispetto all'uso sull'anodica
sino ad ora ho visto abbassare G2 solo con il prodotto commercializzato da TubeTown e non mi pare che usino un mosfet al top ..................
---
tieni presente che molti preferiscono regolare solo la tensione delle finali ed inserire un PPIMV
cosa che forse potresti evitare regolando anche la tensione del PI, ma l'argomento è molto soggettivo e c'è chi preferisce una soluzione chi l'altra
K
Re: Dubbi Power Scaling - VVR
Salve a tutti!
scalare la tensione di g2 comporta la traslazione delle caratteristiche a pettine verso il basso, in pratica se prima avevi (esempio) 100mA di anodica a Vg1=-10V, scalando la g2 otterrai 80mA sempre a Vg1=-10V... in altre parole si abbassa il guadagno...
qui puoi vedere un esempio applicato ad una EF86 http://www.valvewizard.co.uk/EF86.html
come mosfet puoi usare tranquillamente gli IRF, un IRF820 è più che sufficiente, non credo che il tuo ampli abbia più di 500V di anodica... ricordati gli zener di protezione del gate!
con lo stesso mosfet puoi scalare anche l'anodica, regge fino a 2A ma difficilmente dall'anodica assorbi più di 300mA...
scalare la tensione di g2 comporta la traslazione delle caratteristiche a pettine verso il basso, in pratica se prima avevi (esempio) 100mA di anodica a Vg1=-10V, scalando la g2 otterrai 80mA sempre a Vg1=-10V... in altre parole si abbassa il guadagno...
qui puoi vedere un esempio applicato ad una EF86 http://www.valvewizard.co.uk/EF86.html
come mosfet puoi usare tranquillamente gli IRF, un IRF820 è più che sufficiente, non credo che il tuo ampli abbia più di 500V di anodica... ricordati gli zener di protezione del gate!
con lo stesso mosfet puoi scalare anche l'anodica, regge fino a 2A ma difficilmente dall'anodica assorbi più di 300mA...
Re: Dubbi Power Scaling - VVR
Ciao Hades,
a che tipo di ampli ti riferisci? Di che potenze?
Ti riassumo a grandi linee le mie preferenze:
- ampli hi-gain: scalare solo le finali, PI esclusa. Mantieni meglio l'attacco;
- ampli monocanale: puoi scalare tutta l'alimentazione, cala la dinamica chiaramente;
- amplini SE: vista la semplicità, scalare g2 è la scelta più appropriata.
Tieni però presente che se scalare g2 non è troppo complicato, scalare tutte le finali è un altro paio di maniche. Sebbene la corrente possa non sembrare molta, il calore da dissipare non è poco, e spesso si hanno problemi senza alette dall'altra parte dello chassis o una bella ventola.
a che tipo di ampli ti riferisci? Di che potenze?
Ti riassumo a grandi linee le mie preferenze:
- ampli hi-gain: scalare solo le finali, PI esclusa. Mantieni meglio l'attacco;
- ampli monocanale: puoi scalare tutta l'alimentazione, cala la dinamica chiaramente;
- amplini SE: vista la semplicità, scalare g2 è la scelta più appropriata.
Tieni però presente che se scalare g2 non è troppo complicato, scalare tutte le finali è un altro paio di maniche. Sebbene la corrente possa non sembrare molta, il calore da dissipare non è poco, e spesso si hanno problemi senza alette dall'altra parte dello chassis o una bella ventola.
Re: Dubbi Power Scaling - VVR
In particolare sto lavorando su una plexi 100W...
Pensavo di scalare le finali (PI esclusa) proprio per mantenere la dinamica e il carattere della Plexi anche a volumi umani, dato che il MVPPI non mi é piaciuto particolarmente.
Infatti secondo me un IRF820 non basta, mi sono orientato su un mosfet da 350W proprio per evitare problemi di dissipazione eccessiva...
Peró vedo che Marshall scala solo G2 e bias su finaline PI, e a quanto pare funziona abbastanza bene.
Voi che dite?
Pensavo di scalare le finali (PI esclusa) proprio per mantenere la dinamica e il carattere della Plexi anche a volumi umani, dato che il MVPPI non mi é piaciuto particolarmente.
Infatti secondo me un IRF820 non basta, mi sono orientato su un mosfet da 350W proprio per evitare problemi di dissipazione eccessiva...
Peró vedo che Marshall scala solo G2 e bias su finaline PI, e a quanto pare funziona abbastanza bene.
Voi che dite?
Live another day, climb a little higher, find another reason to stay...
Re: Dubbi Power Scaling - VVR
Se parli di una plexi d'annata ti consiglio di usare un attenuatore in uscita.
Non ce n'è.
Se è una reissue puoi scalare anche tutto l'ampli, non solo il finale, comunque non solo G2.
Chiaramente devi scalare anche la tensione di bias, e sì che si abbassano entrambe insieme, ma la correlazione non è prettamente lineare.
Comunque su sloclone abbiamo sviluppato un VVR per la tre canali, dovresti trovare un thread di Tucos su questo forum. C'è già il circuito pronto.
Per il calore tieni presente che non basta un mosfettino più grosso, ma devi dissipare il calore che va sullo chassis (diventa piuttosto caldo su un 100W).
Non ce n'è.
Se è una reissue puoi scalare anche tutto l'ampli, non solo il finale, comunque non solo G2.
Chiaramente devi scalare anche la tensione di bias, e sì che si abbassano entrambe insieme, ma la correlazione non è prettamente lineare.
Comunque su sloclone abbiamo sviluppato un VVR per la tre canali, dovresti trovare un thread di Tucos su questo forum. C'è già il circuito pronto.
Per il calore tieni presente che non basta un mosfettino più grosso, ma devi dissipare il calore che va sullo chassis (diventa piuttosto caldo su un 100W).
- Kagliostro
- Amministratore

- Messaggi: 9958
- Iscritto il: 03/12/2007, 0:16
- Località: Prov. di Treviso
Re: Dubbi Power Scaling - VVR
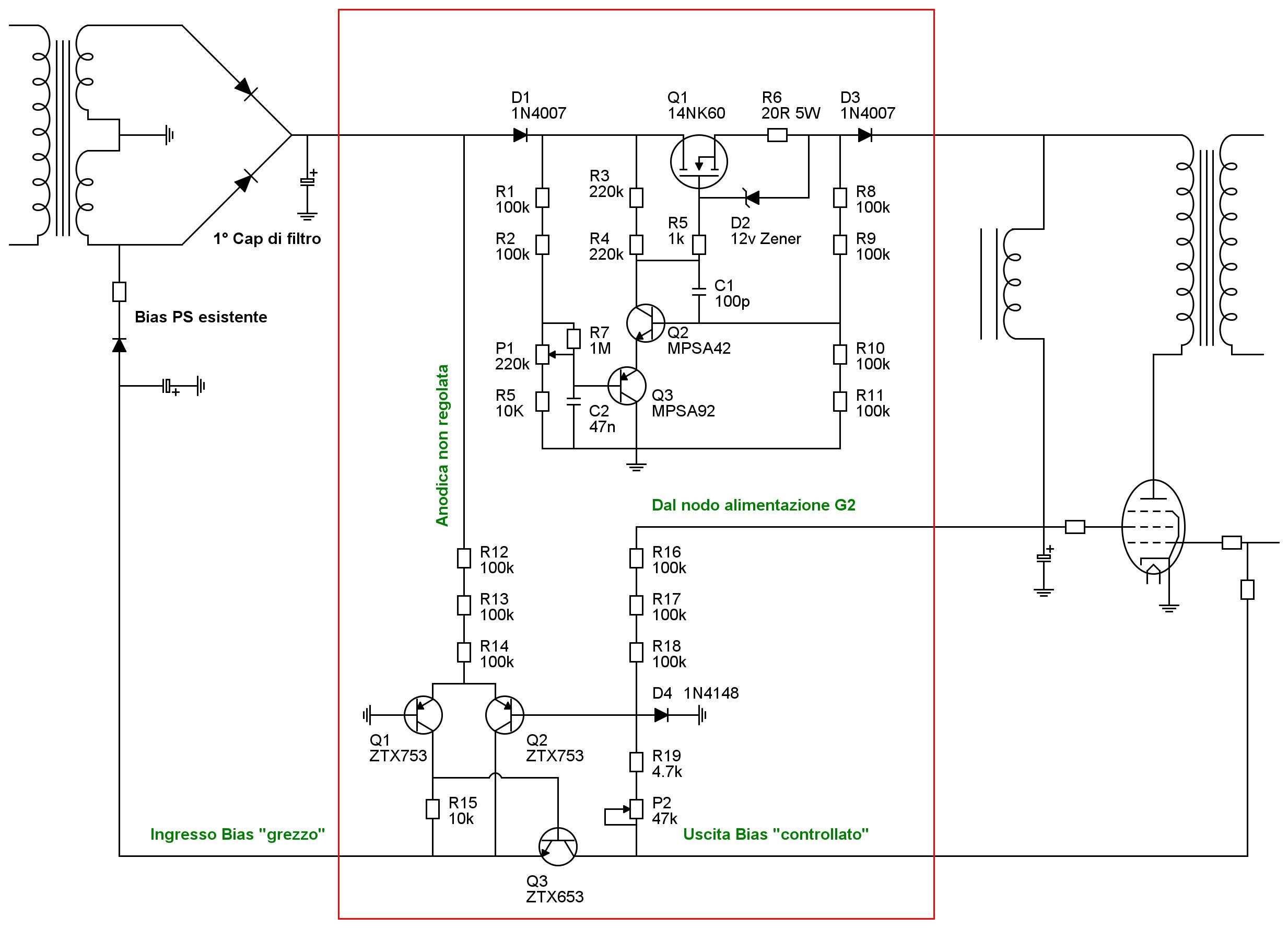
Questo l'ho disegnato io, ma è un progetto di Merlin appositamente studiato per ampli fino ad un centinaio di W con fixed bias
EDIT: è previsto il traking automatico di B+ per adeguare il bias senza interventi (se non uno iniziale mediante P2)
K
p.s.: Se qualcuno trova il link del VVR di cui parla Robi e posta il link .... GRAZIE
EDIT: è previsto il traking automatico di B+ per adeguare il bias senza interventi (se non uno iniziale mediante P2)
K
p.s.: Se qualcuno trova il link del VVR di cui parla Robi e posta il link .... GRAZIE
Re: Dubbi Power Scaling - VVR
Credo di aver trovato il file di cui parla quel rompiballe di Robi che dice dice e poi uno deve andarsi a cercare le cose.
OOOPSSS...
Questa è la sezione dedicata all'OD3: http://www.slocloneforums.com/viewforum.php?f=12
e qui c'è il file: http://www.slocloneforums.com/download/file.php?id=1576
Se non lo vedete loggatevi a sloclone.
Questa è la sezione dedicata all'OD3: http://www.slocloneforums.com/viewforum.php?f=12
e qui c'è il file: http://www.slocloneforums.com/download/file.php?id=1576
Se non lo vedete loggatevi a sloclone.
- Kagliostro
- Amministratore

- Messaggi: 9958
- Iscritto il: 03/12/2007, 0:16
- Località: Prov. di Treviso
Re: Dubbi Power Scaling - VVR
K
p.s.: Non ci azzecca nulla con il discorso VVR ma ho visto lo schema, se le res R9-10-11-12 sono lì allo scopo di prevenire problemi nel caso il cursore del relativo pot non facesse contatto e quindi evitano di non avere tensione di bias per le valvole, su VR1A non ci sarebbe stata bene una res tipo R9 ?
Re: Dubbi Power Scaling - VVR
Si si ma il thread dell'OD3 l'avevo letto... È che volevo capire la differenza sonora e le controindicazioni di scalare solo G2 e bias invece che scalare anche l'anodica...
Copiare ad occhi chiusi non è il mio stile robi, mi dispiace

Copiare ad occhi chiusi non è il mio stile robi, mi dispiace
Live another day, climb a little higher, find another reason to stay...
Re: Dubbi Power Scaling - VVR
Non vorrei dirti una boiata ma mi pare nella versione definitiva ci sia.
Io a casa ho una versione beta della pcb finale, solo per test (preferisco la semplicità).
Io a casa ho una versione beta della pcb finale, solo per test (preferisco la semplicità).
Re: Dubbi Power Scaling - VVR
Ok, ho montato il tutto ed e' perfettamente funzionante come da schema simil OD3/VVR Hall...
STW15NK90Z sull'anodica e IRF9640PBF sul bias. Doppio pot Alpha 0,5W/500V e regge benissimo.
Non ho messo lo zener fra R17 e gate perche' questo mosfet ha gia' lo zener di protezione.
Ho scalato soltanto le finali e la PI, avvitato il mosfet allo chassis con pasta termica per CPU e devo dire che non scalda nemmeno tanto.
Applicandolo ad un ampli high gain con MV secondo me e' praticamente trasparente. Con un Plexi il discorso e' molto diverso.
Il problema e': scalando le finali queste vanno in saturazione molto facilmente, che fino ad un certo punto e' quello che si vuole.
Ma da un certo punto in poi la saturazione diventa molto acida, probabilmente troppo segnale dalla PI che non e' scalata.
Messo un MVPPI Lar/Mar ma questo a basso volume e bassa potenza mi uccide la retroazione e mi rende il suono ancora piu' acido.
Tolto il MVPPI e messo un MV Bootstrapped, situazione molto migliorata anche se cosi' non saturo benissimo il finale... Ma il risultato e' comunque molto migliore!!!
Seguendo lo schema dello scaling dell'OD3 per abbassare ulteriormente la potenza basta cambiare R6, R7, R15 e R16 con valori piu' bassi ma tutti uguali, giusto?
STW15NK90Z sull'anodica e IRF9640PBF sul bias. Doppio pot Alpha 0,5W/500V e regge benissimo.
Non ho messo lo zener fra R17 e gate perche' questo mosfet ha gia' lo zener di protezione.
Ho scalato soltanto le finali e la PI, avvitato il mosfet allo chassis con pasta termica per CPU e devo dire che non scalda nemmeno tanto.
Applicandolo ad un ampli high gain con MV secondo me e' praticamente trasparente. Con un Plexi il discorso e' molto diverso.
Il problema e': scalando le finali queste vanno in saturazione molto facilmente, che fino ad un certo punto e' quello che si vuole.
Ma da un certo punto in poi la saturazione diventa molto acida, probabilmente troppo segnale dalla PI che non e' scalata.
Messo un MVPPI Lar/Mar ma questo a basso volume e bassa potenza mi uccide la retroazione e mi rende il suono ancora piu' acido.
Tolto il MVPPI e messo un MV Bootstrapped, situazione molto migliorata anche se cosi' non saturo benissimo il finale... Ma il risultato e' comunque molto migliore!!!
Seguendo lo schema dello scaling dell'OD3 per abbassare ulteriormente la potenza basta cambiare R6, R7, R15 e R16 con valori piu' bassi ma tutti uguali, giusto?
Live another day, climb a little higher, find another reason to stay...
- Kagliostro
- Amministratore

- Messaggi: 9958
- Iscritto il: 03/12/2007, 0:16
- Località: Prov. di Treviso
Re: Dubbi Power Scaling - VVR
Hai mai valutato questa possibilità di regolazione della PI ?
K
K
Re: Dubbi Power Scaling - VVR
No non ho mai valutato questa opzione semplicemente perche' non ci avevo mai pensato!
Comunque ulteriori aggiornamenti: il MV Bootstrapped e' molto trasparente anche a bassi volumi, l'unico inconvenviente e' quello della saturazione di PI e finale che a volumi molto bassi e' inesistente, e su un plexi e' FONDAMENTALE...
Per cui ho fatto l'esperimento di scalare la PI assieme alle finali, in modo che il pre riesca a saturare PI e finali anche a volumi piu' bassi...
FUNZIONA ALLA GRANDE!!!
Quindi ricapitolando: VVR + MV Bootstrapped (doppio pot da 1M) + 10k e pot da 220k in retroazione (per correggere la quantita' di retroazione persa) = una Plexi da camera!
Comunque ulteriori aggiornamenti: il MV Bootstrapped e' molto trasparente anche a bassi volumi, l'unico inconvenviente e' quello della saturazione di PI e finale che a volumi molto bassi e' inesistente, e su un plexi e' FONDAMENTALE...
Per cui ho fatto l'esperimento di scalare la PI assieme alle finali, in modo che il pre riesca a saturare PI e finali anche a volumi piu' bassi...
FUNZIONA ALLA GRANDE!!!
Quindi ricapitolando: VVR + MV Bootstrapped (doppio pot da 1M) + 10k e pot da 220k in retroazione (per correggere la quantita' di retroazione persa) = una Plexi da camera!
Live another day, climb a little higher, find another reason to stay...

