Sostieni il forum con una donazione! Il tuo contributo ci aiuterà a rimanere online!
Immagine

Clone Vox Ac30

Discussioni di carattere generale sugli amplificatori valvolari...
Rispondi
Luchinob
Elettrone Impazzito
Elettrone Impazzito
Messaggi: 45
Iscritto il: 22/05/2013, 17:45

Clone Vox Ac30

Messaggio da Luchinob » 30/09/2013, 18:22

Buonasera a tutti .
Voglio costruire un clone del VoxAc30/6 Normal Jcm .
Girando in lungo e largo per internet non sono riuscito a trovare il suo telaio , allora mi sono messo a pensare
ho gia' costruito un Clone del Jcm800 e mi sono detto proviamo a inserire tutti i componenti su questo telaio ( quello del Jcm800 ) .
La cosa per me e' fattibile ( ci vogliono parecchie modifiche ) e mi sono messo a lavoro .
Allego le prime foto .
Man mano che vado avanti aggiungero' le altre .

Avatar utente
Kagliostro
Amministratore
Amministratore
Messaggi: 9960
Iscritto il: 03/12/2007, 0:16
Località: Prov. di Treviso

Re: Clone Vox Ac30

Messaggio da Kagliostro » 30/09/2013, 21:24

Ci sono in giro realizzazioni su telai tradizionali, non ti so aiutare per le dimensioni che usano di solito, ma di sicuro si può fare

---

Se chiedevi ecco il telaio per un clone AC30/6
6v30ch.jpg
forse un po' caro - guarda 6v30 sul link che segue

http://taweber.powweb.com/store/chassis/chord2.html

qui le misure dettagliate

http://www.webervst.com/chassis/6v30pre.pdf

http://www.webervst.com/chassis/6v30pwr.pdf

Ciao

K

Luchinob
Elettrone Impazzito
Elettrone Impazzito
Messaggi: 45
Iscritto il: 22/05/2013, 17:45

Re: Clone Vox Ac30

Messaggio da Luchinob » 01/10/2013, 19:06

Ciao a tutti :
Finito di modificare il telaio con fori aggiuntivi sono passato alle piastre che montano
i vari componenti , le piastre si sovrappongono con dei distanziali .
Ho montato anche portavalvole e potenziometri .
Fino a qui tutto bene . Mi sto' dando da fare ( con calma ) perche' non vedo l'ora di
sentirlo suonare con la mia Gibson Les Paul , suonando qualche pezzo degli U2 e dei Queen .

Avatar utente
Kagliostro
Amministratore
Amministratore
Messaggi: 9960
Iscritto il: 03/12/2007, 0:16
Località: Prov. di Treviso

Re: Clone Vox Ac30

Messaggio da Kagliostro » 01/10/2013, 19:35

Provalo, se hai problemi di Humm o disturbi forse dovrai mettere uno schermo metallico collegato a massa tra la board inferiore e la board superiore

Ciao

K

Luchinob
Elettrone Impazzito
Elettrone Impazzito
Messaggi: 45
Iscritto il: 22/05/2013, 17:45

Re: Clone Vox Ac30

Messaggio da Luchinob » 02/10/2013, 16:15

Buona sera a tutti :
Dunque lavoro finito , ho inserito le valvole e ho acceso l'interruttore tutto bene .
Provo a inserire il jack della chitarra su canale normal funziona , su canale brillant funziona ( il potenziometro del tone non funziona bene , quando e' a zero
pennata sulle corde si sente un zzzzzz mentre quando il pot e' al max non si sente piu' quel zzzzzzz .
Il canale trem/vib non funziona .
Non e' per caso che mi serve il foot switch (On/ Off ) a pedale per farlo funzionare ?
Nel layout che allego noto che il comutatore a 2 vie e' collegato a massa e al condensatore
che poi va ponticellato su l'altro contatto , mentre al centrale non arriva niente .
quale funzione avrebbe quel comutatore ? Dovrebbe fungere da deviatore vib. o trem.
Noto che su i pin delle ecc83 ho : pin 4/5 0v. e pin 9 6,3v
su i pin delle el84 ho : pin 4 6,3v e pin 5 0
Tensioni a pin delle valvole:
Pin 1 2 3 4 5 6 7 8 9
V7 0 0 0 0 0 0 0 0 6,3
V9 136 0,5 1,8 0 0 240 16 0 6,3
V8 0,80 0 3,5 0 0 0,84 0 3,5 6,3
V1 187 0 1,9 0 0 181 0 1,9 6,3
V2 252 52 0,74 0 0 246 51 0,73 6,3

V6 0 0 11 6,3 0 0 342
v4 0 0 11 6,3 0 0 343
v5 -3,5 0 10 6,3 0 0 343
v3 -3,5 0 10 6,3 0 0 342

Avatar utente
Kagliostro
Amministratore
Amministratore
Messaggi: 9960
Iscritto il: 03/12/2007, 0:16
Località: Prov. di Treviso

Re: Clone Vox Ac30

Messaggio da Kagliostro » 02/10/2013, 17:42

quale funzione avrebbe quel comutatore ? Dovrebbe fungere da deviatore vib. o trem.
Sì, la funzione dovrebbe essere quella (come da scritta)

Prima di metterti alla costruzione hai verificato che il layout corrispondesse con lo schema ?

Sei sicuro che quel layout sia stato provato e funzionante ?

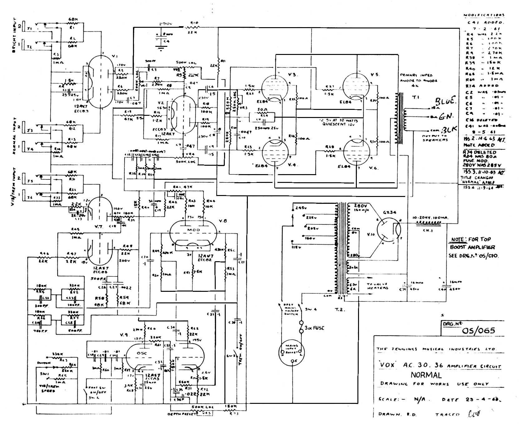
questo dovrebbe essere lo schema cui si riferisce il tuo layout
ac301960.jpg
prova a fare un po' di confronti per rilevare eventuali discrepanze

---

Per quel poco (pochissimo) che ho seguito lo schema sul layout non ho visto diversità, anche i componenti che ho controllato corrispondono di numero tra schema e layout solo che lo schema è quello che è e si fatica un po' a seguirlo per via delle scritte difficilmente leggibili

---

Naturalmente se sui pin di V7 non hai tensioni, a parte i filamenti, c'è qualcosa che non quadra, ricontrolla tutti i collegamenti verso l'alimentazione di V7

K

Luchinob
Elettrone Impazzito
Elettrone Impazzito
Messaggi: 45
Iscritto il: 22/05/2013, 17:45

Re: Clone Vox Ac30

Messaggio da Luchinob » 02/10/2013, 19:48

Grazie mille per le tue risposte Kagliostro .
Dunque quando ho scaricato il layout non c'era abbinato nessuno schema .
Lo schema lo trovato a giro per internet .
L'autore del layout non garantiva che il layout funzionasse .
Il layout e' molto vicino a corrispondere allo schema che ho trovato .
Ora dovro' mettermi li con tutta la mia pazienza ha vedere come mai non arrivano le tensioni ai capi di V7 .
Perche e' V7 che lavora per il Vib./Trem.
Gli altri canali funzionano bene apparte il tono .

Grazie di nuovo

Luchinob
Elettrone Impazzito
Elettrone Impazzito
Messaggi: 45
Iscritto il: 22/05/2013, 17:45

Re: Clone Vox Ac30

Messaggio da Luchinob » 02/10/2013, 21:40

Confrontado lo schema con il layout ho trovato delle differenze sulla R46 22K .
A mio giudizio la R46 deve andare tra il Punto 07 e il Punto 09 .

Avatar utente
Kagliostro
Amministratore
Amministratore
Messaggi: 9960
Iscritto il: 03/12/2007, 0:16
Località: Prov. di Treviso

Re: Clone Vox Ac30

Messaggio da Kagliostro » 02/10/2013, 23:12

Ormai è tardi, domani vedo di dare una controllata

---

Anzi, confermo che hai proprio ragione un primo errore l'hai trovato, speriamo non ce ne siano altri

Ciao

K

Luchinob
Elettrone Impazzito
Elettrone Impazzito
Messaggi: 45
Iscritto il: 22/05/2013, 17:45

Re: Clone Vox Ac30

Messaggio da Luchinob » 03/10/2013, 18:00

Ciao Kaliostro :
oggi ho perso un paio di ore a cercare le discrepanze tra lo schema e layout .
Tra schema e layout ti adentri in una vera giungla .
Oltre alla R46 che va spostata nei punti 7 e 9 . (attualmente e' nei punti 2 e 6 ) .
Ho notato che alla V7 no arriva tensione al Pin 1 perche' secondo me manca nel
layout un cavo che va da la R62 (22K) alla R39 (100K) .

Allego foto del telaio montato .

Avatar utente
Kagliostro
Amministratore
Amministratore
Messaggi: 9960
Iscritto il: 03/12/2007, 0:16
Località: Prov. di Treviso

Re: Clone Vox Ac30

Messaggio da Kagliostro » 03/10/2013, 21:28

Ciao, ho visto il tuo ultimo aggiornamento, purtroppo sono cotto e non ho veramente fiato

per mettermi a spulciare il layout (come hai visto è una cosa da fare con calma e tranquillità)

starò via fino a fine settimana, poi, se non hai ancora risolto, vedrò di darti una mano

K

Luchinob
Elettrone Impazzito
Elettrone Impazzito
Messaggi: 45
Iscritto il: 22/05/2013, 17:45

Re: Clone Vox Ac30

Messaggio da Luchinob » 06/10/2013, 16:12

Ciao Kagliostro , il problema l' ho risolto :
In poche parole manca il cavo che porta l'alimentazione agli anodi della V7 ( Pin 1 e Pin 6 ) .
Nel layout manca il cavo che parte dalla board grande R62 ( 22 basso) e va alla
board piccola R39 ( 3 basso ) , come ti avevo già detto in precedenza .

Ora funziona tutto e devo dire che suona bene . le 4 valvole di potenza sono
El84 JJ Quadmatched mentre quelle di Pre. sono ElectroHarmonix .

C'e' un piccolissimo Hummm , ho montato un schermo metallico come mi hai
suggerito di fare tra la board superiore e quella inferiore collegato a massa ,
niente l' hummm rimane , ma e' piccolo e quando suono non si sente neanche .

Suonando l' intro di Sunday Bloody Sunday con il volume a meta ' mi si e' accapponata un po' la pelle , perché' il suono e' veramente identico .

Sono soddisfatto del lavoro che ho svolto , questa e' la mia seconda testata che costruisco la prima e' un clone del Marshall JCM800 .
Appena finito il cabinet invio le foto .

Ciao

Avatar utente
Kagliostro
Amministratore
Amministratore
Messaggi: 9960
Iscritto il: 03/12/2007, 0:16
Località: Prov. di Treviso

Re: Clone Vox Ac30

Messaggio da Kagliostro » 06/10/2013, 21:28

Sono contento che tu abbia risolto

Le foto saranno gradite e, se ne hai la possibilità, anche un sample, sempre che tu possa

Ciao

K

Rispondi