
ciao a tutti , dopo snervante attesa dei componenti ( alcuni sono ancora in attesa di riceverli , vedi condensatore da 16 uF che provvisoriamente ho sostituito con 22 uF visto che in casa me ne sono trovato 9 pezzi da PCB) e una settimana di duro lavoro sono riuscito a terminare il mio primo ampli valvolare. (almeno la parte "suonante"

)
allego alcune foto (scusate la qualità ma il mio cell fa foto pessime)
Con due amici lo abbiamo provato collegato a un 4x12 ibanez collegato a 16 ohm sia con una Gibson Les Paul Standard (quella senza camere tonali) e con una Fender Stratocaster messicana.
Provo a esporre con ordine le impressioni che abbiamo avuto:
Canale NON tmb
1) Su entrambi gli ingressi "HI e LO" completa assenza di ronzio e fruscio, solo a volume max si sente un leggerissimo fruscio (veramente minimo (( fa più casino la ventola del portatile di mia moglie)) rispetto al volume che sputa fuori quando si suona)
2) Il suono e un vintage pazzesco, con entrambe le chitarre il pulito è bello cristallino e i bassi sono enormi ma non vanno a invadere le frequenze medie e alte. Non so come spiegarlo, stanno li dove devono stare senza ovattare e chiudere il suono nel complesso.
La les paul (pickup al manico) lo fa crunciare prima rispetto alla fender es, a vol 4 con la gibson solo pesando bene la pennata riesci a giocare tra pulito e leggero crunch, con la fender devi portare il volume almeno a 6. (chiaramente le timbriche delle due chitarre sono totalmente diverse)
3)Bellissima risposta e sustain sembra quasi leggermente riverberato. (il proprietario della fender dice che ha più attacco del suo JCM900 combo da 50W

)
Canale TMB
1)Diciamo che ci aspettavamo di più' da tutte quelle manopole, sopratutto dopo quello sentito dal canale precedente. Secondo la nostra modesta impressione il canale TMB non ha niente di particolare rispetto a tanti ampli commerciali che si trovano in circolazione, forse ha una vena più' sul funky.
2)Anche su questo canale ronzio assente ma si sente molto più' fruscio con MV a max e Volume da metà in su ma non al livello di JCM2000 canale distorto.
Ho notato una cosa:
chitarra su HI (volume e tono a zero)
vado ad aumentare MV e Volume del canale TMB, pur non essendoci collegato nulla si sente in lontananza la chitarra collegata sull'altro canale. E' normale????
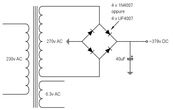
Ora per concludere vi indico le tensioni che ho misurato con tutte le valvole montate e tutti i pot a zero
P1 P3 P6 P8
V1 168 1 156 1
V2 218 85 229 85
V3 154 1 285 155
V4 mi sono dimenticato di scriverli
V5 mi sono dimenticato di scriverli
Tensione di rete 235 V (ma va!!

)
Tensione TA 279 V
Tensione all'uscita del ponte diodi 367V
Tensione nodo R18/R19 316V
Tensione nodo R15/R16 260V
Tensione nodo C6/R9 248V
Tensione nodo R3/R8 248V
Che dite mi devo preoccupare?