Dumble SE con GU50 (???)
- Kagliostro
- Amministratore

- Messaggi: 9955
- Iscritto il: 03/12/2007, 0:16
- Località: Prov. di Treviso
Re: Dumble SE con GU50 (???)
E se fosse un partitore (o due in serie) che lo alimenta fatto in modo che abbia una tensione di uscita tale che se la tensione di ingresso è più bassa di una certa soglia (che so, tanto per dire .... 150V) al LED non arriva più un tensione sufficiente ad accenderlo ?
Franco
Franco
Re: Dumble SE con GU50 (???)
....ma se mettessimo uno switch ON-OFF-ON 3PDT che può ANCHE fare da stand by?
Mi spiego meglio:
Se vogliamo accendere subito l'ampli senza dover ricorrere allo stand by, dato che abbiamo una buona rampa per la tensione, tiriamo tutto su lo switch. Velocemente. In pratica saltiamo la posizione centrale con un rapido movimento verticale.
Quando vogliamo mettere solo lo stand by per commutare il feedback, portiamo lo switch in posizione di OFF ( ovviamente i pin del power on in questa posizione sono ponticellati ), e aspettiamo che si spenga un led lentamente tramite cap apposito.
Potrebbe andare?
Mi spiego meglio:
Se vogliamo accendere subito l'ampli senza dover ricorrere allo stand by, dato che abbiamo una buona rampa per la tensione, tiriamo tutto su lo switch. Velocemente. In pratica saltiamo la posizione centrale con un rapido movimento verticale.
Quando vogliamo mettere solo lo stand by per commutare il feedback, portiamo lo switch in posizione di OFF ( ovviamente i pin del power on in questa posizione sono ponticellati ), e aspettiamo che si spenga un led lentamente tramite cap apposito.
Potrebbe andare?
Re: Dumble SE con GU50 (???)
...non saprei. Non sono sicuro che ridurremmo tanto il pop anche a 150v di anodica, ma potrebbe anche essere.Kagliostro ha scritto: ↑23/04/2025, 13:13E se fosse un partitore (o due in serie) che lo alimenta fatto in modo che abbia una tensione di uscita tale che se la tensione di ingresso è più bassa di una certa soglia (che so, tanto per dire .... 150V) al LED non arriva più un tensione sufficiente ad accenderlo ?
Franco
Ma rimane il fatto che se vogliamo fare in questo modo, hai sempre bisogno di uno switch dedicato, presumo.
Re: Dumble SE con GU50 (???)
Ok. Capisco. Puoi sempre farlo tornare al funzionamento normale ( con il cablaggio di default per i jack ) nel caso vorresti levare i feddback.
....i jack??? Ne mettiamo 3???
- Kagliostro
- Amministratore

- Messaggi: 9955
- Iscritto il: 03/12/2007, 0:16
- Località: Prov. di Treviso
Re: Dumble SE con GU50 (???)
Pei i Jack metterne 3 da possibilità di avere più opzioni di impedenza in uscita e magari anche di giocare/sperimentare mettendo più di uno speaker, il tutto evitando di dover inserire un commutatore, a me, se Roberto dice che ci può stare l' opzione piacerebbe
Per la tensione a 150V era solo un esempio, si può usare un qualsiasi altro valore determinato sperimentalmente, l' idea sarebbe quella di avere un avviso certo e di non dover attendere per forza di raggiungere lo Zero per veder spegnere il LED e quindi sapere di poter azionare la commutazione del feedback
Uno switch unico per ON/Standby/OFF, si, perché no ? Mi pare che in giro ci siano già esempi di chi implementa una cosa come questa e si risparmierebbe un foro sulla faceplate, per me anche questa cosa ci può stare, sempre che non si vedano controindicazioni al farlo
Franco
Per la tensione a 150V era solo un esempio, si può usare un qualsiasi altro valore determinato sperimentalmente, l' idea sarebbe quella di avere un avviso certo e di non dover attendere per forza di raggiungere lo Zero per veder spegnere il LED e quindi sapere di poter azionare la commutazione del feedback
Uno switch unico per ON/Standby/OFF, si, perché no ? Mi pare che in giro ci siano già esempi di chi implementa una cosa come questa e si risparmierebbe un foro sulla faceplate, per me anche questa cosa ci può stare, sempre che non si vedano controindicazioni al farlo
Franco
Re: Dumble SE con GU50 (???)
Se ricordo bene il TinyTerror ha uno switch così. Ne sostituii uno una quindicina di anni fa.
Per me 3 jack.
Per me 3 jack.
- Kagliostro
- Amministratore

- Messaggi: 9955
- Iscritto il: 03/12/2007, 0:16
- Località: Prov. di Treviso
Re: Dumble SE con GU50 (???)
Quindi siamo tutti d'accordo, direi approvato lo switch ed anche i 3 output
Franco
Franco
Re: Dumble SE con GU50 (???)
Ok allora.
Vedo che posso fare in questo ponte che viene.
Avete idea di quale capacità potremmo usare per il cap che ritarda lo spegnimento del led?
Vedo che posso fare in questo ponte che viene.
Avete idea di quale capacità potremmo usare per il cap che ritarda lo spegnimento del led?
Re: Dumble SE con GU50 (???)
Ciao Dom, cosa vuoi ottenere da quel circuito?
Da dove vuoi alimentarlo? a che tensione? Vuoi usare dei led piccoli standard da 2 mA circa?
Da dove vuoi alimentarlo? a che tensione? Vuoi usare dei led piccoli standard da 2 mA circa?
Re: Dumble SE con GU50 (???)
Ciao Robi. Lo schema é riferito solo al possibile impiego di un cap per far spegnere il led subito.
Avevo pensato di alimentarlo tramite partitore di tensione dall'anodica ( quindi da 300v ad arrivare ad almeno 12/24 v. ), come sull'esempio di schema che ho postato prima, ma senza relay a sto punto.
Ma se hai un altro sistema che possa fare lo stesso lavoro, dimmi pure.
Sui led da impiegare, pensavo a metterne uno un po' più grosso dei classici led da pedali ( per capirci ). Ma non ne ho e devo ordinarli.
Avevo pensato di alimentarlo tramite partitore di tensione dall'anodica ( quindi da 300v ad arrivare ad almeno 12/24 v. ), come sull'esempio di schema che ho postato prima, ma senza relay a sto punto.
Ma se hai un altro sistema che possa fare lo stesso lavoro, dimmi pure.
Sui led da impiegare, pensavo a metterne uno un po' più grosso dei classici led da pedali ( per capirci ). Ma non ne ho e devo ordinarli.
- Kagliostro
- Amministratore

- Messaggi: 9955
- Iscritto il: 03/12/2007, 0:16
- Località: Prov. di Treviso
Re: Dumble SE con GU50 (???)
Io credo che se si parte dall' anodica i cap ci siano già, a noi serve che si spenga magari prima dello Zero (per guadagnare tempo), sempre si riesca a stabilire un valore di tensione che se non mantenuto fa spegnere il LED ma non fa partire i POP
Quindi niente cap ma un partitore con il giusto valore
O, se si può, aggiungere un bleed resistor alla posizione standby (inserito solo durante lo standby per velocizzare il raggiungimento dello Zero) e lasciare quindi che il LED si spenga in modo "naturale"
Franco
Quindi niente cap ma un partitore con il giusto valore
O, se si può, aggiungere un bleed resistor alla posizione standby (inserito solo durante lo standby per velocizzare il raggiungimento dello Zero) e lasciare quindi che il LED si spenga in modo "naturale"
Franco
Re: Dumble SE con GU50 (???)
Ciao, bisogna innanzitutto sapere che tipo di led si vuole usare, perchè tutto dipende dalla corrente di cui ha bisogno.
Tieni presente che non puoi salire molto di corrente, perchè 10 mA su 400V di anodica sono 4W da dissipare.
Per questo ti chiedevo di quelli da 1-2 mA.
Tieni presente che non puoi salire molto di corrente, perchè 10 mA su 400V di anodica sono 4W da dissipare.
Per questo ti chiedevo di quelli da 1-2 mA.
- Kagliostro
- Amministratore

- Messaggi: 9955
- Iscritto il: 03/12/2007, 0:16
- Località: Prov. di Treviso
Re: Dumble SE con GU50 (???)
Ah, sì, giusto, hai ragione
Non mi ero concentrato su questo aspetto
Franco
Non mi ero concentrato su questo aspetto
Franco
- Kagliostro
- Amministratore

- Messaggi: 9955
- Iscritto il: 03/12/2007, 0:16
- Località: Prov. di Treviso
Re: Dumble SE con GU50 (???)
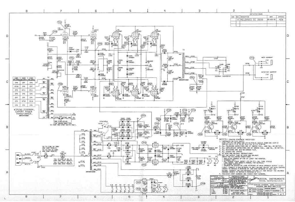
Mi è venuto in mente che sul Bassman 300W la Fender ha un avviso di problemi alle finali tramite LED
qui allegato vedete lo schema


Non è che scopiazzando un po' si possa adattare alle nostre esigenze ??
Franco
qui allegato vedete lo schema


Non è che scopiazzando un po' si possa adattare alle nostre esigenze ??
Franco
Re: Dumble SE con GU50 (???)
Ciao, non serve scopiazzare, è un led.
Bisogna scegliere che led usare e da lì si dimensiona il resto.
ma... un semplice resistore calcolato per affievolirsi quando serve?
Tanto non sarà mai un luce/spento diretto.
Bisogna scegliere che led usare e da lì si dimensiona il resto.
ma... un semplice resistore calcolato per affievolirsi quando serve?
Tanto non sarà mai un luce/spento diretto.

