Primo ampli valvolare (vox AC30)
- Kagliostro
- Amministratore

- Messaggi: 9950
- Iscritto il: 03/12/2007, 0:16
- Località: Prov. di Treviso
Re: Primo ampli valvolare (vox AC30)
Prima di collegare il cap di bypass misura la tensione che ti trovi ai capi della resistenza tra catodo e massa
certo che più alta è la tensione del cap maggiore è il margine di tolleranza
K
certo che più alta è la tensione del cap maggiore è il margine di tolleranza
K
-
tommymariotti
- Elettrone Impazzito

- Messaggi: 42
- Iscritto il: 09/07/2012, 23:55
Re: Primo ampli valvolare (vox AC30)
ok provvedo subito.
faccio anche altre misure?
faccio anche altre misure?
-
tommymariotti
- Elettrone Impazzito

- Messaggi: 42
- Iscritto il: 09/07/2012, 23:55
Re: Primo ampli valvolare (vox AC30)
27V direi che va benissimo la 63V
ora lo standby non da problemi... metto il condensatore di bypass e attacco la chitarra... speriamo bene
ora lo standby non da problemi... metto il condensatore di bypass e attacco la chitarra... speriamo bene
-
tommymariotti
- Elettrone Impazzito

- Messaggi: 42
- Iscritto il: 09/07/2012, 23:55
Re: Primo ampli valvolare (vox AC30)
stavolta non suona -.- ho inserito la chitarra nel return e l'ampli è muto... ricontrollo un po' di cose...
-
tommymariotti
- Elettrone Impazzito

- Messaggi: 42
- Iscritto il: 09/07/2012, 23:55
Re: Primo ampli valvolare (vox AC30)
vi allego una foto dell'interno del finale.
http://imageshack.us/photo/my-images/546/foto1wc.jpg/
domani in pausa faccio qualche misura sui nodi confrontando i voltaggi che ho nelle schematiche.
per quanto riguarda le valvole che misurazioni faccio?
http://imageshack.us/photo/my-images/546/foto1wc.jpg/
domani in pausa faccio qualche misura sui nodi confrontando i voltaggi che ho nelle schematiche.
per quanto riguarda le valvole che misurazioni faccio?
- Kagliostro
- Amministratore

- Messaggi: 9950
- Iscritto il: 03/12/2007, 0:16
- Località: Prov. di Treviso
Re: Primo ampli valvolare (vox AC30)
Le immagini che hai postato sono troppo scure, per poter essere utili
oltre a delle viste di insieme, ci devono essere dei primi piani ravvicinati
e naturalmente serve che siano luminose
Puoi allegare le immagini direttamente al messaggio, senza usare link esterni, se usi un link esterno ti consiglierei questo che mette a disposizione un link "Codice Per Forum Con Link Da Immagine Piccola Verso Immagine Grande" che evita problemi di visualizzazione
http://www.imagestime.com/
---
Oltre alle tensioni sui nodi misura quelle presenti sui pin delle valvole e posta tutto
K
oltre a delle viste di insieme, ci devono essere dei primi piani ravvicinati
e naturalmente serve che siano luminose
Puoi allegare le immagini direttamente al messaggio, senza usare link esterni, se usi un link esterno ti consiglierei questo che mette a disposizione un link "Codice Per Forum Con Link Da Immagine Piccola Verso Immagine Grande" che evita problemi di visualizzazione
http://www.imagestime.com/
---
Oltre alle tensioni sui nodi misura quelle presenti sui pin delle valvole e posta tutto
K
-
tommymariotti
- Elettrone Impazzito

- Messaggi: 42
- Iscritto il: 09/07/2012, 23:55
Re: Primo ampli valvolare (vox AC30)
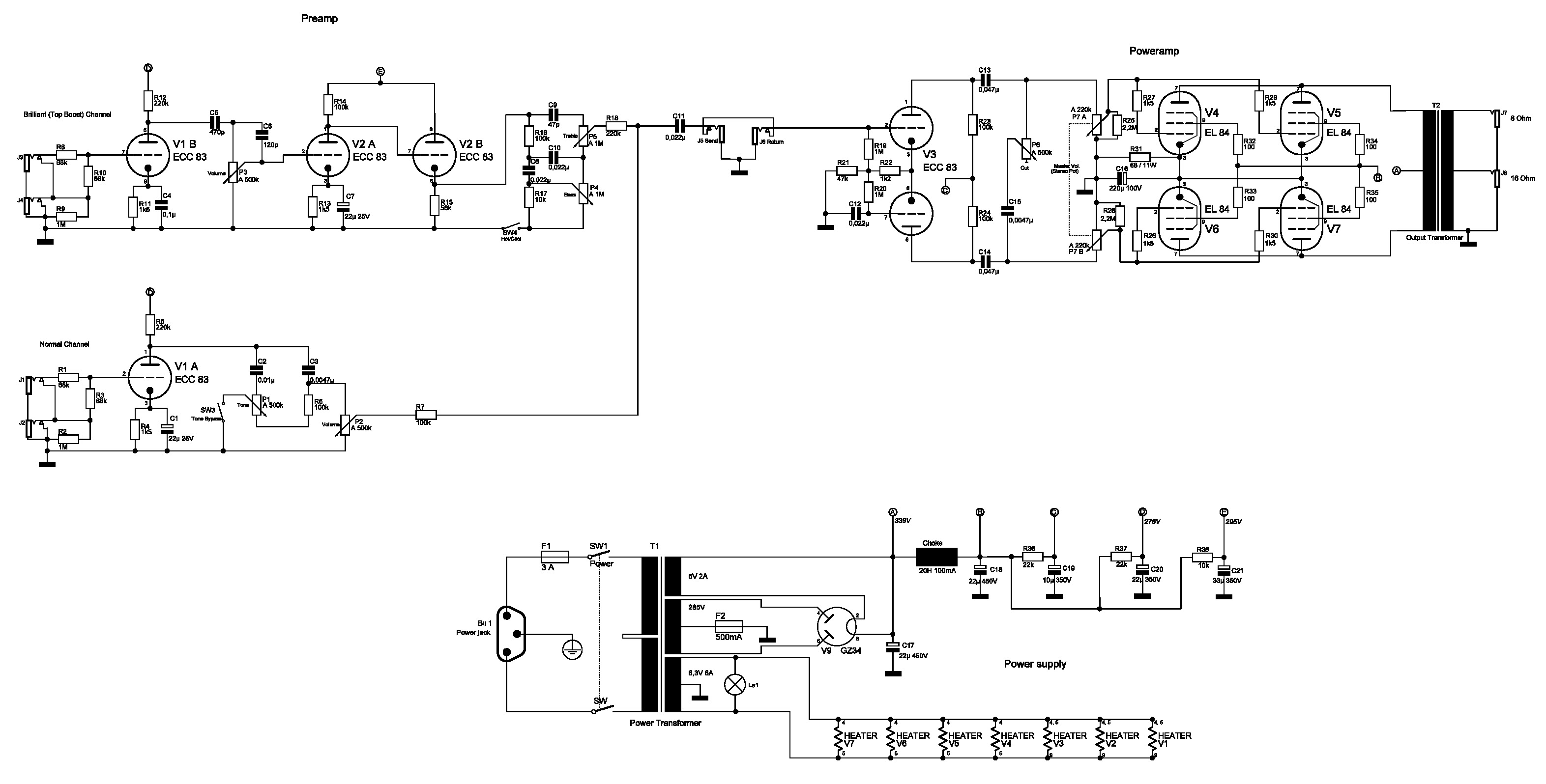
ecco i voltaggi... spero di aver fatto bene:
V1
PIN 1 153
PIN 3 1.2
PIN 6 163
PIN 8 1.2
V2
PIN 1 200
PIN 3 1.5
PIN 6 327
PIN 8 201
V3
PIN 1 261
PIN 2 25
PIN 3/8 66
PIN 6 256
PIN 7 25
V4 EL84
PIN 3 44.8
PIN 7 387
PIN 9 380
V5 EL84
PIN 3 44.8
PIN 7 384
PIN 9 386
V6 EL84
PIN 3 44.9
PIN 7 387
PIN 9 385
V7 EL84
PIN 3 44.8
PIN 7 385
PIN 9 384
Tra centrale del TU e Massa ci sono 386V
V1
PIN 1 153
PIN 3 1.2
PIN 6 163
PIN 8 1.2
V2
PIN 1 200
PIN 3 1.5
PIN 6 327
PIN 8 201
V3
PIN 1 261
PIN 2 25
PIN 3/8 66
PIN 6 256
PIN 7 25
V4 EL84
PIN 3 44.8
PIN 7 387
PIN 9 380
V5 EL84
PIN 3 44.8
PIN 7 384
PIN 9 386
V6 EL84
PIN 3 44.9
PIN 7 387
PIN 9 385
V7 EL84
PIN 3 44.8
PIN 7 385
PIN 9 384
Tra centrale del TU e Massa ci sono 386V
- Kagliostro
- Amministratore

- Messaggi: 9950
- Iscritto il: 03/12/2007, 0:16
- Località: Prov. di Treviso
Re: Primo ampli valvolare (vox AC30)
Per facilitare la consultazione allego qui lo schema in jpg
Le tensioni dei nodi che misuri sono come da schema ?
EDIT: mi accorgo adesso che dici di avere 386v sul nodo A invece dei 338v previsti
comunque quello non è il problema ed ad un'occhiata veloce le tensioni mi sembrano corrette
se usi l'uscita del Send per verificare, il pre risulta funzionare ?
K
Le tensioni dei nodi che misuri sono come da schema ?
EDIT: mi accorgo adesso che dici di avere 386v sul nodo A invece dei 338v previsti
comunque quello non è il problema ed ad un'occhiata veloce le tensioni mi sembrano corrette
se usi l'uscita del Send per verificare, il pre risulta funzionare ?
K
-
tommymariotti
- Elettrone Impazzito

- Messaggi: 42
- Iscritto il: 09/07/2012, 23:55
Re: Primo ampli valvolare (vox AC30)
non ho un secondo cavo di potenza per poter collegare il finale del vox...volendo se attivo lo stand by posso evitare di connettere il finale al carico?
Sul nodo E ho 327 mentre sul nodo D ho 337. inoltre quando misuro sul nodo D l'ampli scoppietta leggermente
Sul nodo E ho 327 mentre sul nodo D ho 337. inoltre quando misuro sul nodo D l'ampli scoppietta leggermente
- Kagliostro
- Amministratore

- Messaggi: 9950
- Iscritto il: 03/12/2007, 0:16
- Località: Prov. di Treviso
Re: Primo ampli valvolare (vox AC30)
O ti passi tutte le saldature dell'ampli o trovi il modo di verificare se è il pre o il finale ad avere il problema
per cui mi pare il caso che in qualche modo tu provi a vedere se è la parte pre o la parte finale quella dove c'è il problema
NON usare l'ampli senza carico, non è mai bene farlo
per collegare il send ad un altro ampli basta un cavo normale non serve un altro cavo di potenza
K
per cui mi pare il caso che in qualche modo tu provi a vedere se è la parte pre o la parte finale quella dove c'è il problema
NON usare l'ampli senza carico, non è mai bene farlo
per collegare il send ad un altro ampli basta un cavo normale non serve un altro cavo di potenza
K
-
tommymariotti
- Elettrone Impazzito

- Messaggi: 42
- Iscritto il: 09/07/2012, 23:55
Re: Primo ampli valvolare (vox AC30)
no no il secondo cavo di potenza mi serve per collegare il vox a cassa e una randall rm100 alla cassa purtroppo non ho un combo... cmq mi faccio prestare un cavo di potenza e provo.
posso dirti già che mettendo la chitarra nel return l'ampli non suona
posso dirti già che mettendo la chitarra nel return l'ampli non suona
- Kagliostro
- Amministratore

- Messaggi: 9950
- Iscritto il: 03/12/2007, 0:16
- Località: Prov. di Treviso
Re: Primo ampli valvolare (vox AC30)
Sono su di un altro PC, il mio è bloccato causa un virus, per cui non ho possibilità di restare conneso più di tanto
Se entri sul return il segnale della chitarra è troppo basso, dovresti metterci in mezzo un pedale (chitarra + pedale + ingresso return)
E se invece entri nel pre sul send il segnale è presente (chitarra + pre e sull'uscita send collegato un altro ampli) ?
A presto (SPERO)
K
Se entri sul return il segnale della chitarra è troppo basso, dovresti metterci in mezzo un pedale (chitarra + pedale + ingresso return)
E se invece entri nel pre sul send il segnale è presente (chitarra + pre e sull'uscita send collegato un altro ampli) ?
A presto (SPERO)
K
-
tommymariotti
- Elettrone Impazzito

- Messaggi: 42
- Iscritto il: 09/07/2012, 23:55
Re: Primo ampli valvolare (vox AC30)
scusate sono sotto con l'ultimo esame e ancora non sono riuscito a mettere le mani sul vox. appena posso vi aggiorno
-
tommymariotti
- Elettrone Impazzito

- Messaggi: 42
- Iscritto il: 09/07/2012, 23:55
Re: Primo ampli valvolare (vox AC30)
oggi ho avuto il tempo di fare la prova come mi avevate chiesto. ho collegato il pre del vox sul finale della mia randall rm100 e l'ampli suonava... il tono aveva poca influenza ma l'ampli suonava.
ho provato ad invertire le sezioni. ho usato il pre randall col finale vox e suonava pure quello con a differenza che quando pestavo sulla corda il finale dava un picco di volume alto e scorreggiante. inoltre attivando lo standby il suono continuava ad uscire ugualmente ma non c'erano questi picchi.. il suono era pulito.
le prove sono state fatte su una 2x12 con ogni finale collegato ad un cono diverso a 16 ohm
preso dal dubbio ho collegato solo il vox con l'uscita a 16 ohm e ho constatato che l'ampli suona ma scoreggia e quando pesto forte da un picco di volume e poi si abbassa subito quasi a scomparire per poi rialzarsi a volume normale... ho registrato una clip che vi allego. inoltre quando attivo l standby l'ampli smette di funzionare...
ho provato a usare l'uscita da 8 ohm e il vox era muto...
possibile che si sia rovinato il trasformatore d'uscita?
come mi muovo? che misure posso fare per testare il trafo?
ho provato ad invertire le sezioni. ho usato il pre randall col finale vox e suonava pure quello con a differenza che quando pestavo sulla corda il finale dava un picco di volume alto e scorreggiante. inoltre attivando lo standby il suono continuava ad uscire ugualmente ma non c'erano questi picchi.. il suono era pulito.
le prove sono state fatte su una 2x12 con ogni finale collegato ad un cono diverso a 16 ohm
preso dal dubbio ho collegato solo il vox con l'uscita a 16 ohm e ho constatato che l'ampli suona ma scoreggia e quando pesto forte da un picco di volume e poi si abbassa subito quasi a scomparire per poi rialzarsi a volume normale... ho registrato una clip che vi allego. inoltre quando attivo l standby l'ampli smette di funzionare...
ho provato a usare l'uscita da 8 ohm e il vox era muto...
possibile che si sia rovinato il trasformatore d'uscita?
come mi muovo? che misure posso fare per testare il trafo?
- Allegati
-
- Output 1-2.mp3
- (278.29 KiB) Scaricato 407 volte
-
tommymariotti
- Elettrone Impazzito

- Messaggi: 42
- Iscritto il: 09/07/2012, 23:55
Re: Primo ampli valvolare (vox AC30)
nessuno ha idea di come posso sistemare la questione?
