di nuovo 15W... obiettivo: farlo suonare!!!
- Kagliostro
- Amministratore

- Messaggi: 9930
- Iscritto il: 03/12/2007, 0:16
- Località: Prov. di Treviso
Re: di nuovo 15W... obiettivo: farlo suonare!!!
Non credo si tratti di un problema di Layout, con quello, al limite, avresti dei disturbi, non un ampli da cui non passa il segnale
condensatori di accoppiamento stadi OK ?
K
condensatori di accoppiamento stadi OK ?
K
Re: di nuovo 15W... obiettivo: farlo suonare!!!
Guarda, non so se un problema del genere possa essere dovuto dai condensatori di accoppiamento...
sn nuovi... orange drop 6ps
Cmq subito dopo ci sta il tonestack e provando a muovere i pot del tonestack compreso il volume il rumore cambia... quindi dovrebbe dunzionare almeno il disaccoppiamento dallo stadio successivo... e comunque sulla griglia ho 0V...
praticamente la prima mezza valvola assorbe 0mA!!!
Appena ho il tempo di costruire un audio probe comunque faccio la prova ma mi sa che il risultato sarà scontato...
poi ripeto la domanda di prima...
sulle griglie della PI mi ritrovo con un voltaggio... quello che passa dal tail attraverso le resistenze di leak credo...
è normale?!
sn nuovi... orange drop 6ps
Cmq subito dopo ci sta il tonestack e provando a muovere i pot del tonestack compreso il volume il rumore cambia... quindi dovrebbe dunzionare almeno il disaccoppiamento dallo stadio successivo... e comunque sulla griglia ho 0V...
praticamente la prima mezza valvola assorbe 0mA!!!
Appena ho il tempo di costruire un audio probe comunque faccio la prova ma mi sa che il risultato sarà scontato...
poi ripeto la domanda di prima...
sulle griglie della PI mi ritrovo con un voltaggio... quello che passa dal tail attraverso le resistenze di leak credo...
è normale?!
- Kagliostro
- Amministratore

- Messaggi: 9930
- Iscritto il: 03/12/2007, 0:16
- Località: Prov. di Treviso
Re: di nuovo 15W... obiettivo: farlo suonare!!!
Un po' di tensione ci stà che ci siasulle griglie della PI mi ritrovo con un voltaggio
---
non si da mai niente per scontatocondensatori di accoppiamento... sn nuovi... orange drop 6ps
K
Re: di nuovo 15W... obiettivo: farlo suonare!!!
sinceramente smontare tutti i condensatori di accoppiamento e testarli credo sia un lavoraccio...
cmq sulle altre valvole la tensione mi sembra ok... quanto meno nella norma
se non funzionano i cap di disaccoppiamento non dovrei semplicemente trovare tensione sulla griglia dello stadio successivo?!
cmq sulle altre valvole la tensione mi sembra ok... quanto meno nella norma
se non funzionano i cap di disaccoppiamento non dovrei semplicemente trovare tensione sulla griglia dello stadio successivo?!
- Kagliostro
- Amministratore

- Messaggi: 9930
- Iscritto il: 03/12/2007, 0:16
- Località: Prov. di Treviso
Re: di nuovo 15W... obiettivo: farlo suonare!!!
Beh, sì
K
cosa succede se bypassi il TS e mandi il segnale direttamente avanti fino al pot del volume ?
magari escludendo anche la parte del DEEP
K
Re: di nuovo 15W... obiettivo: farlo suonare!!!
bypassato il TS... il rumore sembra diverso...forse meno... ma il problema persiste...
il problema persiste....
ho testato la tensione prima e dopo tutti i condensatori di filtro e sono ok...
non so più che fare...
il problema persiste....
ho testato la tensione prima e dopo tutti i condensatori di filtro e sono ok...
non so più che fare...
Re: di nuovo 15W... obiettivo: farlo suonare!!!
allego una registrazione con il rumore emesso dal'ampli...(file da aprire con VLC)
mi chiedo, avendo fatto mille prove anche provato a ricablare separatamente V1a se la causa di tutto non possa essere un lamp limiter semplicemente troppo piccolo...
Domani farò la prova senza... speriamo bene...
mi chiedo, avendo fatto mille prove anche provato a ricablare separatamente V1a se la causa di tutto non possa essere un lamp limiter semplicemente troppo piccolo...
Domani farò la prova senza... speriamo bene...
- Kagliostro
- Amministratore

- Messaggi: 9930
- Iscritto il: 03/12/2007, 0:16
- Località: Prov. di Treviso
Re: di nuovo 15W... obiettivo: farlo suonare!!!
Sembrerebbe humm .........
la cosa strana è che non ti passa il suono ........
ma se giri da un'estremità all'altra il pot
il volume varia dal minimo ad un massimo compatibile con un ampli da 15W ?
K
la cosa strana è che non ti passa il suono ........
ma se giri da un'estremità all'altra il pot
il volume varia dal minimo ad un massimo compatibile con un ampli da 15W ?
K
Re: di nuovo 15W... obiettivo: farlo suonare!!!
Variando ogni pot del tonestack posso variare il rumore...
variando il pot del volume aumenta o diminuisce il rumore... ma a zero non sparisce...
variando il pot del volume aumenta o diminuisce il rumore... ma a zero non sparisce...
Re: di nuovo 15W... obiettivo: farlo suonare!!!
Toccando le griglie della PI il rumore sparisce ma il suono non passa cmq...
Re: di nuovo 15W... obiettivo: farlo suonare!!!
Ok... nuovo tentativo e aggiornamenti...
Tolto il lamp limiter il rumre di fondo quasi sparisce... e l'ampli suona ma ad un volume che è quasi pari a quello della chitarra(una solid body)
ho testato i voltaggi su tutte le valvole e sono quelli attesi... ma V1a ha ancora 0V al catodo e un centinaio di volt in più sul plate... e questo dovrebbe di per sè giustificare il volume ridicolo...
ho provato più valvole e non è cambiato niente... mandato la Rk direttamente a massa e non è cambiato niente... ora proverò a mandargli una resistenza da 100K direttamente dal filtro... ma considerando il layout non vedo perchè se funziona su v1b non dovrebbe funzionare su v1a... tentar non nuoce...
EDIT:
proprio non capisco... sono due resistenze ... una all'anodo e una al catodo e le ho testate entrambe...e un condensatore di disaccoppiamento testato anche quello...
c'è il socket... e il tester mi dice che conduce senza resistenza dalla board ai pin... perchè non passa corrente?!!?!?!?
(per ora sto lasciando solo il pot volume per semplificare la cosa...)
Tolto il lamp limiter il rumre di fondo quasi sparisce... e l'ampli suona ma ad un volume che è quasi pari a quello della chitarra(una solid body)
ho testato i voltaggi su tutte le valvole e sono quelli attesi... ma V1a ha ancora 0V al catodo e un centinaio di volt in più sul plate... e questo dovrebbe di per sè giustificare il volume ridicolo...
ho provato più valvole e non è cambiato niente... mandato la Rk direttamente a massa e non è cambiato niente... ora proverò a mandargli una resistenza da 100K direttamente dal filtro... ma considerando il layout non vedo perchè se funziona su v1b non dovrebbe funzionare su v1a... tentar non nuoce...
EDIT:
proprio non capisco... sono due resistenze ... una all'anodo e una al catodo e le ho testate entrambe...e un condensatore di disaccoppiamento testato anche quello...
c'è il socket... e il tester mi dice che conduce senza resistenza dalla board ai pin... perchè non passa corrente?!!?!?!?
(per ora sto lasciando solo il pot volume per semplificare la cosa...)
- Kagliostro
- Amministratore

- Messaggi: 9930
- Iscritto il: 03/12/2007, 0:16
- Località: Prov. di Treviso
Re: di nuovo 15W... obiettivo: farlo suonare!!!
Un problema al socket di V1 ??perchè non passa corrente?!!?!?!?
prova a ritensionarlo o sostituirlo
K
Re: di nuovo 15W... obiettivo: farlo suonare!!!
Socket controllato... c'era una saldatura a ponte...
l'ho guardata mille volte e non avevo visto nienteeeeeeeee!!!
Ora l'ampli suona ... un po' di ronza credo sia normale considerando i cablaggi un po' volanti... per ora...
avevo in mente sin dall'inizio di sperimentare una cosa... e giacchè ti chiedo consiglio...
se aumentassi la tensione su PI e pre?!
l'idea sarebbe dare più dinamica
sul finale mantenere cmq la tensione bassa per farci scorrere più corrente e farlo lavorare più in classe A...
avrebbe senso?!
Cmq grazie K... come al solito sei un punto di riferimento!!!
l'ho guardata mille volte e non avevo visto nienteeeeeeeee!!!
Ora l'ampli suona ... un po' di ronza credo sia normale considerando i cablaggi un po' volanti... per ora...
avevo in mente sin dall'inizio di sperimentare una cosa... e giacchè ti chiedo consiglio...
se aumentassi la tensione su PI e pre?!
l'idea sarebbe dare più dinamica
sul finale mantenere cmq la tensione bassa per farci scorrere più corrente e farlo lavorare più in classe A...
avrebbe senso?!
Cmq grazie K... come al solito sei un punto di riferimento!!!
- Kagliostro
- Amministratore

- Messaggi: 9930
- Iscritto il: 03/12/2007, 0:16
- Località: Prov. di Treviso
Re: di nuovo 15W... obiettivo: farlo suonare!!!
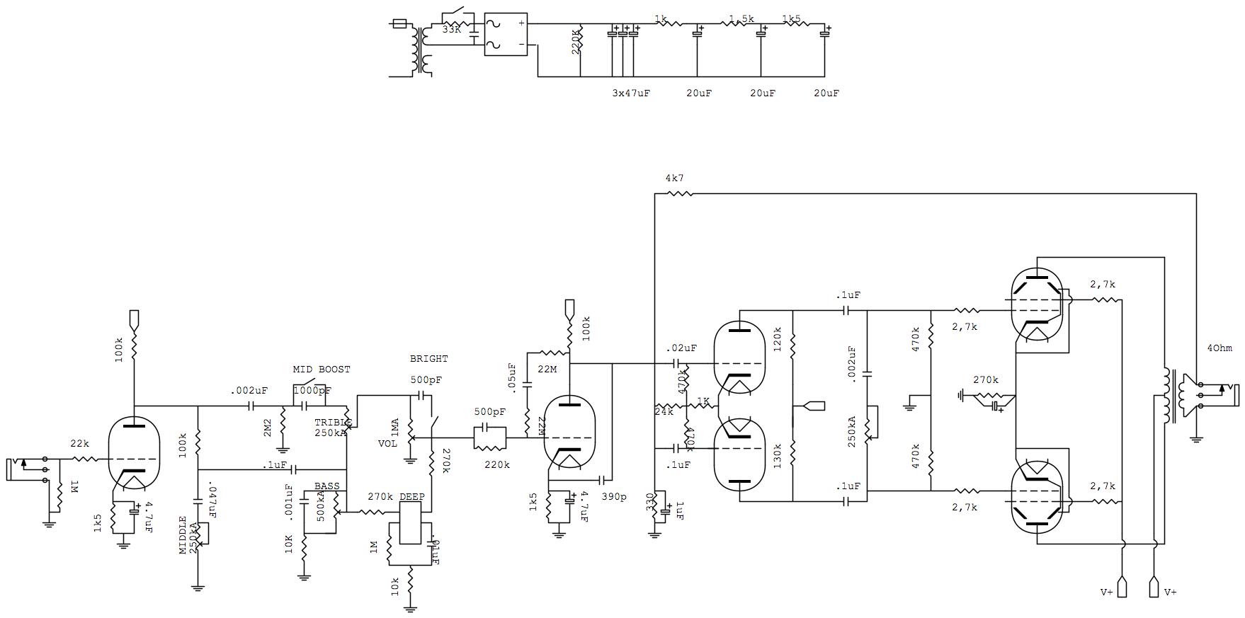
L'idea di alzare l'anodica del pre è percorribile, posta nuovamente lo schema con le varie tensioni che rilevi adesso ai vari pin di tutte le valvole e ai nodi dell'alimentazione, così vediamo cosa si può fare
Tieni presente che sotto un certo livello di anodica le finali hanno la tendenza ad andare in distorsione prima, pensa all'effetto che fa un VVR, certo questo effetto si ha quando si va sotto alla tensione per la quale si è calcolato il punto di lavoro della valvola
(ed io con le curve faccio sempre confusione)
Quindi anodica più alta maggior headroom, anodica più bassa minor headroom e si entra prima in distorsione
Ciao
K
Tieni presente che sotto un certo livello di anodica le finali hanno la tendenza ad andare in distorsione prima, pensa all'effetto che fa un VVR, certo questo effetto si ha quando si va sotto alla tensione per la quale si è calcolato il punto di lavoro della valvola
(ed io con le curve faccio sempre confusione)
Quindi anodica più alta maggior headroom, anodica più bassa minor headroom e si entra prima in distorsione
Ciao
K
Re: di nuovo 15W... obiettivo: farlo suonare!!!
Io con le curve di carico me la cavicchio...
Un tentativo di abbassare l'anodica lo farei..
Però io cerco un suono clean, ricco e dinamico e headroom...
Cmq i primi tentativi li ho appena fatti questa mattina... con soddisfazione e ti riporto uno schemino...
in ordine
1 ho aumentato l'anodica a pre e PI.. l'ampli risulta fermo ma il suono è molto più pulito e preciso... forse troppo duro...
2 decido di provare la PI che mi ero divertito a calcolare io in fase di progettazione e suona davvero bene (la resistenza da 24K in realtà l'avevo calcolata da 31K ma perchè consideravo un'anodica da 350V e quindi potevo lasciare più tensione al tail... l'ideale sarebbe stato 27K ma non la tenevo a portata di mano, domani la proverò)
Passo al finale
L'ampli è davvero molto brillante, delle stop grid potevano aiutare e infatti... lo hanno fatto...
Per ammorbidire il suono ho usato delle resistenze più grandi sullo screen grid...
il cap tra plate a catodo su V1b è invece stupendo... elimina distorsioni aumentando il clean... dovrebbe essere una specie di feedback negativo sulla stessa valvola...
Non sono pienamente soddisfatto...
1. soprattutto le stop grid hanno tolto qualcosa al suono... pensavo infatti di rimettere quelle da 1,5k e usare un enhance cap (alla tubenit sulla PI, per capirci)
2. farò un tentativo con nuovi valori sul negative feedback
3.le 2,7K sullo screen grid sono forse troppo grandi... proverò una via di mezzo...
Un tentativo di abbassare l'anodica lo farei..
Però io cerco un suono clean, ricco e dinamico e headroom...
Cmq i primi tentativi li ho appena fatti questa mattina... con soddisfazione e ti riporto uno schemino...
in ordine
1 ho aumentato l'anodica a pre e PI.. l'ampli risulta fermo ma il suono è molto più pulito e preciso... forse troppo duro...
2 decido di provare la PI che mi ero divertito a calcolare io in fase di progettazione e suona davvero bene (la resistenza da 24K in realtà l'avevo calcolata da 31K ma perchè consideravo un'anodica da 350V e quindi potevo lasciare più tensione al tail... l'ideale sarebbe stato 27K ma non la tenevo a portata di mano, domani la proverò)
Passo al finale
L'ampli è davvero molto brillante, delle stop grid potevano aiutare e infatti... lo hanno fatto...
Per ammorbidire il suono ho usato delle resistenze più grandi sullo screen grid...
il cap tra plate a catodo su V1b è invece stupendo... elimina distorsioni aumentando il clean... dovrebbe essere una specie di feedback negativo sulla stessa valvola...
Non sono pienamente soddisfatto...
1. soprattutto le stop grid hanno tolto qualcosa al suono... pensavo infatti di rimettere quelle da 1,5k e usare un enhance cap (alla tubenit sulla PI, per capirci)
2. farò un tentativo con nuovi valori sul negative feedback
3.le 2,7K sullo screen grid sono forse troppo grandi... proverò una via di mezzo...
Ultima modifica di bill89 il 01/12/2013, 14:05, modificato 1 volta in totale.

