1959T SuperTremolo (o quasi)
- stefano915
- Diyer Esperto

- Messaggi: 389
- Iscritto il: 20/06/2012, 21:50
- Località: Roma
Re: 1959T SuperTremolo (o quasi)
è spettacolare !!!!
Re: 1959T SuperTremolo (o quasi)
amici cari....
allora il lavoro procede, prossimamente foto sull'ampli completamente cablato in attesa dei soli componenti passivi...
volevo condividere con voi un ragionamento:
Visto che la supertremolo ha una pre in più rispetto alla classica 1959 (ma ne usa solo metà), mi rimane un bel triodo da utilizzare per uno stadio di guadagno in più da inserire tra V1 e V2 tanto per avere un boost in più (comandato a pedale magari.... ma questa è la prossima puntata)
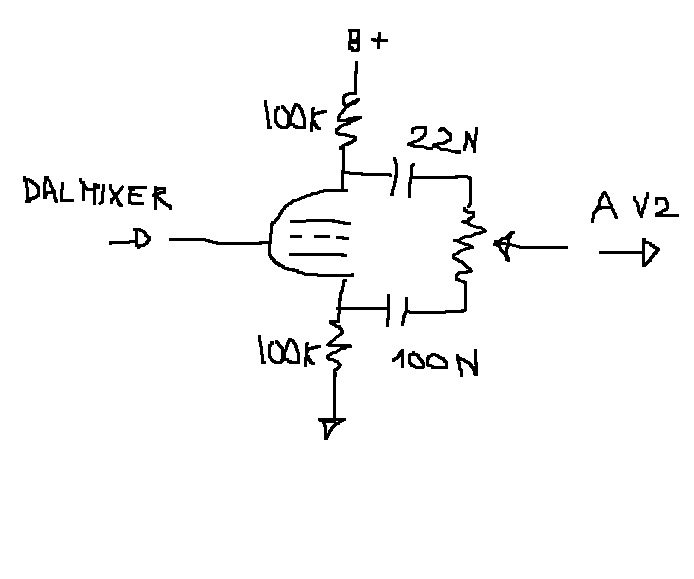
vi posto uno schemino di un idea che mi è venuta al volo....
faccio notare che il pot è una sorta di dry/wet tra il segnale con guadagno e il segnale "bufferato"
Ciao e sparate pure a zero... è solo una base su cui lavorare anche i valori dei componenti stanno li tanto per...
allora il lavoro procede, prossimamente foto sull'ampli completamente cablato in attesa dei soli componenti passivi...
volevo condividere con voi un ragionamento:
Visto che la supertremolo ha una pre in più rispetto alla classica 1959 (ma ne usa solo metà), mi rimane un bel triodo da utilizzare per uno stadio di guadagno in più da inserire tra V1 e V2 tanto per avere un boost in più (comandato a pedale magari.... ma questa è la prossima puntata)
vi posto uno schemino di un idea che mi è venuta al volo....
faccio notare che il pot è una sorta di dry/wet tra il segnale con guadagno e il segnale "bufferato"
Ciao e sparate pure a zero... è solo una base su cui lavorare anche i valori dei componenti stanno li tanto per...
- Kagliostro
- Amministratore

- Messaggi: 9958
- Iscritto il: 03/12/2007, 0:16
- Località: Prov. di Treviso
Re: 1959T SuperTremolo (o quasi)
Ciao Meritil
il tuo approccio un po' mi ricorda questo circuito di Merlin
non è che facendo come dici ti ritrovi sulla placca il segnale con una fase
e sul catodo lo stesso segnale con la fase rovesciata ?
Collegando a massa il cursore del pot, otterresti un controllo di tono
K
il tuo approccio un po' mi ricorda questo circuito di Merlin
non è che facendo come dici ti ritrovi sulla placca il segnale con una fase
e sul catodo lo stesso segnale con la fase rovesciata ?
Collegando a massa il cursore del pot, otterresti un controllo di tono
K
Re: 1959T SuperTremolo (o quasi)
Ciao Kaglio...
in effetti non sono sicuro che funzioni bene... vorrei metterlo in piedi e provarlo....
Chi è Merlin?
in realtà una cosa simile la trovi in tutti i preamp Garnet come controllo toni appunto....

in effetti non sono sicuro che funzioni bene... vorrei metterlo in piedi e provarlo....
Chi è Merlin?
in realtà una cosa simile la trovi in tutti i preamp Garnet come controllo toni appunto....
- Kagliostro
- Amministratore

- Messaggi: 9958
- Iscritto il: 03/12/2007, 0:16
- Località: Prov. di Treviso
Re: 1959T SuperTremolo (o quasi)
Mah, è un tizio inglese ....
niente a che vedere con la famosa .............. senatrice
---
Niente è meglio del provare
K
niente a che vedere con la famosa .............. senatrice
---
Niente è meglio del provare
K
Re: 1959T SuperTremolo (o quasi)
il lavoro procede a rilento ma procede...
qualche suggerimento per il triodo in più?

qualche suggerimento per il triodo in più?
- Kagliostro
- Amministratore

- Messaggi: 9958
- Iscritto il: 03/12/2007, 0:16
- Località: Prov. di Treviso
Re: 1959T SuperTremolo (o quasi)
Bel lavoro, molto accurato
Triodo in più ...
vedo di dare un'occhiata allo schema e se mi viene in mente qualcosa te lo dico
K
Post Accorpato
Un OD switchabile ?
Oppure paralleli il triodo in più ad uno dei triodi di V1 e gli passi il segnale in ingresso con un pot da usare come controllo FAT
tipo così
K
Triodo in più ...
K
Post Accorpato
Un OD switchabile ?
Oppure paralleli il triodo in più ad uno dei triodi di V1 e gli passi il segnale in ingresso con un pot da usare come controllo FAT
tipo così
K
Re: 1959T SuperTremolo (o quasi)
Complimenti!!
cosa hai deciso di fare con i 12V??
potresti postare lo schema che stai seguendo?
devo ancora finire il mio primo ampli (manca molto poco) e sto già guardando altri progetti...
cosa hai deciso di fare con i 12V??
potresti postare lo schema che stai seguendo?
devo ancora finire il mio primo ampli (manca molto poco) e sto già guardando altri progetti...
Re: 1959T SuperTremolo (o quasi)
ottimo suggerimento kaglio.. come vedi dalle foto ho lasciato la presa bassa del normal vuota per un eventuale pot o footswitch
@tony: i 12v non so davvero che farci per il momento li ho avvolti su loro stessi e imbragati con delle fascette.. all'occorrenza è un attimo
lo schema sto seguendo il classico 1959T con alcuni accorgimenti: primi due filtri piu grossi 100uf anziche 50uf, circuitino del bias sdoppiato, forse mv ppiv, qualche accorgimento del caso che decideró a orecchio tipo brigth cap etc.. e poi questo benedetto triodo in piu qualcosa insieme a kaglio ci inventiamo... stay tuned

@tony: i 12v non so davvero che farci per il momento li ho avvolti su loro stessi e imbragati con delle fascette.. all'occorrenza è un attimo
lo schema sto seguendo il classico 1959T con alcuni accorgimenti: primi due filtri piu grossi 100uf anziche 50uf, circuitino del bias sdoppiato, forse mv ppiv, qualche accorgimento del caso che decideró a orecchio tipo brigth cap etc.. e poi questo benedetto triodo in piu qualcosa insieme a kaglio ci inventiamo... stay tuned
Re: 1959T SuperTremolo (o quasi)
Questo me lo segno!!!!kagliostro ha scritto:Oppure paralleli il triodo in più ad uno dei triodi di V1 e gli passi il segnale in ingresso con un pot da usare come controllo FAT
Re: 1959T SuperTremolo (o quasi)
hai già valutato l'idea di sfruttare il 12 V per costruire un "pedale effetto" incorporato nell'ampli, tipo un FUZZ, un delay o simili??
quando avrai tempo potresti postare lo schema definitivo con le modifiche che hai apportato per capire quali sono stati i vantaggi che hai ottenuto.
quando avrai tempo potresti postare lo schema definitivo con le modifiche che hai apportato per capire quali sono stati i vantaggi che hai ottenuto.
Re: 1959T SuperTremolo (o quasi)
assolutamente sitonys89 ha scritto:hai già valutato l'idea di sfruttare il 12 V per costruire un "pedale effetto" incorporato nell'ampli, tipo un FUZZ, un delay o simili??
quando avrai tempo potresti postare lo schema definitivo con le modifiche che hai apportato per capire quali sono stati i vantaggi che hai ottenuto.
ps: per i 12v più che un effetto, potrei alimentarci un bel loop effetti...
