Nuovo ampli da vecchi trasformatori Geloso
Re: Nuovo ampli da vecchi trasformatori Geloso
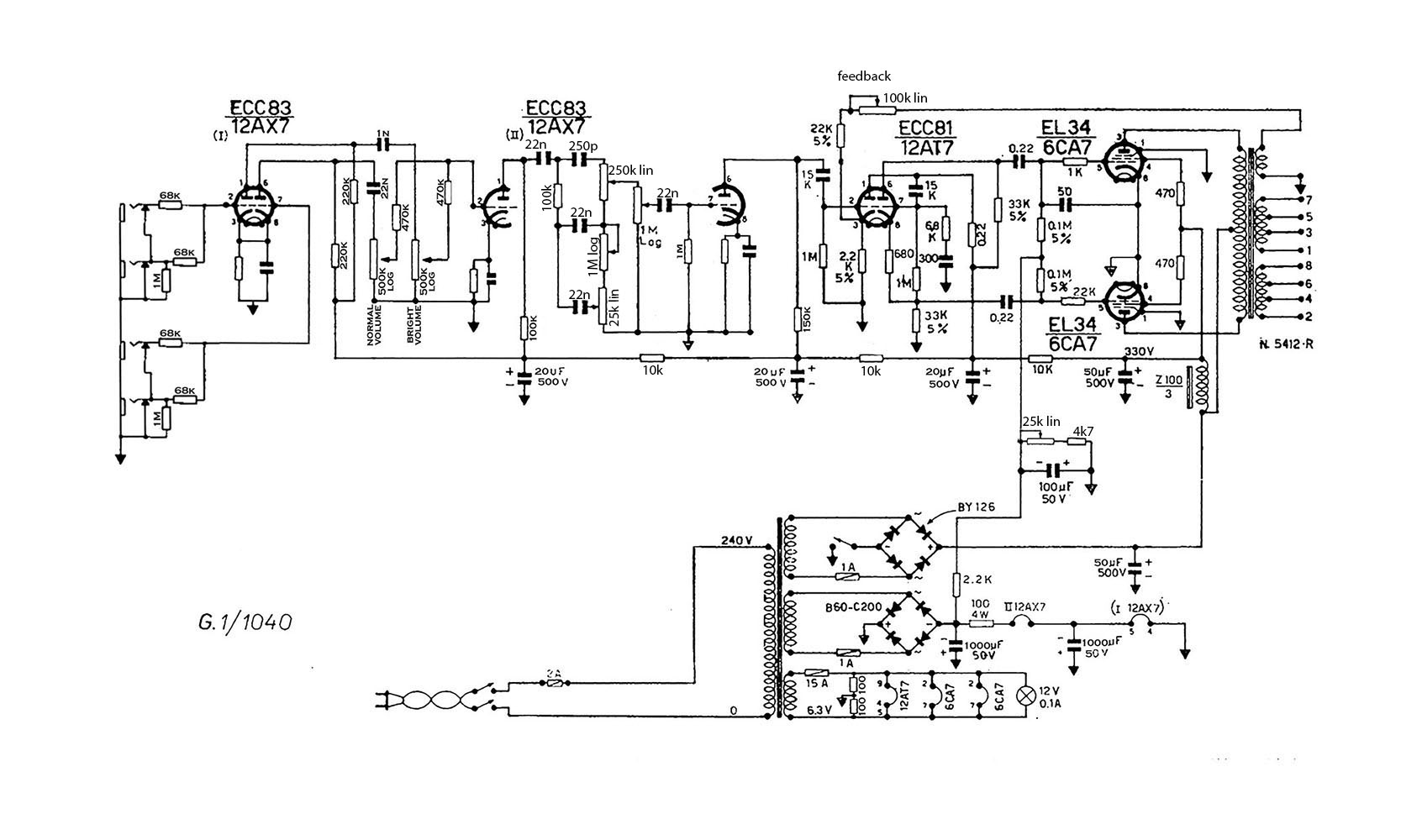
posto lo schema con tutte le modifiche discusse su alimentazione, pi e finale.
riguardo la polarizzazione di v2 como posso agire? 1k/1u ?
per quanto riguarda il circuito di gain tra v1 e v2 meglio pot da 500k o 1M?
nel circuito del tone stack originale erano presenti un condensatore in ingresso e uno in uscite del tone stack, come da schema, li metto da 22n o meglio rimuoverli (o lasciare solo un 22n dopo il master volume)?
riguardo la polarizzazione di v2 como posso agire? 1k/1u ?
per quanto riguarda il circuito di gain tra v1 e v2 meglio pot da 500k o 1M?
nel circuito del tone stack originale erano presenti un condensatore in ingresso e uno in uscite del tone stack, come da schema, li metto da 22n o meglio rimuoverli (o lasciare solo un 22n dopo il master volume)?
- Tubemaniac
- Elettrone Impazzito

- Messaggi: 42
- Iscritto il: 04/03/2015, 0:20
- Località: Schio-Vi
Re: Nuovo ampli da vecchi trasformatori Geloso
Ciao io toglierei il cond. da 22n dopo il master volume (inutile). Per la polarizz,. vai a prove e a gusti io proverei anche senza bypass se non hai bisogno di molto guadagno anche perche' il suono di solito lo fa soprattutto la polarizzazione di v1. Ok per i pot da 500k mentre le grid stopper da 470k sono "pesantine" prova a ridurle per guadagnare alte fequenze.
Occhio alla tensione anodica, se e' sotto ai 350 V dovrai "tirare" un po' il bias per avere una buona potenza in uscita. Sul mio Geloso ho giocato sporco perche' avendo piu' primari sul TA l'ho collegato a 200VAC guadagnando un 15% di anodica.
Se tutto va bene domani porto a casa un G 1040 come il tuo!! Buon divertimento

Occhio alla tensione anodica, se e' sotto ai 350 V dovrai "tirare" un po' il bias per avere una buona potenza in uscita. Sul mio Geloso ho giocato sporco perche' avendo piu' primari sul TA l'ho collegato a 200VAC guadagnando un 15% di anodica.
Se tutto va bene domani porto a casa un G 1040 come il tuo!! Buon divertimento
Re: Nuovo ampli da vecchi trasformatori Geloso
Ho come la sensazione che sia un Geloso che si trova dalle parti di Bassano
Dico giusto?
Dico giusto?
Re: Nuovo ampli da vecchi trasformatori Geloso
hai già qualche idea su come lo modificherai??Tubemaniac ha scritto:Se tutto va bene domani porto a casa un G 1040 come il tuo!! Buon divertimento![]()
- Tubemaniac
- Elettrone Impazzito

- Messaggi: 42
- Iscritto il: 04/03/2015, 0:20
- Località: Schio-Vi
Re: Nuovo ampli da vecchi trasformatori Geloso
Gia', come e' piccolo il mondo.....sono andato a prenderlo...ed ho fatto bene! E' praticamente come nuovo, domani dopo i dovuti controlli/sostituzioni lo accendo. Mi sa' pero' che sia un peccato modificarlo, l'altro a confronto era un vero rottame. Probabilmente me lo terro' nella collezione. Per la cronaca sarebbe diventato un Bassman mettendo le 6L6. Ciaopasqua86 ha scritto:Ho come la sensazione che sia un Geloso che si trova dalle parti di Bassano![]()
Dico giusto?
Re: Nuovo ampli da vecchi trasformatori Geloso
A dire la verità ci avevo fatto anche io un pensierino, poi ho detto: perima devo finire tutti I lavori a metà
Comunque per il prezzo ne valeva la pena... bravo!!
Comunque per il prezzo ne valeva la pena... bravo!!
Re: Nuovo ampli da vecchi trasformatori Geloso
Che modifiche andrebbero fatte ad uno schema bassman con 6L6 per adattarlo ai trasformatori del 1040 ?Tubemaniac ha scritto:Per la cronaca sarebbe diventato un Bassman mettendo le 6L6.
Avendo più di 100v in meno a disposizione quanto si può avvicinare il suono ad un bassman originale?
La mia idea iniziale era di replicare qualche ampli, e il bassman/jtm 45 era in cima alla lista, ma le grandi differenze tra i trasformatori e l'incertezza del risultato mi hanno fatto cambiare idea.
Adesso penso ad un ampli pulito e trasparente, per quanto possibile, dato che alla fine è un ampli "hi-fi", magari mi riesce più facile ottenere questo concetto di suono.
Dovrebbero comportarsi molto bene anche i pedali in un ampli di questa concezione, utilizzando lo schema che sto modificando, o sbaglio?
- Kagliostro
- Amministratore

- Messaggi: 9958
- Iscritto il: 03/12/2007, 0:16
- Località: Prov. di Treviso
Re: Nuovo ampli da vecchi trasformatori Geloso
Per adattare dalle el503 alle el36 un G1/1110 John Chambers ha aggiunto un piccolo trasformatore la cui tensione secondaria è stata messa in serie con l'anodica originale per arrivare ad avere un'anodica di livello adeguato alle nuove valvole, nulla vieta che tu faccia altrettanto usando un qualsiasi trasformatore da 60-70v (con almeno 400-500mA di corrente) per arrivare all'anodica che ti serve
Se poi non trovi un piccolo trasformatore con caratteristiche adeguate ne puoi arrangiare uno con tensione inferiore con un duplicatore o quadruplicatore (in questo caso serve che la corrente disponibile sia x2 o x4 quella che ti serve)
Una volta ottenuta la tensione continua aggiuntiva dal nuovo trasformatore, la puoi mettere in serie alla tensione continua data dal trasformatore originale ed ottenere l'anodica che ti serve
Potendo scegliere tra l'usare un duplicatore o un quadruplicatore (magari hai due diversi trasfo a disposizione), ti conviene preferire quello che usa il duplicatore rispetto il quadruplicatore
La presenza di un duplicatore o quadruplicatore, in questo caso, non sarebbe del tutto deleteria (i moltiplicatori di tensione hanno un po' la tendenza a calare di tensione sotto sforzo) in quanto avresti, in un ampli raddrizzato SS l'emulazione di una rettifica a valvole con un po' di SAG, questo fatto si minimizza usando condensatori di adeguata capacità ed un duplicatore ad onda completa
Per quanto riguarda l'assorbimento dei filamenti le 6L6 assorbono 0.9A ciascuna, mentre le EL34 1.5A ciascuna, di conseguenza non ci sono problemi da questo punto di vista
Per il bias, se la tensione negativa disponibile non dovesse essere sufficiente (come penso), si può risolvere o con un piccolo trasformatore aggiuntivo (in questo caso da raddrizzare e gestire separatamente dal precedente circuito del bias) o tramite il prelievo di anodica ad una delle estremità dell'avvolgimento dell'anodica, usando il collaudato sistema Marshall del collegamento tramite condensatore
K
Se poi non trovi un piccolo trasformatore con caratteristiche adeguate ne puoi arrangiare uno con tensione inferiore con un duplicatore o quadruplicatore (in questo caso serve che la corrente disponibile sia x2 o x4 quella che ti serve)
Una volta ottenuta la tensione continua aggiuntiva dal nuovo trasformatore, la puoi mettere in serie alla tensione continua data dal trasformatore originale ed ottenere l'anodica che ti serve
Potendo scegliere tra l'usare un duplicatore o un quadruplicatore (magari hai due diversi trasfo a disposizione), ti conviene preferire quello che usa il duplicatore rispetto il quadruplicatore
La presenza di un duplicatore o quadruplicatore, in questo caso, non sarebbe del tutto deleteria (i moltiplicatori di tensione hanno un po' la tendenza a calare di tensione sotto sforzo) in quanto avresti, in un ampli raddrizzato SS l'emulazione di una rettifica a valvole con un po' di SAG, questo fatto si minimizza usando condensatori di adeguata capacità ed un duplicatore ad onda completa
Per quanto riguarda l'assorbimento dei filamenti le 6L6 assorbono 0.9A ciascuna, mentre le EL34 1.5A ciascuna, di conseguenza non ci sono problemi da questo punto di vista
Per il bias, se la tensione negativa disponibile non dovesse essere sufficiente (come penso), si può risolvere o con un piccolo trasformatore aggiuntivo (in questo caso da raddrizzare e gestire separatamente dal precedente circuito del bias) o tramite il prelievo di anodica ad una delle estremità dell'avvolgimento dell'anodica, usando il collaudato sistema Marshall del collegamento tramite condensatore
K
-
MapleMarco
- Roger Mayer Jr.

- Messaggi: 2658
- Iscritto il: 02/06/2012, 14:22
- Località: Mirano (VE)
Re: Nuovo ampli da vecchi trasformatori Geloso
mi vien voglia di un gelosino ora.... 
CHE DIO B'ASSISTA!
- Tubemaniac
- Elettrone Impazzito

- Messaggi: 42
- Iscritto il: 04/03/2015, 0:20
- Località: Schio-Vi
Re: Nuovo ampli da vecchi trasformatori Geloso
Kagliostro ha gia' detto tutto...
Aggiungo che il bias e' attorno ai -37V max quindi con un duplicatore a diodi prima del ponte arriviamo a max -70 che sono perfetti. Per il trasfo in serie al secondario di anodica e' una soluzione che ho gia' sperimentato e funziona perfettamente purche' sia in fase (ovvio ma neanche tanto...non ne avevo tenuto conto). Qui pero' eviterei duplicatori ma andrei con un buon secondario 30+30 o 36+36 valori facili da trovare nei vecchi ampli hifi, ne basta anche uno piccolino da 50W. Il TU invece e' gia' perfetto cosi' e vedrai che ti sorprendera' per il suono.. 
- Kagliostro
- Amministratore

- Messaggi: 9958
- Iscritto il: 03/12/2007, 0:16
- Località: Prov. di Treviso
Re: Nuovo ampli da vecchi trasformatori Geloso
In ogni caso si può evitare di dover controllare che i due trasformatori siano in fase, basta raddrizzare ognuno con un ponte e mettere i due ponti in serie
K
K
Re: Nuovo ampli da vecchi trasformatori Geloso
Credo proprio che ci siano troppe modifiche da fare per poter cambiare tipo di valvole e far suonare bene l'ampli
meglio rimanere con l'ampli di base
Ripeto, tenendo lo schema originale di pi e finale ( con modifiche al circuito di feedback e al bias) e aumentando la tensione di v1 e v2 (oltre alle modifiche all'input e all'eq) riuscirei ad avere un ampli pulito (e magari trasparente) tenendo conto del tipo di utilizzo originale per cui è stato concepito l'ampli?
meglio rimanere con l'ampli di base
Ripeto, tenendo lo schema originale di pi e finale ( con modifiche al circuito di feedback e al bias) e aumentando la tensione di v1 e v2 (oltre alle modifiche all'input e all'eq) riuscirei ad avere un ampli pulito (e magari trasparente) tenendo conto del tipo di utilizzo originale per cui è stato concepito l'ampli?
- Kagliostro
- Amministratore

- Messaggi: 9958
- Iscritto il: 03/12/2007, 0:16
- Località: Prov. di Treviso
Re: Nuovo ampli da vecchi trasformatori Geloso
Lavorare sulla base che già c'è ti dovrebbe dare il risultato che ti aspetti
K
K
Re: Nuovo ampli da vecchi trasformatori Geloso
Perfetto, ormai l'ideale sarebbe avere un amplificatore pulito e trasparente che regge molto bene i pedali, infatti un mio pallino è costruirmi un Hiwatt Custom
Ora, sotto questo punto di vista, tra le varie modifiche provate, avevo utilizzato un'impostazione simil hiwatt con 1k5/100uF di bypass e 220k all'anodo, con cap di uscita da 1n e 22n rispettivamete in bright e normal ponticellato, e mi era piaciuto.
E' interessante anche l'input plexy linkato da kagliostro: rispetto al simil hiwatt, oltre in due canali completamente diversi, che differenze ci sono? Più gain con le res all'anodo da 100k?
Per v2? Lascio 100k e 150k? Come polarizzo? un boost a tutte le frequenze?
Ora, sotto questo punto di vista, tra le varie modifiche provate, avevo utilizzato un'impostazione simil hiwatt con 1k5/100uF di bypass e 220k all'anodo, con cap di uscita da 1n e 22n rispettivamete in bright e normal ponticellato, e mi era piaciuto.
E' interessante anche l'input plexy linkato da kagliostro: rispetto al simil hiwatt, oltre in due canali completamente diversi, che differenze ci sono? Più gain con le res all'anodo da 100k?
Per v2? Lascio 100k e 150k? Come polarizzo? un boost a tutte le frequenze?
- Tubemaniac
- Elettrone Impazzito

- Messaggi: 42
- Iscritto il: 04/03/2015, 0:20
- Località: Schio-Vi
Re: Nuovo ampli da vecchi trasformatori Geloso
Con 100k di anodo hai meno gain che con 220k. Quindi se vuoi un ampli pulito anodi tutti da 100k e catodi su v2 non bypassati, comunque sono sicuro che con i due volumi in ingresso al max arriverai ad un crunch da plexi.
Ho acceso il mio, ho dovuto sostituire le finali perche' una era alla frutta...fortuna che ne avevo altre due d'annata. Su oscilloscopio 50Vpp su 8 OHM quindi 40watt giusti come da specifica, occhio che il bias era caldino (25 watt a cranio=100%
) ho ridotto la res 2k2 a 1k2 , bias a -28 e ora dissipa 20w per valvola a riposo. Bel suono, lo tengo cosi' 
Ho acceso il mio, ho dovuto sostituire le finali perche' una era alla frutta...fortuna che ne avevo altre due d'annata. Su oscilloscopio 50Vpp su 8 OHM quindi 40watt giusti come da specifica, occhio che il bias era caldino (25 watt a cranio=100%
