Mark III Clone
- Kagliostro
- Amministratore

- Messaggi: 9958
- Iscritto il: 03/12/2007, 0:16
- Località: Prov. di Treviso
Re: Mark III Clone
L'effetto dei diodi è di tagliar via tutto il segnale che non supera una soglia di circa 600mV (il valore esatto dipende dal tipo di diodi)
per questo servono ad eliminare il sottofondo, semplicemente sotto un certo valore di segnale non passa nulla
Il cap da 15000 lo usava la Vox, ma non ho motivi per ritenere che uno da 2.200uF non facia il suo lavoro
Ah, vicinissimo (1cm) all'LM vanno messi i piccoli cap antioscillazione, li avevi messi ?
K
per questo servono ad eliminare il sottofondo, semplicemente sotto un certo valore di segnale non passa nulla
Il cap da 15000 lo usava la Vox, ma non ho motivi per ritenere che uno da 2.200uF non facia il suo lavoro
Ah, vicinissimo (1cm) all'LM vanno messi i piccoli cap antioscillazione, li avevi messi ?
K
-
MapleMarco
- Roger Mayer Jr.

- Messaggi: 2658
- Iscritto il: 02/06/2012, 14:22
- Località: Mirano (VE)
Re: Mark III Clone
sisi, ma ora sto lavorando senza LM, direttamente con una res di caduta da 1ohm...
devo dire che senza diodi e senza nulla il ronzio ora è qualcosa di passabile...
ma io sono molto pignolo e per me è già troppo anche questo....
non so se sono i diodi cotti o altro, ma effettivamente abbassano il gain di un bel pò!!!
devo dire che senza diodi e senza nulla il ronzio ora è qualcosa di passabile...
ma io sono molto pignolo e per me è già troppo anche questo....
non so se sono i diodi cotti o altro, ma effettivamente abbassano il gain di un bel pò!!!
CHE DIO B'ASSISTA!
- Kagliostro
- Amministratore

- Messaggi: 9958
- Iscritto il: 03/12/2007, 0:16
- Località: Prov. di Treviso
Re: Mark III Clone
OK, allora bisogna spostare le prove su altro ....
ma, a memoria tua, prima andava meglio ?
K
ma, a memoria tua, prima andava meglio ?
K
Re: Mark III Clone
Alla fine come sei messo a grounding?
Puoi postare una foto? son curioso...
Puoi postare una foto? son curioso...
-
MapleMarco
- Roger Mayer Jr.

- Messaggi: 2658
- Iscritto il: 02/06/2012, 14:22
- Località: Mirano (VE)
Re: Mark III Clone
non ho la macchinetta a casa purtroppo >.<
comunque il grounding è preamp a cascata e poi dalla massa della PI allo SG,
finali, alimentazione, eq, bias e filamenti ognuno col suo l'occhiello sullo SG..
ho messo solo quel "filtro di massa" per la PCB del preamp...
Ho cambiato i due diodi sul segnale perchè quelli che toglievano gain erano cotti...
ora però non riesco davvero a capire se con i diodi in controfase al segnale il ronzio diminuisce o no....indice che ce n'è già poco probabilmente
Ora devo ammettere che è pignoleria mia e basta...il ronzio c'è si, ma solo col master sopra la metà
Altro piccolo dettaglio...con i filamenti giusti il lead ha una dinamica allucinante
molto più di quanto fossi mai riuscito ad ottenere da questo circuito....(non l'avevo mai realizzato con i Wima prima d'ora...è l'unica variabile!!)
comunque il grounding è preamp a cascata e poi dalla massa della PI allo SG,
finali, alimentazione, eq, bias e filamenti ognuno col suo l'occhiello sullo SG..
ho messo solo quel "filtro di massa" per la PCB del preamp...
Ho cambiato i due diodi sul segnale perchè quelli che toglievano gain erano cotti...
ora però non riesco davvero a capire se con i diodi in controfase al segnale il ronzio diminuisce o no....indice che ce n'è già poco probabilmente
Ora devo ammettere che è pignoleria mia e basta...il ronzio c'è si, ma solo col master sopra la metà
Altro piccolo dettaglio...con i filamenti giusti il lead ha una dinamica allucinante
molto più di quanto fossi mai riuscito ad ottenere da questo circuito....(non l'avevo mai realizzato con i Wima prima d'ora...è l'unica variabile!!)
CHE DIO B'ASSISTA!
-
MapleMarco
- Roger Mayer Jr.

- Messaggi: 2658
- Iscritto il: 02/06/2012, 14:22
- Località: Mirano (VE)
Re: Mark III Clone
Ok, ci siamo.
ho tolto anche il filtro a massa.
Mi sono accorto che il brusio era sparito sistemando i filamenti, e il brusietto fastidioso che avevo ora era indotto dal modem ADSL (ad un metro dalla testa)
ho rimesso comunque i due diodi sul segnale con in parallelo una resistenza da 22k.
non altera il gain, non altera il segnale...in sostanza non cambia nulla, non diminuisce nemmeno i ronzii dell amp, ma ho notato che assorbe bene le interferenze che vengono da fuori (il modem appunto)
quindi, siccome sono ininfluenti nel suono, tanto vale tenerli!
Ok, si può mettere un punto a questa faccenda finalmente!
P.S. per la cronaca, tutti e 4 i 7812 che avevo da provare, anche solo con i relai (meno di 100mA di assorbimento) non stabilizzano un bel nulla....quindi forse il problema l'aveva centrato scherzando Clostry......partita di stabilizzatori difettati!!
ho tolto anche il filtro a massa.
Mi sono accorto che il brusio era sparito sistemando i filamenti, e il brusietto fastidioso che avevo ora era indotto dal modem ADSL (ad un metro dalla testa)
ho rimesso comunque i due diodi sul segnale con in parallelo una resistenza da 22k.
non altera il gain, non altera il segnale...in sostanza non cambia nulla, non diminuisce nemmeno i ronzii dell amp, ma ho notato che assorbe bene le interferenze che vengono da fuori (il modem appunto)
quindi, siccome sono ininfluenti nel suono, tanto vale tenerli!
Ok, si può mettere un punto a questa faccenda finalmente!
P.S. per la cronaca, tutti e 4 i 7812 che avevo da provare, anche solo con i relai (meno di 100mA di assorbimento) non stabilizzano un bel nulla....quindi forse il problema l'aveva centrato scherzando Clostry......partita di stabilizzatori difettati!!
CHE DIO B'ASSISTA!
Re: Mark III Clone
Ottimo lavoro 
- Kagliostro
- Amministratore

- Messaggi: 9958
- Iscritto il: 03/12/2007, 0:16
- Località: Prov. di Treviso
Re: Mark III Clone
Bene, tieni il paziente sotto osservazione per 24 ore e poi facci sapere se puoi sciogliere la prognosi
K
K
-
MapleMarco
- Roger Mayer Jr.

- Messaggi: 2658
- Iscritto il: 02/06/2012, 14:22
- Località: Mirano (VE)
Re: Mark III Clone
dati i precedenti di quest'affare....è la metafora più azzeccatakagliostro ha scritto:Bene, tieni il paziente sotto osservazione per 24 ore e poi facci sapere se puoi sciogliere la prognosi![]()
K
CHE DIO B'ASSISTA!
- Kagliostro
- Amministratore

- Messaggi: 9958
- Iscritto il: 03/12/2007, 0:16
- Località: Prov. di Treviso
Re: Mark III Clone
Però hai visto che l'influsso benefico del Baron Samedì si è fatto sentire


K
p.s.: Per i regolatori ..... c'è in giro roba tarocca specie sulla baya


K
p.s.: Per i regolatori ..... c'è in giro roba tarocca specie sulla baya
-
MapleMarco
- Roger Mayer Jr.

- Messaggi: 2658
- Iscritto il: 02/06/2012, 14:22
- Località: Mirano (VE)
Re: Mark III Clone
due effettivamente erano di ebay, uno di banzai e uno del negozio di elettronica vicino casa....
quest'ultimo usato solo per stabilizzare i relay (e non anche i filamenti) addirittura introduceva ronzio nella massa....roba da pazzi.
Dobbiamo invocarlo più spesso quel tipo
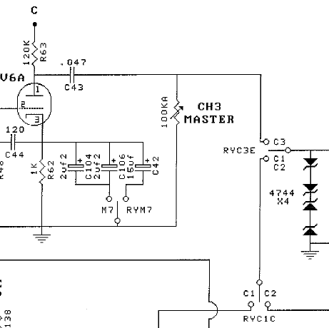
P.S. a proposito di diodi e di mark....non so se messi così abbiano lo stesso effetto...ma nella Mark V ci sono in ben 4 punti diversi!!!
quest'ultimo usato solo per stabilizzare i relay (e non anche i filamenti) addirittura introduceva ronzio nella massa....roba da pazzi.
Dobbiamo invocarlo più spesso quel tipo
P.S. a proposito di diodi e di mark....non so se messi così abbiano lo stesso effetto...ma nella Mark V ci sono in ben 4 punti diversi!!!
CHE DIO B'ASSISTA!
Re: Mark III Clone
Che circuito hai usato per testarli? 4 su 4... Mi sembra strano... Capisco componenti farlocchi, ma visto che erano di tre fornitori diversi, non è che c'era o c'è un errore di fondo che magari te li fioppola tutti?
Non ė che come diceva Vicus l'avere il cap a monte troppo piccolo te gli ha cotti tutti?
C"
Non ė che come diceva Vicus l'avere il cap a monte troppo piccolo te gli ha cotti tutti?
C"
- Kagliostro
- Amministratore

- Messaggi: 9958
- Iscritto il: 03/12/2007, 0:16
- Località: Prov. di Treviso
Re: Mark III Clone
Ciao Da Ros
Non conosco a memoria le Mark, ma potrebbe anche trattarsi di diodi messi lì come compressori (se non sbaglio) Robi diverso tempo fa aveva postato un qualcosa di interessante a riguardo, se non mi confondo
K
Non conosco a memoria le Mark, ma potrebbe anche trattarsi di diodi messi lì come compressori (se non sbaglio) Robi diverso tempo fa aveva postato un qualcosa di interessante a riguardo, se non mi confondo
K
-
MapleMarco
- Roger Mayer Jr.

- Messaggi: 2658
- Iscritto il: 02/06/2012, 14:22
- Località: Mirano (VE)
Re: Mark III Clone
Per i soli relay, il circuito è più che sufficiente e collaudato....e tutti e 4 li ho provati anche solo per quelliDa Ros ha scritto:Che circuito hai usato per testarli? 4 su 4... Mi sembra strano... Capisco componenti farlocchi, ma visto che erano di tre fornitori diversi, non è che c'era o c'è un errore di fondo che magari te li fioppola tutti?
Non ė che come diceva Vicus l'avere il cap a monte troppo piccolo te gli ha cotti tutti?
![]()
C"
(volevo infatti avere almeno i relay stabilizzati)
nessuno stabilizzava a 12, tutti calavano brutalmente appena iniziava l'assorbimento....senza tener conto di quello comprato al negozio che addirittura buttava su fischi nella massa!!!
a quanto pare ho avuto tanta tanta TANTA sfiga....
CHE DIO B'ASSISTA!
Re: Mark III Clone
Ciao Kkagliostro ha scritto:Ciao Da Ros![]()
K
Beh allora per la prox volta, magari una sciacquata in acqua santa prima di collegarli, magari aiuta
C"
