di nuovo 15W... obiettivo: farlo suonare!!!
- Kagliostro
- Amministratore

- Messaggi: 9955
- Iscritto il: 03/12/2007, 0:16
- Località: Prov. di Treviso
Re: di nuovo 15W... obiettivo: farlo suonare!!!
Per i fili corti verso le valvole le soluzioni sono 2
o allunghi provvisoriamente i fili (isolandoli alla giunzione) o stacchi i socket dallo chassis
---
Non puoi farti saldare l'alluminio sul telaio in acciaio, l'alluminio non si salda con l'acciaio, sono materiali diversi e servirebbero tecniche particolari e poi rovineresti la vernice
Se vuoi mantenerti lo chassis per ricostruire l'Ibanez è un conto
(ed allora si giustifica lo chassis nuovo)
altrimenti io metterei il foglio di alluminio rivettato (da 20/10 se puoi)
Lo so, è una cosa drastica da fare, ma non so in che altro modo cercare di consigliarti per riuscire a far andare l'ampli
---
Se rifai la board pubblica il layout prima di passare alla fase pratica, così possiamo darci un'occhiata tutti e magari qualcuno può suggerirti qualcosa
---
per controllare che la tua board non sia di materiale conduttivo basta usare il tester settato per misurare resistenze di valore alto e poggiare i puntali su due punti diversi, più o meno vicini
lo so, potrà sembrare una prova assurda, ma sulle vecchie board fender (in cartone pressato) succedeva che con l'umidità la board diventasse conduttiva il che dava dei problemi di funzionamento e visto che hai usato del materiale non specifico meglio controllare (anche se sono sicuro al 100% che con la formica si può fare, non vorrei che fosse come il caso del mio amico che si è ritrovato con della gomma conduttiva)
K
o allunghi provvisoriamente i fili (isolandoli alla giunzione) o stacchi i socket dallo chassis
---
Non puoi farti saldare l'alluminio sul telaio in acciaio, l'alluminio non si salda con l'acciaio, sono materiali diversi e servirebbero tecniche particolari e poi rovineresti la vernice
Se vuoi mantenerti lo chassis per ricostruire l'Ibanez è un conto
(ed allora si giustifica lo chassis nuovo)
altrimenti io metterei il foglio di alluminio rivettato (da 20/10 se puoi)
Lo so, è una cosa drastica da fare, ma non so in che altro modo cercare di consigliarti per riuscire a far andare l'ampli
---
Se rifai la board pubblica il layout prima di passare alla fase pratica, così possiamo darci un'occhiata tutti e magari qualcuno può suggerirti qualcosa
---
per controllare che la tua board non sia di materiale conduttivo basta usare il tester settato per misurare resistenze di valore alto e poggiare i puntali su due punti diversi, più o meno vicini
lo so, potrà sembrare una prova assurda, ma sulle vecchie board fender (in cartone pressato) succedeva che con l'umidità la board diventasse conduttiva il che dava dei problemi di funzionamento e visto che hai usato del materiale non specifico meglio controllare (anche se sono sicuro al 100% che con la formica si può fare, non vorrei che fosse come il caso del mio amico che si è ritrovato con della gomma conduttiva)
K
Re: di nuovo 15W... obiettivo: farlo suonare!!!
Test fatto... la formica non è conduttiva...
Per la serie "giacchè devo fare perchè non strafare?!" ...
Se utilizzassi uno chassis stile HiFi... di quelli belli con i bordini in legno ...
https://www.google.it/search?q=diy+chas ... B500%3B375
Una lastra di acciaio su 4 fasce di legno... possibilmente pregiato
gli schermi interni potrebbero essere fissati al legno laterale e poi mandati alla massa comune....
in tal modo potremmo scegliere dimensioni ampie a piacimento... che ne pensi?!?!Sarebbe fattibile?!
Per la serie "giacchè devo fare perchè non strafare?!" ...
Se utilizzassi uno chassis stile HiFi... di quelli belli con i bordini in legno ...
https://www.google.it/search?q=diy+chas ... B500%3B375
Una lastra di acciaio su 4 fasce di legno... possibilmente pregiato
gli schermi interni potrebbero essere fissati al legno laterale e poi mandati alla massa comune....
in tal modo potremmo scegliere dimensioni ampie a piacimento... che ne pensi?!?!Sarebbe fattibile?!
- Kagliostro
- Amministratore

- Messaggi: 9955
- Iscritto il: 03/12/2007, 0:16
- Località: Prov. di Treviso
Re: di nuovo 15W... obiettivo: farlo suonare!!!
Ti prego, no
Vabbeh, tutti i gusti sono gusti e se ti piacerebbe così, perchè no ...........
perchè secondo me ti complicheresti la vita
all'interno delle paretine in legno ci vorrebbero delle lamine metalliche con funzione di schermo e collegate alla piastra superiore elettricamente e poi, con lo spessore dei laterali in legno come li monti i pot gli switch e le prese jack ?
Per me ti complica le cose
piuttosto, se vuoi farti uno chassis ex novo e della misura che vuoi (ma dopo devi farti anche il cabinet) in modo semplice, ti procuri una piastra di alluminio da 2mm di spessore e del profilato a C, sempre di alluminio, che usi come frontale e retro rivettandolo sulla piastra, i laterali o liberi o in legno o, con un po' di pazienza, in alluminio
diverso tempo fa devo anche aver postato qualcosa sull'argomento
K
Vabbeh, tutti i gusti sono gusti e se ti piacerebbe così, perchè no ...........
perchè secondo me ti complicheresti la vita
all'interno delle paretine in legno ci vorrebbero delle lamine metalliche con funzione di schermo e collegate alla piastra superiore elettricamente e poi, con lo spessore dei laterali in legno come li monti i pot gli switch e le prese jack ?
Per me ti complica le cose
piuttosto, se vuoi farti uno chassis ex novo e della misura che vuoi (ma dopo devi farti anche il cabinet) in modo semplice, ti procuri una piastra di alluminio da 2mm di spessore e del profilato a C, sempre di alluminio, che usi come frontale e retro rivettandolo sulla piastra, i laterali o liberi o in legno o, con un po' di pazienza, in alluminio
diverso tempo fa devo anche aver postato qualcosa sull'argomento
K
Re: di nuovo 15W... obiettivo: farlo suonare!!!
Ho appena finito di leggere la discussione a cui facevi riferimento...
la soluzione della lastra e dei rivetti sarebbe la più fattibile!
Sinceramente a me piacciono gli chassis in legno... magari non sono molto chitarristici... ma son belli ... hai ragione son gusti...
Cmq ho visto che la hammond produce modelli così, ma senza schermare le parti laterali...
Alla fine potrei anche comprarne uno tutto bello e pronto... solo da forare!
comunque sia ho deciso di cambiare questo chassis... e se necessario rifare anche il cabinet...
Intanto mi sarebbe utile, per riflettere un'attimo, sapere le dimensioni che mi potrebbero servire...
immagino più grande di quello che già ho...
----
inizio a pensare alla disposizione dei componenti e dei fori nel nuovo chassis...
la soluzione della lastra e dei rivetti sarebbe la più fattibile!
Sinceramente a me piacciono gli chassis in legno... magari non sono molto chitarristici... ma son belli ... hai ragione son gusti...
Cmq ho visto che la hammond produce modelli così, ma senza schermare le parti laterali...
Alla fine potrei anche comprarne uno tutto bello e pronto... solo da forare!
comunque sia ho deciso di cambiare questo chassis... e se necessario rifare anche il cabinet...
Intanto mi sarebbe utile, per riflettere un'attimo, sapere le dimensioni che mi potrebbero servire...
immagino più grande di quello che già ho...
----
inizio a pensare alla disposizione dei componenti e dei fori nel nuovo chassis...
Re: di nuovo 15W... obiettivo: farlo suonare!!!
Mi sono informato presso il mio fabbro...
non c'è problema a fare lo chassis delle dimensioni dell'originale ibanez... quindi potrei riutilizzare il cabinet...
Mi ha chiesto 40euro per farlo in acciaio da 2 mm, un po' meno di 30 per farlo in alluminio da 2mm e meno di 20 per farlo in ferro zingato da 2mm... Volendo penso si possa fare anche più sottile il mio chassis è da 1mm...o 2 mm vanno bene?
Pensavo di farlo in alluminio.
Considerando i prezzi che ho visto su tubetown credo che mi convenga farlo fare da lui se ci aggiungi anche la spedizione e che potrei riutilizzare il cabinet perchè fatto su misura...
non c'è problema a fare lo chassis delle dimensioni dell'originale ibanez... quindi potrei riutilizzare il cabinet...
Mi ha chiesto 40euro per farlo in acciaio da 2 mm, un po' meno di 30 per farlo in alluminio da 2mm e meno di 20 per farlo in ferro zingato da 2mm... Volendo penso si possa fare anche più sottile il mio chassis è da 1mm...o 2 mm vanno bene?
Pensavo di farlo in alluminio.
Considerando i prezzi che ho visto su tubetown credo che mi convenga farlo fare da lui se ci aggiungi anche la spedizione e che potrei riutilizzare il cabinet perchè fatto su misura...
- Kagliostro
- Amministratore

- Messaggi: 9955
- Iscritto il: 03/12/2007, 0:16
- Località: Prov. di Treviso
Re: di nuovo 15W... obiettivo: farlo suonare!!!
Mah, se vuoi restare nelle dimensioni dell'Ibanez tanto varrebbe fare solo il piano superiore in alluminio allo chassis che già hai
Prenderei in considerazione uno chassis completamente nuovo solo se tu dovessi farlo fare più grande (nel qual caso però dovresti rifare anche il cabinet)
Se vuoi riutilizzare il cabinet dell'Ibanez fatti fare il solo piano in alluminio da rivettare sullo chassis originale
---
Dei materiali proposti scarterei quello in acciaio (che acciaio, inox aisi 304 o 316 ?) e terrei in considerazione l'alluminio perchè più facile da lavorare (se devi farci tu i buchi), buono anche il ferro zincato da 2mm, ma riserverei uno chassis nuovo al prossimo progetto
Ciao
K
Prenderei in considerazione uno chassis completamente nuovo solo se tu dovessi farlo fare più grande (nel qual caso però dovresti rifare anche il cabinet)
Se vuoi riutilizzare il cabinet dell'Ibanez fatti fare il solo piano in alluminio da rivettare sullo chassis originale
---
Dei materiali proposti scarterei quello in acciaio (che acciaio, inox aisi 304 o 316 ?) e terrei in considerazione l'alluminio perchè più facile da lavorare (se devi farci tu i buchi), buono anche il ferro zincato da 2mm, ma riserverei uno chassis nuovo al prossimo progetto
Ciao
K
Re: di nuovo 15W... obiettivo: farlo suonare!!!
Vorrei togliermi dai piedi lo chassis dell'ibanez perchè per le varie modifiche e cose varie è stato martoriato... ha molti più fori di quelli che mi servono... la vernice è rovinata... per coprire i buchi davanti che non uso dovrei montarci un pannellino anche sul davanti...
In più ha dei sostegni saldati sullo chassis in punti veramente scomodi... domani allegherò una foto...
Io non ho problemi a rifare anche il cabinet! sono disposto a farlo purchè questo ampli finalmente suoni...
In fase di prototipo aveva un suono da paura ... lo cercavo veramente da tanto!
Sono disposto a spenderci anche qualcosa in più sia come soldi che come tempo...
Però potreste consigliarmi le misure?! Sarebbe la prima volta che ho a che fare con un nuovo chassis...
Ho letto anche sul forum qualcosa riguardo ai materiali... ma ho letto anche questo...
http://www.elektro.it/AAA_campi_magneti ... ci_03.html
E non vorrei che addirittura fosse meglio il ferro... che mi pare comunque sia piuttosto facile da lavorare...
In più ha dei sostegni saldati sullo chassis in punti veramente scomodi... domani allegherò una foto...
Io non ho problemi a rifare anche il cabinet! sono disposto a farlo purchè questo ampli finalmente suoni...
In fase di prototipo aveva un suono da paura ... lo cercavo veramente da tanto!
Sono disposto a spenderci anche qualcosa in più sia come soldi che come tempo...
Però potreste consigliarmi le misure?! Sarebbe la prima volta che ho a che fare con un nuovo chassis...
Ho letto anche sul forum qualcosa riguardo ai materiali... ma ho letto anche questo...
http://www.elektro.it/AAA_campi_magneti ... ci_03.html
E non vorrei che addirittura fosse meglio il ferro... che mi pare comunque sia piuttosto facile da lavorare...
- Kagliostro
- Amministratore

- Messaggi: 9955
- Iscritto il: 03/12/2007, 0:16
- Località: Prov. di Treviso
Re: di nuovo 15W... obiettivo: farlo suonare!!!
il fabbro come ti consegna l'eventuale nuovo chassis
solo piegato o anche con i necessari fori ?
se solo piegato, io sceglierei l'alluminio
se piegato e forato ferro o alluminio
per le dimensioni esagera, meglio largo che striminzito
tu usi in tutto 4 valvole, 2 pre e due finali
lo chassis originale a vederlo mi sembra che come dimensioni fronte/retro possa anche andare
più che altro sarebbe da aggiungere spazio nel senso della lunghezza
che dimensioni ha lo chassis dell'Ibanez ?
Comunque, prendi un pezzo di cartone ci appoggi iL TA ed il TU, gli zoccoli delle valvole
e la/le board, metti i pot e ti fai un'idea di come tutto il materiale potrebbe starsene
"comodo", deciso quello che vuoi fare disegni un rettangolo delle dimensioni necessarie
e da quello sviluppi il resto
Certo avere prima la/le board un po' potrebbe aiutare a decidere le dimensioni di ingombro sullo chassis
EDIT: Come al solito dimentico qualcosa
ecco un link con le misure di molti chassis, dacci un'occhiata per aiutarti nella scelta
http://www.webervst.com/chassis/
questo invece è l'elenco delle corrispondenze dei nomi dei kit Weber con i relativi ampli commerciali di cui sono cloni o da cui sono derivati
K
solo piegato o anche con i necessari fori ?
se solo piegato, io sceglierei l'alluminio
se piegato e forato ferro o alluminio
per le dimensioni esagera, meglio largo che striminzito
tu usi in tutto 4 valvole, 2 pre e due finali
lo chassis originale a vederlo mi sembra che come dimensioni fronte/retro possa anche andare
più che altro sarebbe da aggiungere spazio nel senso della lunghezza
che dimensioni ha lo chassis dell'Ibanez ?
Comunque, prendi un pezzo di cartone ci appoggi iL TA ed il TU, gli zoccoli delle valvole
e la/le board, metti i pot e ti fai un'idea di come tutto il materiale potrebbe starsene
"comodo", deciso quello che vuoi fare disegni un rettangolo delle dimensioni necessarie
e da quello sviluppi il resto
Certo avere prima la/le board un po' potrebbe aiutare a decidere le dimensioni di ingombro sullo chassis
EDIT: Come al solito dimentico qualcosa
ecco un link con le misure di molti chassis, dacci un'occhiata per aiutarti nella scelta
http://www.webervst.com/chassis/
questo invece è l'elenco delle corrispondenze dei nomi dei kit Weber con i relativi ampli commerciali di cui sono cloni o da cui sono derivati
Sapendo il modello di amp sai quante valvole monta e senza aprire tutti i file puoi aprire solo i file di quei kit che usano lo stesso numero di valvole e quindi necessitano all'incirca dello stesso spazio6 - 60's designs, generally meaning the tubes stand up rather than hang, with the exception being the 60's Fender amps.
M - Marshall
V - Vox
S - Sunn
O - Orange
A - Fender AB763 common reverb/vibrato circuit
All other letters used are Fender circuit type designators
18, 36, 50, 100, etc. power
6M18VIB model 1974 amp
6M18TMB modified 1974
6M36/6M50 higher power versions of the 6M18TMB
6M45 JTM45 (59 bassman copy)
6M45P 50 watt Plexi
6M100 1959 100 watt
Heather SLO100
Halle ODS
Natalie November
Java T-wreck Express
60100 100 watt Orange OA120
6S100 100 watt Sunn 100S
6H50 50 watt HiWatt DR504
6H100 100 watt HiWatt DR103
807 100 watt varation on a Standell 25L15
807JP 25 watt 25L15
1484 Silvertone 1484
6420 Supro 1x15, 40 watt
AB200 Ampeg 200-300 watt Bass Amp
K
Re: di nuovo 15W... obiettivo: farlo suonare!!!
Lo chassis sarebbe non forato... quindi alluminio...
Lo chassis dell'ibanez è in ferro da 1mm ed è 33cmX18cmX5,5cm...
Io posso fare una stima delle dimensioni della board...
Sarà circa 6cmX30 cm volendo fare l'alimentazione sulla stessa board dell'amp, il tonestack sui pot e il finale cablato sui socket e la modifica di gezaar direttamente sullo switch(unico problema sarebbero i condensatori per bypassare i catodi delle finali che messi volanti sono un po' grandini...)
Domani controllo meglio...
Volendo fare due board separate per mettere l'alimentazione direttamente sui trafo dovrei un po' vedere...
Qui qualche ampli con 4 valvole
http://www.dv247.it/assets/products/61545_l.jpg
http://megatonemusic.com/index.php?main ... cts_id=792
http://www.mercurymagnetics.com/pages/c ... nge-TT.htm
quelli con 4 valvole nel'amplificazione, notavo, spesso hanno la rettificatrice... il traynorha una valvola in più per switchare la potenza...L'ultimo layout mi piace anche se le valvole di pre sono troppo vicine al trafo di uscita...
Lo chassis dell'ibanez è in ferro da 1mm ed è 33cmX18cmX5,5cm...
Io posso fare una stima delle dimensioni della board...
Sarà circa 6cmX30 cm volendo fare l'alimentazione sulla stessa board dell'amp, il tonestack sui pot e il finale cablato sui socket e la modifica di gezaar direttamente sullo switch(unico problema sarebbero i condensatori per bypassare i catodi delle finali che messi volanti sono un po' grandini...)
Domani controllo meglio...
Volendo fare due board separate per mettere l'alimentazione direttamente sui trafo dovrei un po' vedere...
Qui qualche ampli con 4 valvole
http://www.dv247.it/assets/products/61545_l.jpg
http://megatonemusic.com/index.php?main ... cts_id=792
http://www.mercurymagnetics.com/pages/c ... nge-TT.htm
quelli con 4 valvole nel'amplificazione, notavo, spesso hanno la rettificatrice... il traynorha una valvola in più per switchare la potenza...L'ultimo layout mi piace anche se le valvole di pre sono troppo vicine al trafo di uscita...
- Kagliostro
- Amministratore

- Messaggi: 9955
- Iscritto il: 03/12/2007, 0:16
- Località: Prov. di Treviso
Re: di nuovo 15W... obiettivo: farlo suonare!!!
Per i montaggi attorno alle finali ti puoi aiutare con delle tag board


lo chassis lo potresti arrangiare più o meno così
http://home.comcast.net/~seluckey/amps/ ... chless.htm
http://home.comcast.net/~seluckey/amps/ ... vember.htm
Gli elettrolitici possono essere degli assiali montati sotto o, se preferisci dei radiali
montati in quel modo
oppure, come si diceva, una board dedicata, in stile Dumble
http://i260.photobucket.com/albums/ii9/ ... aster9.jpg
però io ci monterei solo il primo cap di filtro ed il resto vicino ai singoli stadi
K


lo chassis lo potresti arrangiare più o meno così
http://home.comcast.net/~seluckey/amps/ ... chless.htm
http://home.comcast.net/~seluckey/amps/ ... vember.htm
Gli elettrolitici possono essere degli assiali montati sotto o, se preferisci dei radiali
montati in quel modo
oppure, come si diceva, una board dedicata, in stile Dumble
http://i260.photobucket.com/albums/ii9/ ... aster9.jpg
però io ci monterei solo il primo cap di filtro ed il resto vicino ai singoli stadi
K
Re: di nuovo 15W... obiettivo: farlo suonare!!!
Ok, mi do da fare per fare la prova con i componenti su un cartone...
Solo notavo che il trafo di alimentazione che ho io non ha il montaggio in quel modo...è il "lato lungo" che si avvita allo chassis...quindi le spire sono orizzontali e non verticali...
Le tag board è la terza volta che le ordino da banzai... ed è la terza volta che non me ne manda perchè non ce ne ha!
Dove posso trovarle?!
Solo notavo che il trafo di alimentazione che ho io non ha il montaggio in quel modo...è il "lato lungo" che si avvita allo chassis...quindi le spire sono orizzontali e non verticali...
Le tag board è la terza volta che le ordino da banzai... ed è la terza volta che non me ne manda perchè non ce ne ha!
Dove posso trovarle?!
Re: di nuovo 15W... obiettivo: farlo suonare!!!
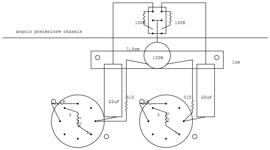
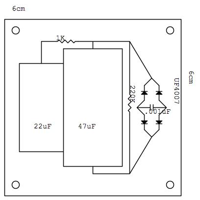
Questo potrebbe essere un layout più ragionato della main board in scala... con le dimensioni della board
l'abbinamento delle lettere segna i collegamenti di anodica
con il numero uno specifico il collegamento del segnale...
questa la board di alimentazione con relative misure... nel layout dello chassis potrebbe essere inserita proprio in corrispondenza del trasformatore date le ridotte dimensioni...
questo il finale con la tag board... anche qui con dimensioni...
-----
Adesso farò la prova su cartone per vedere quali dimensioni per il mio chassis... tenendo presente le varie board i trafo e gli zoccoli delle valvole...
l'abbinamento delle lettere segna i collegamenti di anodica
con il numero uno specifico il collegamento del segnale...
questa la board di alimentazione con relative misure... nel layout dello chassis potrebbe essere inserita proprio in corrispondenza del trasformatore date le ridotte dimensioni...
questo il finale con la tag board... anche qui con dimensioni...
-----
Adesso farò la prova su cartone per vedere quali dimensioni per il mio chassis... tenendo presente le varie board i trafo e gli zoccoli delle valvole...
- Kagliostro
- Amministratore

- Messaggi: 9955
- Iscritto il: 03/12/2007, 0:16
- Località: Prov. di Treviso
Re: di nuovo 15W... obiettivo: farlo suonare!!!
Da Tube Town trovi le Tag Strips, solo che loro le chiamano Terminal, ne hanno di vario tipo, questo è solo un esempio
https://www.tube-town.net/ttstore/produ ... -lugs.html
---
Per il TA, se posti una foto sono più sicuro ...........
il montaggio che intendi è forse quello con un foro quadrato sul top dello chassis ?
tipo questo ?
http://home.comcast.net/~seluckey/amps/hammond/h02.jpg
K
https://www.tube-town.net/ttstore/produ ... -lugs.html
---
Per il TA, se posti una foto sono più sicuro ...........
il montaggio che intendi è forse quello con un foro quadrato sul top dello chassis ?
tipo questo ?
http://home.comcast.net/~seluckey/amps/hammond/h02.jpg
K
Re: di nuovo 15W... obiettivo: farlo suonare!!!
Ecco un potesi di layout completo...
Lo chassis potrebbe quindi essere un 20cmX40cm
-----
Questi i trafo...
7,5 cm X6,5cm dimensioni del OT
8,5 cm X9,5cm dimensioni del PT
Lo chassis potrebbe quindi essere un 20cmX40cm
-----
Questi i trafo...
7,5 cm X6,5cm dimensioni del OT
8,5 cm X9,5cm dimensioni del PT
- Kagliostro
- Amministratore

- Messaggi: 9955
- Iscritto il: 03/12/2007, 0:16
- Località: Prov. di Treviso
Re: di nuovo 15W... obiettivo: farlo suonare!!!
Le foto le hai fatte anche bene, ma non si capisce ancora il discorso del montaggio dei trasfo
il TA da un lato ha una End Bell, ma dall'altro ?
non capisco come se ne stavano montati sul TSA15H .....
per accorciare i fili con l'alternata che vanno in giro, la board del PS non potrebbe stare più sotto al TA ?
Perchè c'è quella basetta con un cap in alto a sinistra, non mi piace molto, non c'era una collocazione migliore ?
stessa cosa per i tubi, se ottimizzi un po' il circuito sotto alla finali, tutte le valvole non potrebbero starsene in linea ?
Nel disegnare la board hai tenuto conto di disporre i componenti in modo di avere i fili di collegamento con le valvole il più corti possibile ?
Detto questo 20 x 40 non è poi molto, forse potresti azzardare un po' meno di 20, ma va bene anche così
K
il TA da un lato ha una End Bell, ma dall'altro ?
non capisco come se ne stavano montati sul TSA15H .....
per accorciare i fili con l'alternata che vanno in giro, la board del PS non potrebbe stare più sotto al TA ?
Perchè c'è quella basetta con un cap in alto a sinistra, non mi piace molto, non c'era una collocazione migliore ?
stessa cosa per i tubi, se ottimizzi un po' il circuito sotto alla finali, tutte le valvole non potrebbero starsene in linea ?
Nel disegnare la board hai tenuto conto di disporre i componenti in modo di avere i fili di collegamento con le valvole il più corti possibile ?
Detto questo 20 x 40 non è poi molto, forse potresti azzardare un po' meno di 20, ma va bene anche così
K

