costruzione nuovo amplificatore
Re: costruzione nuovo amplificatore
In effetti uni schema alla fender, con Vdc e Vac sarebbe utile!
Metterei in ingresso un po' meno della metà del segnale della prima volta. Magari sia a 80 sia a 400Hz. Se possibile anche la il segnale necessario in ingresso per saturare il finale.
Metterei in ingresso un po' meno della metà del segnale della prima volta. Magari sia a 80 sia a 400Hz. Se possibile anche la il segnale necessario in ingresso per saturare il finale.
Re: costruzione nuovo amplificatore
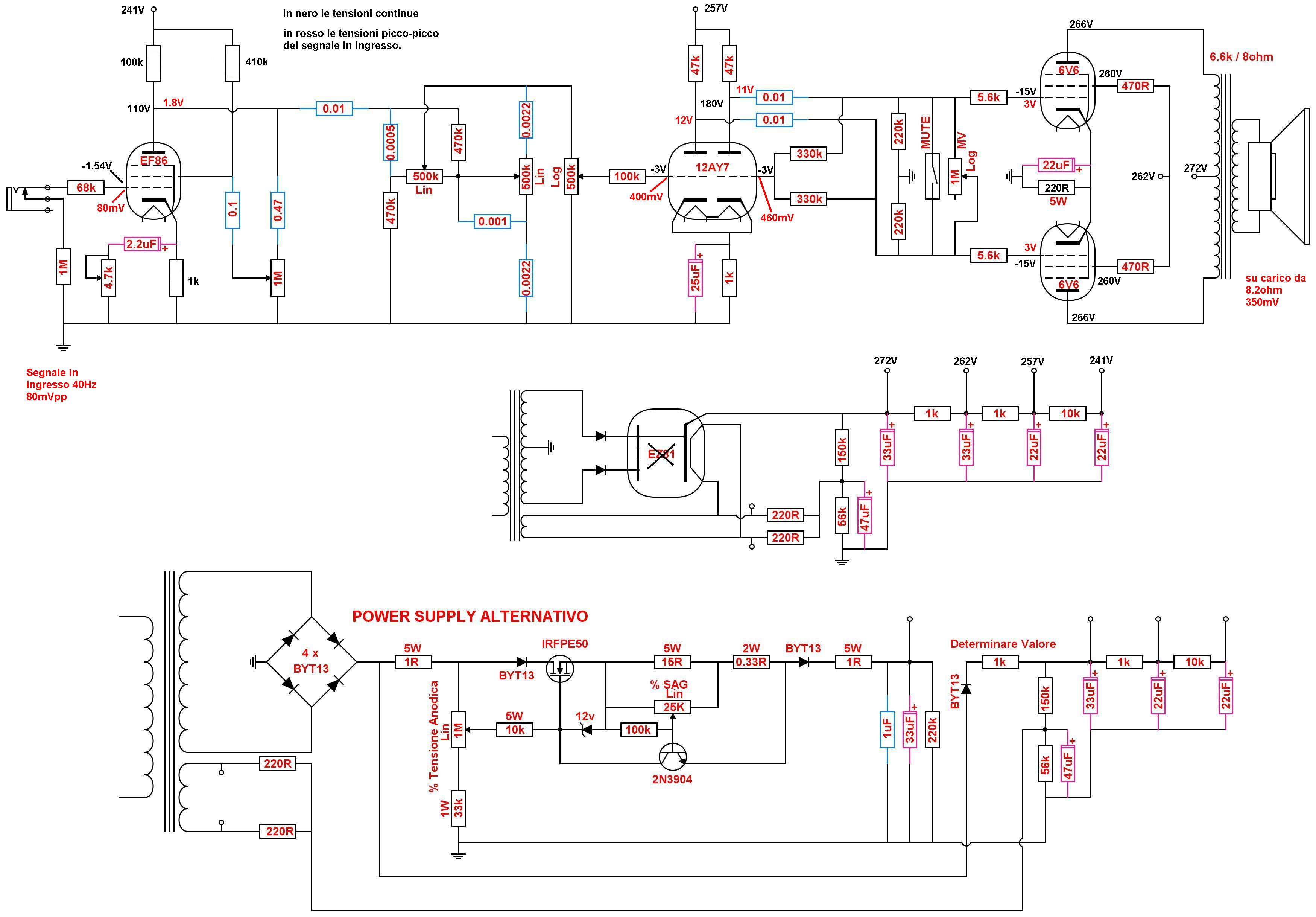
Ecco lo schema con le tensioni, senza la ez81.
In nero i livelli della continua, in rosso il segnale iniettato. Ho iniziato con 40Hz.
Scusate se non mi son fatto sentire....
In nero i livelli della continua, in rosso il segnale iniettato. Ho iniziato con 40Hz.
Scusate se non mi son fatto sentire....
Napoletani si nasce.....
- Kagliostro
- Amministratore

- Messaggi: 9943
- Iscritto il: 03/12/2007, 0:16
- Località: Prov. di Treviso
Re: costruzione nuovo amplificatore
Prova a modificare la res di catodo delle finali per aumentare la tensione negativa sugli stessi
Anche cercare di aumentare leggermente (non molto) il livello in uscita dalla PI potrebbe aiutare
in un datasheet ho trovato dei dati con placca e griglia schermo a 285v == Bias -19v == corrente di placca 70mA == carico 8k == e tensione di pilotaggio 38v circa con i quali si ottengono in uscita 13.5W
Con le tensioni che hai adesso la potenza dovrebbe essere sensibilmente più alta di 3.5W (sei sicuro che le finali siano OK ?)
Ciao
K
Anche cercare di aumentare leggermente (non molto) il livello in uscita dalla PI potrebbe aiutare
in un datasheet ho trovato dei dati con placca e griglia schermo a 285v == Bias -19v == corrente di placca 70mA == carico 8k == e tensione di pilotaggio 38v circa con i quali si ottengono in uscita 13.5W
Con le tensioni che hai adesso la potenza dovrebbe essere sensibilmente più alta di 3.5W (sei sicuro che le finali siano OK ?)
Ciao
K
Re: costruzione nuovo amplificatore
Vado a ritroso dal fondo.
Hai 350 Vpp sul tap da 8 Ohm, quindi sul primario dovresti avere 10 Vpp.
Mi sembrano eccessivamente pochi. Puoi verificare?
Hai 350 Vpp sul tap da 8 Ohm, quindi sul primario dovresti avere 10 Vpp.
Mi sembrano eccessivamente pochi. Puoi verificare?
Re: costruzione nuovo amplificatore
Allora....come suggeritomi da Robi, per verificare se ho problemi col TU, ho collegato i filamenti al secondario del TU e misurato la tensione sul primario tra i due estremi e tra centrale ed estremi.
Sul secondario ho 6,45V.
Sul primario tra i due estremi ho 162V. Tra il centrale e gli estremi ho 81V.
Quindi l'impedance ratio è 630,83.
Ariquindi, collegando il mio carico da 8,2ohm al secondario ho una impedenza riflessa sul primario pari a 5046,64ohm a 50Hz. Credo che andando un po più su in frequenza dovrebbe avvicinarsi ai 6600ohm di targa.
A questo punto ho forti dubbi sul TA il cui secondario è da 75mA. Come dicevo qualche post fa, se misuro senza le finali la tensione raddrizzata è 310V circa. Se collego le finali scende a 270, senza la ez81. Calcolando che in assenza di segnale, il circuito HT assorbe 70mA, non credo di avere corrente sufficiente.....
Piccolo Edit.
Ho misurato la tensione e la corrente fornita dal TA. Alzando il volume, la corrente sale fino a 74,3 e la tensione scende da 265V a 250V. Inoltre alzando ancora il volume la sinusoide in uscita tende prima a scendere e poi ad assumere una forma talmente brutta, tipo onda quadra con degli avvallamenti al posto della parte flat....tipo quella in allegato. (è un immagine da internet......è solo per rendere un idea...
)
Sul secondario ho 6,45V.
Sul primario tra i due estremi ho 162V. Tra il centrale e gli estremi ho 81V.
Quindi l'impedance ratio è 630,83.
Ariquindi, collegando il mio carico da 8,2ohm al secondario ho una impedenza riflessa sul primario pari a 5046,64ohm a 50Hz. Credo che andando un po più su in frequenza dovrebbe avvicinarsi ai 6600ohm di targa.
A questo punto ho forti dubbi sul TA il cui secondario è da 75mA. Come dicevo qualche post fa, se misuro senza le finali la tensione raddrizzata è 310V circa. Se collego le finali scende a 270, senza la ez81. Calcolando che in assenza di segnale, il circuito HT assorbe 70mA, non credo di avere corrente sufficiente.....
Piccolo Edit.
Ho misurato la tensione e la corrente fornita dal TA. Alzando il volume, la corrente sale fino a 74,3 e la tensione scende da 265V a 250V. Inoltre alzando ancora il volume la sinusoide in uscita tende prima a scendere e poi ad assumere una forma talmente brutta, tipo onda quadra con degli avvallamenti al posto della parte flat....tipo quella in allegato. (è un immagine da internet......è solo per rendere un idea...
Napoletani si nasce.....
Re: costruzione nuovo amplificatore
Cavolo, cala parecchio!
Hai modo di provare un trafo simile, anche solo per l'anodica?
Hai modo di provare un trafo simile, anche solo per l'anodica?
- Kagliostro
- Amministratore

- Messaggi: 9943
- Iscritto il: 03/12/2007, 0:16
- Località: Prov. di Treviso
Re: costruzione nuovo amplificatore
Raf, se controlli il forum americano, vedi che ti stanno consigliano la stessa cosa che consigliava Robi
collegare un altoparlante da 16ohm, la cosa potrebbe risolvere senza altre modifiche
K
collegare un altoparlante da 16ohm, la cosa potrebbe risolvere senza altre modifiche
K
Re: costruzione nuovo amplificatore
Secondo me SNI, perchè in effetti dagli ultimi post, la corrente del TA sembra proprio pochina. A riposo consuma tutta la corrente a disposizione.
Re: costruzione nuovo amplificatore
Un po di aggiornamenti.
Ho cambiato il TA con un 300 0 300 che eroga circa 120mA. Adesso con la rettificatrice ho 350V. L'assorbimento delle finali è circa 35mA. La potenza col carico da 8ohm è 7,5watt. A questo punto mi sa che dovrò usare un cono da 16ohm, oppure cambiare il TU prendendone uno con un impedenza primaria maggiore e con uscite 4 8 16 che è meglio.
Ho scoperto perchè il tonestack non funziona a dovere......il motivo è che da banzaimusic lavorano dei.......lasciamo perdere, offenderei le capre e non voglio andare contro il regolamento del forum. Mi hanno mandato un pot da 50k al posto del 500k, devo dire però che anch'io ci metto del mio a non controllare.
Non ho molto tempo, anche perchè sono in partenza per la Cina
, ma domani voglio provare ad alimentare il tutto solo con i diodi. Dovrei arrivare intorno ai 420V. Forse così recupero ancora qualche watt.
Vi farò sapere.
Saluti a tutti
Ho cambiato il TA con un 300 0 300 che eroga circa 120mA. Adesso con la rettificatrice ho 350V. L'assorbimento delle finali è circa 35mA. La potenza col carico da 8ohm è 7,5watt. A questo punto mi sa che dovrò usare un cono da 16ohm, oppure cambiare il TU prendendone uno con un impedenza primaria maggiore e con uscite 4 8 16 che è meglio.
Ho scoperto perchè il tonestack non funziona a dovere......il motivo è che da banzaimusic lavorano dei.......lasciamo perdere, offenderei le capre e non voglio andare contro il regolamento del forum. Mi hanno mandato un pot da 50k al posto del 500k, devo dire però che anch'io ci metto del mio a non controllare.
Non ho molto tempo, anche perchè sono in partenza per la Cina
Vi farò sapere.
Saluti a tutti
Napoletani si nasce.....
- Kagliostro
- Amministratore

- Messaggi: 9943
- Iscritto il: 03/12/2007, 0:16
- Località: Prov. di Treviso
Re: costruzione nuovo amplificatore
Ma da dove viene quel TU ?
Avrebbe dovuto essere da 6.6k e se non sbaglio ti risulta essere solo da 5k, solo la metà del valore ottimale
---
Fai buon viaggio e tienici aggiornati
Ciao
K
Avrebbe dovuto essere da 6.6k e se non sbaglio ti risulta essere solo da 5k, solo la metà del valore ottimale
---
Fai buon viaggio e tienici aggiornati
Ciao
K
- Kagliostro
- Amministratore

- Messaggi: 9943
- Iscritto il: 03/12/2007, 0:16
- Località: Prov. di Treviso
Re: costruzione nuovo amplificatore
Mi sono procurato due TA con secondario 230v AC uno con CT e l'altro senza ma con in più un 20v che posso mettere in serie ai 230v
i due sono anche un po' surdimensionati come corrente
e mi son procurato anche un TU da 15/18W 10k a-a
Vado a rilento ma son proprio curioso di vedere cosa se ne uscirà fuori dal mio
K
i due sono anche un po' surdimensionati come corrente
e mi son procurato anche un TU da 15/18W 10k a-a
Vado a rilento ma son proprio curioso di vedere cosa se ne uscirà fuori dal mio
K
Re: costruzione nuovo amplificatore
Riapro questa discussione, scusatemi ma non mi piace lasciare le cose a metà.
Mi sono procurato un TU da 8kohm ed uscite 4-8-16, ho preso la ef86 e me la sono giocata al superenalotto, idem per la EZ81 ed ho riciclato la turret board.
Il preamp l'ho realizzato in questo modo:
CH1: 5E3, volume e tono, classico 100k su anodo,1k5 bypassato con 10uF sul catoto, in uscita 22nF, segue il tonestack 5E3 e dopo di questo un altro triodo polarizzato come sopra, 22n in uscita con in serie 220k che vanno al primo triodo della PI che fa da sommatore, questa è configurata sempre 100k, 1k5 ma senza bypass.
Ch2: classico AB763 del twin, volume, alti, medi, bassi. In uscita dal secondo triodo 22n con in serie 180k che vanno al sommatore.
PI e finale a 6v6 paro paro il 5e3.
L'ingresso all'ampli è singolo in modo da poter miscelare i suoni dei due canali.
Adesso devo solo trovare qualcuno che lo voglia provare....
Buona serata a tutti.
PS: un consiglio spassionato...in ambito lavorativo tutti i capi e capetti a dire che il know-how bisogna condividerlo....col cavolo che ci ricasco!!
Mi sono procurato un TU da 8kohm ed uscite 4-8-16, ho preso la ef86 e me la sono giocata al superenalotto, idem per la EZ81 ed ho riciclato la turret board.
Il preamp l'ho realizzato in questo modo:
CH1: 5E3, volume e tono, classico 100k su anodo,1k5 bypassato con 10uF sul catoto, in uscita 22nF, segue il tonestack 5E3 e dopo di questo un altro triodo polarizzato come sopra, 22n in uscita con in serie 220k che vanno al primo triodo della PI che fa da sommatore, questa è configurata sempre 100k, 1k5 ma senza bypass.
Ch2: classico AB763 del twin, volume, alti, medi, bassi. In uscita dal secondo triodo 22n con in serie 180k che vanno al sommatore.
PI e finale a 6v6 paro paro il 5e3.
L'ingresso all'ampli è singolo in modo da poter miscelare i suoni dei due canali.
Adesso devo solo trovare qualcuno che lo voglia provare....
Buona serata a tutti.
PS: un consiglio spassionato...in ambito lavorativo tutti i capi e capetti a dire che il know-how bisogna condividerlo....col cavolo che ci ricasco!!
Napoletani si nasce.....

