di nuovo 15W... obiettivo: farlo suonare!!!
Re: di nuovo 15W... obiettivo: farlo suonare!!!
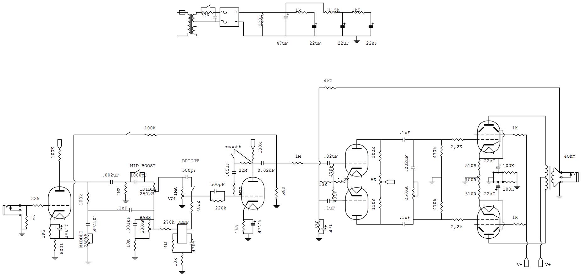
Questo il layout del tonestack...
Faccio sempre un po' di confusione coi tonestack, soprattutto ad individuare con che posizione della "levetta" gli switch si attiveranno...
Faccio sempre un po' di confusione coi tonestack, soprattutto ad individuare con che posizione della "levetta" gli switch si attiveranno...
- Kagliostro
- Amministratore

- Messaggi: 9870
- Iscritto il: 03/12/2007, 0:16
- Località: Prov. di Treviso
Re: di nuovo 15W... obiettivo: farlo suonare!!!
A proposito di layout
non capisco bene la parte che sta attorno a V1, sicuramente tu ti ci capirai, ma per gli altri penso sia un po' difficile
Ciao
K
p.s.: Stai usando FidocadJ per il layout ?
non capisco bene la parte che sta attorno a V1, sicuramente tu ti ci capirai, ma per gli altri penso sia un po' difficile
Ciao
K
p.s.: Stai usando FidocadJ per il layout ?
Re: di nuovo 15W... obiettivo: farlo suonare!!!
Si sto usando fidocadJ... peccato che esportando non faccia più vedere i colori...
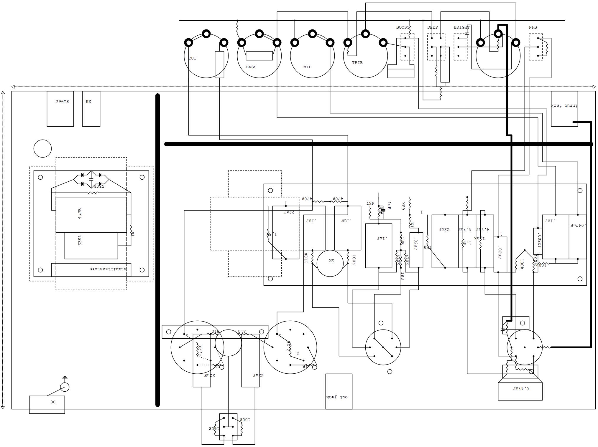
intanto un layout completo di tonestack
intanto un layout completo di tonestack
Con V1 sistemata
Ultima modifica di bill89 il 14/01/2014, 14:06, modificato 1 volta in totale.
- Kagliostro
- Amministratore

- Messaggi: 9870
- Iscritto il: 03/12/2007, 0:16
- Località: Prov. di Treviso
Re: di nuovo 15W... obiettivo: farlo suonare!!!
Guarda che i colori vengono esportati
quando fai l'esportazione, nella finestra che compare è presente la possibilità di scegliere se si vuole l'esportazione in Bianco e Nero, basta togliere il flag e si esporta a colori
Questo l'ho fatto con FidocadJ (è il mio progettino per farmi la piegatrice)
K
quando fai l'esportazione, nella finestra che compare è presente la possibilità di scegliere se si vuole l'esportazione in Bianco e Nero, basta togliere il flag e si esporta a colori
Questo l'ho fatto con FidocadJ (è il mio progettino per farmi la piegatrice)
K
Re: di nuovo 15W... obiettivo: farlo suonare!!!
Woooowwwww... non ci avevo fatto caso... allora adesso sistemo i colori ed esporto così!!!
In questo modo posso segnare anche gli altri collegamenti senza che risulti tutto un pastrocchio!!!
In questo modo posso segnare anche gli altri collegamenti senza che risulti tutto un pastrocchio!!!
- Kagliostro
- Amministratore

- Messaggi: 9870
- Iscritto il: 03/12/2007, 0:16
- Località: Prov. di Treviso
Re: di nuovo 15W... obiettivo: farlo suonare!!!
Provo a dargli un'occhiata
posta il file .fcd, che se c'è qualcosa da spostare vado meglio
---
il ponte non mi convince .......
lo switch NFB meno ancora, cos'è invece ????
---
èquesto lo schema da seguire per la verifica del layout ?
Ciao
K
posta il file .fcd, che se c'è qualcosa da spostare vado meglio
---
il ponte non mi convince .......
lo switch NFB meno ancora, cos'è invece ????
---
èquesto lo schema da seguire per la verifica del layout ?
Ciao
K
Re: di nuovo 15W... obiettivo: farlo suonare!!!
purtroppo non è possibile allegare .fcd !
----
Si... il verso dei diodi non è corretto! rimedio subito!
lo switch NFB sarebbe la retroazione sul pre che puoi vedere nello schema... quella tra V1a e V1b!
---
Si, lo schema è quello! l'ultimo che ho postato!
P.S.
GRAZIEEEEEEE
----
Si... il verso dei diodi non è corretto! rimedio subito!
lo switch NFB sarebbe la retroazione sul pre che puoi vedere nello schema... quella tra V1a e V1b!
---
Si, lo schema è quello! l'ultimo che ho postato!
P.S.
GRAZIEEEEEEE
Re: di nuovo 15W... obiettivo: farlo suonare!!!
Ecco il file .fcd ... compresso!!! 
- Allegati
-
- esperimento nuovo layout chassis.fcd.zip
- (4.33 KiB) Scaricato 170 volte
- Kagliostro
- Amministratore

- Messaggi: 9870
- Iscritto il: 03/12/2007, 0:16
- Località: Prov. di Treviso
Re: di nuovo 15W... obiettivo: farlo suonare!!!
Un po' l'ho guardato, ma ho un po' di difficoltà a seguire il tracciato
comunque per adesso non ho rilevato discrepanze con lo schema
ad essere sinceri il layout è disegnato in un modo che confonde
per il prossimo amp ti consiglio di farti dei componenti per i layout e di memorizzarteli in una libreria personale di FidocadJ
quando disegni un layout per te è una cosa, ma se lo disegni perchè vuoi mostrarlo o perchè ti aiutino a verificarlo, è meglio cercare di agevolare il compito facendo in modo che il layout, per quanto possibile, sia facile da leggere
Comunque sei ai primi esperimenti, di sicuro migliorerai
Ciao
K
comunque per adesso non ho rilevato discrepanze con lo schema
ad essere sinceri il layout è disegnato in un modo che confonde
per il prossimo amp ti consiglio di farti dei componenti per i layout e di memorizzarteli in una libreria personale di FidocadJ
quando disegni un layout per te è una cosa, ma se lo disegni perchè vuoi mostrarlo o perchè ti aiutino a verificarlo, è meglio cercare di agevolare il compito facendo in modo che il layout, per quanto possibile, sia facile da leggere
Comunque sei ai primi esperimenti, di sicuro migliorerai
Ciao
K
Re: di nuovo 15W... obiettivo: farlo suonare!!!
Intanto mi metto all'opera per fare i template dello chassis e delle board...
Continuo a lavorare su fidocad
----
Il grounding così va bene?! sono andato a massa in due punti diversi... non vorrei potesse dare problemi ( le masse sono quelle verdi un po' più spesse...
Continuo a lavorare su fidocad
----
Il grounding così va bene?! sono andato a massa in due punti diversi... non vorrei potesse dare problemi ( le masse sono quelle verdi un po' più spesse...
- Kagliostro
- Amministratore

- Messaggi: 9870
- Iscritto il: 03/12/2007, 0:16
- Località: Prov. di Treviso
Re: di nuovo 15W... obiettivo: farlo suonare!!!
Avevo notato la cosa, come sai il grounding ha diverse scuole di pensiero
alla fine va bene quello che funziona .......
Quando disegni layout, fa in modo che i componenti abbiano delle dimensioni congrue
con il loro aspetto reale (almeno in proporzione l'uno con l'altro) e non mettere i
componenti appiccicati l'uno all'altro, tienili discostati, in maniera da poterli identificare
più facilmente, ah, fai anche in modo che si capisca quali sono i reofori dei coomponenti
per simulare le eyelett o le turret usa un piccolissimo cerchio o il punto che serve per
congiungere le piste (quando disegni gli schemi), per posizionare le varie cose in modo
più appropriato, puoi togliere il blocco sulla griglia con l'apposito pulsante
---
se puoi sistema lo schema mettendo sui nodi del PS dei numeri o delle lettere e poi posiziona i numeri i le lettere nei punti dello schema dove devono essere collegati i nodi, la cosa agevola non di poco la lettura
K
alla fine va bene quello che funziona .......
Quando disegni layout, fa in modo che i componenti abbiano delle dimensioni congrue
con il loro aspetto reale (almeno in proporzione l'uno con l'altro) e non mettere i
componenti appiccicati l'uno all'altro, tienili discostati, in maniera da poterli identificare
più facilmente, ah, fai anche in modo che si capisca quali sono i reofori dei coomponenti
per simulare le eyelett o le turret usa un piccolissimo cerchio o il punto che serve per
congiungere le piste (quando disegni gli schemi), per posizionare le varie cose in modo
più appropriato, puoi togliere il blocco sulla griglia con l'apposito pulsante
---
se puoi sistema lo schema mettendo sui nodi del PS dei numeri o delle lettere e poi posiziona i numeri i le lettere nei punti dello schema dove devono essere collegati i nodi, la cosa agevola non di poco la lettura
K
Re: di nuovo 15W... obiettivo: farlo suonare!!!
In realtà non sapevo che fidocadJ avesse proprio il misuratore di lunghezza...
La scala che ho usato è più "artigianale" ... quattro puntini della griglia sono un centimetro... però posso assicurarti che mi sono misurato usando questa scala ogni componente e che queste sono le dimensioni scalate...
----
Mi metto subito a sistemare lo schema seguendo queste direttive e giacchè ricontrollo tutte le misure...
La scala che ho usato è più "artigianale" ... quattro puntini della griglia sono un centimetro... però posso assicurarti che mi sono misurato usando questa scala ogni componente e che queste sono le dimensioni scalate...
----
Mi metto subito a sistemare lo schema seguendo queste direttive e giacchè ricontrollo tutte le misure...
- Kagliostro
- Amministratore

- Messaggi: 9870
- Iscritto il: 03/12/2007, 0:16
- Località: Prov. di Treviso
Re: di nuovo 15W... obiettivo: farlo suonare!!!
Beh, il sistema che hai usato va benone
è vero che ha il righello per misurare
ma forse sarebbe un po' eccessivo pretendere di fare tutto in quel modo
io intendevo di cercare di non fare un componente troppo sproporzionato rispetto gli altri
K
è vero che ha il righello per misurare
ma forse sarebbe un po' eccessivo pretendere di fare tutto in quel modo
io intendevo di cercare di non fare un componente troppo sproporzionato rispetto gli altri
K
Re: di nuovo 15W... obiettivo: farlo suonare!!!
Questo è il nuovo Wiring... penso adesso sia più comprensibile... ho seguito i consigli...
Ho fatto in modo che questi possano essere anche i template delle board...
mancano quelli dello chassis...
Ho fatto in modo che questi possano essere anche i template delle board...
mancano quelli dello chassis...

