Possiamo riferire il catodo della driver ad una tensione negativa, così da avere un Rk più grande e giocare con l'impedenza a massa per equalizzare un po' il finale.MapleMarco ha scritto: ↑24/05/2023, 13:40Ci sto ancora provando su ma promette molto bene e toglie pochissimi dB
Dumble SE con GU50 (???)
Re: Dumble SE con GU50 (???)
Re: Dumble SE con GU50 (???)
Detto anche zobel, si usa per far vedere un'impedenza costante al finale ad alte frequenze.
Ma il suo effetto è l'opposto del classico presence come sonorità, è più da presence da AC30 (che taglia invece di enfatizzare).
Per evitare condensatori di elevata tensione si può fare la stessa cosa sul secondario del trasformatore.
Il feedback che ho disegnato sulla griglia g1 è negativo.
Re: Dumble SE con GU50 (???)
Si Robi. È negativo. Rispondo sempre da telefono durante il giorno e sto correttore automatico lo odio.
Si, è l'esatto opposto di un presence. Ma io lo immaginavo per farlo lavorare proprio al contrario.
Senza NFB, su entrambi i finali in SE che ho realizzato, ho moltissime alte. Su E. T. Con il feedback risolvo. Su Little And Bastard, invece, quel controllo lo implemento proprio per avere piú alte tipo presence alla rovescia.
Cmq era un'idea.
Riguardo alla concertina era proprio cosí come lo hai descritto che lo immaginavo. Volevo essere sicuro che si potesse realizzare senza problemi in quel modo.
Io terrei l'uscita sbilanciata del Send senza attenuazione per un possibile loop.
Lo dedicherei solo allo scopo di pilotare un finale di classe diversa.
Si, è l'esatto opposto di un presence. Ma io lo immaginavo per farlo lavorare proprio al contrario.
Senza NFB, su entrambi i finali in SE che ho realizzato, ho moltissime alte. Su E. T. Con il feedback risolvo. Su Little And Bastard, invece, quel controllo lo implemento proprio per avere piú alte tipo presence alla rovescia.
Cmq era un'idea.
Riguardo alla concertina era proprio cosí come lo hai descritto che lo immaginavo. Volevo essere sicuro che si potesse realizzare senza problemi in quel modo.
Io terrei l'uscita sbilanciata del Send senza attenuazione per un possibile loop.
Lo dedicherei solo allo scopo di pilotare un finale di classe diversa.
Re: Dumble SE con GU50 (???)
Questo è quello che proponevo. La bilanciata prende anche l'altra uscita.
Re: Dumble SE con GU50 (???)
Dimenticavo:
ho polarizzato così la PI per un motivo: bootstrappando il resistore di polarizzazione, la sua resistenza tende ad infinito, quindi va ad inficiare minimamente sull'impedenza del potenziometro del volume dei due canali. Anche il condensatore di disaccoppiamento più essere molto più piccolo senza perdere bassi.
ho polarizzato così la PI per un motivo: bootstrappando il resistore di polarizzazione, la sua resistenza tende ad infinito, quindi va ad inficiare minimamente sull'impedenza del potenziometro del volume dei due canali. Anche il condensatore di disaccoppiamento più essere molto più piccolo senza perdere bassi.
- Kagliostro
- Amministratore

- Messaggi: 9958
- Iscritto il: 03/12/2007, 0:16
- Località: Prov. di Treviso
Re: Dumble SE con GU50 (???)
Ottima soluzione con il bootstrap
Per quanto riguarda l'idea alla quale mi riferivo, quella di Cornara, lui fa così
e noi ... non so, magari 2 SF ? (se si vuole), come diceva Roberto
metterci un doppio triodo mi pare un po' .... eccessivo (?)

Franco
p.s.: Che poi, tra l'altro, sta presunta carenza di 12at7 nel mio stock, forse è solo che ricordo male ...
Per quanto riguarda l'idea alla quale mi riferivo, quella di Cornara, lui fa così
e noi ... non so, magari 2 SF ? (se si vuole), come diceva Roberto
metterci un doppio triodo mi pare un po' .... eccessivo (?)

Franco
p.s.: Che poi, tra l'altro, sta presunta carenza di 12at7 nel mio stock, forse è solo che ricordo male ...
Re: Dumble SE con GU50 (???)
Bel lavoro Robi.
Anch'io ho il Send in bootstrap. Volevo chiederti, se è possibile, un piccolo approfondimento riguardo a quella specifica polarizzazione.
Mi interesserebbe sapere i perchè della scelta di quei valori.
Cioè: come mai 180r e non 470r (... Per esempio) come valore della res di catodo superiore? Sempre per il discorso inerente la res che tende ad infinito?
10k di anodo e 10k di catodo sono volutamente scelti per far sì che si abbia anche un'uscita bilanciata, giusto? Alzando di poco il valore, tipo 28k / 28k, quale svantaggio possiamo avere?
Anch'io ho il Send in bootstrap. Volevo chiederti, se è possibile, un piccolo approfondimento riguardo a quella specifica polarizzazione.
Mi interesserebbe sapere i perchè della scelta di quei valori.
Cioè: come mai 180r e non 470r (... Per esempio) come valore della res di catodo superiore? Sempre per il discorso inerente la res che tende ad infinito?
10k di anodo e 10k di catodo sono volutamente scelti per far sì che si abbia anche un'uscita bilanciata, giusto? Alzando di poco il valore, tipo 28k / 28k, quale svantaggio possiamo avere?
Re: Dumble SE con GU50 (???)
...Vado di fretta.
I valori dei cap di disaccoppiamento dello stadio "SEND", sono indicativi. Poi vedremo meglio quali valori dargli.
Spero possa andare bene alimentare quell'ultimo stadio a 360V anzichè a 400V.
Se non ricordo male Robi aveva detto che poca tensione in meno andava bene cmq.
Ditemi se potrebbe andare il tutto e se è più o meno quello a cui si voleva arrivare.
I valori dei cap di disaccoppiamento dello stadio "SEND", sono indicativi. Poi vedremo meglio quali valori dargli.
Spero possa andare bene alimentare quell'ultimo stadio a 360V anzichè a 400V.
Se non ricordo male Robi aveva detto che poca tensione in meno andava bene cmq.
Ditemi se potrebbe andare il tutto e se è più o meno quello a cui si voleva arrivare.
- Kagliostro
- Amministratore

- Messaggi: 9958
- Iscritto il: 03/12/2007, 0:16
- Località: Prov. di Treviso
Re: Dumble SE con GU50 (???)
Ciao Domenico
Sul fatto della tensione 400v o meno ho provato a vedere se ritrovavo dove Roberto l'ha detto ma non ci sono riuscito, a lui risponderti direttamente
Per quanto riguarda lo schema c'è qualcosa che non capisco
se di fianco a B+2 c'è indicata una tensione di 331.99... V, come fanno ad essercene 409.92 ...V sotto alla scritta R30 (in pratica sulla placca direttamente) ??
Franco
Sul fatto della tensione 400v o meno ho provato a vedere se ritrovavo dove Roberto l'ha detto ma non ci sono riuscito, a lui risponderti direttamente
Per quanto riguarda lo schema c'è qualcosa che non capisco
se di fianco a B+2 c'è indicata una tensione di 331.99... V, come fanno ad essercene 409.92 ...V sotto alla scritta R30 (in pratica sulla placca direttamente) ??
Franco
- Kagliostro
- Amministratore

- Messaggi: 9958
- Iscritto il: 03/12/2007, 0:16
- Località: Prov. di Treviso
Re: Dumble SE con GU50 (???)
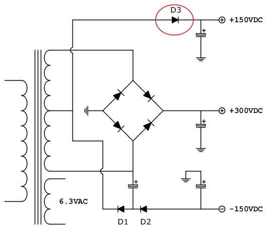
Stavo anche pensando una cosa ..... abbiamo il disegno di un finale Cathode Bias nello schema
è questa la decisione che è stata presa ? o si va di Fixed Bias ?
Perché se si va di Fixed Bias non ho idea di cosa succede se ricaviamo la tensione negativa da uno dei rami HT accoppiando con condensatore (o senza in questo caso
???)
Se il sistema del prelievo della tensione da uno dei rami funziona, allora, forse, anche l'idea del circuito con i -200V potrebbe andare avanti ... o no
Franco
è questa la decisione che è stata presa ? o si va di Fixed Bias ?
Perché se si va di Fixed Bias non ho idea di cosa succede se ricaviamo la tensione negativa da uno dei rami HT accoppiando con condensatore (o senza in questo caso
Se il sistema del prelievo della tensione da uno dei rami funziona, allora, forse, anche l'idea del circuito con i -200V potrebbe andare avanti ... o no
Franco
- Kagliostro
- Amministratore

- Messaggi: 9958
- Iscritto il: 03/12/2007, 0:16
- Località: Prov. di Treviso
Re: Dumble SE con GU50 (???)
Chiedendo mi è stato suggerito questo (i volt con il 150-0-150 sarebbero circa 400V e circa 200V)
Se si potesse, anche se poi non lo usiamo, sarebbe interessante mandarlo in simulazione, per vedere se va o ... esplode
Franco
Se si potesse, anche se poi non lo usiamo, sarebbe interessante mandarlo in simulazione, per vedere se va o ... esplode
Franco
Re: Dumble SE con GU50 (???)
Ciao Franco. Hai ragione. Si tratta di un errore di ltspice quando cambi qualche valore e non ripeti la simulazione. Infatti anche la tensione sull'anodo della finale è errata.Kagliostro ha scritto: ↑25/05/2023, 21:28
Per quanto riguarda lo schema c'è qualcosa che non capisco
se di fianco a B+2 c'è indicata una tensione di 331.99... V, come fanno ad essercene 409.92 ...V sotto alla scritta R30 (in pratica sulla placca direttamente) ??
Franco
Ieri ho fatto tutto al volo e di fretta. Nel tardo pomeriggio posto lo schema con i valori giusti.
Re: Dumble SE con GU50 (???)
Non credo che abbiamo preso una decisione definitiva a riguardo.Kagliostro ha scritto: ↑25/05/2023, 22:27Stavo anche pensando una cosa ..... abbiamo il disegno di un finale Cathode Bias nello schema
è questa la decisione che è stata presa ? o si va di Fixed Bias ?
Perché se si va di Fixed Bias non ho idea di cosa succede se ricaviamo la tensione negativa da uno dei rami HT accoppiando con condensatore (o senza in questo caso![]()
???)
Se il sistema del prelievo della tensione da uno dei rami funziona, allora, forse, anche l'idea del circuito con i -200V potrebbe andare avanti ... o no![]()
Franco
Fino ad ora stiamo solo dando forma ad una possibilitá.
Io mi sono limitato a copiare dei circuiti disegnati da Robi dove è presente un probabile fixed bias e ho cercato di disegnare il tutto completo di uscita bilanciata + uscita sbilanciata per un secondo finale.
Lo scopo è quello di provare a vedere se può andare il circuito con queste 2 uscite impiegando un triodo inutilizzato. Poi si può sempre fare il finale in cathode bias o tornare alle idee precedenti.
Re: Dumble SE con GU50 (???)
Il nodo B+2 è stato portato a 360V circa considerato il totale assorbimento dei 2 triodi: 8mA.
Sono circa 40V in meno, alla fine.
- Kagliostro
- Amministratore

- Messaggi: 9958
- Iscritto il: 03/12/2007, 0:16
- Località: Prov. di Treviso
Re: Dumble SE con GU50 (???)
Ciao Domenico
Ah, ecco, ho capito cosa succede con l'indicazione di quei voltaggi
Per il Bias mi pare di aver capito (ma non vorrei sbagliarmi) che Fixed era meglio
E proprio in riferimento a questo fatto, oltre che all'eventuale adozione di quel circuito con i -200v, che ti chiederei, quando puoi, di verificare quel sistema per ottenere la tensione negativa che mi hanno suggerito
Certo che se abbiamo problemi a ricavare la tensione del Bias, prima di fare aggiungere un apposito avvolgimento al TA si potrebbe anche vedere di fare l'iniezione sulla griglia di tensione positiva (anziché negativa) prelevandola dal catodo con il partitore come nello schemino che ho postato
Se si trattasse di un normale PS con rettifica a 2 diodi e CT a massa o una a ponte senza CT a massa, sappiamo come fare, ma qui preleviamo la tensione positiva per le G2 dal CT NON collegato a massa
E farei anche un controllo sul ripple presente su quei +200V che preleviamo dal CT, d'accordo che poi tra Gyrator o iniettando il disturbo dove opportuno si fa rientrare dove voluto, ma sarebbe interessante sapere se si parte da un livello di ripple normale o sostenuto (visto che ci va sulle G2)
Franco
Ah, ecco, ho capito cosa succede con l'indicazione di quei voltaggi
Per il Bias mi pare di aver capito (ma non vorrei sbagliarmi) che Fixed era meglio
E proprio in riferimento a questo fatto, oltre che all'eventuale adozione di quel circuito con i -200v, che ti chiederei, quando puoi, di verificare quel sistema per ottenere la tensione negativa che mi hanno suggerito
Certo che se abbiamo problemi a ricavare la tensione del Bias, prima di fare aggiungere un apposito avvolgimento al TA si potrebbe anche vedere di fare l'iniezione sulla griglia di tensione positiva (anziché negativa) prelevandola dal catodo con il partitore come nello schemino che ho postato
Se si trattasse di un normale PS con rettifica a 2 diodi e CT a massa o una a ponte senza CT a massa, sappiamo come fare, ma qui preleviamo la tensione positiva per le G2 dal CT NON collegato a massa
E farei anche un controllo sul ripple presente su quei +200V che preleviamo dal CT, d'accordo che poi tra Gyrator o iniettando il disturbo dove opportuno si fa rientrare dove voluto, ma sarebbe interessante sapere se si parte da un livello di ripple normale o sostenuto (visto che ci va sulle G2)
Franco

