Sostieni il forum con una donazione! Il tuo contributo ci aiuterà a rimanere online!
Immagine

Triamp con GU50 e KT88

Discussioni di carattere generale sugli amplificatori valvolari...
Avatar utente
Dom
Roger Mayer Jr.
Roger Mayer Jr.
Messaggi: 2019
Iscritto il: 07/09/2013, 15:38
Località: Abruzzo (Te)

Re: Triamp con GU50 e KT88

Messaggio da Dom » 08/08/2014, 20:15

Ho cablato il necessario con quello che avevo a disposizione. Le board sono state private di diverse turrets da come le avevo progettate e ho corretto alcuni errori che dai disegni fatti non mi ero accorto ci fossero:
DSC06931.jpg
DSC06936.jpg
DSC06928.jpg
Spero di finire i cablaggi per ferragosto !

Avatar utente
Kagliostro
Amministratore
Amministratore
Messaggi: 9864
Iscritto il: 03/12/2007, 0:16
Località: Prov. di Treviso

Re: Triamp con GU50 e KT88

Messaggio da Kagliostro » 09/08/2014, 8:40

Veramente Bravo

K

MapleMarco
Roger Mayer Jr.
Roger Mayer Jr.
Messaggi: 2658
Iscritto il: 02/06/2012, 14:22
Località: Mirano (VE)

Re: Triamp con GU50 e KT88

Messaggio da MapleMarco » 09/08/2014, 20:04

DOM ha scritto: Scusa ma non credo di seguirti. Intendi dire che anche se si tratta solo di "schermo" per le valvole finali, tu opti per 2 star ground separati per le coppie relative a 2 T.U. ? In che modo ? Semplicemente su due punti dello chassis o proprio su due star ground distinti ?
perdona le risposte a singhiozzi ma ho seri problemi con la connessione in queste settimane! :pasc:
ad ogni modo, non capisco cosa intendi per "schermo" delle finali....
intendi una copertura fisica in metallo, o il CT dei filamenti?
se intendi una copertura, allora puoi mandarla a massa dove vuoi.
se intendi il CT dei filamenti, io farei un unico starground per tutti i CT dei filamenti che hai...DIVERSO dal CT dell'anodica...
questo perchè ho notato (magari era un effetto placebo eh...) che gli avvolgimenti dei filamenti influiscono molto e male nell'anodica (portano ronza....) soprattutto se condividono con questa la massa
presumo dipenda dal basso voltaggio ed alta corrente...un pò come i relay, più alto è il voltaggio meno rompono le scatole...

Io, però, tieni conto che ho una fissazione con i filamenti...tanto che quelli delle pre li tengo sempre a 12.6 stabilizzati e ci tiro fuori l'alternata da un trafo dedicato, così non subisce gli sbalzi dell'anodica e dei filamenti delle finali...
CHE DIO B'ASSISTA!

Avatar utente
Dom
Roger Mayer Jr.
Roger Mayer Jr.
Messaggi: 2019
Iscritto il: 07/09/2013, 15:38
Località: Abruzzo (Te)

Re: Triamp con GU50 e KT88

Messaggio da Dom » 09/08/2014, 20:18

Grazie K., sei troppo buono.

Marco, io mi riferivo semplicemente alla griglia G3 di una EL34 o di una 6L6 ( piedino 1 ) con lo "schermo". Per questo mi sembravano un pò eccessivi 2 starground distinti.

Per i filamenti ho cambiato addirittura il trafo dedicato con uno che mi eroga 15 v per far lavorare "bene" l'LM338. tutto stabilizzato a 12,6 v con tanto di pot per regolazione per quando lo testerò sotto carico. Ho anche elevato a massa i filamenti. Condivido pienamente la tua scelta.

MapleMarco
Roger Mayer Jr.
Roger Mayer Jr.
Messaggi: 2658
Iscritto il: 02/06/2012, 14:22
Località: Mirano (VE)

Re: Triamp con GU50 e KT88

Messaggio da MapleMarco » 10/08/2014, 9:49

DOM ha scritto: io mi riferivo semplicemente alla griglia G3

aaaaaahn, scusa la durezza di comprendonio... :face_green:
io quella la metto sempre ponticellata direttamente con il pin8 e non ho mai avuto problemi!
CHE DIO B'ASSISTA!

Avatar utente
Dom
Roger Mayer Jr.
Roger Mayer Jr.
Messaggi: 2019
Iscritto il: 07/09/2013, 15:38
Località: Abruzzo (Te)

Re: Triamp con GU50 e KT88

Messaggio da Dom » 15/08/2014, 11:16

Ok. Quindi non dovrebbe comportare problemi cablarla direttamente sullo chassis ( tipo SLO per capirci ).

Dopo che ho realizzato la board del send e return, mi è venuto un dubbio:

Adottando come modello il loop effeti dall'OD3 ( credo che sia davvero un fx loop completo e serio ), mi sono accorto che ciuccia molta tensione anodica. Molta di più di quella che gli fornisco io, ovvero 384 Volt. Dallo schema dell'OD3, guardando il power supply, sembra che l'anodica dedicata al primo triodo del fx loop ( V6A ) sia di circa 500 votlt !!!
Od3 Schematic.pdf
(1.41 MiB) Scaricato 215 volte
Ora, non essendo molto pratico del dimensionamento di un Catatode Follower so che anche se andiamo fuori dai limiting value ( per una 12ax7 la massima tensione anodica è di circa 300 volt in media ) in realtà la tensione assorbita dal triodo non può danneggiarlo perchè usciamo di catodo (...detto in maniera molto restrittiva e semplice ). Anche se sembra assurdo dare circa 500 Volt ad un triodo, questo non influisce sull'inseguitore catodico se dimensionato correttamente. La mia preoccupazione è, invece, se posso considerare affidabile il circuito così dimensionato con una tensione di circa 384 Volt.

Devo rimettere mano a qualche resistenza ?

Avatar utente
Dom
Roger Mayer Jr.
Roger Mayer Jr.
Messaggi: 2019
Iscritto il: 07/09/2013, 15:38
Località: Abruzzo (Te)

Re: Triamp con GU50 e KT88

Messaggio da Dom » 21/08/2014, 15:52

Mi metterò a studiare per bene il Cathode Follower e proverò a rispondermi da solo. Nel frattempo sto invidiando chi ha a che fare con le PCB classiche! In questi giorni ho trovato un pò di tempo per andare avanti e ho cercato di cablare al meglio delle mie possibilità, ma è veramente dura, ragazzi! Speriamo che non abbia commesso errori gravi nel cablaggio. Ho ricontrollato tante volte e ho corretto diversi errori di distrazione presenti su schemi e layout postati da me in precedenza.

Ho messo le GU50 in parallelo in questo modo:
DSC06961.jpg
Per i T.S., ho voluto seguire il consiglio di Kagliostro e cercato di cablarli ( quasi ) direttamente sui pot. Avevo bisogno cmq di almeno un paio di punti di ancoraggio e allora ho pensato di saldare delle basette direttamente sulle carcasse dei pot:
DSC06993.jpg
Il T.S. del Lead ( Baxandall spudoratamente copiato alla Framus Cobra ) mi ha fatto dannare:
DSC06991.jpg
In qualche tread da qualche parte, il buon Robi ed altri utenti suggerivano ( giustamente ) di non lasciare condensatori e resistenze troppo "in balzo". Il principio è lo stesso dei condensatori elettrolitici dove è meglio metterci colla a caldo o fascette per tenerli ben saldi ed evitare fenomeni negativi dovuti ad oscillazioni. Quì, purtroppo, ho dovuto farne a meno per esigenze di ordine e distanze eccessive tra piedini dei pot e punti di ancoraggio. Un esempio è il Cap da 47 nF che dalla serie con la slope resistor va ai piedini 1 e 2 del pot dei bassi ( T.S. Clean ).Spero che possa cmq essere accettabile.
Ultima modifica di Dom il 21/08/2014, 16:08, modificato 1 volta in totale.

Avatar utente
Dom
Roger Mayer Jr.
Roger Mayer Jr.
Messaggi: 2019
Iscritto il: 07/09/2013, 15:38
Località: Abruzzo (Te)

Re: Triamp con GU50 e KT88

Messaggio da Dom » 21/08/2014, 16:03

Qualche panoramica di come sta venendo l'ampli:
DSC06969.jpg
DSC06981.jpg
DSC06988.jpg
Le masse per le commutazioni dei canali sono state prese esattamente nei punti dove vi è il relativo cap di catodo o cap di filtro dello stadio.

Avatar utente
Kagliostro
Amministratore
Amministratore
Messaggi: 9864
Iscritto il: 03/12/2007, 0:16
Località: Prov. di Treviso

Re: Triamp con GU50 e KT88

Messaggio da Kagliostro » 21/08/2014, 16:06

Caspita DOM un layout dall'impostazione veramente teutonica, fatto così ricordo un marchio (probabilmente artigianale) tedesco

certo che di pazienza e meticolosità ce ne stai mettendo ............. tsnto di :salu:

K

Avatar utente
Kagliostro
Amministratore
Amministratore
Messaggi: 9864
Iscritto il: 03/12/2007, 0:16
Località: Prov. di Treviso

Re: Triamp con GU50 e KT88

Messaggio da Kagliostro » 21/08/2014, 16:07

Caspita DOM un layout dall'impostazione veramente teutonica, fatto così ricordo un marchio (probabilmente artigianale) tedesco

certo che di pazienza e meticolosità ce ne stai mettendo ............. tanto di :salu:

K

MapleMarco
Roger Mayer Jr.
Roger Mayer Jr.
Messaggi: 2658
Iscritto il: 02/06/2012, 14:22
Località: Mirano (VE)

Re: Triamp con GU50 e KT88

Messaggio da MapleMarco » 21/08/2014, 18:42

cavoli, il cablaggio del mio sembra una gran bella porcheria a confronto :face_green:

complimenti!! :numb1:
CHE DIO B'ASSISTA!

Avatar utente
Dom
Roger Mayer Jr.
Roger Mayer Jr.
Messaggi: 2019
Iscritto il: 07/09/2013, 15:38
Località: Abruzzo (Te)

Re: Triamp con GU50 e KT88

Messaggio da Dom » 23/08/2014, 9:11

Grazie ragassuoli! :lol1:

Mi sono accorto di aver sbagliato a cablare le griglie delle GU50. Posto la foto corretta dove sono cablate anche le G2:
DSC07006.jpg

Avatar utente
Dom
Roger Mayer Jr.
Roger Mayer Jr.
Messaggi: 2019
Iscritto il: 07/09/2013, 15:38
Località: Abruzzo (Te)

Re: Triamp con GU50 e KT88

Messaggio da Dom » 23/08/2014, 21:56

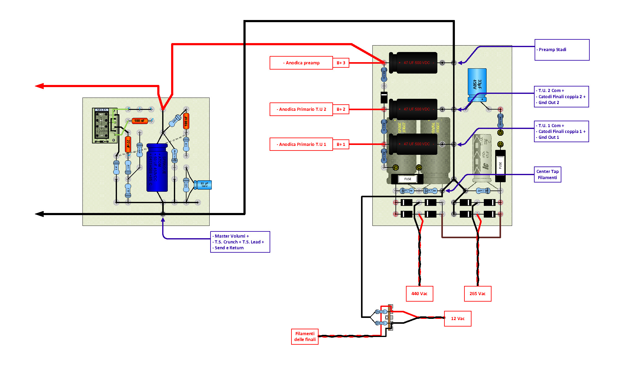
Vorrei chiedervi conferma per quanto riguarda il percorso delle masse. Io avrei optato per questa soluzione:
Percorso masse e anodica.jpg
Ho letto molto attentamente i consigli e le opinioni messe a disposizione su questo topic:

http://www.diyitalia.eu/forum/viewtopic ... orso+masse

Ma avrei un paio di domande:

1 - Le diverse scuole di pensiero optano a volte per riferire il C.T. ( fittizio nel mio caso ) direttamente in un punto dello chassis diverso dallo star ground generale oppure per riferirlo direttamente sul negativo del primo cap di filtro anodico. Secondo voi, dalle prove fatte sulle vostre belve, avete notato differenze fra le due possibilità ?

2 - Avrei bisogno di capire meglio il concetto della massa dei jack di uscita. Quando Mlessio scrive: "La massa dei jack di uscita, va collegata solo se il nostro finale usa il NFB(in quanto eroga mooooolta corrente) altrimenti possiamo lasciarla isolata dalla massa generale.", vorrebbe intendere che nel caso in cui un finale non faccia uso del NFB si può cablare la massa direttamente sullo chassis ?

Nel mio caso specifico si tratta di Single Ended con 2 T.U. indipendenti. Ho pensato di attaccare i loro rispettivi COM e le relative GND delle uscite Speakon direttamente ai negativi dei cap di filtro corrispondenti. Non è escluso che ci metta anche un controllo per il Feedback ( anche se è single ended si può mettere ugualmente ), e quindi penso che sia corretto. Mi sbaglio?

Avatar utente
Kagliostro
Amministratore
Amministratore
Messaggi: 9864
Iscritto il: 03/12/2007, 0:16
Località: Prov. di Treviso

Re: Triamp con GU50 e KT88

Messaggio da Kagliostro » 23/08/2014, 22:01

vorrebbe intendere che nel caso in cui un finale non faccia uso del NFB si può cablare la massa direttamente sullo chassis ?
Direi che vuol dire che in caso di NFB assente l'uscita può restare flottante, cioè NON connessa a massa

K

Avatar utente
Dom
Roger Mayer Jr.
Roger Mayer Jr.
Messaggi: 2019
Iscritto il: 07/09/2013, 15:38
Località: Abruzzo (Te)

Re: Triamp con GU50 e KT88

Messaggio da Dom » 23/08/2014, 22:04

:hummm_1: :hummm_1: :hummm_1: ...Scusa Kagliostro ma questa cosa mi lascia un pò confuso. Flottante = non connessa a massa, ok. Ma allora a cosa ?

Rispondi