cia, come ti ho risposto prima, se non hai valvole non hai corrente, e se non hai corrente non hai differenza di potenziale ai capi della resistenza sull'alimentazione (trafo incluso). Quindi puoi.tonys89 ha scritto:La mia domanda é: avendo una tensione così alta posso lo stesso provare a inserire le valvole senza rischiare di danneggiarle??![]()
quale kit per un amp da 18W
Re: quale kit per un amp da 18W
Re: quale kit per un amp da 18W
Ciao Maplemarco,
Ti ricordi che valori di tensioni avevi tra anodo e massa delle varie valvole??
Io leggo delle tensioni molto diverse tra loro.
La valvola della PI ha entrambi gli anodi a circa 330 v, poi il triodo a sinistra del loop effetti leggo 329, mentre il triodo a destra del loop (stessa valvola) la tensione cala a 230v (è normale visto che ho una resistenza da 120k prima dell'anodo).
Poi nei 4 anodi delle prime due valvole leggo una tensione che va da 195V a 180V, vanno bene questi valori?? Forse ,ma non penso proprio, il calo di tensione è causato dalla sezione del filo di collegamento tra M-N e P-Q?
Ho misurato le tensioni con i filamenti delle 4 Valvole alimentati, e le valvole finali scollegate.
Mi aspetto un calo delle tensioni quando alimenterò l'anodica delle due finali, ma 330V nella PI mi sembrano tanti, mentre i 190V delle due prime valvole del pre mi sembrano pochini.
Voi che ne dite??
Ti ricordi che valori di tensioni avevi tra anodo e massa delle varie valvole??
Io leggo delle tensioni molto diverse tra loro.
La valvola della PI ha entrambi gli anodi a circa 330 v, poi il triodo a sinistra del loop effetti leggo 329, mentre il triodo a destra del loop (stessa valvola) la tensione cala a 230v (è normale visto che ho una resistenza da 120k prima dell'anodo).
Poi nei 4 anodi delle prime due valvole leggo una tensione che va da 195V a 180V, vanno bene questi valori?? Forse ,ma non penso proprio, il calo di tensione è causato dalla sezione del filo di collegamento tra M-N e P-Q?
Ho misurato le tensioni con i filamenti delle 4 Valvole alimentati, e le valvole finali scollegate.
Mi aspetto un calo delle tensioni quando alimenterò l'anodica delle due finali, ma 330V nella PI mi sembrano tanti, mentre i 190V delle due prime valvole del pre mi sembrano pochini.
Voi che ne dite??
-
MapleMarco
- Roger Mayer Jr.

- Messaggi: 2658
- Iscritto il: 02/06/2012, 14:22
- Località: Mirano (VE)
Re: quale kit per un amp da 18W
tu prova a suonarci...perchè mi pare di ricordare che io fossi nell'ordine dei 200 volt all'anodo...
quindi ci siamo mi sa!
quindi ci siamo mi sa!
CHE DIO B'ASSISTA!
Re: quale kit per un amp da 18W
anche i 330 della Pi vanno bene??
Re: quale kit per un amp da 18W
buona domenica,
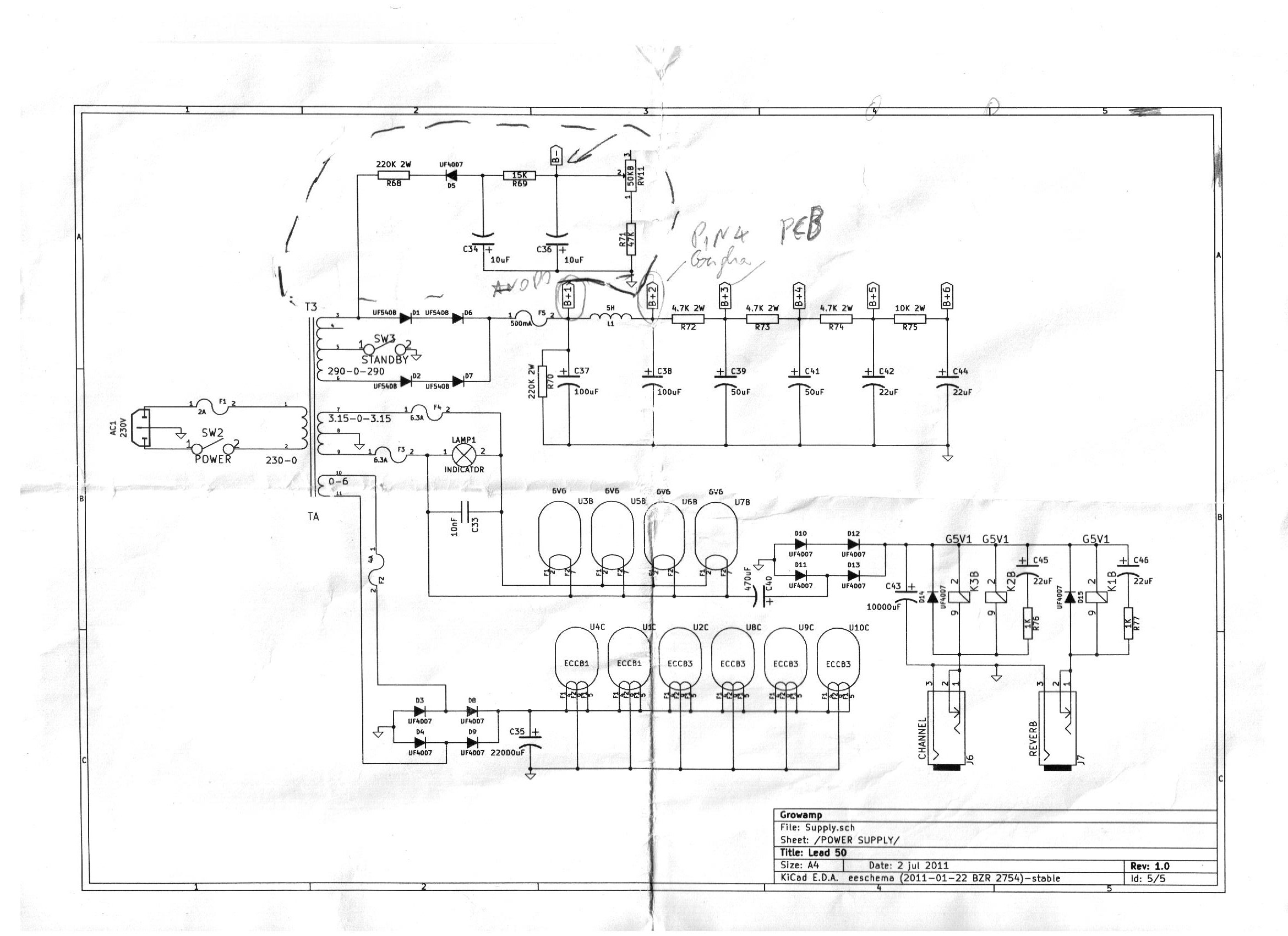
sto completando i collegamenti tra la PCB, ma ho qualche dubbio
La zona cerchiata in rosso penso sia diversa dallo schema di maplemarco. dalla resistenza 10K, leggendo lo schema, ci dovrebbe essere un collegamento come la linea rossa..lo posso lasciare così o devo modificare la pcb?
nel punto 2 manca un cap da 22u, lo metto attaccato al potenziometro giusto?
nel punto 1 collego la massa di potenziometri?
nel punto 3 collego la calza del cavo che viene dal jack?
grazie!!
sto completando i collegamenti tra la PCB, ma ho qualche dubbio
La zona cerchiata in rosso penso sia diversa dallo schema di maplemarco. dalla resistenza 10K, leggendo lo schema, ci dovrebbe essere un collegamento come la linea rossa..lo posso lasciare così o devo modificare la pcb?
nel punto 2 manca un cap da 22u, lo metto attaccato al potenziometro giusto?
nel punto 1 collego la massa di potenziometri?
nel punto 3 collego la calza del cavo che viene dal jack?
grazie!!
- Allegati
-
- schema maplemarco.pdf
- schema
- (43.07 KiB) Scaricato 160 volte
-
MapleMarco
- Roger Mayer Jr.

- Messaggi: 2658
- Iscritto il: 02/06/2012, 14:22
- Località: Mirano (VE)
Re: quale kit per un amp da 18W
3= massa eq pulito
1= massa eq lead
-2 (?) = è l'input della PI (ci arrivi dal master generale)
nel ciondolo rosso, le piste sono esatte.
ci sono due cap da 100n che danno a sue pin.
quello sotto (con un pin di massa vicino) è per il presence
quello sopra (senza massa) è per il depth, o direttamente il NFB se non vuoi inserire il controllo di depth
1= massa eq lead
-2 (?) = è l'input della PI (ci arrivi dal master generale)
nel ciondolo rosso, le piste sono esatte.
ci sono due cap da 100n che danno a sue pin.
quello sotto (con un pin di massa vicino) è per il presence
quello sopra (senza massa) è per il depth, o direttamente il NFB se non vuoi inserire il controllo di depth
CHE DIO B'ASSISTA!
Re: quale kit per un amp da 18W
Dove collego la massa della pcb (collegamento tra la pcb e il punto di massa sullo chassis) ?
Dove collego la massa dei pot che si trovano nella parte posteriore?
i Ralay si devono attivare tutti insieme giusto?
Collego un polo di tutti i relay allo 0 e l'altro polo lo collego al jack d'entrata del footswitch in modo da chiudere semplicemente il collegamento con il +12 quando il footswitch è premuto. praticamente il FS funge da interruttore con l'alimentazione dei relay.
Grazieeee!!!
Dove collego la massa dei pot che si trovano nella parte posteriore?
i Ralay si devono attivare tutti insieme giusto?
Collego un polo di tutti i relay allo 0 e l'altro polo lo collego al jack d'entrata del footswitch in modo da chiudere semplicemente il collegamento con il +12 quando il footswitch è premuto. praticamente il FS funge da interruttore con l'alimentazione dei relay.
Grazieeee!!!
-
MapleMarco
- Roger Mayer Jr.

- Messaggi: 2658
- Iscritto il: 02/06/2012, 14:22
- Località: Mirano (VE)
Re: quale kit per un amp da 18W
la massa della PCB mandala al negativo del cap di filtro che la alimenta...insomma....+e- della pcb vanno al +e- del cap.
la massa dei pot dietro, non so quali pot tu abbia messo dietro (onestamente non lo ricordo) ma da presence la massa ce l'hai attraverso la garza del cavetto schermato....loop idem, depth massa non ne ha...quindi boh
per il relay, manda la massa al footswitch e tieni il 12V sempre collegato che è meglio va!
la massa dei pot dietro, non so quali pot tu abbia messo dietro (onestamente non lo ricordo) ma da presence la massa ce l'hai attraverso la garza del cavetto schermato....loop idem, depth massa non ne ha...quindi boh
per il relay, manda la massa al footswitch e tieni il 12V sempre collegato che è meglio va!
CHE DIO B'ASSISTA!
Re: quale kit per un amp da 18W
Aiuto!!
ho quasi ultimato l'assemblaggio dell'ampli, ma non capisco per quale motivo adesso non funziona più l'alimentazione del bias.
Ho costruito il circuito evidenziato in alto nell'allegato, ma accendendo l'alimentazione non misuro quasi nessuna differenza di pontenziale tra B- e la massa.
io ho collegato un capo del TA alla resistenza e da li raddrizzo con il diodo (con il segno della banda rivolto verso la resistenza) mentre la parte terminale dopo la resistenza da 47K 'l'ho collegata allo chassis nel punto di terra comune.
Tra la resistenza da 220K e la massa misuro una tensione alternata da 180 V. mentre dopo il diodo non misuro nessuna tensione ne continua ne alternata.
Ho cambiato sia il diodo che il primo Cap, ma niente.
Ho provato anche a fare un piccolo circuito composto dal diodo e il primo Cap da 10u, ma niente da fare misuro appena qualche mV
cosa mi consigliate di fare?? dove sbaglio?
ho quasi ultimato l'assemblaggio dell'ampli, ma non capisco per quale motivo adesso non funziona più l'alimentazione del bias.
Ho costruito il circuito evidenziato in alto nell'allegato, ma accendendo l'alimentazione non misuro quasi nessuna differenza di pontenziale tra B- e la massa.
io ho collegato un capo del TA alla resistenza e da li raddrizzo con il diodo (con il segno della banda rivolto verso la resistenza) mentre la parte terminale dopo la resistenza da 47K 'l'ho collegata allo chassis nel punto di terra comune.
Tra la resistenza da 220K e la massa misuro una tensione alternata da 180 V. mentre dopo il diodo non misuro nessuna tensione ne continua ne alternata.
Ho cambiato sia il diodo che il primo Cap, ma niente.
Ho provato anche a fare un piccolo circuito composto dal diodo e il primo Cap da 10u, ma niente da fare misuro appena qualche mV
cosa mi consigliate di fare?? dove sbaglio?
- Kagliostro
- Amministratore

- Messaggi: 9947
- Iscritto il: 03/12/2007, 0:16
- Località: Prov. di Treviso
Re: quale kit per un amp da 18W
Ti sei ricordato che stai misurando una tensione DC negativa rispetto a massa ?
Ti sei ricordato di settare il tester per la DC ?
Come hai collegato i puntali del tester ?
Che tensioni AC misuri sui secondari del trasformatore ?
Dopo il ponte che tensione DC misuri ?
Il trasformatore di alimentazione che usi ha la presa centrale da collegare a massa ?
L'hai effettivamente collegata a massa ?
K
Ti sei ricordato di settare il tester per la DC ?
Come hai collegato i puntali del tester ?
Che tensioni AC misuri sui secondari del trasformatore ?
Dopo il ponte che tensione DC misuri ?
Il trasformatore di alimentazione che usi ha la presa centrale da collegare a massa ?
L'hai effettivamente collegata a massa ?
K
Re: quale kit per un amp da 18W
Il tester è impostato in dc, il cavo nero al comune.
con il nero tocco lo chassis e con il rosso tocco l'uscita b-.
Se misuro l'anodica rispetto allo chassis ho 400Vdc (senza valvole) quindi il tester funziona bene.
Non ho un ponte ma un diodo singolo collegato con la banda grigia verso la resistenza da 220k.
Tra l'ingresso del diodo e la massa misuro 180 Vac
Sui secondari misuro 290 Vac (dovrebbero essrre 280)
Il trasformatore non ha la presa di massa.
io ho collegato tutte le masse in un punto sullo chassis in alluminio e la terra è saldata allo chassis.. dove sbaglio?
con il nero tocco lo chassis e con il rosso tocco l'uscita b-.
Se misuro l'anodica rispetto allo chassis ho 400Vdc (senza valvole) quindi il tester funziona bene.
Non ho un ponte ma un diodo singolo collegato con la banda grigia verso la resistenza da 220k.
Tra l'ingresso del diodo e la massa misuro 180 Vac
Sui secondari misuro 290 Vac (dovrebbero essrre 280)
Il trasformatore non ha la presa di massa.
io ho collegato tutte le masse in un punto sullo chassis in alluminio e la terra è saldata allo chassis.. dove sbaglio?
Re: quale kit per un amp da 18W
Ho fatto un'altra prova:
Ho collegato un diodo a un polo del secondario con la banda grigia verso l'ingresso. dando corrente non misura nessuna tensione tra l'uscita del diodo e la massa.
invertendo il diodo ho misurato circa 220 Vdc.
è come se il trasformatore non forsisse le semionde negative???? Booo
Ho collegato un diodo a un polo del secondario con la banda grigia verso l'ingresso. dando corrente non misura nessuna tensione tra l'uscita del diodo e la massa.
invertendo il diodo ho misurato circa 220 Vdc.
è come se il trasformatore non forsisse le semionde negative???? Booo
Re: quale kit per un amp da 18W
L'interruttore dello st-by funziona?
- Kagliostro
- Amministratore

- Messaggi: 9947
- Iscritto il: 03/12/2007, 0:16
- Località: Prov. di Treviso
Re: quale kit per un amp da 18W
Ferma tutto e rilassati ......
quel circuito NON potrà mai funzionare
Quello schema funziona solo se il TA ha il CT e se il CT è collegato a massa
Per fortuna la soluzione esiste ed è semplice
K
p.s.: Poi, a mezzo MP ti mando l'indirizzo dove spedire la cassa di birre
-----
Una precisazione, il cap da 47n dovrebbe essere classe X
quel circuito NON potrà mai funzionare
Quello schema funziona solo se il TA ha il CT e se il CT è collegato a massa
Per fortuna la soluzione esiste ed è semplice
K
p.s.: Poi, a mezzo MP ti mando l'indirizzo dove spedire la cassa di birre
-----
Una precisazione, il cap da 47n dovrebbe essere classe X
Re: quale kit per un amp da 18W
Grande K!!!
io ho questo CAP http://www.tube-town.net/ttstore/Capaci ... :5376.html
va bene? non trovo la classe di appartenenza.
i due CAP che vanno a terra devono essere da 10u come lo schema che usavo io?
mentre il potenziometro da 50k??
p.s. è da qualche anno che non faccio più la birra a casa, possiamo accordarci per una cassetta di arance di Ribera??
io ho questo CAP http://www.tube-town.net/ttstore/Capaci ... :5376.html
va bene? non trovo la classe di appartenenza.
i due CAP che vanno a terra devono essere da 10u come lo schema che usavo io?
mentre il potenziometro da 50k??
p.s. è da qualche anno che non faccio più la birra a casa, possiamo accordarci per una cassetta di arance di Ribera??
