Figurati,Kappa!kagliostro ha scritto:Grazie Kene
K
Per tutte le volte che mi hai aiutato tu,mi lusinghi!
Figurati,Kappa!kagliostro ha scritto:Grazie Kene
K
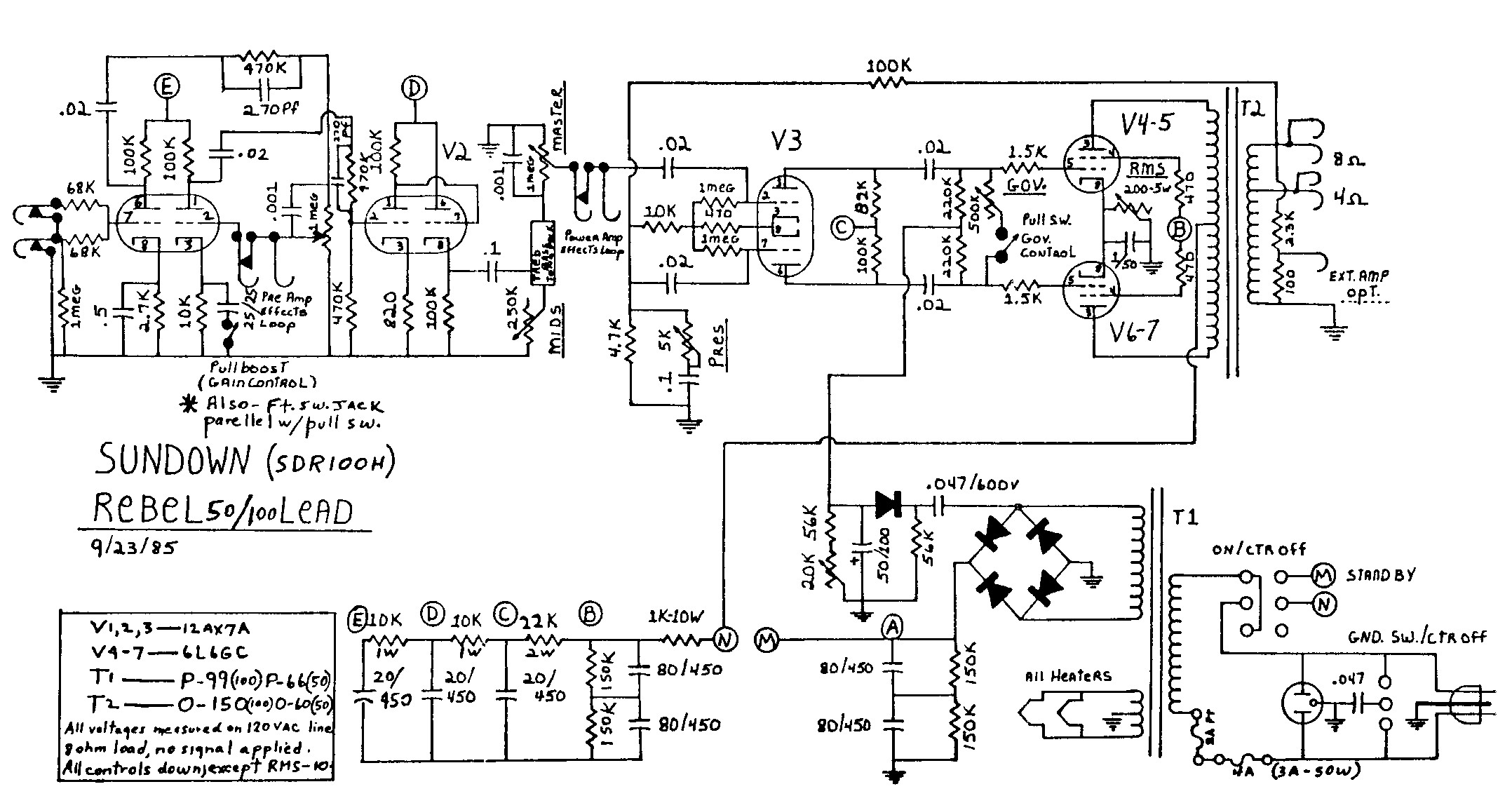
Scusa,robi, ma in che rapporto quantifichi la presenza di even rispetto quella di odd harmonics per avere un bel suono chitarristico quando spingi un finale in regime di overdrive,ti basi su una squadratura in qualche modo simmetrica del segnale?robi ha scritto:Specifico "armoniche di ordine elevato", perchè la leggenda delle armoniche pari è una cavolata colossale, perchè una componente di armoniche dispari è essenziale per la classica distorsione "chitarristica".



FrancoUtile per il basso, deleterio per la chitarra, che invece io taglio decisamente in basso, ma in modo che non venga percepito come un suono "sottile".
In questo modo solleciti molto meno l'alimentazione ed il finale, quindi hai un ampli più dinamico e percepito come "pieno".

Grazie robi!Da noi si dice che ".....la veja la vò mai murì,parchè 'nimpara yuna tüti i dì!"robi ha scritto:.......Utile per il basso, deleterio per la chitarra, che invece io taglio decisamente in basso, ma in modo che non venga percepito come un suono "sottile".
Grande Kappa,questa del gyrator non me la voglio perdere!!!kagliostro ha scritto:...... probabilmente con Gyrator......
Molto interessante!Non riesco però a capire in termini di vantaggio che differenza fa tagliare a 70 o a 85Hz.Lo chiedo per pura ignoranza mia,ben inteso!neroagani ha scritto:la frequenza minima della nota mi basso della chitarra è 82,4 Hz , quindi sotto non ha senso andare .
poi considera che non è un taglio " netto " cioè se lo calcoli per 85 non vuol dire che a 84,9 non riproduce nulla .
ho fatto un trasfo per SE da 10Watt e 2500 ohm / 8 ohm , e comparato ad un hammond 125ESE non ha sfigurato per nulla .
ciao

Perché mi sono sbagliato ed il mio riferimento era invece 82Perché 70 Hz il minimo?
FrancoEDIT:
Di sicuro sarà stato meglio, quel modello di TU ha una frequenza minima di 100Hz e, credo di non sbagliarmi, un sistema dei secondari che non è otimizzato per il rendimento, ma per la possibilità di variare le impedenzeho fatto un trasfo per SE da 10Watt e 2500 ohm / 8 ohm , e comparato ad un hammond 125ESE non ha sfigurato per nulla
Un bicordo di E5 utilizzando l'accordatura standard porta come tonica il Mi basso,appunto a 82Hz.robi ha scritto:Vi rispondo con alcune domande.
Perché 70 Hz il minimo?
Con quale accordatura la nota più bassa è 82 Hz?
Con la accordatura standard, suonando un bicordo con della IMD?
Quando dite "tagliare", quanti dB tagliate a quella frequenza? Con quale pendenza dB/ottava?
Per ora basta!
Voghera dista intorno ai 20 Km da Tortona, 10 circa da Pontecurone.Il dialetto che si parla qui risente tantissimo dal Piemontese!robi ha scritto:Kene, avevo una ragazza di Pavia, ma questa non la sapevo.
Fra l'altro é molto "piemontese" come dialetto, mi piace!