quale attenuatore per jcm800 50w sarebbe meglio 100w
- Kagliostro
- Amministratore

- Messaggi: 9942
- Iscritto il: 03/12/2007, 0:16
- Località: Prov. di Treviso
Re: quale attenuatore per jcm800 50w sarebbe meglio 100w
Ma l'ampli te lo sei fatto da solo ?
E non ti ricordavi se fosse fixed bias o cathode bias ?
K
E non ti ricordavi se fosse fixed bias o cathode bias ?
K
- stefano915
- Diyer Esperto

- Messaggi: 389
- Iscritto il: 20/06/2012, 21:50
- Località: Roma
Re: quale attenuatore per jcm800 50w sarebbe meglio 100w
si l'ho costruito io seguendo lo schema di ceriatone, non è che non mi ricordavo se era fixed o cathode, non conoscevo proprio la differenza tra i due!!!, poi quando mi hai domandato "secondo te come è il tuo ampli cathode o fixed", li intendevo dire fixed perche avevo immaginato che il bias non variasse sul mio ampli dopo averlo regolato, ma ho scritto cathode per errore... ste cose le scopro man mano che leggo nel forum, cmq ho trovato un libro online di elettronica valvolare, e inizio a studiarmelo perche questo mondo mi piace molto. Cmq vedendo le immagini del vvr fixed bias non credo che sia molto complicato tirare giu uno schemino elettrico e clonarlo che ne pensi? http://www.hallamplification.com/mediac ... N2132a.JPG
- Kagliostro
- Amministratore

- Messaggi: 9942
- Iscritto il: 03/12/2007, 0:16
- Località: Prov. di Treviso
Re: quale attenuatore per jcm800 50w sarebbe meglio 100w
I sistemi con pot doppio vanno bene per ampli non troppo potenti in quanto modificano il valore del bias in proporzione alla variazione dell'anodica e, per quanto io ne sappia, ci vorrebbero due pot di valore diverso accoppiati su di un unico perno
Se comunque riesci a tirar giù lo schema ..... bene, anche a me piacerebbe vedere come sono
Non ho comunque detto di non aver visto schemi
ho detto di non averne trovati online
Come te la cavi con Eagle per le PCB ?
K
Se comunque riesci a tirar giù lo schema ..... bene, anche a me piacerebbe vedere come sono
Non ho comunque detto di non aver visto schemi
ho detto di non averne trovati online
Come te la cavi con Eagle per le PCB ?
K
- stefano915
- Diyer Esperto

- Messaggi: 389
- Iscritto il: 20/06/2012, 21:50
- Località: Roma
Re: quale attenuatore per jcm800 50w sarebbe meglio 100w
i doppi potenziometri su un unico perno sono come quello nella foto che ho postato? devo vedere chi li vende. per i pcb di solito li disegno su carta poi faccio una scansione e ottengo l'immagine specchiata, la stampo su carta usando una stampante laser a toner, poi poggio il foglio con il layout specchiato ottenuto su un foglio ramato del pcb e ci passo il ferro da stiro, quando tolgo il foglio di carta sul pcb rimarranno le piste disegnate dal toner che si è attaccato al rame, se ci sono imperfezioni ripasso le piste con un pennarello indelebile e poi metto a bagno nella soluzione di acido per pcb, sarà un metodo rudimentale, ma i risultati sono molto buoni! ora non ridete! 
- Kagliostro
- Amministratore

- Messaggi: 9942
- Iscritto il: 03/12/2007, 0:16
- Località: Prov. di Treviso
Re: quale attenuatore per jcm800 50w sarebbe meglio 100w
Trovare pot doppi non è un problema
trovarli di valore diverso l'uno dall'altro, si
comunque non ti preoccupare
NON serve utilizzare un pot doppio
a meno che tu non voglia fare il circuito di cui hai postato l'immagine
Non intendevo come fai a realizzare la PCB
molti usano il metodo "Stira ed Ammira"
intendevo come fai per disegnarla e mi pare che le fai a mano
Compito per casa, scaricare Fidocadj e perderci 1/2 ora per imparare ad usarlo, si impara presto
non è come Eagle che fa anche lo sbroglio, ma ci puoi fare le PCB
http://sourceforge.net/projects/fidocadj/
qui le istruzioni
http://netcologne.dl.sourceforge.net/pr ... ual_it.pdf
Tutto in italiano
(istruzioni per disegnare la PCB da pagina 15)
K
trovarli di valore diverso l'uno dall'altro, si
comunque non ti preoccupare
NON serve utilizzare un pot doppio
a meno che tu non voglia fare il circuito di cui hai postato l'immagine
Non intendevo come fai a realizzare la PCB
molti usano il metodo "Stira ed Ammira"
intendevo come fai per disegnarla e mi pare che le fai a mano
Compito per casa, scaricare Fidocadj e perderci 1/2 ora per imparare ad usarlo, si impara presto
non è come Eagle che fa anche lo sbroglio, ma ci puoi fare le PCB
http://sourceforge.net/projects/fidocadj/
qui le istruzioni
http://netcologne.dl.sourceforge.net/pr ... ual_it.pdf
Tutto in italiano
(istruzioni per disegnare la PCB da pagina 15)
K
- stefano915
- Diyer Esperto

- Messaggi: 389
- Iscritto il: 20/06/2012, 21:50
- Località: Roma
Re: quale attenuatore per jcm800 50w sarebbe meglio 100w
da paura professo!!!programma e guida scaricati domani mattina mi alzo presto e inizio a studiare (sto in disoccupazione ordinaria
) intanto do un occhiata : )
per quel circuito che ho postato, l'idea era di rifare proprio quello, ma se dici che è difficile reperire quel doppio potenziomentro ne cercherò un'altro
per quel circuito che ho postato, l'idea era di rifare proprio quello, ma se dici che è difficile reperire quel doppio potenziomentro ne cercherò un'altro
- Kagliostro
- Amministratore

- Messaggi: 9942
- Iscritto il: 03/12/2007, 0:16
- Località: Prov. di Treviso
Re: quale attenuatore per jcm800 50w sarebbe meglio 100w
Va tutto bene tranne "professo"
Tu fa un po' di pratica con le PCB che poi ...............
K
Tu fa un po' di pratica con le PCB che poi ...............
K
- stefano915
- Diyer Esperto

- Messaggi: 389
- Iscritto il: 20/06/2012, 21:50
- Località: Roma
Re: quale attenuatore per jcm800 50w sarebbe meglio 100w
eheheheheh va beneeee 
- stefano915
- Diyer Esperto

- Messaggi: 389
- Iscritto il: 20/06/2012, 21:50
- Località: Roma
Re: quale attenuatore per jcm800 50w sarebbe meglio 100w
K ti riscrivo qui perche i PM non partono mi rimangono in uscita... ecco il link, il pdf sta in fondo alla pagina, io me lo sono scaricato perche sul sito è troppo piccolo. http://revolutiondeux.blogspot.it/2012/ ... power.html
- Kagliostro
- Amministratore

- Messaggi: 9942
- Iscritto il: 03/12/2007, 0:16
- Località: Prov. di Treviso
Re: quale attenuatore per jcm800 50w sarebbe meglio 100w
Visto
e ti ho anche risposto, hai un MP
Ciao
K
e ti ho anche risposto, hai un MP
Ciao
K
- stefano915
- Diyer Esperto

- Messaggi: 389
- Iscritto il: 20/06/2012, 21:50
- Località: Roma
Re: quale attenuatore per jcm800 50w sarebbe meglio 100w
si si ho visto grazie : )
- stefano915
- Diyer Esperto

- Messaggi: 389
- Iscritto il: 20/06/2012, 21:50
- Località: Roma
Re: quale attenuatore per jcm800 50w sarebbe meglio 100w
Ciao ragazzi mi è arrivato l'attenuatore, ho preso un weber mass lite 100 usato, l'ho pagato poco (pensando se non mi piace lo rivendo)ed è in pratica come nuovo! Vi riassumo la mia esperienza con questo attenuatore. Avevate ragione...
come dicevate è impossibile sfruttare il finale tirato a canna in camera anche con un attenuatore (a meno che si prenda come attenuatore l'aracom dag prx 150 da 800$ poi pagare anche spedizione e dogana perche viene dagli Stati Uniti), non per il volume, anzi.. questo attenuatore mi consente di suonare l'ampli al massimo del volume zittendolo completamente, ma il tono che ottengo è tutto il contrario di quello che cercavo! Mi spiego meglio: il mio scopo era di sfruttare il finale per smussare e ammorbidire il tono perche suonando solo col preamplificatore il mio suono non mi convinceva, sembrava un po acido e secco, invece con l'attenuatore al massimo livello di attenuazione, valvole finali al massimo e il pre a ore 6 il suono peggiora pure! Fa schifo!!!
Si ottiene un suono stridulo tagliente freddo, citofonico e certe volte i bassi sembravano scureggiare come quando i coni strombano perche il volume è troppo alto o i bassi troppo alti ,ma in questo caso il volume reale della cassa era bassissimo quindi perche farà cosi? Sarà un problema del mio amplificatore? o le mie el34 fanno schifo? io so che il suono tipico marshall si ottiene saturando il finale ma non mi sono mai chiesto se con le el34 o le 6550, non è che questo discorso è valido solo con quest'ultime? . : ( . Comunque cosi non poteva andare e ho agito diversamente. Ora uso nuovamente il finale a bassi volumi ( bassi si fa per dire) tra le ore 2 o 3, il preamplificatore da ore 8 a 10 , e uso l'attenuatore selezionando il range di attenuazione piu basso (nel senso che attenua di meno, per fare questo c'è un pulsante che mi consente di selezionare il livello di attenuazione. Selezionando high range attenua poco, selezionando low range attenua tanto. Secondo me dovevano essere scritti al contrario o hanno montato l'interruttore sottosopra
). Il bello di questo attenuatore è che ci sono internamente 2 reostati, uno gestisce i medio bassi, l'altro i medi alti in modo tale si possono trovare moltissimi settaggi sui toni!. Facendo un po di prove ho trovato il tono che cercavo anche senza tirere il finale, il suono ora è piu mordibo e smussato ma allo stesso tempo dovreste sentire come ruggisce !!! Con l'amplificatore settato in questo modo: presence: 0 bassi 7 medi 2, alti 5,5 volume del finale a 2-3 master volume a 8-9 ricalco molto fedelmente il tono di Angus in Back in black! In poche parole il tono del mio amplificatore attraverso questo attenuatore è addirittura migliorato per i miei gusti
.
P.s. qualche novità sul vvr fixed biax?
P.s. qualche novità sul vvr fixed biax?
- Kagliostro
- Amministratore

- Messaggi: 9942
- Iscritto il: 03/12/2007, 0:16
- Località: Prov. di Treviso
Re: quale attenuatore per jcm800 50w sarebbe meglio 100w
Oggi ti ho disegnato lo schema ma mi manca ancora qualche dettaglio
va da se che io ci metto lo schema (fa tutto in automatico, una fig***)
il progetto è di ...................... un mago
ma la PCB te la devi buttare giù da solo e se la fai postala
un forum è fatto per condividere no ?
K
va da se che io ci metto lo schema (fa tutto in automatico, una fig***)
il progetto è di ...................... un mago
ma la PCB te la devi buttare giù da solo e se la fai postala
un forum è fatto per condividere no ?
K
- stefano915
- Diyer Esperto

- Messaggi: 389
- Iscritto il: 20/06/2012, 21:50
- Località: Roma
Re: quale attenuatore per jcm800 50w sarebbe meglio 100w
Grandeeeeeeee K !!!!!!!!! non vedo l'ora di vederlo e di capire come funziona poi mi spieghi che significa che fa tutto automaticamente. Per la PCB è ovvio che ve la posto sarebbe il minimo e mi impegnerò per farla bene
nel frattempo mi sto leggendo un po di teoria valvolare
e chi sarebbe questo mago
se si può sapere mandamelo in pm se no grazie a chiunque sia stato! e infinitamente grazie a te K : )
e chi sarebbe questo mago
- Kagliostro
- Amministratore

- Messaggi: 9942
- Iscritto il: 03/12/2007, 0:16
- Località: Prov. di Treviso
Re: quale attenuatore per jcm800 50w sarebbe meglio 100w
Guarda è quel famoso Mago delle Valvole .................... ti dice niente ?
Per la PCB hai fatto un po' di prove con Fidocadj ?
---
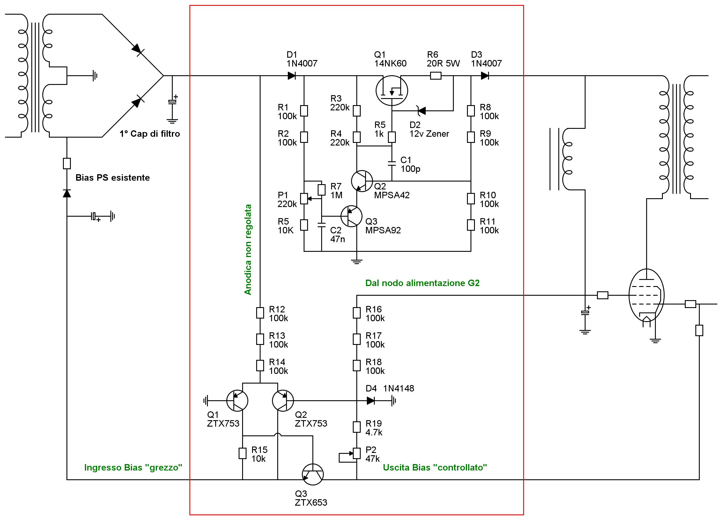
Fa tutto automaticamente perchè c'è un circuito che sente le variazioni dell'anodica e le riporta sul bias, in questo modo c'è sempre proporzione tra anodica e bias comandando con un solo potenziometro, comandando con due potenziometri ci si avvicina, ma non come con questo schema (vedi circuito nel riquadro rosso)
Nello schema, vi sono dei resistori in serie, l'autore li ha previsti per poter usare resistenze da 1/4 di W ma possono essere sostituite con un unico resistore di valore adeguato come resistenza e W
La regolazione del trimmer del bias (quello da 47k) va fatta con il pot della regolazione al massimo e poi non si tocca più
I transistor e le resistenze si trovano da RS se non li trovi da altre parti
naturalmente serve una bella aletta di raffreddamento di dimensioni generose per il mosfet e se l'ampli è da 100W anche una ventola
K
Per la PCB hai fatto un po' di prove con Fidocadj ?
---
Fa tutto automaticamente perchè c'è un circuito che sente le variazioni dell'anodica e le riporta sul bias, in questo modo c'è sempre proporzione tra anodica e bias comandando con un solo potenziometro, comandando con due potenziometri ci si avvicina, ma non come con questo schema (vedi circuito nel riquadro rosso)
Nello schema, vi sono dei resistori in serie, l'autore li ha previsti per poter usare resistenze da 1/4 di W ma possono essere sostituite con un unico resistore di valore adeguato come resistenza e W
La regolazione del trimmer del bias (quello da 47k) va fatta con il pot della regolazione al massimo e poi non si tocca più
I transistor e le resistenze si trovano da RS se non li trovi da altre parti
naturalmente serve una bella aletta di raffreddamento di dimensioni generose per il mosfet e se l'ampli è da 100W anche una ventola
K
