Sceglieró con attenzione una delle soluzioni da te proposte per la nuova creatura. Ho giá cominciato a rimettettere mano agli schemi e sto per fare l'ordine del materiale. Sto valutando se posso riuscire a mettere entrambe le tipologie di valvola ( GU50 con alimentazione in parallelo e KT88 o altre valvole che vadano su zoccoli octal ma con alimentazione in serie) con gli zoccoli in parallelo. Devo vedermi bene i datasheet. É una soluzione che mi intriga tanto. Spero di poterla adottare e di sentire le differenze con più tipi di valvole. Sarebbe davvero versatile!!!
TA reciclato per 470 V di anodica
Re: TA reciclato per 470 V di anodica
Sceglieró con attenzione una delle soluzioni da te proposte per la nuova creatura. Ho giá cominciato a rimettettere mano agli schemi e sto per fare l'ordine del materiale. Sto valutando se posso riuscire a mettere entrambe le tipologie di valvola ( GU50 con alimentazione in parallelo e KT88 o altre valvole che vadano su zoccoli octal ma con alimentazione in serie) con gli zoccoli in parallelo. Devo vedermi bene i datasheet. É una soluzione che mi intriga tanto. Spero di poterla adottare e di sentire le differenze con più tipi di valvole. Sarebbe davvero versatile!!!
Re: TA reciclato per 470 V di anodica
Sceglieró con attenzione una delle soluzioni da te proposte per la nuova creatura. Ho giá cominciato a rimettettere mano agli schemi e sto per fare l'ordine del materiale. Sto valutando se posso riuscire a mettere entrambe le tipologie di valvola ( GU50 con alimentazione in parallelo e KT88 o altre valvole che vadano su zoccoli octal ma con alimentazione in serie) con gli zoccoli in parallelo. Devo vedermi bene i datasheet. É una soluzione che mi intriga tanto. Spero di poterla adottare e di sentire le differenze con più tipi di valvole. Sarebbe davvero versatile!!!
- Kagliostro
- Amministratore

- Messaggi: 9985
- Iscritto il: 03/12/2007, 0:16
- Località: Prov. di Treviso
Re: TA reciclato per 470 V di anodica
Con circa 60 € ti puoi procurare un paio di KT88 con relativi zoccoli (+ spedizione)
per un paio di GU50 saresti a ~24 € (più spedizione) con gli zoccoli da carrarmato
a ~20 € (più sped.) con quelli solo ceramica, ma sarebbe saggio ordinare un
TU che come impedenza sia compatibile anche con altre valvole, nel caso tu non sia
soddisfatto del risultato offerto dalle GU50
---
C'è chi ha arrangiato anche un adattatore, ma solo per provare i tubi nel provavalvole, usare degli adattatori del genere su un ampli da portare in giro temo sarebbe complicato

qui la piedinatura riportata sullo zoccolo

e qui un template delle opzioni per il montaggio degli zoccoli in ceramica (sopra o sotto lo chassis)

in ogni caso sarà bene prevedere un sistema di bloccaggio delle valvole in modo che non possano sfilarsi (se usi il solo zoccolo ceramico)
non è difficile farlo, anzi è piuttosto semplice con una barretta filettata da 5MA o 6MA, un pezzetto di piatto di inox (o ferro o alluminio), 4 dadi e 2 viti
K
per un paio di GU50 saresti a ~24 € (più spedizione) con gli zoccoli da carrarmato
a ~20 € (più sped.) con quelli solo ceramica, ma sarebbe saggio ordinare un
TU che come impedenza sia compatibile anche con altre valvole, nel caso tu non sia
soddisfatto del risultato offerto dalle GU50
---
C'è chi ha arrangiato anche un adattatore, ma solo per provare i tubi nel provavalvole, usare degli adattatori del genere su un ampli da portare in giro temo sarebbe complicato

qui la piedinatura riportata sullo zoccolo

e qui un template delle opzioni per il montaggio degli zoccoli in ceramica (sopra o sotto lo chassis)

in ogni caso sarà bene prevedere un sistema di bloccaggio delle valvole in modo che non possano sfilarsi (se usi il solo zoccolo ceramico)
non è difficile farlo, anzi è piuttosto semplice con una barretta filettata da 5MA o 6MA, un pezzetto di piatto di inox (o ferro o alluminio), 4 dadi e 2 viti
K
Re: TA reciclato per 470 V di anodica
...Sto studiando una soluzione per poter usufruire sia delle GU50 sia delle kt88 / EL34 / 6550 mettendo 2+2 zoccoli in parallelo.
Come T.U., un'impedenza del primario di 1,5k potrebbe adattarsi a tutte le tipologie, credo.
In P.S.E.:
GU50 = 1Kohm
6550 = 1,5Kohm
EL34 = 1K
KT88 = 1,5 K
500 Ohm di differenza possono essere tollerabili nella trasparenza timbrica del suono in uscita o è meglio essere rigorosamente fiscali ed adottare un primario ad 1kohm ?
Come corrente dovrei starci con un 45w a 250 mA ( sempre riferito al TU )
P.S.: ...mi sfugge una cosa. Non riesco a capire se le GU50 vanno alimentate a 12,6 V in alternata.
Come T.U., un'impedenza del primario di 1,5k potrebbe adattarsi a tutte le tipologie, credo.
In P.S.E.:
GU50 = 1Kohm
6550 = 1,5Kohm
EL34 = 1K
KT88 = 1,5 K
500 Ohm di differenza possono essere tollerabili nella trasparenza timbrica del suono in uscita o è meglio essere rigorosamente fiscali ed adottare un primario ad 1kohm ?
Come corrente dovrei starci con un 45w a 250 mA ( sempre riferito al TU )
P.S.: ...mi sfugge una cosa. Non riesco a capire se le GU50 vanno alimentate a 12,6 V in alternata.
- Kagliostro
- Amministratore

- Messaggi: 9985
- Iscritto il: 03/12/2007, 0:16
- Località: Prov. di Treviso
Re: TA reciclato per 470 V di anodica
Visto che il TU te lo devi far fare su misura, per ottenere il massimo dai tubi
io lo farei fare da 1.5k con prese intermedie a 1k (due prese, tipo quelli UL)
1.5k considerando che vada bene per le KT88, se vanno meglio con 2k
allora 2k + prese ad 1k, senti Savino sull'argomento
---
Le GU50 hanno il filamento a 12.6v ma dovrebbero funzionare anche con 12v
K
io lo farei fare da 1.5k con prese intermedie a 1k (due prese, tipo quelli UL)
1.5k considerando che vada bene per le KT88, se vanno meglio con 2k
allora 2k + prese ad 1k, senti Savino sull'argomento
---
Le GU50 hanno il filamento a 12.6v ma dovrebbero funzionare anche con 12v
K
Re: TA reciclato per 470 V di anodica
Quindi, se non ho capito male, tu ti riferisci ad un primario costituito così: 0 - 500 - 1k - 2k. In questo modo oltre ad avere la massima versatilitá di collegamento, potrei anche sentire come suona un'altra coppia di valvole che non avevo preso in considerazione per via del loro carico resistivo, ovvero 2 6l6 che in PSE mi vanno a 2k!
Bella pensata!
Bella pensata!
- Kagliostro
- Amministratore

- Messaggi: 9985
- Iscritto il: 03/12/2007, 0:16
- Località: Prov. di Treviso
Re: TA reciclato per 470 V di anodica
Sì, qualcosa tipo così
e magari meglio con 2 secondari 4 e 8 ohm
alla bisogna puoi avere altri valori di impedenza solo spostando la cassa su un'altra presa
(se colleghi 8ohm alla presa da 4ohm, ad esempio, raddoppi l'impedenza riflessa al primario)
quindi potresti avere 2k - 3k e 4k con un unico TU
Ma senti Savino in merito a fattibilità (e costo)
K
e magari meglio con 2 secondari 4 e 8 ohm
alla bisogna puoi avere altri valori di impedenza solo spostando la cassa su un'altra presa
(se colleghi 8ohm alla presa da 4ohm, ad esempio, raddoppi l'impedenza riflessa al primario)
quindi potresti avere 2k - 3k e 4k con un unico TU
Ma senti Savino in merito a fattibilità (e costo)
K
Re: TA reciclato per 470 V di anodica
...Quanto mi piacciono ste cose!!! Mi attizza molto il discorso.
Vediamo cosa mi dice il buon Santino.
Tank you very much K.!
-
MapleMarco
- Roger Mayer Jr.

- Messaggi: 2658
- Iscritto il: 02/06/2012, 14:22
- Località: Mirano (VE)
Re: TA reciclato per 470 V di anodica
bestia!
ora vedo il topic!
450VA????
che....fondo-schiena a trovarlo! D:
mi ci farei il DR201 hiwatt con 6 EL34
ora vedo il topic!
450VA????
che....fondo-schiena a trovarlo! D:
mi ci farei il DR201 hiwatt con 6 EL34
CHE DIO B'ASSISTA!
Re: TA reciclato per 470 V di anodica
...430 VA.
Cmq, si. Hai ragione. Ho avuto questa piccola fortuna in un mare di sfiga che mi perseguita. Quello che posso dire é che almeno ho avuto il buon senso di sfruttatlo a mio vantaggio ( devo dire che in parte é anche merito del tuo post sulle alimentazioni a specchio. Lì ho avuto l'idea) mentre altre persone lo avrebbero distrutto per prendersi il rame!!!!
Vabbé. Ognuno ha le sue prerogative. La mia era un trasfo in grado di fare questo. Mi é andata bene
Spero di recuperare i "gemellini" nel prossimo lavoro prima che finiscano sotto la mola dei pirati del rame!!!!!!!!

P.s.: il tuo tread mi ha fatto venire voglia di metterne 2 in parallelo per un bel 120w pp. Giá godo all'idea dei 2 sec da 12v a 4,16 A in parallelo!
Cmq, si. Hai ragione. Ho avuto questa piccola fortuna in un mare di sfiga che mi perseguita. Quello che posso dire é che almeno ho avuto il buon senso di sfruttatlo a mio vantaggio ( devo dire che in parte é anche merito del tuo post sulle alimentazioni a specchio. Lì ho avuto l'idea) mentre altre persone lo avrebbero distrutto per prendersi il rame!!!!
Vabbé. Ognuno ha le sue prerogative. La mia era un trasfo in grado di fare questo. Mi é andata bene
Spero di recuperare i "gemellini" nel prossimo lavoro prima che finiscano sotto la mola dei pirati del rame!!!!!!!!
P.s.: il tuo tread mi ha fatto venire voglia di metterne 2 in parallelo per un bel 120w pp. Giá godo all'idea dei 2 sec da 12v a 4,16 A in parallelo!
Re: TA reciclato per 470 V di anodica
...magari dalla parte opposta ai trafi ci mettiamo un pó di piombo per bilanciare di contrapeso ????

- Kagliostro
- Amministratore

- Messaggi: 9985
- Iscritto il: 03/12/2007, 0:16
- Località: Prov. di Treviso
Re: TA reciclato per 470 V di anodica
Basta metterli uno a destra ed uno a sinistra, il TU al centro
K
K
Re: TA reciclato per 470 V di anodica
La testata la dovrei progettare con uno chassis in acciaio di 3mm!
...mi sa tanto che la testata la lascerebbe chiunque in sala prove per non TRASPORTARLA di nuovo alla macchina!
- Kagliostro
- Amministratore

- Messaggi: 9985
- Iscritto il: 03/12/2007, 0:16
- Località: Prov. di Treviso
Re: TA reciclato per 470 V di anodica
Quella di uno a dx ed uno a sn voleva essere solo una battuta
un peso simile sarebbe giustificato per una testata da basso da 300W almeno
ma per qualcosa di più piccolo, come dici, scoraggerebbe i trasferimenti
K
un peso simile sarebbe giustificato per una testata da basso da 300W almeno
ma per qualcosa di più piccolo, come dici, scoraggerebbe i trasferimenti
K
- Kagliostro
- Amministratore

- Messaggi: 9985
- Iscritto il: 03/12/2007, 0:16
- Località: Prov. di Treviso
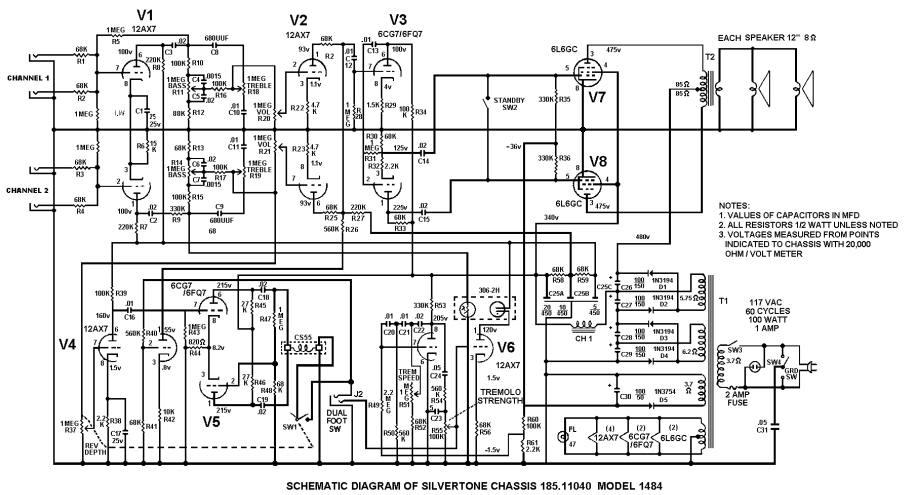
Re: TA reciclato per 470 V di anodica
Solo oggi ho visto lo schema del Silvertone 1484 e sono contento di verificare che la mia idea di usare un duplicatore e metterlo anche in serie con altri raddrizzatori non era così campata in aria, nel Silvertone 1484 ci sono adirittura due duplicatori in serie
K
K
