Triamp con GU50 e KT88
- Kagliostro
- Amministratore
- Messaggi: 9864
- Iscritto il: 03/12/2007, 0:16
- Località: Prov. di Treviso
Re: Triamp con GU50 e KT88
Pensaci bene, perchè è una scelta che potrebbe avere influenza sul tipo di TU che devi usare
K
K
Re: Triamp con GU50 e KT88
Potresti approfondire in che modo ?
Ripeto: sto cercando di documentarmi in merito a questa soluzione.
Ripeto: sto cercando di documentarmi in merito a questa soluzione.
- Kagliostro
- Amministratore
- Messaggi: 9864
- Iscritto il: 03/12/2007, 0:16
- Località: Prov. di Treviso
Re: Triamp con GU50 e KT88
Non sono molto esperto di fixed bias, ma parlando di cathode bias
mettiamo di avere un PP di 2 valvole X ed un PP di 2 valvole Y e che tutte siano montate contemporaneamente nell'ampli,
puoi usare il metodo del PPIMV (DOPPIO) per controllare quanta potenza far emettere da ogni coppia
in questo modo nell'ampli le 4 valvole rimangono sempre collegate e non cambia l'impedenza necessaria per farle lavorare al meglio
se invece una coppia di valvole venisse esclusa dal circuito, succederebbe che l'impedenza del primario non si adatterebbe più al loro funzionamento ottimale (naturamente impedenza vista dalle valvole come impedenza riflessa in rapporto all'impedenza dello speaker ed al rapporto di trasformazione del TU)
in pratica mettiamo che le 2 valvole X messe da sole in PP vogliano un'impedenza riflessa di 8k ed anche le 2 valvole Y messe da sole in PP vogliano un'impedenza riflessa di 8k, se mettiamo le due coppie in PPP (le due coppie contemporaneamente nel circuito, in PP Parallelato) allora queste necessiteranno di un'impedenza riflessa di 4k, impedenza che al momento di scollegare una coppia ritorna ad essere di 8k
per raggiungere questo nuovo valore, di impedenza riflessa, bisogna escogitare un piccolo "trucco" cioè collegare l'altoparlante ad una presa del secondario del TU diversa (e naturalmente il TU deve avercela questa presa o non si può fare nulla) collegando, ad esempio, lo speaker da 8ohm non più alla presa del TU da 8ohm, ma collegandolo alla presa del secondario del TU da 4ohm, di fatto raddoppia l'impedenza riflessa vista dalle valvole
quindi se si usa un PPIMV l'impedenza richiesta rimane la stessa e non c'è necessità di spostare nulla, mentre se si scollegano (in qualche modo) valvole dal circuito l'impedenza deve essere variata e quindi si deve necessariamente avere più prese secondarie adatte sul TU
se devo raddoppiare l'impedenza ed ho uno speaker da 8ohm che normalmente è collegato alla presa ad 8ohm del TU e l'unica altra presa secondaria disponibile sul TU è da 16ohm, allora non posso fare nulla, mentre se l'altra presa disponibile è da 4ohm posso risolvere, naturalmente se il TU avesse solo una presa secondaria mi sarei precluso l'utilizzo di sistemi che prevedono che delle valvole siano scollegate dal circuito (ed anche, entro certi limiti, il poter usare il TU in circuiti diversi che richiedano una diversa impedenza riflessa)
Spero di essermi spiegato in modo comprensibile
Ciao
K
mettiamo di avere un PP di 2 valvole X ed un PP di 2 valvole Y e che tutte siano montate contemporaneamente nell'ampli,
puoi usare il metodo del PPIMV (DOPPIO) per controllare quanta potenza far emettere da ogni coppia
in questo modo nell'ampli le 4 valvole rimangono sempre collegate e non cambia l'impedenza necessaria per farle lavorare al meglio
se invece una coppia di valvole venisse esclusa dal circuito, succederebbe che l'impedenza del primario non si adatterebbe più al loro funzionamento ottimale (naturamente impedenza vista dalle valvole come impedenza riflessa in rapporto all'impedenza dello speaker ed al rapporto di trasformazione del TU)
in pratica mettiamo che le 2 valvole X messe da sole in PP vogliano un'impedenza riflessa di 8k ed anche le 2 valvole Y messe da sole in PP vogliano un'impedenza riflessa di 8k, se mettiamo le due coppie in PPP (le due coppie contemporaneamente nel circuito, in PP Parallelato) allora queste necessiteranno di un'impedenza riflessa di 4k, impedenza che al momento di scollegare una coppia ritorna ad essere di 8k
per raggiungere questo nuovo valore, di impedenza riflessa, bisogna escogitare un piccolo "trucco" cioè collegare l'altoparlante ad una presa del secondario del TU diversa (e naturalmente il TU deve avercela questa presa o non si può fare nulla) collegando, ad esempio, lo speaker da 8ohm non più alla presa del TU da 8ohm, ma collegandolo alla presa del secondario del TU da 4ohm, di fatto raddoppia l'impedenza riflessa vista dalle valvole
quindi se si usa un PPIMV l'impedenza richiesta rimane la stessa e non c'è necessità di spostare nulla, mentre se si scollegano (in qualche modo) valvole dal circuito l'impedenza deve essere variata e quindi si deve necessariamente avere più prese secondarie adatte sul TU
se devo raddoppiare l'impedenza ed ho uno speaker da 8ohm che normalmente è collegato alla presa ad 8ohm del TU e l'unica altra presa secondaria disponibile sul TU è da 16ohm, allora non posso fare nulla, mentre se l'altra presa disponibile è da 4ohm posso risolvere, naturalmente se il TU avesse solo una presa secondaria mi sarei precluso l'utilizzo di sistemi che prevedono che delle valvole siano scollegate dal circuito (ed anche, entro certi limiti, il poter usare il TU in circuiti diversi che richiedano una diversa impedenza riflessa)
Spero di essermi spiegato in modo comprensibile
Ciao
K
-
- Roger Mayer Jr.
- Messaggi: 2658
- Iscritto il: 02/06/2012, 14:22
- Località: Mirano (VE)
Re: Triamp con GU50 e KT88
Tutto sommato, sarebbe più semplice l'ipotesi con il PPIMV stereo, per il semplice fatto che ti basta un trasformatore SE "classico"
con un primario solo...
certo, c'è da decidere dei valori che siano una via di mezzo e vadano bene per entrambe le valvole, e non sapendo come funziona una GU non so darti consigli a riguardo...
P.S. c'è anche la possibilità di mettere due master indipendenti, uno per ogni coppia...e di ottenere, con entrambi al massimo, 80W in SE
con un primario solo...
certo, c'è da decidere dei valori che siano una via di mezzo e vadano bene per entrambe le valvole, e non sapendo come funziona una GU non so darti consigli a riguardo...
P.S. c'è anche la possibilità di mettere due master indipendenti, uno per ogni coppia...e di ottenere, con entrambi al massimo, 80W in SE

CHE DIO B'ASSISTA!
- Kagliostro
- Amministratore
- Messaggi: 9864
- Iscritto il: 03/12/2007, 0:16
- Località: Prov. di Treviso
Re: Triamp con GU50 e KT88
Il primario del TU penso lo volesse singolo, adatto (per compromesso) a tutte e due le valvole, è il secondario che eventualmente serve abbia più uscite (se si vogliono scollegare valvole)
qui parte del datasheet (tradotto in italiano) delle EL152, versione civile delle militari LS50 tedesche - le GU50 ne sono la copia militare russa (documentazione avuta dai russi come bottino di guerra quando invasero la Germania) dove si vedono le varie impedenze richieste a seconda di configurazione e voltaggi
a meno che non si vogliano usare due TU (uno per tipo di valvola) e connettere i secondari (in parallelo o in serie) alla stessa cassa
sistema usato anche dalla Marshall (per PP) per usare trasfo che forse avevano già in fabbrica ed evitare l'ordine di un trasfo di grosse dimensioni (più costoso)
Qualcosa come questi, solo con i primari non collegati tra loro




---
nel suo caso, visto che si parla di un SE, si potrebbero usare o due MV o un unico pot doppio ma non con unico perno, ce ne vorrebbe uno con perno doppio (coassiale) per poter variare indipendentemente la % di potenza dei due tipi di valvole e fare tutti i mix di livello possibili tra i due tipi (30%+70% oppure 70%+30% o 100%+100% o anche 100%+0% ....................... tutti quelli che le orecchie consigliano)
K
p.s.: DOM Giusto una curiosità, dove hai ordinato le valvole e gli zoccoli, a quanto e quanto ti sono poi costare di spedizione e dogana (Grazie)
Ah, a proposito, le valvole saranno sicuramente NOS, non credo che ne facciano più in Russia, ma visto che ce ne sono in giro a tonnellate, evitate di buttarvi sulla versione Cinese, le FU50, pare che non siano il massimo
qui parte del datasheet (tradotto in italiano) delle EL152, versione civile delle militari LS50 tedesche - le GU50 ne sono la copia militare russa (documentazione avuta dai russi come bottino di guerra quando invasero la Germania) dove si vedono le varie impedenze richieste a seconda di configurazione e voltaggi
a meno che non si vogliano usare due TU (uno per tipo di valvola) e connettere i secondari (in parallelo o in serie) alla stessa cassa
sistema usato anche dalla Marshall (per PP) per usare trasfo che forse avevano già in fabbrica ed evitare l'ordine di un trasfo di grosse dimensioni (più costoso)
Qualcosa come questi, solo con i primari non collegati tra loro
---
nel suo caso, visto che si parla di un SE, si potrebbero usare o due MV o un unico pot doppio ma non con unico perno, ce ne vorrebbe uno con perno doppio (coassiale) per poter variare indipendentemente la % di potenza dei due tipi di valvole e fare tutti i mix di livello possibili tra i due tipi (30%+70% oppure 70%+30% o 100%+100% o anche 100%+0% ....................... tutti quelli che le orecchie consigliano)
K
p.s.: DOM Giusto una curiosità, dove hai ordinato le valvole e gli zoccoli, a quanto e quanto ti sono poi costare di spedizione e dogana (Grazie)
Ah, a proposito, le valvole saranno sicuramente NOS, non credo che ne facciano più in Russia, ma visto che ce ne sono in giro a tonnellate, evitate di buttarvi sulla versione Cinese, le FU50, pare che non siano il massimo
Re: Triamp con GU50 e KT88
Ragazzi siete una fonte di info e consigli davvero preziosa.
Prima leviamoci lo sfizio di qualche "porno pic" :


Prima leviamoci lo sfizio di qualche "porno pic" :
Re: Triamp con GU50 e KT88
Ora vorrei dare una visione d'insieme reale del mostriciattolo avendo fatto un dimensionamento di prova.
Come sostituto del futuro T.U. ho messo come esempio un bel trifase massiccio, con la speranza che siano le massime dimensioni possibili per suddetto trasformatore.
Lo chassis, ovviamente, è una cavia da laboratorio e non lo chassis finale.
Come sostituto del futuro T.U. ho messo come esempio un bel trifase massiccio, con la speranza che siano le massime dimensioni possibili per suddetto trasformatore.
Lo chassis, ovviamente, è una cavia da laboratorio e non lo chassis finale.
Re: Triamp con GU50 e KT88
La parte interna dedicata all'alimentazione verrà schermata con un'apposita piastra di metallo ad "L" .
Ho ordinato le valvole e gli zoccoli su http://tubes-store.com. Ottimo sito con prezzi modici.
Gli zoccoli ne ho potuti prendere solo 2 ( disponibilità limitata un mese e mezzo fa ) a 6,02 euro. Ce ne è un altro tipo ancora più arrapante ma purtroppo risulta tuttora non disponibile.
Le GU50 ne ho prese 4 a 3 euro l'una! Dalle caratteristiche di queste valvole credo che sia davvero un prezzo irrisorio.
La spedizione mi è venuta 15,35 euro. La dogana mi ha spellato 21 euro.
Ho preso anche 2 6N2P-ER NOS ovvero delle ECC83 con una piccola differenza nel cablaggio dei pin a 3,39 euro.
Ora vado di fretta, più tardi risponderò meglio riguardo alla questione consigliatami.
Ho ordinato le valvole e gli zoccoli su http://tubes-store.com. Ottimo sito con prezzi modici.
Gli zoccoli ne ho potuti prendere solo 2 ( disponibilità limitata un mese e mezzo fa ) a 6,02 euro. Ce ne è un altro tipo ancora più arrapante ma purtroppo risulta tuttora non disponibile.
Le GU50 ne ho prese 4 a 3 euro l'una! Dalle caratteristiche di queste valvole credo che sia davvero un prezzo irrisorio.
La spedizione mi è venuta 15,35 euro. La dogana mi ha spellato 21 euro.
Ho preso anche 2 6N2P-ER NOS ovvero delle ECC83 con una piccola differenza nel cablaggio dei pin a 3,39 euro.
Ora vado di fretta, più tardi risponderò meglio riguardo alla questione consigliatami.
- Kagliostro
- Amministratore
- Messaggi: 9864
- Iscritto il: 03/12/2007, 0:16
- Località: Prov. di Treviso
Re: Triamp con GU50 e KT88
DOM
penso tu sia uno dei pochissimi, se non l'unico,
che si costruisce uno chassis metallico da usare come prototipo per studiare la versione definitiva
I due zoccoli che ti sei procurato sono quelli che ho cercato anche io ai mercatini, ma con scarsi risultati
io sono riuscito a trovare (a parte quelli solo ceramici), solo qualcuno di questi
(lo chassis non è mio è solo per farti vedere il modello degli zoccoli)
e, ad essere sincero, saranno anche più robusti, ma i tuoi sono molto più estetici
Hai ordinato qui ?
http://tubes-store.com/product_info.php?products_id=317
lo chiedo perchè le spese di spedizione me le ricordavo molto più alte ......
K
penso tu sia uno dei pochissimi, se non l'unico,
che si costruisce uno chassis metallico da usare come prototipo per studiare la versione definitiva

I due zoccoli che ti sei procurato sono quelli che ho cercato anche io ai mercatini, ma con scarsi risultati
io sono riuscito a trovare (a parte quelli solo ceramici), solo qualcuno di questi

(lo chassis non è mio è solo per farti vedere il modello degli zoccoli)
e, ad essere sincero, saranno anche più robusti, ma i tuoi sono molto più estetici
Hai ordinato qui ?
http://tubes-store.com/product_info.php?products_id=317
lo chiedo perchè le spese di spedizione me le ricordavo molto più alte ......
K
Re: Triamp con GU50 e KT88
...Si. Infatti in molti mi dicono che "non sto tanto bene di testa"
. Credo che abbiano ragione.
Il fatto è che divento maniacale iper pignolo quando cerco di fare qualcosa che mi piace davvero tanto.
Si il sito è quello, fra l'altro è uno di quelli da te postatomi in un precedente tread. Non so che dirti per le spese; forse dipende dal peso. Purtroppo non sono tutti come tube Tube Town.
Una cosa dobbiamo concedergliela, però : si ordina un pacco dalla Russia.

Il fatto è che divento maniacale iper pignolo quando cerco di fare qualcosa che mi piace davvero tanto.
Si il sito è quello, fra l'altro è uno di quelli da te postatomi in un precedente tread. Non so che dirti per le spese; forse dipende dal peso. Purtroppo non sono tutti come tube Tube Town.
Una cosa dobbiamo concedergliela, però : si ordina un pacco dalla Russia.
-
- Roger Mayer Jr.
- Messaggi: 2658
- Iscritto il: 02/06/2012, 14:22
- Località: Mirano (VE)
- Kagliostro
- Amministratore
- Messaggi: 9864
- Iscritto il: 03/12/2007, 0:16
- Località: Prov. di Treviso
Re: Triamp con GU50 e KT88
Sì, concordo
e con un'estetica decisamente Hiwatt
a questo punto mancherebbe solo lo schermo di alluminio tra le finali e le valvole di pre


---
A proposito, mi sarebbe venuta un'idea riguardo il montaggio degli zoccoli delle finali
prepari due rettangoli di alluminio delle dimensioni adatte agli zoccoli speciali delle GU50, ognuno con lo spazio per due valvole
quindi su uno fai i due fori per gli zoccoli GU50 e sull'altro i due per una coppia di normali octal
quindi fai due fori rettangolari un po' più piccoli sullo chassis e ci monti i due adattatori che hai preparato prima
(se fare i fori rettangolari è un problema, potresti farne 4 con una fresa o sega a tazza di adeguata misura)
in questo modo se proprio le GU50 non si dovessero adattare, sei sempre in tempo a cambiare adattatore
e farne un altro per altri zoccoli octal, noval o magnoval ........
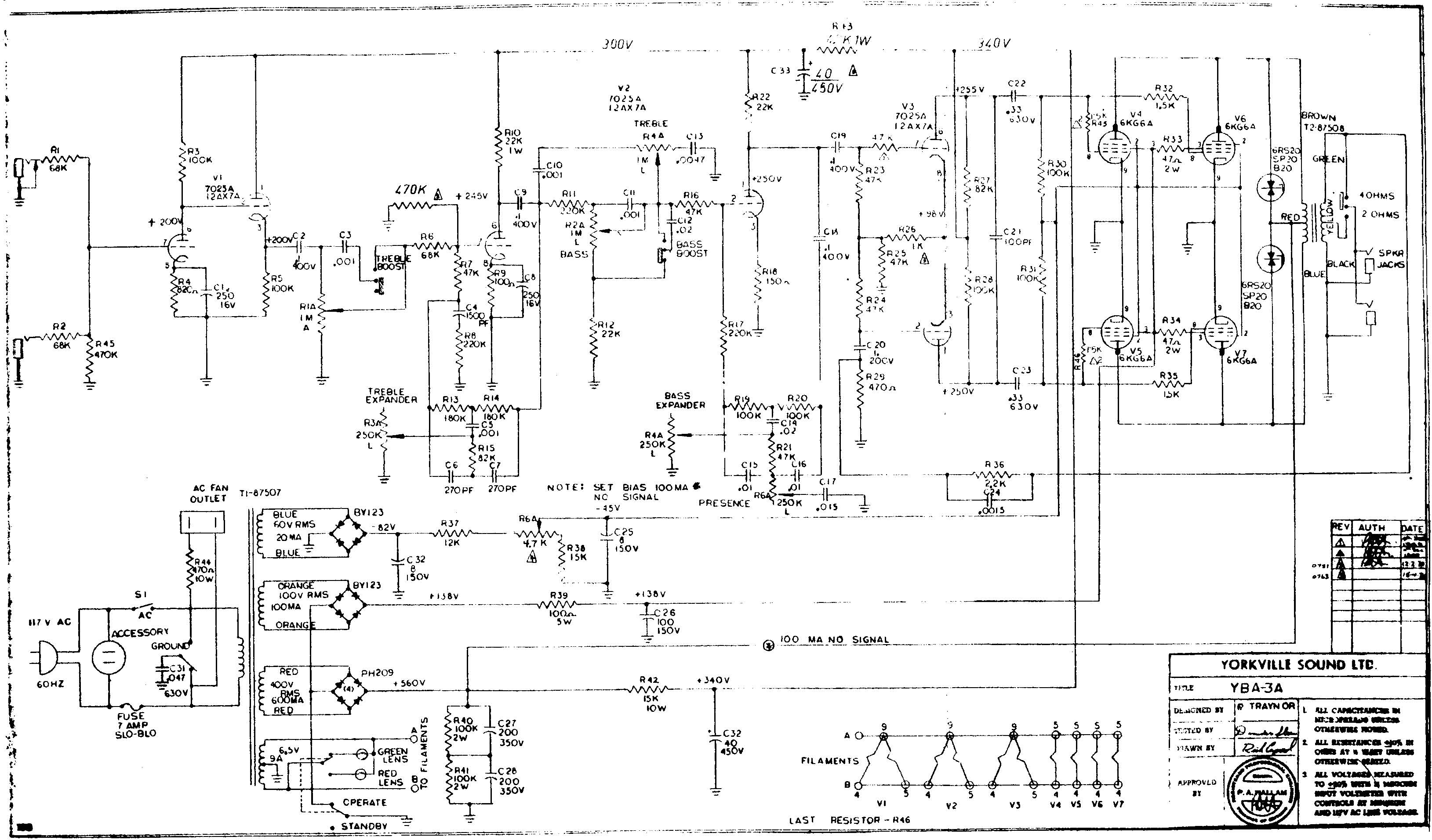
sai, con zoccolo magnoval, esistono delle valvolucce tipo le 6KG6 e per puro caso anche queste
come le GU50 necessitano di una tensione alle griglie più bassa rispetto le placche
oltre che quelle old (con Top Cap e zoccolo magnoval) esistono anche nuova versione con zoccolo
octal, solo che purtroppo, a differenza delle GU50, sono piuttosto care
http://www.ebay.it/itm/2x-NEW-JJ-Tesla- ... 0677721239
Venivano montate (su zoccolo magnoval) nei Traynor Custom Special YBA3A
http://nj7p.org/Tube/SQL/Tube_query.php?Type=6KG6A
K
e con un'estetica decisamente Hiwatt
a questo punto mancherebbe solo lo schermo di alluminio tra le finali e le valvole di pre


---
A proposito, mi sarebbe venuta un'idea riguardo il montaggio degli zoccoli delle finali
prepari due rettangoli di alluminio delle dimensioni adatte agli zoccoli speciali delle GU50, ognuno con lo spazio per due valvole
quindi su uno fai i due fori per gli zoccoli GU50 e sull'altro i due per una coppia di normali octal
quindi fai due fori rettangolari un po' più piccoli sullo chassis e ci monti i due adattatori che hai preparato prima
(se fare i fori rettangolari è un problema, potresti farne 4 con una fresa o sega a tazza di adeguata misura)
in questo modo se proprio le GU50 non si dovessero adattare, sei sempre in tempo a cambiare adattatore
e farne un altro per altri zoccoli octal, noval o magnoval ........
sai, con zoccolo magnoval, esistono delle valvolucce tipo le 6KG6 e per puro caso anche queste
come le GU50 necessitano di una tensione alle griglie più bassa rispetto le placche

oltre che quelle old (con Top Cap e zoccolo magnoval) esistono anche nuova versione con zoccolo
octal, solo che purtroppo, a differenza delle GU50, sono piuttosto care
http://www.ebay.it/itm/2x-NEW-JJ-Tesla- ... 0677721239
Venivano montate (su zoccolo magnoval) nei Traynor Custom Special YBA3A
http://nj7p.org/Tube/SQL/Tube_query.php?Type=6KG6A
K
Re: Triamp con GU50 e KT88
Bene. il tutto collegato in parallelo : Prima basetta con 2 zoccoli octal parallelo a seconda basetta conzoccoli GU50.
Allora perchè non facciamo in un altro modo ancora:
Si fanno 4 fori tondi sullo chassis, ma nei rispettivi punti dove sono stati pensati anche i 2 zoccoli octal FISSI per le KT88. Essi saranno grandi abbastanza da far alloggiare nel loro interno sia degli zoccoli per GU50 sia gli octal che sono ovviamente molto più piccoli. La basetta in metallo la si fissa sullo chassis DA SOTTO. In questo modo l'estetica dovrebbe venire preservata. Si vedranno solo 4 fori enormi si, ma all'interno si vedranno gli zoccoli octal o gu50 fissati ad uno strato di metallo sottostante al buco e non un rettangolo sovrastante che sfrutta i fori sottostanti per poter cablare gli zoccoli.
Credo si meglio come impatto visivo. Sfruttando questa combinazione di idee, si potrebbero realizzare, come dici tu, tre / quattro basette e sopra ognuna di esse le rispettive coppie di zoccoli di diversa natura ( octal, gu50, magnoval, e noval per el84 ) intercambiabili all'interno dello chassis di coppia in coppia. Tanto comunque dovresti ricablare qualche filo da dentro per via delle diverse tensioni e correnti. Sarebbe alquanto difficile trovare un'unica soluzione per quasi tutte queste tipologie di valvole, credo.
In pratica provi di tutto e di più con la possibilità di tornare sempre indietro per le KT88 lì dove erano pensate di stare fisse.
Come la vedi?
Allora perchè non facciamo in un altro modo ancora:
Si fanno 4 fori tondi sullo chassis, ma nei rispettivi punti dove sono stati pensati anche i 2 zoccoli octal FISSI per le KT88. Essi saranno grandi abbastanza da far alloggiare nel loro interno sia degli zoccoli per GU50 sia gli octal che sono ovviamente molto più piccoli. La basetta in metallo la si fissa sullo chassis DA SOTTO. In questo modo l'estetica dovrebbe venire preservata. Si vedranno solo 4 fori enormi si, ma all'interno si vedranno gli zoccoli octal o gu50 fissati ad uno strato di metallo sottostante al buco e non un rettangolo sovrastante che sfrutta i fori sottostanti per poter cablare gli zoccoli.
Credo si meglio come impatto visivo. Sfruttando questa combinazione di idee, si potrebbero realizzare, come dici tu, tre / quattro basette e sopra ognuna di esse le rispettive coppie di zoccoli di diversa natura ( octal, gu50, magnoval, e noval per el84 ) intercambiabili all'interno dello chassis di coppia in coppia. Tanto comunque dovresti ricablare qualche filo da dentro per via delle diverse tensioni e correnti. Sarebbe alquanto difficile trovare un'unica soluzione per quasi tutte queste tipologie di valvole, credo.
In pratica provi di tutto e di più con la possibilità di tornare sempre indietro per le KT88 lì dove erano pensate di stare fisse.
Come la vedi?

Re: Triamp con GU50 e KT88
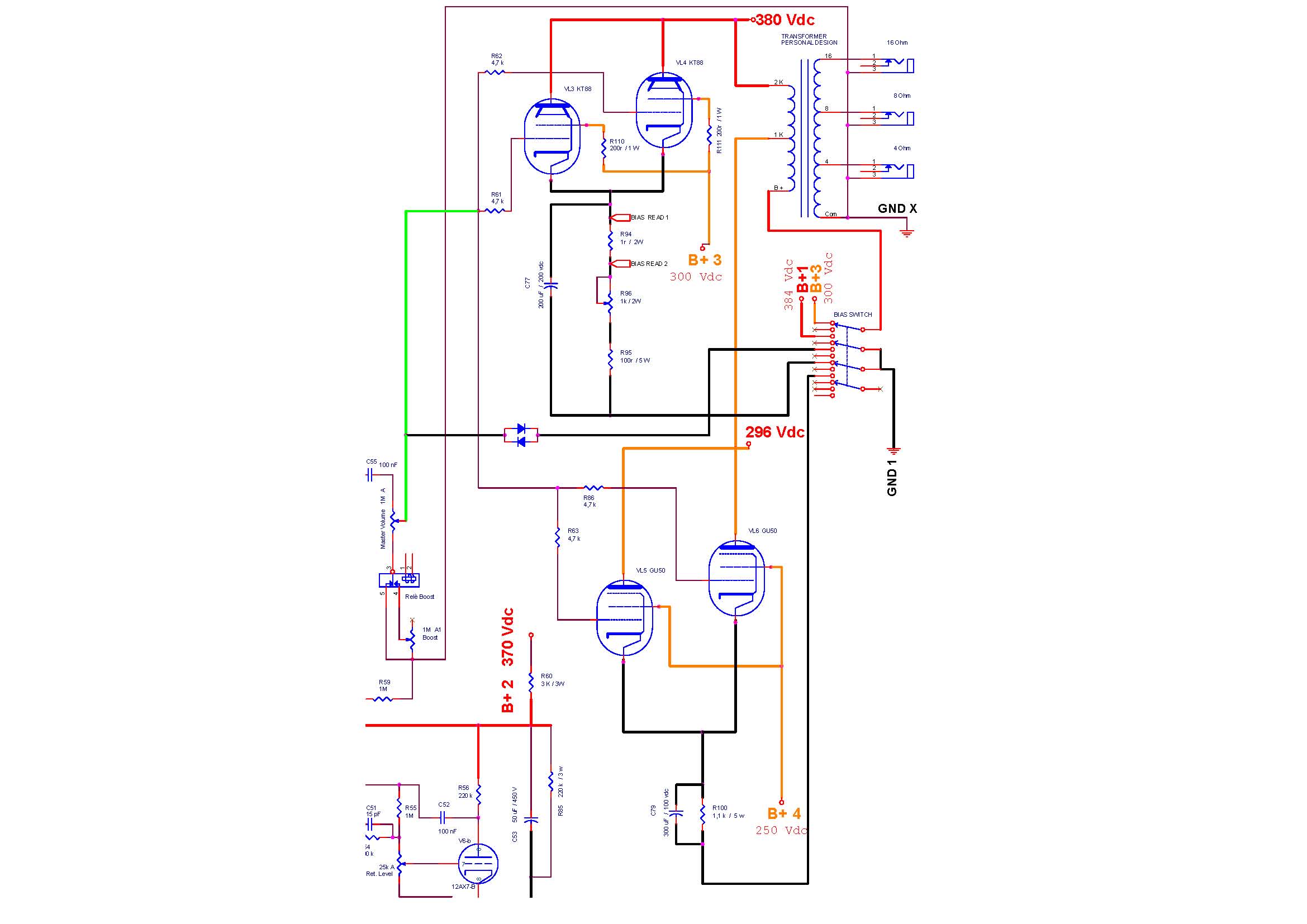
Ora mi sembra doveroso rispondervi anche sul discorso preso in esame riguardo questo ipotetico e non ancora definito T.U.
Ricapitoliamo un pò tutto altrimenti mi ci perdo anch'io nei meandri di queste possibilità :
Partiamo dal fatto che ho aggiunto di proposito un secondo T.A. dedicato esclusivamente alle valvole di pre proprio per avere modo di lasciare alimentate le altre 2 coppie di valvole finali ( lo schema del P.S.U. non è finito. manca l'alimentazione dei relè ). Solo con il secondario a 12 volt del primo T.A. non ce l'avrei fatta.
In questo modo va da se che il mio intento è quello di poter ascoltare o la prima o la seconda coppia di valvole senza staccare corrente o mettere in stand by. Lo switch a cui avevo pensato per passare da una coppia all'altra, cambiando contemporaneamente la tensione anodica ed impedenza del primario, non è performante in quanto ci sarebbe bisogno cmq di un secondo switch che mette in mute l'ampli PRIMA di effettuare il cambio o di abbassare il MV a zero.
Se si adotta un sistema che sfrutta l'ausilio di uno o due pot per miscelare il segnale di uscita delle coppie finali ( uno schema che mi aiuti a capire meglio il processo sarebbe una manna. Trovo tutto per push pull e francamente non so quanto possa essere implementabile nel S.E. ), si potrebbe risolvere l'adattamento di tensione che va alle anodiche delle GU50 tramite una o 2 resistenze corazzate che calano la tensione da 380 a 300 V ( ipotesi. ). Ma per l'impedenza dovrei necessariamente far andare l'anodica delle GU50 al morsetto con 2 ohm del T.U., e quì non so quanto possa giovare alla risposta tibrica. Io Credo che sia un pò troppa l'impedenza di uscita oppure potrebbe essere accettabile ?
Una terza possibilità sarebbe quella di far andare tutto lo stadio finale con 4 valvole inparallelo ( 80 w in S.E.. Una mazzata e una botta incredibile ) per un'impedenza totale di 2k + 2k + 1k + 1k = 6k : 4 = 1,5K. Ma, per contro, non si avrebbe la possibilità di far sentire o l'una o l'altra coppia ma solo tutte e due insieme; pena nel caso si ricorresse anche quì con un pot di miscelazione = poca impedenza se si va solo di KT88 o troppa impedenza se si va solo di GU50.
In sintesi, l'elevata differenza di impedenza fra le due coppie di valvole non mi permette di poter usufruire in modo accettabile la soluzione "valvemix", è corretto ?
...Avrei pensato ad una quarta possibilita', ma la vedo dura: si potrebbe piazzare uno switch on / on / on 4pdt, di adeguata portata in termini di tensione, dove in prima posizione si ha l'anodica e l'impedenza per le KT88, in seconda posizione si mette in mute l'ampli, in terza posizione si ha l'anodica e l'impedenza per le GU50.
Per Mettere l'ampli in mute basterebbe un contatto pulito dove la massa andrebbe a chiudere su due diodi messi in "antiparallelo" sul centrale del MV.
Potrebbe essere una soluzione "silenziosa" secondo voi ?
Ricapitoliamo un pò tutto altrimenti mi ci perdo anch'io nei meandri di queste possibilità :


Partiamo dal fatto che ho aggiunto di proposito un secondo T.A. dedicato esclusivamente alle valvole di pre proprio per avere modo di lasciare alimentate le altre 2 coppie di valvole finali ( lo schema del P.S.U. non è finito. manca l'alimentazione dei relè ). Solo con il secondario a 12 volt del primo T.A. non ce l'avrei fatta.
In questo modo va da se che il mio intento è quello di poter ascoltare o la prima o la seconda coppia di valvole senza staccare corrente o mettere in stand by. Lo switch a cui avevo pensato per passare da una coppia all'altra, cambiando contemporaneamente la tensione anodica ed impedenza del primario, non è performante in quanto ci sarebbe bisogno cmq di un secondo switch che mette in mute l'ampli PRIMA di effettuare il cambio o di abbassare il MV a zero.
Se si adotta un sistema che sfrutta l'ausilio di uno o due pot per miscelare il segnale di uscita delle coppie finali ( uno schema che mi aiuti a capire meglio il processo sarebbe una manna. Trovo tutto per push pull e francamente non so quanto possa essere implementabile nel S.E. ), si potrebbe risolvere l'adattamento di tensione che va alle anodiche delle GU50 tramite una o 2 resistenze corazzate che calano la tensione da 380 a 300 V ( ipotesi. ). Ma per l'impedenza dovrei necessariamente far andare l'anodica delle GU50 al morsetto con 2 ohm del T.U., e quì non so quanto possa giovare alla risposta tibrica. Io Credo che sia un pò troppa l'impedenza di uscita oppure potrebbe essere accettabile ?
Una terza possibilità sarebbe quella di far andare tutto lo stadio finale con 4 valvole inparallelo ( 80 w in S.E.. Una mazzata e una botta incredibile ) per un'impedenza totale di 2k + 2k + 1k + 1k = 6k : 4 = 1,5K. Ma, per contro, non si avrebbe la possibilità di far sentire o l'una o l'altra coppia ma solo tutte e due insieme; pena nel caso si ricorresse anche quì con un pot di miscelazione = poca impedenza se si va solo di KT88 o troppa impedenza se si va solo di GU50.
In sintesi, l'elevata differenza di impedenza fra le due coppie di valvole non mi permette di poter usufruire in modo accettabile la soluzione "valvemix", è corretto ?
...Avrei pensato ad una quarta possibilita', ma la vedo dura: si potrebbe piazzare uno switch on / on / on 4pdt, di adeguata portata in termini di tensione, dove in prima posizione si ha l'anodica e l'impedenza per le KT88, in seconda posizione si mette in mute l'ampli, in terza posizione si ha l'anodica e l'impedenza per le GU50.
Per Mettere l'ampli in mute basterebbe un contatto pulito dove la massa andrebbe a chiudere su due diodi messi in "antiparallelo" sul centrale del MV.
Potrebbe essere una soluzione "silenziosa" secondo voi ?