nello schema 1.8 dello slo hanno messo un cap da 33 uf che fa sia fx loop che due cathode follower ? o sbaglio ? al limite cerco di fare come hanno fatto loro e mettere V3 aV3b V4a V4B sotto il cap da 47uf che ne dite ?
Nuovo progetto !!
-
oisselatool
- Diyer Esperto

- Messaggi: 323
- Iscritto il: 24/09/2011, 21:36
Re: Nuovo progetto !!
io indicativamente stavo pensando di mettere dopo il 50+50 uF che delle finali e PI , una resistenza da 10 k 2w in modo da avere una tensione di circa 348V in questo punto ci metterei un cap da 47uf 450V anodica fx loop poi un 22uf per il clean e due da 10 uf per le due 12ax7 dello slo come dal schema 1.8 e devo ancora aggiungere una valvola per il 5 triodo che mi manca
nello schema 1.8 dello slo hanno messo un cap da 33 uf che fa sia fx loop che due cathode follower ? o sbaglio ? al limite cerco di fare come hanno fatto loro e mettere V3 aV3b V4a V4B sotto il cap da 47uf che ne dite ?
nello schema 1.8 dello slo hanno messo un cap da 33 uf che fa sia fx loop che due cathode follower ? o sbaglio ? al limite cerco di fare come hanno fatto loro e mettere V3 aV3b V4a V4B sotto il cap da 47uf che ne dite ?
Re: Nuovo progetto !!
Ciao, guarda che un solo 50+50uF non ti fa finali e PI.
Posta uno schema, o rischi di far confusione.
Posta uno schema, o rischi di far confusione.
-
oisselatool
- Diyer Esperto

- Messaggi: 323
- Iscritto il: 24/09/2011, 21:36
Re: Nuovo progetto !!
Ciao robi lo schema è quello che ho messo nelle foto è la parte non cancellata del jcm 800 sto utilizzando due 50uf +50uf fino alla PI
Hai ragione dovrei fare uno schema appena riesco faccio una bozza a penna se no con il pc ci metto più tempo che a fare l'ampli

Hai ragione dovrei fare uno schema appena riesco faccio una bozza a penna se no con il pc ci metto più tempo che a fare l'ampli
Re: Nuovo progetto !!
Ma non è uno, sono due!
Uno per le placche ed uno per screen e PI.
Uno per le placche ed uno per screen e PI.
-
oisselatool
- Diyer Esperto

- Messaggi: 323
- Iscritto il: 24/09/2011, 21:36
Re: Nuovo progetto !!
Si Si robi !! Sono due :)
forse mi sono spiegato male comunque in breve io fino alla PI ho copiato lo schema del jcm 800 quindi dopo il ponte di diodi c'è un 50uf+50uf in parallelo e poi dopo lo choke c'è ne un'altro dove una parte del cap 50uf fa le placche e l'altra fa le screen e la PI ,diciamo che fino al cap da 22n prima della PI ho copiato tutto lo schema del jcm 800
forse mi sono spiegato male comunque in breve io fino alla PI ho copiato lo schema del jcm 800 quindi dopo il ponte di diodi c'è un 50uf+50uf in parallelo e poi dopo lo choke c'è ne un'altro dove una parte del cap 50uf fa le placche e l'altra fa le screen e la PI ,diciamo che fino al cap da 22n prima della PI ho copiato tutto lo schema del jcm 800
-
oisselatool
- Diyer Esperto

- Messaggi: 323
- Iscritto il: 24/09/2011, 21:36
Re: Nuovo progetto !!
Ho iniziato ad assemblare , ma oggi nei primi test ho avuto già una spiacevole sorpresa , ho provato il finale fino alla PI e ho fatto dei collegamenti con dei morsetti provvisori giusto per provare il clean ... la parte dello slo e fx loop è scollegata perché appunto pensavo di avere problemi sono in quella parte e forse troppo sicuro di me non ho controllato bene ,l'ampli suona il canale clean suona !! ma c'è qualcosa che non va il TA dopo che tolgo lo stand by inizia a scaldare piano piano fino a diventare rovente
ho provato a regolare il bias e mi da una variazione tra i 100 120mv non riesco a scendere
senza togliere lo stand by la tensione e 470 v nel primo 50+50 e fino a qui come da schema è giusto
quando tolgo lo stand by scende a 272 v di conseguenza 238 dopo l'induttore e 167 v dopo la 10K 2 w
tensione negativa al posto di -50 è -12
appena ho un'attimo ricontrollo il layout magari ho fatto qualche errore di assemblaggio ...
però mi viene il dubbio visto che ho preso il kit di trasformatori usato quindi vorrei fare qualche prova a vuoto e lasciarlo acceso senza il circuito collegato , oppure potrebbe essere un condensatore elettrolitico ? magari l'ho scaldato troppo ?
uff ho deciso di provarlo a pezzi per evitare problemi ad assemblaggio finito e mi trovo già con un problema ne primo pezzo
ho utilizzato fino alla PI solo la parte di schema sino a dove ci sono i tratti di penna
appena ho un secondo faccio un controllo incrociato per verificare il layout , qualcuno mi da due dritte :)
ho provato a regolare il bias e mi da una variazione tra i 100 120mv non riesco a scendere
senza togliere lo stand by la tensione e 470 v nel primo 50+50 e fino a qui come da schema è giusto
quando tolgo lo stand by scende a 272 v di conseguenza 238 dopo l'induttore e 167 v dopo la 10K 2 w
tensione negativa al posto di -50 è -12
appena ho un'attimo ricontrollo il layout magari ho fatto qualche errore di assemblaggio ...
però mi viene il dubbio visto che ho preso il kit di trasformatori usato quindi vorrei fare qualche prova a vuoto e lasciarlo acceso senza il circuito collegato , oppure potrebbe essere un condensatore elettrolitico ? magari l'ho scaldato troppo ?
uff ho deciso di provarlo a pezzi per evitare problemi ad assemblaggio finito e mi trovo già con un problema ne primo pezzo
ho utilizzato fino alla PI solo la parte di schema sino a dove ci sono i tratti di penna
appena ho un secondo faccio un controllo incrociato per verificare il layout , qualcuno mi da due dritte :)
Re: Nuovo progetto !!
sembra un problema di assorbimento.
hai provato ad alimentare solo i filamenti delle valvole e vedere se riscalda lo stesso, oppure alimentare solo l'anodica (senza i filamenti) ??
quale TA stai utilizzando?
hai provato ad alimentare solo i filamenti delle valvole e vedere se riscalda lo stesso, oppure alimentare solo l'anodica (senza i filamenti) ??
quale TA stai utilizzando?
-
oisselatool
- Diyer Esperto

- Messaggi: 323
- Iscritto il: 24/09/2011, 21:36
Re: Nuovo progetto !!
Si anche a me sembra un problema di assorbimento , pero ho preparato più o meno tutto ma visto che appunto inizia ad esserci un po di roba ho deciso di provare a blocchi per evitare appunto problemi dove devo smontare tutto dopo :)
Infatti ho montato solo le finali la PI e la valvola del clean nelle altre sono collegati i filamenti ma l'alimentazione delle anodiche è staccata in teoria fino alla PI e il canale clean è tutto isolato , appena ho due minuti stacco anche l'alimentazione dell'anodica del clean in modo da avere meno roba da controllare ...
i trasformatori li ho presi usati sul mercatino musicale con 60 euro mi ha dato tutto il kit e per fare un prototipo mi sembrava buono , sempre se funzionano correttamente
dovrebbe essere un kit del jcm 800 di novarria
Infatti ho montato solo le finali la PI e la valvola del clean nelle altre sono collegati i filamenti ma l'alimentazione delle anodiche è staccata in teoria fino alla PI e il canale clean è tutto isolato , appena ho due minuti stacco anche l'alimentazione dell'anodica del clean in modo da avere meno roba da controllare ...
i trasformatori li ho presi usati sul mercatino musicale con 60 euro mi ha dato tutto il kit e per fare un prototipo mi sembrava buono , sempre se funzionano correttamente
dovrebbe essere un kit del jcm 800 di novarria
-
oisselatool
- Diyer Esperto

- Messaggi: 323
- Iscritto il: 24/09/2011, 21:36
Re: Nuovo progetto !!
Niente come pensavo una svista sul layout,quindi sono al punto finale ok e pre clean ok , adesso provo a fare un collage
per lo schema che ho utilizzato per il lead dello slo anche perché adesso è muto
qui sicuramente ho sbagliato qualcosa !!!
-
oisselatool
- Diyer Esperto

- Messaggi: 323
- Iscritto il: 24/09/2011, 21:36
Re: Nuovo progetto !!
Allora adesso devo provare a far funzionare il canale lead qui mi servono parecchi consigli e dritte perché non sono sicuro di cosa sto combinando :) infatti per adesso il lead è muto
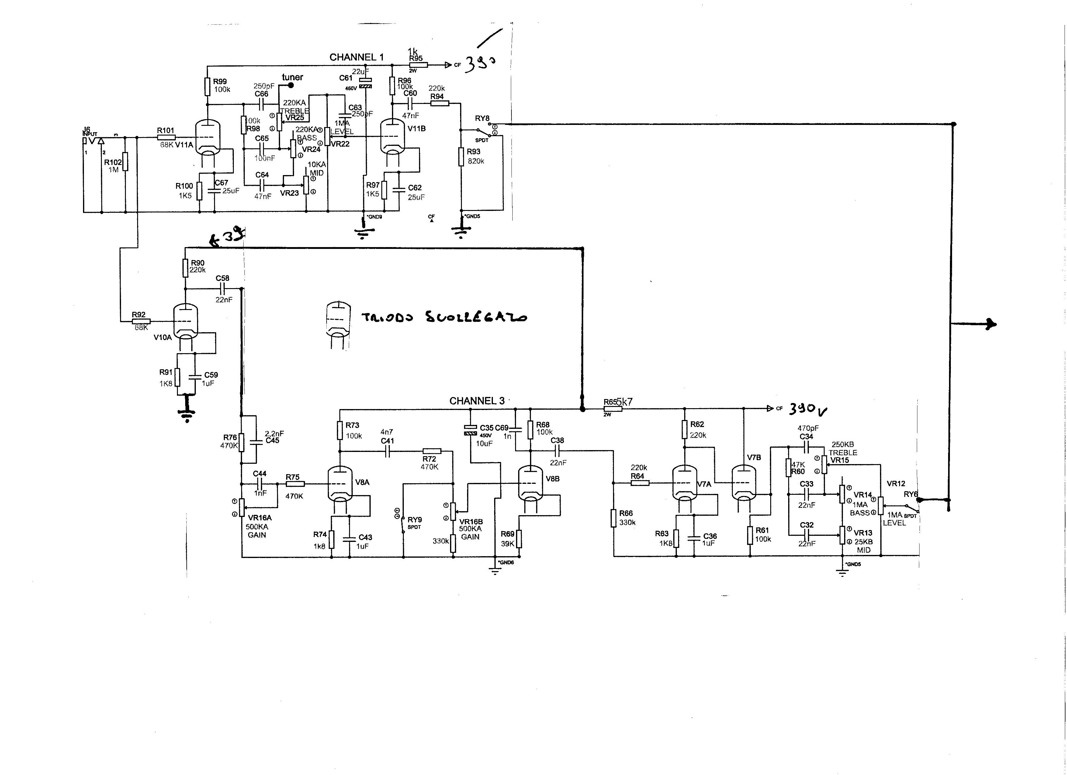
allego una foto di schemi che ho ritagliato , il primo triodo ho usato una valvola e lasciato scollegato l'altro triodo visto che me ne servono solo 5 comunque poi per il filtro anodico basta un cap da 10 uf come da schema ?
questo è un ritaglio del od3 dalla PI è il JCM800
allego una foto di schemi che ho ritagliato , il primo triodo ho usato una valvola e lasciato scollegato l'altro triodo visto che me ne servono solo 5 comunque poi per il filtro anodico basta un cap da 10 uf come da schema ?
questo è un ritaglio del od3 dalla PI è il JCM800
Re: Nuovo progetto !!
Ciao,
Ma tu non hai disegnato uno schema di ciò che hai costruito?
Il problema non si può capire guardando delle fotocopie di altri schemi ritagliate.
Hai controllato le tensioni dei vari stadi? Ed i collegamenti?
Ma tu non hai disegnato uno schema di ciò che hai costruito?
Il problema non si può capire guardando delle fotocopie di altri schemi ritagliate.
Hai controllato le tensioni dei vari stadi? Ed i collegamenti?
-
oisselatool
- Diyer Esperto

- Messaggi: 323
- Iscritto il: 24/09/2011, 21:36
Re: Nuovo progetto !!
eh si robi hai ragione ma purtroppo non ho programmi per disegnare con il mac , comunque provo a scannerizzare due cose e forse ci capirai un po' meglio , di sicuro manca qualche filtro per le anodiche del pre slo e come ho indicato nella prima valvola non ho usato un triodo e l'ho lasciato completamente scollegato il resto è come da schema nel primo foglio ci sono i due pre e nel secondo giusto il finale fx loop e il cambio canali lo farò dopo
domani se riesco vado a rilevare le tensioni anche se vedo già qualcosa che non va
domani se riesco vado a rilevare le tensioni anche se vedo già qualcosa che non va
- Kagliostro
- Amministratore

- Messaggi: 9929
- Iscritto il: 03/12/2007, 0:16
- Località: Prov. di Treviso
Re: Nuovo progetto !!
Volevo risponderti già da qualche giorno ma dove ero avevo problemi di connessione
Puoi provare a vedere come ti sembra FidocadJ (non il vecchio Fidocad)
è free e ci sono librerie di valvole (alcune le ho disegnate io)
in rete trovi anche manuali ed info
http://fidocadj.sourceforge.net
K
Puoi provare a vedere come ti sembra FidocadJ (non il vecchio Fidocad)
è free e ci sono librerie di valvole (alcune le ho disegnate io)
in rete trovi anche manuali ed info
http://fidocadj.sourceforge.net
K
Re: Nuovo progetto !!
Io disegno spesso a mano gli schemi.
Quando mi viene un'idea preferisco buttare giù uno schizzo al volo, e poi successivamente metterlo "in bella" con pspice.
Quando mi viene un'idea preferisco buttare giù uno schizzo al volo, e poi successivamente metterlo "in bella" con pspice.
-
oisselatool
- Diyer Esperto

- Messaggi: 323
- Iscritto il: 24/09/2011, 21:36
Re: Nuovo progetto !!
Per adesso se si capisce provo ad aggiungere pezzi a questa bozza :)
Purtroppo la voglia di fare è tanta ma il tempo è pochissimo :(
Allora aggiorno il post , ora il canale lead funziona ... Almeno si sente
Per adesso ho un sacco di fischi ed inneschi ma penso che il problema sia per via di diversi collegamenti volanti con dei morsetti per fare alcune prove ,
Rispetto allo schema 1.8 ho le tensioni di tutte le anodiche più basse di circa 20V
Ogni volta che tocco i pot diminuiscono i fruscii , quindi è già un problema di masse ...
Ho aggiunto un cap da 22uf per fare l'anodica del primo e secondo stadio anche se nello schema originale è da 10 uf ma in casa non avevo altro per provare , nello schema che ho postato è presente solo un cap da 10 uf
Il triodo della valvola che non è utilizzato può provocare disturbi di bilanciamento o microfonicità per caso ? O possono funzionare tranquillamente indipendenti ?
Anche perché poi potrei utilizzarlo per qualche altro esperimento :)
Comunque una cosa alla volta !!
Poi sempre nello schema che ho postato ci sono due gain è un master volume , come mai ?
Il lead dello slo ha un gain e un master volume , non mi sembra un pot stereo giusto ?
Appena ho un'attimo vedo di risolvere i problemi del lead e poi vado avanti con il loop
e il cambio canali che ancora non so cosa mettere , per adesso ho un progetto valido ma a due canali ... Questa volta vorrei metterlo almeno a 3 o 4
In modo da poter detivare un crunch e mettere un boost interno
Purtroppo la voglia di fare è tanta ma il tempo è pochissimo :(
Allora aggiorno il post , ora il canale lead funziona ... Almeno si sente
Per adesso ho un sacco di fischi ed inneschi ma penso che il problema sia per via di diversi collegamenti volanti con dei morsetti per fare alcune prove ,
Rispetto allo schema 1.8 ho le tensioni di tutte le anodiche più basse di circa 20V
Ogni volta che tocco i pot diminuiscono i fruscii , quindi è già un problema di masse ...
Ho aggiunto un cap da 22uf per fare l'anodica del primo e secondo stadio anche se nello schema originale è da 10 uf ma in casa non avevo altro per provare , nello schema che ho postato è presente solo un cap da 10 uf
Il triodo della valvola che non è utilizzato può provocare disturbi di bilanciamento o microfonicità per caso ? O possono funzionare tranquillamente indipendenti ?
Anche perché poi potrei utilizzarlo per qualche altro esperimento :)
Comunque una cosa alla volta !!
Poi sempre nello schema che ho postato ci sono due gain è un master volume , come mai ?
Il lead dello slo ha un gain e un master volume , non mi sembra un pot stereo giusto ?
Appena ho un'attimo vedo di risolvere i problemi del lead e poi vado avanti con il loop
e il cambio canali che ancora non so cosa mettere , per adesso ho un progetto valido ma a due canali ... Questa volta vorrei metterlo almeno a 3 o 4
In modo da poter detivare un crunch e mettere un boost interno
