Non serve come info per quello che hai in mente, comunque .....
il miglior metodo come semplicità ed efficacia che conosco per farsi i pot con presa fisiologica è quello di usare uno di quei commutatori rotativi a 23 posizioni che usano gli appassionati di HiFi per farsi i controlli volume
e la presa fisiologica la puoi inserire alla % di valore che ti interessa, senza difficoltà
---
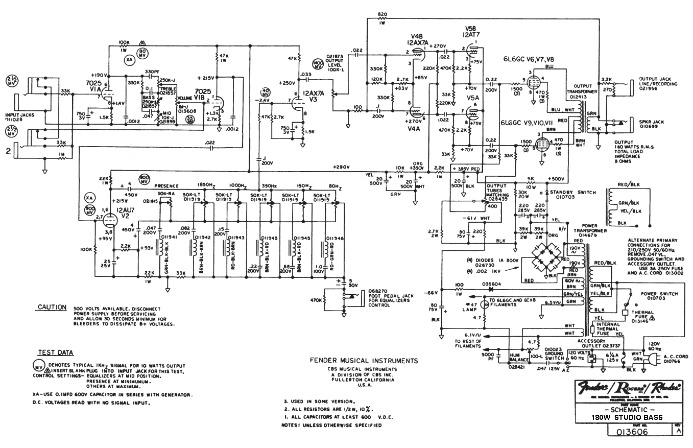
Se hai voglia di sperimentare ed ibridare il circuito Fender con quello Mesa, valvola per pilotare dal Fender e filtri gyrator dal Mesa direi che la cosa è interessante, nel fender poi c'è anche quel controllo presence e la possibilità di comandare tramite FootSwitch (che in realtà non ho capito bene come funzioni

)
A questo punto, quasi quasi un Fender style con valori di taglio del Mesa ......
Vedi tu se la cosa ti intriga, se fai qualcosa sai che sono curioso di sapere le tue impressioni
Ciao
Marco
K