quale kit per un amp da 18W
Re: quale kit per un amp da 18W
Generatore di segnali, schema alla mano, e ti riporti le tensioni in tutti i punti del circuito. AC e DC.
Re: quale kit per un amp da 18W
Cosa posso usare come generatore di segnali? La chitarra potrebbe andare bene??
-
- Roger Mayer Jr.
- Messaggi: 2658
- Iscritto il: 02/06/2012, 14:22
- Località: Mirano (VE)
Re: quale kit per un amp da 18W
non avendo un oscilloscopio provo a vedere se con i miei metodi casalinghi troviamo il problema...
(questo non significa di non usare quell'attrezzo facendoti consigliare da chi ne è pratico...semmai semplicemente una via parallela da percorrere a quella...)
si sente piano, come?
piano ma ok o piano ma gracchiante e segmentato?
come stai entrando nel finale?
sei sicurissimissimo che i voltaggi sono ok e il bias è tarato corretto?
P.S. spero di non aver fatto domande gia fatte, ma rileggendo non mi pare....a causa del thread mark che sto portando a termine ho un pò trascurato questo, mea culpa!
(questo non significa di non usare quell'attrezzo facendoti consigliare da chi ne è pratico...semmai semplicemente una via parallela da percorrere a quella...)
si sente piano, come?
piano ma ok o piano ma gracchiante e segmentato?
come stai entrando nel finale?
sei sicurissimissimo che i voltaggi sono ok e il bias è tarato corretto?
P.S. spero di non aver fatto domande gia fatte, ma rileggendo non mi pare....a causa del thread mark che sto portando a termine ho un pò trascurato questo, mea culpa!
CHE DIO B'ASSISTA!
Re: quale kit per un amp da 18W
una qualsiasi scheda audio, usando un portatile (meglio se alimentato a pile) per generare il segnale.
- Kagliostro
- Amministratore
- Messaggi: 9864
- Iscritto il: 03/12/2007, 0:16
- Località: Prov. di Treviso
Re: quale kit per un amp da 18W
Tempo fa, in mancanza di altro, si usava un lettore CD portatile ed un CD con tracce audio a varie frequenze di cui in rete si trovavano dei file immagine
Oggi penso la strada sia poco praticabile, però, forse, se si trovassero ancora le tracce audio si potrebbe usare un lettore MP3
K
Oggi penso la strada sia poco praticabile, però, forse, se si trovassero ancora le tracce audio si potrebbe usare un lettore MP3
K
Re: quale kit per un amp da 18W
ho trovato questo programmi su internet.
http://www.gianlucacavallini.com/2011/1 ... re-di.html
praticamente collego il jack delle cuffie con un jack da 3.5 (per chitarra) e provo, giusto??
http://www.gianlucacavallini.com/2011/1 ... re-di.html
praticamente collego il jack delle cuffie con un jack da 3.5 (per chitarra) e provo, giusto??
- Kagliostro
- Amministratore
- Messaggi: 9864
- Iscritto il: 03/12/2007, 0:16
- Località: Prov. di Treviso
Re: quale kit per un amp da 18W
Si, attenzione a non collegare l'uscita audio all'ampli senza una dovuta protezione (un cap che non deve tagliare frequenze, messo in serie)
---
Riguardo quello che dicevo
http://www.mariohifi.it/cd_test.htm
http://lnx.mariohifi.it/download/cd-test
http://lnx.mariohifi.it/download/catego ... test-audio
http://lnx.mariohifi.it/download/files/cdtest.zip
K
---
Riguardo quello che dicevo
http://www.mariohifi.it/cd_test.htm
http://lnx.mariohifi.it/download/cd-test
http://lnx.mariohifi.it/download/catego ... test-audio
http://lnx.mariohifi.it/download/files/cdtest.zip
K
Re: quale kit per un amp da 18W
Domani dovrei finalmente avere qualche ora da dedicare all'ampli.
attualmente il suono è molto debole e distorto.
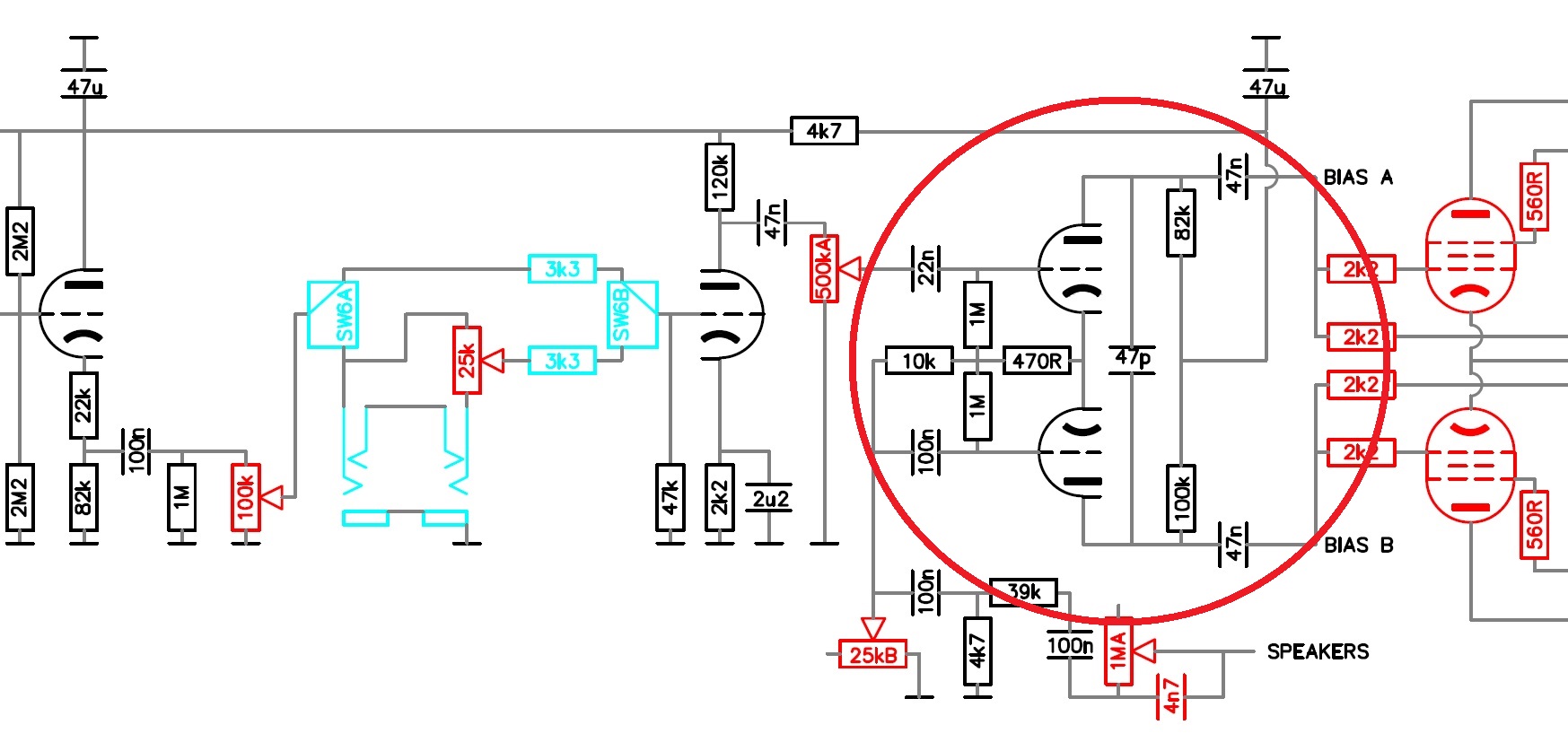
sto entrando nel finale direttamente dalla pcb nei punti Bias A e B. Ho un bias alle griglie di -27v.
Tutte le tensioni ch ho le scritte qualche post fa.(sn con il cel e non riesco a copiarle)
Come prima cosa vorrei verificare se ho collegato bene i relè. Non vorrei far passare il segnale due volte dall'equalizzatore.
poi ho un dubbio sul collegamento dei potenziometri: io ho collegato l'ingresso del segnale nel pin di sinistra, l'uscita variabile dal pin centrale e l'eventuale terra nel pin di destra.
è corretto?
Se tutto è ok verifico il tutto con l'oscilloscopio.
che cap dovrei mettere per proteggere l'amplificatore?
Grazie per l'aiuto, vi terrò aggiornati!
attualmente il suono è molto debole e distorto.
sto entrando nel finale direttamente dalla pcb nei punti Bias A e B. Ho un bias alle griglie di -27v.
Tutte le tensioni ch ho le scritte qualche post fa.(sn con il cel e non riesco a copiarle)
Come prima cosa vorrei verificare se ho collegato bene i relè. Non vorrei far passare il segnale due volte dall'equalizzatore.
poi ho un dubbio sul collegamento dei potenziometri: io ho collegato l'ingresso del segnale nel pin di sinistra, l'uscita variabile dal pin centrale e l'eventuale terra nel pin di destra.
è corretto?
Se tutto è ok verifico il tutto con l'oscilloscopio.
che cap dovrei mettere per proteggere l'amplificatore?
Grazie per l'aiuto, vi terrò aggiornati!
- Kagliostro
- Amministratore
- Messaggi: 9864
- Iscritto il: 03/12/2007, 0:16
- Località: Prov. di Treviso
Re: quale kit per un amp da 18W
Non è l'amplificatore che devi proteggere, è l'ocilloscopio
attento ad usare la sonda giusta
K
attento ad usare la sonda giusta
K
Re: quale kit per un amp da 18W
Grazie all'oscilloscopio riesco a capirci qualcosa.
per prima cosa ho testato l'intensità del segnale in uscita dagli anodi dei triodi della PCB.
nei primi 2 triodi ho letto un incremento di tensione che partendo da 0.1V nel jack d'ingresso arriva al secondo triodo a 40V. Dopo i potenziometri dei toni l'onda assume una forma quadrata e al 6 Triodo (dopo il loop effetti) la tensione scendeva bruscamente.
Misurando la tensione in uscita dai vari potenziometri ho visto che il pot appena prima del loop "assorbiva", e la tensione calava drasticamente.
Allora ho abolito i pot in questione e ora l'amplificatore emette un suono molto più forte e distorto, ma non ancora sufficiente per essere utilizzato.
che tensione dovrei avere normalmente dopo il preamplificatore?

per prima cosa ho testato l'intensità del segnale in uscita dagli anodi dei triodi della PCB.
nei primi 2 triodi ho letto un incremento di tensione che partendo da 0.1V nel jack d'ingresso arriva al secondo triodo a 40V. Dopo i potenziometri dei toni l'onda assume una forma quadrata e al 6 Triodo (dopo il loop effetti) la tensione scendeva bruscamente.
Misurando la tensione in uscita dai vari potenziometri ho visto che il pot appena prima del loop "assorbiva", e la tensione calava drasticamente.
Allora ho abolito i pot in questione e ora l'amplificatore emette un suono molto più forte e distorto, ma non ancora sufficiente per essere utilizzato.
che tensione dovrei avere normalmente dopo il preamplificatore?



Re: quale kit per un amp da 18W
Buona sera a tutti!
potreste aiutarmi a verificare la PCB, non vorrei sbagliarmi, ma penso che l'ultima valvola sia stata messa al contrario.
Nel file del Layout ho segnato come sono i collegamenti secondo lo schema, mentre in alto (tra i punti ??) ho messo come invece dovrebbe andare, secondo me, il collegamento seguendo la scheda tecnica della valvola ecc83s che ho usato (consideriamo che la PCB viene vista dall'alto, quindi lo schema di collegamento della valvola va visto specularmente) .
infatti guardando la valvola di sotto il collegamento segue lo schema della valvola.
Il dubbio mi è venuto perché, analizzando con l'oscilloscopio, fino all'uscita del potenziometro dopo il loop avevo un onda regolare, dopo gli anodi della valvola PI l'onda perdeva completamente d'intensità.
Voi che ne dite?

potreste aiutarmi a verificare la PCB, non vorrei sbagliarmi, ma penso che l'ultima valvola sia stata messa al contrario.

Nel file del Layout ho segnato come sono i collegamenti secondo lo schema, mentre in alto (tra i punti ??) ho messo come invece dovrebbe andare, secondo me, il collegamento seguendo la scheda tecnica della valvola ecc83s che ho usato (consideriamo che la PCB viene vista dall'alto, quindi lo schema di collegamento della valvola va visto specularmente) .
infatti guardando la valvola di sotto il collegamento segue lo schema della valvola.
Il dubbio mi è venuto perché, analizzando con l'oscilloscopio, fino all'uscita del potenziometro dopo il loop avevo un onda regolare, dopo gli anodi della valvola PI l'onda perdeva completamente d'intensità.
Voi che ne dite?







-
- Roger Mayer Jr.
- Messaggi: 2658
- Iscritto il: 02/06/2012, 14:22
- Località: Mirano (VE)
Re: quale kit per un amp da 18W
valvola andata? saldatura fredda? cap di bypass anodici andati? 

CHE DIO B'ASSISTA!
Re: quale kit per un amp da 18W
Domani controllo.
ma io penso che forse la pcb sia sbagliata.
Se guardi la valvola di sinistra e quella di destra sono montate in modo diverso. Quella di sinistra ha il catodo al posto dell'anodo in entrambi i triodi.
ma io penso che forse la pcb sia sbagliata.
Se guardi la valvola di sinistra e quella di destra sono montate in modo diverso. Quella di sinistra ha il catodo al posto dell'anodo in entrambi i triodi.
-
- Roger Mayer Jr.
- Messaggi: 2658
- Iscritto il: 02/06/2012, 14:22
- Località: Mirano (VE)
Re: quale kit per un amp da 18W
beh, quella stessa pcb sta su un ampli funzionante (e pure bene
)
quindi a meno che non hai sbagliato a montare lo zoccolo....lei è giusta!

quindi a meno che non hai sbagliato a montare lo zoccolo....lei è giusta!
CHE DIO B'ASSISTA!
Re: quale kit per un amp da 18W
buona sera,
ho fatto qualche verifica, e non riesco a capire dove sbaglio.
guardando la foto della pcb di MapleMarco ho notato una differenza con la mia.
nel file allegato ho messo a confronto quella di Maplemarco (a sinistra) con la mia. ( e in basso ho messo lo schema della valvola)
si vede che il condensatore tra gli anodi è in posizione diversa (corretta) rispetto alla mia.
guardando altre tracce mi sembra come se (solo) quella parte di pcb sia messa in modo speculare rispetto alla mia.
Non so perchè ma mi sono convinto che la PCB che ho costruito io ha gli anodi collegati al posto dei catodi.
Voi che ne dite??

ho fatto qualche verifica, e non riesco a capire dove sbaglio.
guardando la foto della pcb di MapleMarco ho notato una differenza con la mia.
nel file allegato ho messo a confronto quella di Maplemarco (a sinistra) con la mia. ( e in basso ho messo lo schema della valvola)
si vede che il condensatore tra gli anodi è in posizione diversa (corretta) rispetto alla mia.
guardando altre tracce mi sembra come se (solo) quella parte di pcb sia messa in modo speculare rispetto alla mia.
Non so perchè ma mi sono convinto che la PCB che ho costruito io ha gli anodi collegati al posto dei catodi.
Voi che ne dite??


