Dumble SE con GU50 (???)
Re: Dumble SE con GU50 (???)
Parlando con Franco, si intavolava il discorso della possibilità di mettere in continua i filamenti.
Presumo che una soluzione possa essere quella di mettere in serie i 2 avvolgimenti da 0 - 6.3V se si vuole alimentare anche la finale.
Ma così perdiamo la possibilità di far funzionare le 6N2P.
Un'altra soluzione potrebbe essere quella di mettere cmq sempre in serie i 2 avvolgimenti da 0 - 6.3V, ma di alimentarci in continua solo la GU50.
Mentre per le 6N2P si potrebbe alimentarle in alternata usufruendo dello "0" centrale e un ramo dei 6,3V
Una terza soluzione potrebbe essere quella di alimentare la GU50 in alternata ( i 2 secondari sempre e cmq in serie ) e le 6N2P in continua sfruttando lo stesso principio della soluzione 2. Forse potrebbe essere la più fattibile.
Io ho provato a simulare la prima possibile soluzione. Ho pensato di adottare questo sistema con la speranza che sia corretto:
Oltre al rapporto di trasformazione delle induttanze ( che servono per simulare un trasformatore in LTspice ) è importante specificare anche le resistenze di ogni avvolgimento. Sia del primario che del secondario.
Per farlo ho sfruttato Wintrafo in questo modo:
Non sono stato a vedere quale sezione di filo sia preferibile o altro. Ho dato i parametri che mi servivano e ho ottenuto i valori che mi interessavano.
Che sia troppo come valore resistivo o troppo poco, non dovrebbe essere rilevante al fine della simulazione perchè, così come per le induttanze, a noi interessa sfruttare il rapporto fra quei valori.
Questo rapporto dovrebbe limitare la corrente massima erogabile dal trafo.
Presumo che una soluzione possa essere quella di mettere in serie i 2 avvolgimenti da 0 - 6.3V se si vuole alimentare anche la finale.
Ma così perdiamo la possibilità di far funzionare le 6N2P.
Un'altra soluzione potrebbe essere quella di mettere cmq sempre in serie i 2 avvolgimenti da 0 - 6.3V, ma di alimentarci in continua solo la GU50.
Mentre per le 6N2P si potrebbe alimentarle in alternata usufruendo dello "0" centrale e un ramo dei 6,3V
Una terza soluzione potrebbe essere quella di alimentare la GU50 in alternata ( i 2 secondari sempre e cmq in serie ) e le 6N2P in continua sfruttando lo stesso principio della soluzione 2. Forse potrebbe essere la più fattibile.
Io ho provato a simulare la prima possibile soluzione. Ho pensato di adottare questo sistema con la speranza che sia corretto:
Oltre al rapporto di trasformazione delle induttanze ( che servono per simulare un trasformatore in LTspice ) è importante specificare anche le resistenze di ogni avvolgimento. Sia del primario che del secondario.
Per farlo ho sfruttato Wintrafo in questo modo:
Non sono stato a vedere quale sezione di filo sia preferibile o altro. Ho dato i parametri che mi servivano e ho ottenuto i valori che mi interessavano.
Che sia troppo come valore resistivo o troppo poco, non dovrebbe essere rilevante al fine della simulazione perchè, così come per le induttanze, a noi interessa sfruttare il rapporto fra quei valori.
Questo rapporto dovrebbe limitare la corrente massima erogabile dal trafo.
Re: Dumble SE con GU50 (???)
Schema con tutte le note dei dati ricavati:
Ho utilizzato dei diodi SCHOTTKY perchè hanno una caduta di tensione inferiore ai classici 1,4V di un ponte diodi comune.
E quì 1.05V rispetto a 1.4V fa la differenza.
Grafico 1:
Grafico 2:
...Il ripple è altino e stiamo un pò tirando il collo ai secondari.
Ho utilizzato dei diodi SCHOTTKY perchè hanno una caduta di tensione inferiore ai classici 1,4V di un ponte diodi comune.
E quì 1.05V rispetto a 1.4V fa la differenza.
Grafico 1:
Grafico 2:
...Il ripple è altino e stiamo un pò tirando il collo ai secondari.
- Kagliostro
- Amministratore

- Messaggi: 9955
- Iscritto il: 03/12/2007, 0:16
- Località: Prov. di Treviso
Re: Dumble SE con GU50 (???)
Ciao Domenico
I due secondari sono pensati per 2 6N2P ed 1 GU50
6N2P = 340mA (a 6.3v)
GU50 = 850mA (a 12.6v)
(anche se 850mA sono il massimo, infatti nei datasheet si parla di consumo filamenti da 600mA a 770mA ed in altri si arriva a 850)
Tensione alimentazione filamenti:
GU50 da 10.5v a 14.5v
6N2P da 5.7v a 7v
Quindi non è che si sia obbligati a fare i salti mortali per avere i 6.3v o i 12.6v perfettamente centrati
Prendendo a riferimento i consumi massimi sommando 340mA + 340mA + 850mA il totale è 1530mA che potremmo arrotondare per avere
un po' di margine a 1800mA
1800mA AC / 0.6 = 3000mA AC
Quindi servono 3A disponibili in AC, con questa disponibilità credo che il ripple sia più basso
---
Una cosa che non avevo messo tra le ipotesi è quella di mettere semplicemente le 6N2P con i filamenti in serie e collegarle ai 12.6v
In questo modo se non si vogliono aggiungere altre valvole per altri scopi (un Send/Return) si può evitare di avere i 6.3v (anche se previsti come avvolgimenti perché il materiale è lo stesso)
il consumo a 12.6v (senza la parte alimentata a 6.3v) sarebbe di 850mA + 340mA = 1190mA (invece di 1530mA) e come corrente DC basterebbe avere
1190mA + margine di arrotondamento 210mA = 1400mA di disponibilità che richiedono (1400 / 0.6) 2333mA AC per arrivarci in DC
---
Se qualcuno volesse aggiungere una valvola nel pre basterebbe portare a 2500mA AC la corrente disponibile
Franco
s.e.&o.
I due secondari sono pensati per 2 6N2P ed 1 GU50
6N2P = 340mA (a 6.3v)
GU50 = 850mA (a 12.6v)
(anche se 850mA sono il massimo, infatti nei datasheet si parla di consumo filamenti da 600mA a 770mA ed in altri si arriva a 850)
Tensione alimentazione filamenti:
GU50 da 10.5v a 14.5v
6N2P da 5.7v a 7v
Quindi non è che si sia obbligati a fare i salti mortali per avere i 6.3v o i 12.6v perfettamente centrati
Prendendo a riferimento i consumi massimi sommando 340mA + 340mA + 850mA il totale è 1530mA che potremmo arrotondare per avere
un po' di margine a 1800mA
1800mA AC / 0.6 = 3000mA AC
Quindi servono 3A disponibili in AC, con questa disponibilità credo che il ripple sia più basso
---
Una cosa che non avevo messo tra le ipotesi è quella di mettere semplicemente le 6N2P con i filamenti in serie e collegarle ai 12.6v
In questo modo se non si vogliono aggiungere altre valvole per altri scopi (un Send/Return) si può evitare di avere i 6.3v (anche se previsti come avvolgimenti perché il materiale è lo stesso)
il consumo a 12.6v (senza la parte alimentata a 6.3v) sarebbe di 850mA + 340mA = 1190mA (invece di 1530mA) e come corrente DC basterebbe avere
1190mA + margine di arrotondamento 210mA = 1400mA di disponibilità che richiedono (1400 / 0.6) 2333mA AC per arrivarci in DC
---
Se qualcuno volesse aggiungere una valvola nel pre basterebbe portare a 2500mA AC la corrente disponibile
Franco
s.e.&o.
Re: Dumble SE con GU50 (???)
....Le ipotesi 2 e 3, purtroppo hanno bisogno di più corrente.
Con Wintrafo ho ricavato i valori per 2 secondari isolati:
Con 1.8A, purtroppo non andiamo da nessuna parte. In alternata è studiato a doc questo valore per non far salire più di tanto la tensione.
Ma per queste 2 possibilità Ho dovuto provare almeno con 2.5A
Con Wintrafo ho ricavato i valori per 2 secondari isolati:
Con 1.8A, purtroppo non andiamo da nessuna parte. In alternata è studiato a doc questo valore per non far salire più di tanto la tensione.
Ma per queste 2 possibilità Ho dovuto provare almeno con 2.5A
Re: Dumble SE con GU50 (???)
IPOTESI 2:
Schema: Grafico 1: Grafico 2:
Schema: Grafico 1: Grafico 2:
Re: Dumble SE con GU50 (???)
IPOTESI 3:
Schema: Grafico 1: Grafico 2: In questo caso, che mi sembrava il più fattibile, avremmo bisogno di ancora più corrente.
Sono riuscito ad avere qualche risultato decente alimentando solo un triodo.
Schema: Grafico 1: Grafico 2: In questo caso, che mi sembrava il più fattibile, avremmo bisogno di ancora più corrente.
Sono riuscito ad avere qualche risultato decente alimentando solo un triodo.
Re: Dumble SE con GU50 (???)
Nel primo schema postato ( ipotesi 1 ) c'è un errore di battitura, ma i calcoli sono esatti. Ho scritto 220 anzichè 230:
K = ( 12.6 V RMS x 1.06) / 230 RMS = 0,058069565
LS1 = (0.058 X 0.058) X 100 ( SE IL PRIMARIO E' 100H )
LS1 = 337mH
Io ho cercato di rimanere su un punto fermo delle tensioni dichiarate con i massimi assorbimenti possibili.
Quindi partiamo dal presupposto peggiore possible. Da quì in poi le tolleranze ci aiutano soltanto, ma almeno sappiamo che oltre quella / quelle situazioni non è possibile andare.
Sono d'accordo sul 3A in AC per avere tutto il margine possibile.
Però poi in alternata non avremmo più il vantaggio del 1.8A per non far salire più di tanto le tensioni.
Quindi sarebbe necessario fare una scelta sulla direzione.
K = ( 12.6 V RMS x 1.06) / 230 RMS = 0,058069565
LS1 = (0.058 X 0.058) X 100 ( SE IL PRIMARIO E' 100H )
LS1 = 337mH
Ciao Franco.Kagliostro ha scritto: ↑22/09/2023, 18:26
Tensione alimentazione filamenti:
GU50 da 10.5v a 14.5v
6N2P da 5.7v a 7v
Quindi non è che si sia obbligati a fare i salti mortali per avere i 6.3v o i 12.6v perfettamente centrati
Prendendo a riferimento i consumi massimi sommando 340mA + 340mA + 850mA il totale è 1530mA che potremmo arrotondare per avere
un po' di margine a 1800mA
1800mA AC / 0.6 = 3000mA AC
Quindi servono 3A disponibili in AC, con questa disponibilità credo che il ripple sia più basso
Io ho cercato di rimanere su un punto fermo delle tensioni dichiarate con i massimi assorbimenti possibili.
Quindi partiamo dal presupposto peggiore possible. Da quì in poi le tolleranze ci aiutano soltanto, ma almeno sappiamo che oltre quella / quelle situazioni non è possibile andare.
Sono d'accordo sul 3A in AC per avere tutto il margine possibile.
Però poi in alternata non avremmo più il vantaggio del 1.8A per non far salire più di tanto le tensioni.
Quindi sarebbe necessario fare una scelta sulla direzione.
Si, sarebbe un'ulteriore possibilità. Il problema è che ne abbiamo 3 di 6n2p. Ne mettiamo solo 2 in serie ?Kagliostro ha scritto: ↑22/09/2023, 18:26....Una cosa che non avevo messo tra le ipotesi è quella di mettere semplicemente le 6N2P con i filamenti in serie e collegarle ai 12.6v
In questo modo se non si vogliono aggiungere altre valvole per altri scopi (un Send/Return) si può evitare di avere i 6.3v (anche se previsti come avvolgimenti perché il materiale è lo stesso)...
Re: Dumble SE con GU50 (???)
...Sarei curioso di sapere se il ragionamento effettuato inerente la simulazione dei vari T.A. è corretto.
Quando potrai, Robi, ne possiamo parlare così approfondiamo?
Quando potrai, Robi, ne possiamo parlare così approfondiamo?
Re: Dumble SE con GU50 (???)
...Ragazzi, io sono di parte riguardo alla continua e ai regolatori.
Ma non è che ci stiamo complicando un pò troppo la vita?
La butto lì:
ma se alimentassimo tutto in alternata e poi ricorressimo ad humdinger ed elevazione dei filamenti nel caso di problemi?
Lo potremmo fare lo stesso anche se portiamo entrambi secondari a 3A anzichè 1.8A ?
Sarebbe una bella cosa poter prendere entrambe le strade, ma mi chiedo se sia possibile.
Ma non è che ci stiamo complicando un pò troppo la vita?
La butto lì:
ma se alimentassimo tutto in alternata e poi ricorressimo ad humdinger ed elevazione dei filamenti nel caso di problemi?
Lo potremmo fare lo stesso anche se portiamo entrambi secondari a 3A anzichè 1.8A ?
Sarebbe una bella cosa poter prendere entrambe le strade, ma mi chiedo se sia possibile.
- Kagliostro
- Amministratore

- Messaggi: 9955
- Iscritto il: 03/12/2007, 0:16
- Località: Prov. di Treviso
Re: Dumble SE con GU50 (???)
Qui i doppi triodi sono 2 (quattro triodi in tutto) non 3 (che sarebbero 6 triodi in tutto)
Forse stavi pensando al fatto che nello schema iniziale c'è un FXLoop passivo e lo avresti trasformato in attivo aggiungendo un doppio triodo ma in realtà, almeno io, fin dall' inizio ho escluso di avere un FXLoop (sia passivo che attivo)
Quindi 12.6v sia per la finale che per i due doppi triodi messi in serie (e se si vuole ci vanno anche le 12ax7)
Franco
Forse stavi pensando al fatto che nello schema iniziale c'è un FXLoop passivo e lo avresti trasformato in attivo aggiungendo un doppio triodo ma in realtà, almeno io, fin dall' inizio ho escluso di avere un FXLoop (sia passivo che attivo)
Quindi 12.6v sia per la finale che per i due doppi triodi messi in serie (e se si vuole ci vanno anche le 12ax7)
Franco
- Kagliostro
- Amministratore

- Messaggi: 9955
- Iscritto il: 03/12/2007, 0:16
- Località: Prov. di Treviso
Re: Dumble SE con GU50 (???)
Anche questa può essere una soluzione, solo che li prevederei sin dall' inizio.... ma se alimentassimo tutto in alternata e poi ricorressimo ad humdinger ed elevazione dei filamenti nel caso di problemi?
----
Ah, stavo dimenticando
Parlando del fatto che un eccesso di corrente disponibile da come risultato una tensione più alta rispetto quella desiderata, se hai 1800mA in AC ed alimenti le valvole in AC o se hai 3000mA in AC ma poi raddrizzi ed alimenti le valvole in DC la disponibilità di corrente sarà come quella che si ha con 1800mA in AC (all' incirca)
Franco
Re: Dumble SE con GU50 (???)
... Io ero rimasto all'impiego di 3 doppi triodi.Kagliostro ha scritto: ↑22/09/2023, 21:01Qui i doppi triodi sono 2 (quattro triodi in tutto) non 3 (che sarebbero 6 triodi in tutto)
Forse stavi pensando al fatto che nello schema iniziale c'è un FXLoop passivo e lo avresti trasformato in attivo aggiungendo un doppio triodo ma in realtà, almeno io, fin dall' inizio ho escluso di avere un FXLoop (sia passivo che attivo....
Non dovevamo sopperire alla mancanza dei famosi 27vp?
L'ultimo triodo avevamo pensato di impegarlo per un uscita sia bilanciata che sbilanciata.
... Per non lasciare "orfano" un triodo.
Re: Dumble SE con GU50 (???)
Certamente. Ma quello a cui mi riferivo io era il fatto di potersi dedicare o ad una strada ( la continua con i 3A) o ad un'altra strada ( l'alternata con i 1.8A). Ma non su entrambe le possibilitá.Kagliostro ha scritto: ↑22/09/2023, 21:04
... Parlando del fatto che un eccesso di corrente disponibile da come risultato una tensione più alta rispetto quella desiderata, se hai 1800mA in AC ed alimenti le valvole in AC o se hai 3000mA in AC ma poi raddrizzi ed alimenti le valvole in DC la disponibilità di corrente sarà come quella che si ha con 1800mA in AC (all' incirca)
Per questo chiedevo che è necessaria una decisione su quale delle 2.
Anche se a me piacerebbe mantenerle entrambe.
Se potessimo trovare un modo per gestire anche la possibilitá di mantenere la scelta dell'alternata anche con 3A per ogni avvolgimento, sarebbe il massimo della versatilitá per chiunque.
- Kagliostro
- Amministratore

- Messaggi: 9955
- Iscritto il: 03/12/2007, 0:16
- Località: Prov. di Treviso
Re: Dumble SE con GU50 (???)
Mi pare che ne abbiamo già parlato (mi pare)
O resistore o diodi in antiparallelo per la AC se invece fosse DC resistore o diodo o diodi in serie
Certo in questo caso la tua soluzione con il PWM dissipa meno in calore
Il fatto di andare di DC è sicuramente un mettere le mani avanti cercando di prevenire problemi però non è che siamo certi che sia indispensabile o meglio non lo possiamo sapere a priori
Franco
O resistore o diodi in antiparallelo per la AC se invece fosse DC resistore o diodo o diodi in serie
Certo in questo caso la tua soluzione con il PWM dissipa meno in calore
Il fatto di andare di DC è sicuramente un mettere le mani avanti cercando di prevenire problemi però non è che siamo certi che sia indispensabile o meglio non lo possiamo sapere a priori
Franco
- Kagliostro
- Amministratore

- Messaggi: 9955
- Iscritto il: 03/12/2007, 0:16
- Località: Prov. di Treviso
Re: Dumble SE con GU50 (???)
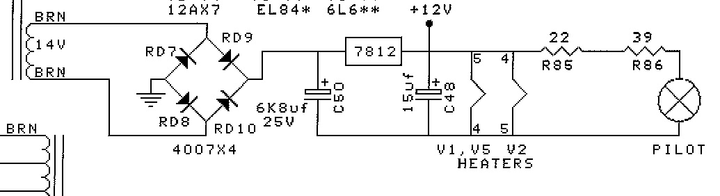
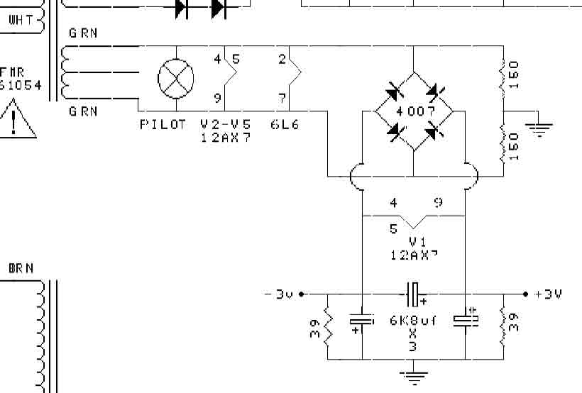
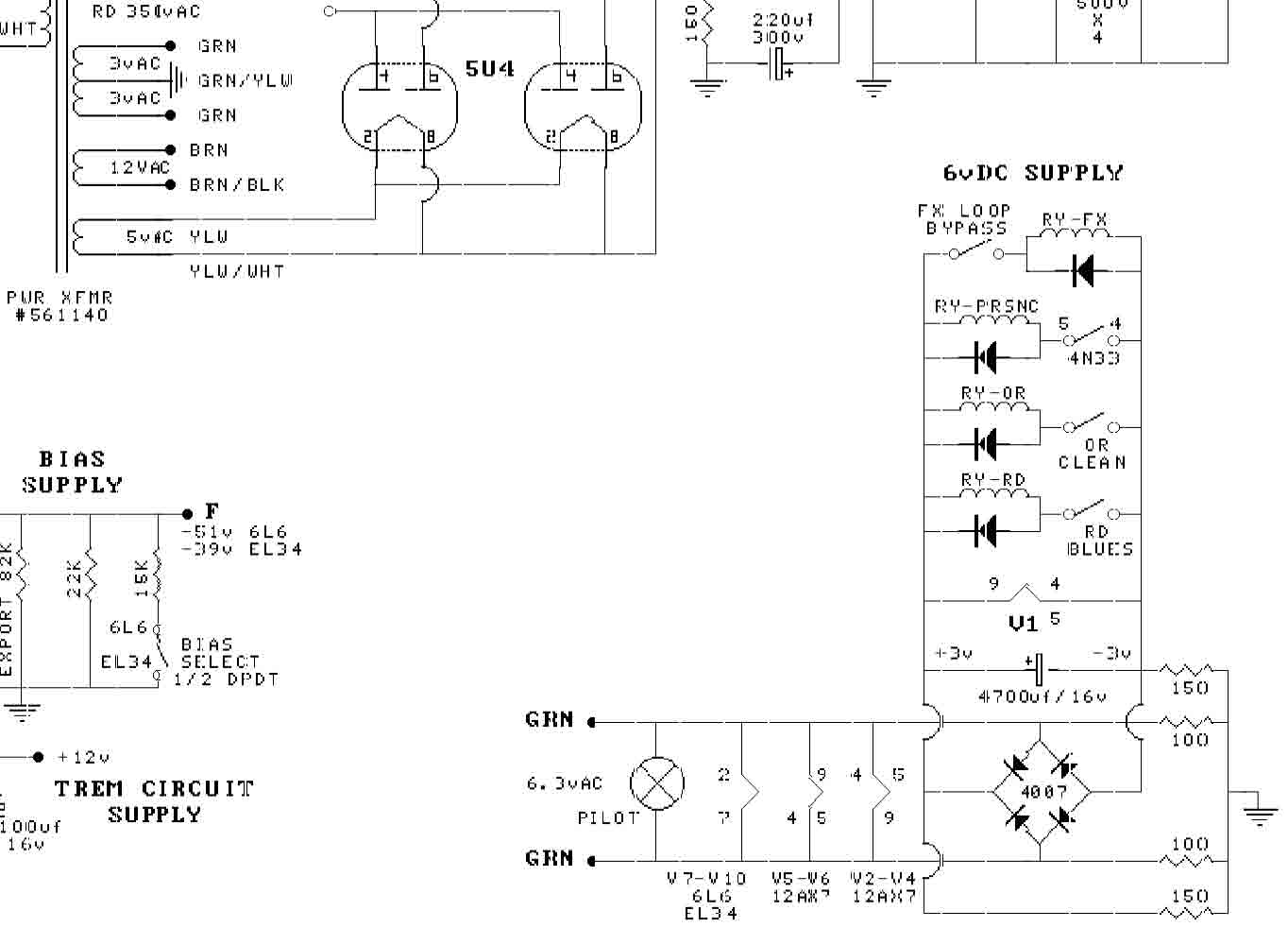
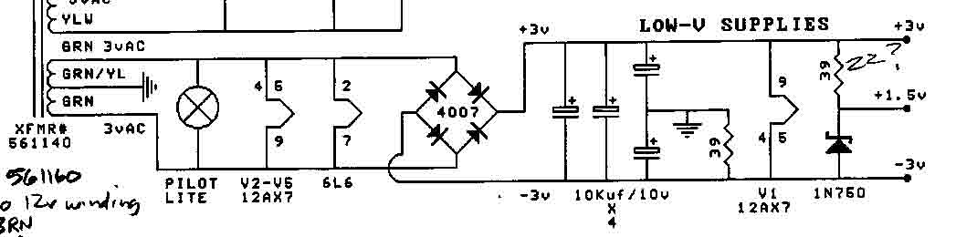
Mi sono ricordato di avere in archivio una serie di schemi di alimentazione dei filamenti e relè relativi a vari amp della Mesa Boogie
li posto qui, magari ti può interessare dare un'occhiata
Express 525-550
Tremoverb
Solo50 Rectoverb
Nomad100
Nomad55
Nomad45
Heartbreaker
Dualrectifier 3ch Solo Head
Franco
li posto qui, magari ti può interessare dare un'occhiata
Express 525-550
Tremoverb
Solo50 Rectoverb
Nomad100
Nomad55
Nomad45
Heartbreaker
Dualrectifier 3ch Solo Head
Franco

