Sostieni il forum con una donazione! Il tuo contributo ci aiuterà a rimanere online!
Immagine

MESA MARK INSPIRED

Discussioni di carattere generale sugli amplificatori valvolari...
MapleMarco
Roger Mayer Jr.
Roger Mayer Jr.
Messaggi: 2658
Iscritto il: 02/06/2012, 14:22
Località: Mirano (VE)

Re: MESA MARK INSPIRED

Messaggio da MapleMarco » 18/02/2014, 17:32

il problema ora è trovare configurazione e voltaggi di 6L6 che diano 60W o più a coppia...

qualcuno ora mi mazzerà, ma ascoltando il finale della triple rectifier in confronto al finale della D-180......ne passa di acqua sotto i ponti...

e sono sempre 6x6L6 sia uno che l'altro!!
CHE DIO B'ASSISTA!

Avatar utente
Kagliostro
Amministratore
Amministratore
Messaggi: 9949
Iscritto il: 03/12/2007, 0:16
Località: Prov. di Treviso

Re: MESA MARK INSPIRED

Messaggio da Kagliostro » 18/02/2014, 18:29

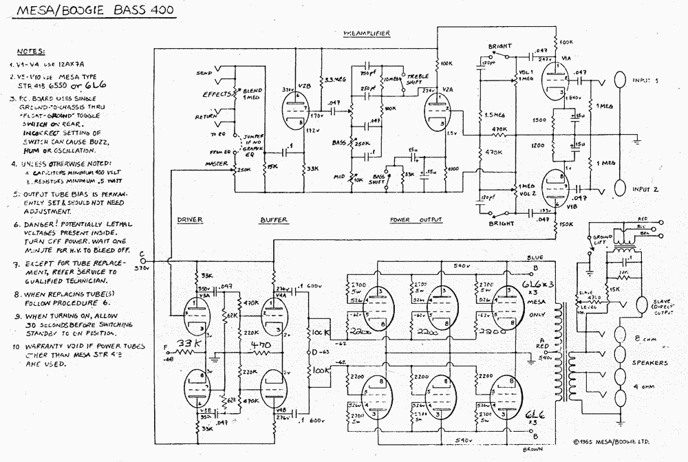
Non sono sicuro di avere identificato con certezza lo schema della D180
Mesa bass 400.gif
EDIT: Ho inserito il file su DIYItalia, non è più un'immagine linkata

K

MapleMarco
Roger Mayer Jr.
Roger Mayer Jr.
Messaggi: 2658
Iscritto il: 02/06/2012, 14:22
Località: Mirano (VE)

Re: MESA MARK INSPIRED

Messaggio da MapleMarco » 18/02/2014, 18:36

non riesco ad ingrandire l'immagine..ma a occhio è lo schema della 400 con metà finali disegnate però
:hummm_1:
beh poco male, la configurazione della D-180 è la stessa della 400 ma dimezzata!

K, la tua collezione di schemi è proverbiale :face_green:
CHE DIO B'ASSISTA!

Avatar utente
Kagliostro
Amministratore
Amministratore
Messaggi: 9949
Iscritto il: 03/12/2007, 0:16
Località: Prov. di Treviso

Re: MESA MARK INSPIRED

Messaggio da Kagliostro » 18/02/2014, 18:41

Per ingrandire l'immagine devi scaricarla sul tuo PC (click con il tasto destro del mouse)

il file non è caricato su DIYItalia, è solo linkato e ridimensionato con il comando rmg


Adesso l'immagine è caricata sul forum e non dovrebbero più esserci problemi

K

MapleMarco
Roger Mayer Jr.
Roger Mayer Jr.
Messaggi: 2658
Iscritto il: 02/06/2012, 14:22
Località: Mirano (VE)

Re: MESA MARK INSPIRED

Messaggio da MapleMarco » 18/02/2014, 18:46

ora funziona,

prima che commentassi apriva una pagina bianca :hummm_1:

sembrerebbe esserci scritto 540V sia sull'anodo sia sulla griglia....
è già un buon inizio!!
manca da sapere l'impedenza del primario...

provo a fare una ricerchina!
CHE DIO B'ASSISTA!

Avatar utente
Kagliostro
Amministratore
Amministratore
Messaggi: 9949
Iscritto il: 03/12/2007, 0:16
Località: Prov. di Treviso

Re: MESA MARK INSPIRED

Messaggio da Kagliostro » 18/02/2014, 18:51

Sì, c'è scritto 540v, ma se leggi c'è anche scritto 6L6 x 3 x 3 MESA ONLY

ne dedurrei che si tratta di valvole marcate Mesa e che magari sono selezionate o prelevate da qualche lotto speciale

http://www.capitolguitars.com/p/754/mes ... ower-tubes

K

MapleMarco
Roger Mayer Jr.
Roger Mayer Jr.
Messaggi: 2658
Iscritto il: 02/06/2012, 14:22
Località: Mirano (VE)

Re: MESA MARK INSPIRED

Messaggio da MapleMarco » 18/02/2014, 18:53

sinceramente credo che il discorso della selezione mesa sia più legata al bias che alla resistenza della valvola in se..dato che il bias nelle mesa non è sempre regolabile....

poi magari servirebbe la parola di un esperto.....
CHE DIO B'ASSISTA!

MapleMarco
Roger Mayer Jr.
Roger Mayer Jr.
Messaggi: 2658
Iscritto il: 02/06/2012, 14:22
Località: Mirano (VE)

Re: MESA MARK INSPIRED

Messaggio da MapleMarco » 19/02/2014, 22:22

Io butto giù in ipotesi......
chi vuole dica la sua! In allegato lo schema, 4x6L6GC + 2xEL34 pentodo-triodo

ipotizzando un primario per una coppia di 6L6 di 4k4 (da accordare poi a seconda di che impedenza scopriamo abbia il finale mesa) e di un impedenza di 4k per le EL, si avrebbe un primario da 1419 ohm ( 1400ohm ) a circa 200VA. il che è trovabile da inmadout, anche se a 300VA....(tanto meglio)

ovviamente più si alza il primario più aumentano i W.
quindi si potrebbe pensare di stare anche intorno a 1k9, 2k.... tanto per spingere circa 60W a coppia!!
Allegati
FINALE.pdf
(15.33 KiB) Scaricato 202 volte
CHE DIO B'ASSISTA!

Avatar utente
mlessio
Amministratore
Amministratore
Messaggi: 1244
Iscritto il: 02/12/2008, 17:59
Località: Alessandria

Re: MESA MARK INSPIRED

Messaggio da mlessio » 20/02/2014, 2:25

Confermo quello che dice MapleMarco!

Le valvole Mesa sono selezionate per il bias.

Più precisamente mi pare si tratti di valvole Sovtek / TAD, che sono divise con il codice colore(verdi, giall, ecc.) per poter essere sostituite al volo senza nessuna taratura del bias. Infatti tutti i finali mesa hanno il bias fissato, senza trimmer di regolazione. Quando ho fatto la dual rectifier infatti avevo rubato il circuito del bias dalla nomad 55 o dalla heartbreaker, non ricordo bene!

Avatar utente
Kagliostro
Amministratore
Amministratore
Messaggi: 9949
Iscritto il: 03/12/2007, 0:16
Località: Prov. di Treviso

Re: MESA MARK INSPIRED

Messaggio da Kagliostro » 20/02/2014, 8:28

Marco non ti seguo, intendi un unico primario con prese ad impedenze diverse per adattarsi meglio ai due tipi di valvole ?

Nel Blue Angel, mi pare di ricordare, che il circuito sembri fatto così per come è disegnato, ma in realtà il primario non presenta prese ad impedenza diversa ed i due tipi di valvole sono collegati allo stesso punto

Probabilmente questo perché una differenza non esagerata da quella ottimale non si sente e quindi fare il primario con le prese intermedie sarebbe quasi un inutile spreco di risorse

Diverso sarebbe se i primari fossero due, avendo in tal modo, la possibilità di usare due livelli di anodica diversi a seconda del tipo di valvole

K

MapleMarco
Roger Mayer Jr.
Roger Mayer Jr.
Messaggi: 2658
Iscritto il: 02/06/2012, 14:22
Località: Mirano (VE)

Re: MESA MARK INSPIRED

Messaggio da MapleMarco » 20/02/2014, 8:39

no no,
evidentemente mi sono espresso male.

Parlo di un unico primario, stavo solo valutando da quanti ohm dovesse essere!!
giusto per intenderci, scrivo i primi conti che ho fatto (per chi potrebbe essere interessato)

Primario da 1800 ohm, 550V 360mA = 1100 spire con filo da 0.45mm
Secondari:
2 ohm, 18.3V= 38 spire
4 ohm 26.2V = 55 spire
8 ohm 36.6V = 77 spire
16 ohm 55V = 116 spire

il tutto è calcolato con 0.8 Weber, volendo su può alzare fino a 1, così si ridurrebbero gli avvolgimenti di un pò...(il primario arriverebbe circa a 900 spire)
CHE DIO B'ASSISTA!

Avatar utente
Kagliostro
Amministratore
Amministratore
Messaggi: 9949
Iscritto il: 03/12/2007, 0:16
Località: Prov. di Treviso

Re: MESA MARK INSPIRED

Messaggio da Kagliostro » 20/02/2014, 18:18

Sono contento che tu distribuisca questi tuoi calcoli, magari qualcuno potrebbe essere interessato ad usarli :numb1:

Io, per parte mia, ho letto il manuale di Giunchi troppo tempo fa e quindi non ricordo bene la procedura, comunque proprio stamattina sono ritornato a prender per mano la bobinatrice per calcolare nuovamente le misure per il banchetto su cui montarla

rispetto la disposizione, più semplice, che avevo in mente l'altro giorno, che prevedeva il montaggio del motore sul piano e dietro alla macchina, sfruttando il suo carter cinghia originale, ho deciso di montarlo proprio sotto la bobinatrice, facendo una fresatura sul piano e costruendo un nuovo carter ed un nuovo supporto per i porta rocchetti del filo che la alimenta

facendo in questo modo mi complico la vita dal punto di vista costruttivo, ma riduco le dimensioni di ingombro da 66cm x 76cm a 46cm x 76cm, 20cm di meno non sono molti, ma considerando che di spazio ne ho molto poco, preferisco pagare lo scotto e farlo in questo modo

K

MapleMarco
Roger Mayer Jr.
Roger Mayer Jr.
Messaggi: 2658
Iscritto il: 02/06/2012, 14:22
Località: Mirano (VE)

Re: MESA MARK INSPIRED

Messaggio da MapleMarco » 20/02/2014, 18:28

è quanto meno più raffinata come soluzione, oltre che compatta!! :numb1:

buon lavoro!

Per la cronaca, io non ho una bobinatrice, per cui li avvolgo a manina :face_green:
è un lavoraccio, ma si riescono ad accostare molto meglio le spire!!
CHE DIO B'ASSISTA!

Avatar utente
Kagliostro
Amministratore
Amministratore
Messaggi: 9949
Iscritto il: 03/12/2007, 0:16
Località: Prov. di Treviso

Re: MESA MARK INSPIRED

Messaggio da Kagliostro » 20/02/2014, 18:40

Quando sarà tutto finito (purtroppo se vado avanti così ci vorrà ancora un po' di tempo) tieni presente che se ti servisse

sarai gradito ospite presso il mio ........ atelier :face_green:

così potrò sfruttarti per la questione calcoli ;)

K

p.s.: Potresti sempre costruirti quella di Giunchi (e se hai bisogno vieni a trovarmi che la facciamo assieme)

http://digilander.iol.it/giunchifabrizio/bobina.htm

MapleMarco
Roger Mayer Jr.
Roger Mayer Jr.
Messaggi: 2658
Iscritto il: 02/06/2012, 14:22
Località: Mirano (VE)

Re: MESA MARK INSPIRED

Messaggio da MapleMarco » 20/02/2014, 21:23

Ti dirò, per i trasformatori di alimentazione sarebbe molto conveniente, per i Tu invece, a mio parere, la cura che si ottiene avvolgendo a mano è irreplicabile con una bobinatrice....

ad ogni modo, nonostante le conoscenze che ho da condividere in realtà sono più esigue di quanto tu creda, sarei volentieri ospite del tuo "laboratorio" (suvvia, un pò di orgoglio nazionalista :face_green: ) magari per condividere i risultati di questo progetto, a tempo debito ;)

---

Per onor di cronaca, è iniziata la costruzione del TU! da un bel pacco di lamierini da 280/300VA :face_green:
CHE DIO B'ASSISTA!

Rispondi