Amplificatore valvolare Farfisa
Re: Amplificatore valvolare Farfisa
É un Marshall 2203 con un mosfet come buffer di uscita.
- Kagliostro
- Amministratore

- Messaggi: 9904
- Iscritto il: 03/12/2007, 0:16
- Località: Prov. di Treviso
Re: Amplificatore valvolare Farfisa
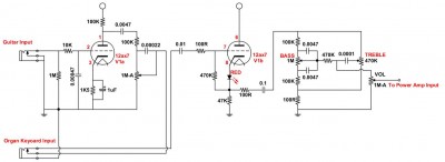
Nel frattempo io avevo buttato giù una mia proposta per il circuito
Controllo Toni preso da Davoli Organ Bass, CF per pilotarlo senza perdite, preso da Merlin, per l'ingresso chitarra V1 (sfrutta metà della ECC83 di cui si compone il CF), Medium Gain Preamp anche questo ripreso da Merlin (già visto nella conversione del Geloso 1020 che sta portando avanti Leonardo)
Merlin Medium Gain Preamp

Schema del Davoli Organ Bass

Nel controllo toni c'è un componente reperibile ma non diffusissimo, per cui ho chiesto ad amici se cambiando il valore di qualche condensatore se ne possa usare un altro con valori più standard al giorno d'oggi, parlo del pot dei bassi che è da 2.5M
Ecco cosa se ne è uscito

E qui il Finale del Farfisa Foyer

Franco
Controllo Toni preso da Davoli Organ Bass, CF per pilotarlo senza perdite, preso da Merlin, per l'ingresso chitarra V1 (sfrutta metà della ECC83 di cui si compone il CF), Medium Gain Preamp anche questo ripreso da Merlin (già visto nella conversione del Geloso 1020 che sta portando avanti Leonardo)
Merlin Medium Gain Preamp

Schema del Davoli Organ Bass

Nel controllo toni c'è un componente reperibile ma non diffusissimo, per cui ho chiesto ad amici se cambiando il valore di qualche condensatore se ne possa usare un altro con valori più standard al giorno d'oggi, parlo del pot dei bassi che è da 2.5M
Ecco cosa se ne è uscito

E qui il Finale del Farfisa Foyer

Franco
- Kagliostro
- Amministratore

- Messaggi: 9904
- Iscritto il: 03/12/2007, 0:16
- Località: Prov. di Treviso
Re: Amplificatore valvolare Farfisa
Mi sono reso conto che la ricerca del pot da 2.5M non è semplice e meno ancora realizzare qualcosa per sopperire alla carenza di quel pot per cui dal Controllo Toni del Davoli Organ Bass sono passato ad un controllo Baxandall Passivo

K

K
Re: Amplificatore valvolare Farfisa
Ciao eccomi, scusa per il ritardo.
Ho provato i collegamenti del finale ed ora sono certo che gli ingressi sono il7 e l’8.
Però collegandoci l’organo, che è preamplificato, non ho ottenuto risultati.
Voglio costruire il pre che hai disegnato tu.
Pensi che potrei sfruttare là due ecc 83 del finale stesso o no ?
Grazie.
Ho provato i collegamenti del finale ed ora sono certo che gli ingressi sono il7 e l’8.
Però collegandoci l’organo, che è preamplificato, non ho ottenuto risultati.
Voglio costruire il pre che hai disegnato tu.
Pensi che potrei sfruttare là due ecc 83 del finale stesso o no ?
Grazie.
- Kagliostro
- Amministratore

- Messaggi: 9904
- Iscritto il: 03/12/2007, 0:16
- Località: Prov. di Treviso
Re: Amplificatore valvolare Farfisa
Ciao
Sono tre ingressi (7 + 3) -- (7 + 2) -- (7 + 8)
Solo che sono arrangiati in modo diverso, devi stabilire tu quale combinazione rende meglio con l'input che gli dai
Comunque non servono due valvole, ne basta una sola, ogni ECC83 ha 2 triodi e lo schema che ho messo assieme usa 2 triodi, quindi una sola ECC83

Piuttosto, serve uno switch per il riverbero incorporato nel finale, quello lo devi mettere (seguendo lo schema completo dell'organo originale, dove non ho guardato ma credo si tratti di cortocircuitare il segnale a massa quando si vuol mettere in OFF)
K
Sono tre ingressi (7 + 3) -- (7 + 2) -- (7 + 8)
Solo che sono arrangiati in modo diverso, devi stabilire tu quale combinazione rende meglio con l'input che gli dai
Ma allora funziona sull'ingresso 7 + 8 o no ?Però collegandoci l’organo, che è preamplificato, non ho ottenuto risultati.
Decisamente no, del finale non devi toccare niente, serve tuttoVoglio costruire il pre che hai disegnato tu.
Pensi che potrei sfruttare le due ecc 83 del finale stesso o no ?
Comunque non servono due valvole, ne basta una sola, ogni ECC83 ha 2 triodi e lo schema che ho messo assieme usa 2 triodi, quindi una sola ECC83

Piuttosto, serve uno switch per il riverbero incorporato nel finale, quello lo devi mettere (seguendo lo schema completo dell'organo originale, dove non ho guardato ma credo si tratti di cortocircuitare il segnale a massa quando si vuol mettere in OFF)
K
Re: Amplificatore valvolare Farfisa
In realtà ho provato solo il 7+8 , si sente un ronzio di fondo ma non si sente il suono dell’organo.
Ho provato questa combinazione perché sembrano essere i fili portanti, sul connettore i fili principali sono quelli.
Ad ogni modo provo.
Mi sembra che sullo schema dell’organo sia indicato lo switch del reverbero.
Ho provato questa combinazione perché sembrano essere i fili portanti, sul connettore i fili principali sono quelli.
Ad ogni modo provo.
Mi sembra che sullo schema dell’organo sia indicato lo switch del reverbero.
Re: Amplificatore valvolare Farfisa
Si ho visto il tuo schema un po’ di fretta…una sola valvola..
È che ho poco tempo perché sto sistemando l’organo..la funzione treble percussion, funziona ma si sente molto bassa.
Ti allego le foto dello schema dell’organo.
È che ho poco tempo perché sto sistemando l’organo..la funzione treble percussion, funziona ma si sente molto bassa.
Ti allego le foto dello schema dell’organo.
- Kagliostro
- Amministratore

- Messaggi: 9904
- Iscritto il: 03/12/2007, 0:16
- Località: Prov. di Treviso
Re: Amplificatore valvolare Farfisa
Il circuito con l'interruttore del riverbero del Foyer dovrebbe essere quello che ho bordato in rosso, solo che non ci capisco molto con tutti quegli switch disegnati in modo strano per me

In pratica quello che vedo è che il tremolo è collegato al pattino di un potenziometro tramite un condensatore che sta in serie, un pin del potenziometro va a massa e, forse, con quel coso che sembra uno switch lo si mette a massa bypassando cap e pot, FORSE
K

In pratica quello che vedo è che il tremolo è collegato al pattino di un potenziometro tramite un condensatore che sta in serie, un pin del potenziometro va a massa e, forse, con quel coso che sembra uno switch lo si mette a massa bypassando cap e pot, FORSE
K
Re: Amplificatore valvolare Farfisa
Ma dimmi, non c’è un modo per testare il finale senza l’organo e senza pre ?
- Kagliostro
- Amministratore

- Messaggi: 9904
- Iscritto il: 03/12/2007, 0:16
- Località: Prov. di Treviso
Re: Amplificatore valvolare Farfisa
Ci colleghi l'uscita di un qualcosa tipo una radiolina o altro
Ma NON direttamente, devi fare un partitore resistivo per abbassare a meno di 1/2 volt il segnale
K
Ma NON direttamente, devi fare un partitore resistivo per abbassare a meno di 1/2 volt il segnale
K
Re: Amplificatore valvolare Farfisa
Allora, mi ci sono rimesso,il 7,8 sono l’ingresso, posso suonare tranquillamente l’organo.
Fa un po’ di rumore di fondo ma probabilmente sarà qualche condensatore.
Ora costruisco il pre, con le tue informazioni.
Fa un po’ di rumore di fondo ma probabilmente sarà qualche condensatore.
Ora costruisco il pre, con le tue informazioni.
- Kagliostro
- Amministratore

- Messaggi: 9904
- Iscritto il: 03/12/2007, 0:16
- Località: Prov. di Treviso
Re: Amplificatore valvolare Farfisa
E gli altri due ingressi cosa fanno , come si comportano?
Ci sono o sono scollegati ?
Per il rumore di fondo prova a cambiare i condensatori elettrolitici di filtro nel circuito dell'alimentazione
K
Ci sono o sono scollegati ?
Per il rumore di fondo prova a cambiare i condensatori elettrolitici di filtro nel circuito dell'alimentazione
K
Re: Amplificatore valvolare Farfisa
Semplice, il 2 va al jack fin del pedale volume, il 3 è il filo che va al reverberoE gli altri due ingressi cosa fanno , come si comportano

