La maplemarcomark in tutte le salse più uno!
-
MapleMarco
- Roger Mayer Jr.

- Messaggi: 2658
- Iscritto il: 02/06/2012, 14:22
- Località: Mirano (VE)
Re: La maplemarcomark in tutte le salse più uno!
beh...in una testata "standard" da chitarra (leggasi SLO etc...) le griglie sono sempre alimentate con la stessa HV delle placche..quindi sopra i 450... 
CHE DIO B'ASSISTA!
Re: La maplemarcomark in tutte le salse più uno!
io sul ampli che mie rimasto (slo 100, con 6l6) ho 540 v sia sulle placche che griglie. L ampli nn fa una piega.
leggendo i data di 6l6gc dicono di nn andare oltre i 450v mah, nn lo so.
leggendo i data di 6l6gc dicono di nn andare oltre i 450v mah, nn lo so.
- Kagliostro
- Amministratore

- Messaggi: 9949
- Iscritto il: 03/12/2007, 0:16
- Località: Prov. di Treviso
Re: La maplemarcomark in tutte le salse più uno!
Non è tanto per una questione di limite di sopportabilità delle g2 che lo dicevo
ma solo nell'ottica di rispettare (più o meno) le specifiche di datasheet per i 100W su 4.5K di carico
K
ma solo nell'ottica di rispettare (più o meno) le specifiche di datasheet per i 100W su 4.5K di carico
K
- Tubemaniac
- Elettrone Impazzito

- Messaggi: 42
- Iscritto il: 04/03/2015, 0:20
- Località: Schio-Vi
Re: La maplemarcomark in tutte le salse più uno!
Bellissima realizzazione, molto "pro", e' piu' pulita di tanti prodotti di serie mi piacerebbe sentirne qualche sample viuuuulento

-
MapleMarco
- Roger Mayer Jr.

- Messaggi: 2658
- Iscritto il: 02/06/2012, 14:22
- Località: Mirano (VE)
Re: La maplemarcomark in tutte le salse più uno!
Ho ultimato anche la gemellina con due sole finali...
tutto apposto tranne l'eq...
o meglio, solo la schedina con i gyrator...
siccome ho due ampli per le mani ho fatto le combinazioni del caso e posso con certezza limitare il problema proprio alla suddetta schedina...
dunque, in sostanza, attivandoli il volume si azzera praticamente...
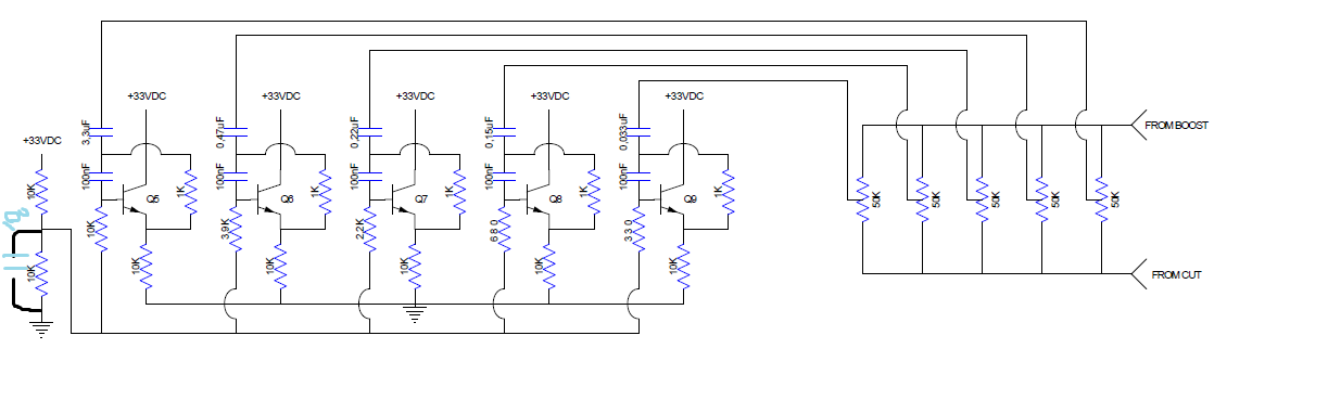
in allegato lo schema dei gyrator in questione...
(nella scheda è presente un relay che attivato bypassa tutto, in sostanza scollega il collegamento a boost e quello a cut mettendo tra questi una resistenza da 10k...in questo caso l'ampli funzia)
i pinout dei transistor sono giusti (la schedina gemella dell'altro amp con i trans messi così funzia a meraviglia)
i voltaggi anche (l'altra schedina in questo amp funzia a meraviglia)
corti sulle piste non ne vedo
i condensatori funziano (ho provato a toglierli e rimetterli e non variano ne risolvono il problema)
L'unica cosa alla quale riesco a pensare è che i transistor siano cotti...ma mi pare impossibile dato che sono nuovi!
siccome io di SS ci capisco molto poco....spero nell'aiuto dei più esperti
tutto apposto tranne l'eq...
o meglio, solo la schedina con i gyrator...
siccome ho due ampli per le mani ho fatto le combinazioni del caso e posso con certezza limitare il problema proprio alla suddetta schedina...
dunque, in sostanza, attivandoli il volume si azzera praticamente...
in allegato lo schema dei gyrator in questione...
(nella scheda è presente un relay che attivato bypassa tutto, in sostanza scollega il collegamento a boost e quello a cut mettendo tra questi una resistenza da 10k...in questo caso l'ampli funzia)
i pinout dei transistor sono giusti (la schedina gemella dell'altro amp con i trans messi così funzia a meraviglia)
i voltaggi anche (l'altra schedina in questo amp funzia a meraviglia)
corti sulle piste non ne vedo
i condensatori funziano (ho provato a toglierli e rimetterli e non variano ne risolvono il problema)
L'unica cosa alla quale riesco a pensare è che i transistor siano cotti...ma mi pare impossibile dato che sono nuovi!
siccome io di SS ci capisco molto poco....spero nell'aiuto dei più esperti
CHE DIO B'ASSISTA!
Re: La maplemarcomark in tutte le salse più uno!
Potresti provare a cambiare i transistor, secondo me sono quelli... 
-
MapleMarco
- Roger Mayer Jr.

- Messaggi: 2658
- Iscritto il: 02/06/2012, 14:22
- Località: Mirano (VE)
Re: La maplemarcomark in tutte le salse più uno!
siccome tutti i componenti di quella scheda erano di banzai, mi è venuto il nervoso....
l'ho tolta e ho messo quella della mark III (tanto è uguale)
ora l'eq funziona ma l'ampli ha cominciato a distorcere troppo...
non dipende dai primi stadi ma da qualcos'altro...è come se il finale fosse tiratissimo e invece è tarato normalmente
ora provo a cambiare tutte le valvole di preamp e vediamo...
EDIT: Nulla da fare, cambiato tutte le valvole e siamo da capo....
è come se il preamp avesse un guadagno allucinante.
anche perchè i volumi sono eccessivamente alti
ho controllato i pot dei vari gain e risultano funzionanti.
i filamenti sono perfetti ed anche l'anodica...
tra l'altro, questa mattina andava alla perfezione -.-
l'ho tolta e ho messo quella della mark III (tanto è uguale)
ora l'eq funziona ma l'ampli ha cominciato a distorcere troppo...
non dipende dai primi stadi ma da qualcos'altro...è come se il finale fosse tiratissimo e invece è tarato normalmente
ora provo a cambiare tutte le valvole di preamp e vediamo...
EDIT: Nulla da fare, cambiato tutte le valvole e siamo da capo....
è come se il preamp avesse un guadagno allucinante.
anche perchè i volumi sono eccessivamente alti
ho controllato i pot dei vari gain e risultano funzionanti.
i filamenti sono perfetti ed anche l'anodica...
tra l'altro, questa mattina andava alla perfezione -.-
CHE DIO B'ASSISTA!
- Kagliostro
- Amministratore

- Messaggi: 9949
- Iscritto il: 03/12/2007, 0:16
- Località: Prov. di Treviso
Re: La maplemarcomark in tutte le salse più uno!
Non è chiaro se il guadagno sia troppo con la schedina inserita, bypassata o in tutti e due i casi
K
K
-
MapleMarco
- Roger Mayer Jr.

- Messaggi: 2658
- Iscritto il: 02/06/2012, 14:22
- Località: Mirano (VE)
Re: La maplemarcomark in tutte le salse più uno!
In tutti i casi!
l'Eq ora funziona...
non capisco se tutto sto guadagno e relativo volume è dato dal preamp o dal finale...
ma temo dal preamp.
anche se, ripeto, pot ok, voltaggi ok, filamenti ok...
l'Eq ora funziona...
non capisco se tutto sto guadagno e relativo volume è dato dal preamp o dal finale...
ma temo dal preamp.
anche se, ripeto, pot ok, voltaggi ok, filamenti ok...
CHE DIO B'ASSISTA!
Re: La maplemarcomark in tutte le salse più uno!
Ma se rimuovi la schedina fisicamente, e ritorni al punto di stamattina, l'ampli torna a funzionare correttamente?
-
MapleMarco
- Roger Mayer Jr.

- Messaggi: 2658
- Iscritto il: 02/06/2012, 14:22
- Località: Mirano (VE)
Re: La maplemarcomark in tutte le salse più uno!
ok, trovato il probema..
il pot dei medi che ogni tanto da solo va a resistenza infinita (circa 15Megaohm) e quindi "boostava" tutto.
problema risolto :D tutto apposto ora!!
finalmente posso confrontare un finale ad alto voltaggio ed uno con due 6L6 a basso
il pot dei medi che ogni tanto da solo va a resistenza infinita (circa 15Megaohm) e quindi "boostava" tutto.
problema risolto :D tutto apposto ora!!
finalmente posso confrontare un finale ad alto voltaggio ed uno con due 6L6 a basso
CHE DIO B'ASSISTA!
-
MapleMarco
- Roger Mayer Jr.

- Messaggi: 2658
- Iscritto il: 02/06/2012, 14:22
- Località: Mirano (VE)
Re: La maplemarcomark in tutte le salse più uno!
Finalmente dopo MESI, ho finito la prima coppia, quella piccola con due finali e cassa con V30.
CHE DIO B'ASSISTA!
- Kagliostro
- Amministratore

- Messaggi: 9949
- Iscritto il: 03/12/2007, 0:16
- Località: Prov. di Treviso
Re: La maplemarcomark in tutte le salse più uno!
Bell'ampli, come al solito 
attendiamo i pareri su alta/bassa tensione
---
solo una bacchettatina sulle dita
un po' di termorestringente sui cavi del pedale, invece del nastro adesivo, sarebbe stato molto più professional
K
attendiamo i pareri su alta/bassa tensione
---
solo una bacchettatina sulle dita
un po' di termorestringente sui cavi del pedale, invece del nastro adesivo, sarebbe stato molto più professional
K
Re: La maplemarcomark in tutte le salse più uno!
Oppure usare un xlr a 5 poli.
- Kagliostro
- Amministratore

- Messaggi: 9949
- Iscritto il: 03/12/2007, 0:16
- Località: Prov. di Treviso
Re: La maplemarcomark in tutte le salse più uno!
Ciao Vicus, giusta osservazione la tua, ma penso che se Marco l'ha fatta così
un qualche motivo particolare potrebbe anche esserci
K
un qualche motivo particolare potrebbe anche esserci
K
