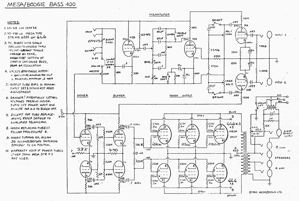
test eseguiti!
2 ohm/ 2150 ohm
4 ohm/ 1950 ohm
8 ohm/ 2100 ohm
contando il tester non troppo preciso, si ha:
- circa 2000 ohm di primario
- 2, 4 e 8 ohm di secondario
- ideale con anodica a 550V, ma volendo arriva fino a 600
- il primario sopporta 230W, il nucleo 500W, e il secondario restituisce quindi circa 210W
praticamente PERFETTO!

(se non fosse per il fatto che è ingorantemente sovradimensionato

)
ad ogni modo, finalmente il trafo è fatto, metà PCB sono fatte, lo chassis è tagliato e piegato (in inox da 1mm, in settimana si saldaaaa)
siamo a buon punto
---
il TU l'ho testato sulla tensione di rete (con fusibile sta volta

), i 230V gli fanno le carezze......nemmeno li sente
