Dumble SE con GU50 (???)
- Kagliostro
- Amministratore

- Messaggi: 9927
- Iscritto il: 03/12/2007, 0:16
- Località: Prov. di Treviso
Re: Dumble SE con GU50 (???)
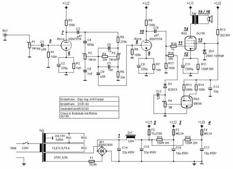
Non so se a noi, come protezione, non come metodo per ottenere la tensione voluta, possa andar bene lo Zener
ma questo amp è stato costruito su breadboard e nel file compresso trovate qualche foto e dei grafici di risposta
Come potete vedere per portare l'anodica a 250V usa uno Zener (un po' grossetto) da 10W 250V (che poi in realtà sembrano essere 4 Zener in serie sulla foto)
Ma non so se lo Zener possa introdurre rumore, forse nel nostro caso, visto che andrebbe da 250V e comunque superiore di tensione rispetto l'alimentazione delle G2 magari non disturberebbe in ogni caso
Però, da questo punto di vista forse meglio un Varistore da 250V che se va in conduzione fa bruciare un fusibile ?
Franco
ma questo amp è stato costruito su breadboard e nel file compresso trovate qualche foto e dei grafici di risposta
Come potete vedere per portare l'anodica a 250V usa uno Zener (un po' grossetto) da 10W 250V (che poi in realtà sembrano essere 4 Zener in serie sulla foto)
Ma non so se lo Zener possa introdurre rumore, forse nel nostro caso, visto che andrebbe da 250V e comunque superiore di tensione rispetto l'alimentazione delle G2 magari non disturberebbe in ogni caso
Però, da questo punto di vista forse meglio un Varistore da 250V che se va in conduzione fa bruciare un fusibile ?
Franco
- Kagliostro
- Amministratore

- Messaggi: 9927
- Iscritto il: 03/12/2007, 0:16
- Località: Prov. di Treviso
Re: Dumble SE con GU50 (???)
Questi me li ricordavo belli grossi, molto grossi, in ampolla di vetro simili a fusibili
https://www.littelfuse.com/products/gas ... tubes.aspx
Franco
https://www.littelfuse.com/products/gas ... tubes.aspx
Franco
Re: Dumble SE con GU50 (???)
Ho posto un po' di domande ad Anatolyi, vediamo cosa mi risponde. A lui ricordo che piace un solo regolatore, ed il resto derivato.
Gli ho proposto una semplificazione del circuito e chiesto consiglio sul blocco dell'alimentazione in caso di guasto.
Praticamente l'anodica è fissata dagli zener, ma con un softstart di circa 30 secondi (con un Panasonic ECW-FD2J395J)
La griglia schermo segue di conseguenza a metà tensione (regolabile col partitore) più un RC per migliorare ulteriormente il ripple.
Gli ho proposto una semplificazione del circuito e chiesto consiglio sul blocco dell'alimentazione in caso di guasto.
Praticamente l'anodica è fissata dagli zener, ma con un softstart di circa 30 secondi (con un Panasonic ECW-FD2J395J)
La griglia schermo segue di conseguenza a metà tensione (regolabile col partitore) più un RC per migliorare ulteriormente il ripple.
Re: Dumble SE con GU50 (???)
Fantastico Robi!
Quindi ci stai dicendo che questo circuito é protetto da un possibile guasto del mosfet, giusto?
Mi faresti la cortesia di postare il file.asc?
Quindi ci stai dicendo che questo circuito é protetto da un possibile guasto del mosfet, giusto?
Mi faresti la cortesia di postare il file.asc?
- Kagliostro
- Amministratore

- Messaggi: 9927
- Iscritto il: 03/12/2007, 0:16
- Località: Prov. di Treviso
Re: Dumble SE con GU50 (???)
Ciao Roberto
Ottimo, vediamo cosa dice lui che di esperienza pratica ne ha molta su quelle finali
Lo schema mi pare anche abbastanza semplice se paragonato a quello con Mayda II, lo proponi per la versione avanzata o solo per un' eventuale versione Base ?
Non so come possa essere il livello di ripple di quel circuito rispetto a quello di un Mayda ma a vederlo sembrerebbe piuttosto valido
Ciao Domenico
Non credo che Roberto intenda che quel circuito è protetto, credo intenda che la tensione viene mantenuta costante da quello che si potrebbe paragonare ad uno Zener Amplificato
Un suggerimento che ho avuto da un tizio che si firma Merlin è quello di dotare il path della G2 di un resistore di buon valore per limitare la corrente e dar tempo ad un eventuale fusibile sull' HT di intervenire
Guardando in giro schemi con GU-50 ho visto dei PP che usavano 3.9K e qualcuno sui 7K circa
In un amp da basso DIY ma realizzato, non solo sulla carta (mi pare russo) addirittura le G2 sono portate a 325V
Franco
Ottimo, vediamo cosa dice lui che di esperienza pratica ne ha molta su quelle finali
Lo schema mi pare anche abbastanza semplice se paragonato a quello con Mayda II, lo proponi per la versione avanzata o solo per un' eventuale versione Base ?
Non so come possa essere il livello di ripple di quel circuito rispetto a quello di un Mayda ma a vederlo sembrerebbe piuttosto valido
Ciao Domenico
Non credo che Roberto intenda che quel circuito è protetto, credo intenda che la tensione viene mantenuta costante da quello che si potrebbe paragonare ad uno Zener Amplificato
Un suggerimento che ho avuto da un tizio che si firma Merlin è quello di dotare il path della G2 di un resistore di buon valore per limitare la corrente e dar tempo ad un eventuale fusibile sull' HT di intervenire
Guardando in giro schemi con GU-50 ho visto dei PP che usavano 3.9K e qualcuno sui 7K circa
In un amp da basso DIY ma realizzato, non solo sulla carta (mi pare russo) addirittura le G2 sono portate a 325V
Franco
Re: Dumble SE con GU50 (???)
Confermo. Inoltre mancano anche le protezioni per i mosfet.Kagliostro ha scritto: ↑31/05/2024, 15:01Non credo che Roberto intenda che quel circuito è protetto, credo intenda che la tensione viene mantenuta costante da quello che si potrebbe paragonare ad uno Zener Amplificato
L'ho solo abbozzato per avere conferma dell'efficacia nonostante la semplicità.
Eccolo.
- Allegati
-
- VR Zener SoftStart Screens.asc
- (3.02 KiB) Scaricato 86 volte
- Kagliostro
- Amministratore

- Messaggi: 9927
- Iscritto il: 03/12/2007, 0:16
- Località: Prov. di Treviso
Re: Dumble SE con GU50 (???)
Mancano le protezioni per i MOSFET .... ma se si usassero MOSFET con il diodo di protezione incorporato poi servirebbe aggiungere altro ?
Franco
Franco
- Kagliostro
- Amministratore

- Messaggi: 9927
- Iscritto il: 03/12/2007, 0:16
- Località: Prov. di Treviso
Re: Dumble SE con GU50 (???)
Domanda
Visto che il secondo regolatore è in pratica un VVR settato fisso (almeno così mi pare) se invece inserissimo un pot di controllo, diminuendo la tensione di G2 non otterremmo anche un controllo sulla potenza di uscita ?
Per la versione cathode bias, per quella fixed bias sarebbe più complicato
Franco
Visto che il secondo regolatore è in pratica un VVR settato fisso (almeno così mi pare) se invece inserissimo un pot di controllo, diminuendo la tensione di G2 non otterremmo anche un controllo sulla potenza di uscita ?
Per la versione cathode bias, per quella fixed bias sarebbe più complicato
Franco
Re: Dumble SE con GU50 (???)
Ci sono coi due diodi source-drain e gate-source.
- Kagliostro
- Amministratore

- Messaggi: 9927
- Iscritto il: 03/12/2007, 0:16
- Località: Prov. di Treviso
Re: Dumble SE con GU50 (???)
Quindi che non necessitano di altre protezioni interne .... buono a sapersi
----
Sto pensando che prima della versione Hiwatt avevo proposto la versione alla Philips con TA con CT e 1/2 della tensione prelevato dal CT
Ma quello limita la possibilità di avere una tensione per le G2 più alta di 1/2 dell' anodica
Franco
----
Sto pensando che prima della versione Hiwatt avevo proposto la versione alla Philips con TA con CT e 1/2 della tensione prelevato dal CT
Ma quello limita la possibilità di avere una tensione per le G2 più alta di 1/2 dell' anodica
Franco
- Kagliostro
- Amministratore

- Messaggi: 9927
- Iscritto il: 03/12/2007, 0:16
- Località: Prov. di Treviso
Re: Dumble SE con GU50 (???)
Mi han detto che usare il CT per ricavarne la tensione per le G2 ha il demerito di avere una tensione DC dove è presente una sola semionda
come se si usasse un TA senza CT ed un solo diodo per raddrizzare
può andar bene nei PP ma negli SE a questo punto mi viene da pensare che andrebbe filtrata molto ma molto bene come fonte di alimentazione per le G2
Franco
come se si usasse un TA senza CT ed un solo diodo per raddrizzare
può andar bene nei PP ma negli SE a questo punto mi viene da pensare che andrebbe filtrata molto ma molto bene come fonte di alimentazione per le G2
Franco
Re: Dumble SE con GU50 (???)
Ciao Franco,
Anatoly non mi ha ancora risposto (é molto variabile nelle risposte), ma per semplificare il tutto sto cercando un sistema già utilizzato per spegnere l’alimentazione in caso il mosfet salti, e ripristinarla solo spegnendo e riaccendendo (e come riaccendo scatta).
Così teniamo un solo primario ed abbiamo anche la sicurezza.
L’alimentazione del pre si deriva dall’anodica principale, la tensione per g3 si deriva dalle griglie schermo.
Per il VVR, ho solo paura che qualcuno faccia le cose male e si ritrovi l’anodica sul potenziometro a pannello. Personalmente preferirei qualcosa di intrinsicamente sicuro. Poi inter nos possiamo farlo come dici tu.
DEVE ESSERE CHIARO A CHIUNQUE SI CIMENTERÁ A COSTRUIRLO, CHE LE ALTE TENSIONI POSSONO ESSERE LETALI, E CHE SE NON SI HA ESPERIENZA SI DEVE CHIEDERE AD UN TECNICO DI COSTRUIRLO E MAI IMPROVVISARSI COSTRUTTORI, ANCHE SE FAI DA TE.
Anatoly non mi ha ancora risposto (é molto variabile nelle risposte), ma per semplificare il tutto sto cercando un sistema già utilizzato per spegnere l’alimentazione in caso il mosfet salti, e ripristinarla solo spegnendo e riaccendendo (e come riaccendo scatta).
Così teniamo un solo primario ed abbiamo anche la sicurezza.
L’alimentazione del pre si deriva dall’anodica principale, la tensione per g3 si deriva dalle griglie schermo.
Per il VVR, ho solo paura che qualcuno faccia le cose male e si ritrovi l’anodica sul potenziometro a pannello. Personalmente preferirei qualcosa di intrinsicamente sicuro. Poi inter nos possiamo farlo come dici tu.
DEVE ESSERE CHIARO A CHIUNQUE SI CIMENTERÁ A COSTRUIRLO, CHE LE ALTE TENSIONI POSSONO ESSERE LETALI, E CHE SE NON SI HA ESPERIENZA SI DEVE CHIEDERE AD UN TECNICO DI COSTRUIRLO E MAI IMPROVVISARSI COSTRUTTORI, ANCHE SE FAI DA TE.
- Kagliostro
- Amministratore

- Messaggi: 9927
- Iscritto il: 03/12/2007, 0:16
- Località: Prov. di Treviso
Re: Dumble SE con GU50 (???)
Sicuramente chi si avvicina a questo mondo deve tenere bene a mente che sono presenti tensioni pericolose anzi MOLTO PERICOLOSE e quindi ci si può avvicinare solo se già esperti di tensioni alte, altrimenti, ci si rivolge ad un tecnico esperto che con le istruzioni in mano non avrà difficoltà a replicare l'amp
Una concessione la posso fare a chi è esperto nella costruzione di pedalini, visto che con tante cose sapra' come comportarsi in modo corretto, ad esempio il saper leggere schemi e layout e saldare, ecco, a questi appassionati che però sono abituati alle basse tensioni posso concedere che montino sulla Board I componenti ma esorto caldamente anche questi ad evitare di andare oltre il montaggio della Board e quanto riguarda la parte meccanica dello chassis, per il resto RIVOLGERSI ASSOLUTAMENTE ad un TECNICO ESPERTO in alta tensione
Franco
Una concessione la posso fare a chi è esperto nella costruzione di pedalini, visto che con tante cose sapra' come comportarsi in modo corretto, ad esempio il saper leggere schemi e layout e saldare, ecco, a questi appassionati che però sono abituati alle basse tensioni posso concedere che montino sulla Board I componenti ma esorto caldamente anche questi ad evitare di andare oltre il montaggio della Board e quanto riguarda la parte meccanica dello chassis, per il resto RIVOLGERSI ASSOLUTAMENTE ad un TECNICO ESPERTO in alta tensione
Franco
- Kagliostro
- Amministratore

- Messaggi: 9927
- Iscritto il: 03/12/2007, 0:16
- Località: Prov. di Treviso
Re: Dumble SE con GU50 (???)
Tornando a noi
L' idea è buona, solo vorrei che, se possibile, si scegliesse un qualcosa di semplice, il più semplice che fosse possibile, a me un fusibile fatto saltare in qualche modo andrebbe bene
La tensione per le G3 la prendiamo da quella per le G2, questo in effetti non me lo ricordavo, guardando le ultime simulazioni G3 non si vedeva e pensavo la collegassimo al catodo
Discorso VVR, in effetti vanno usate delle cautele ed anche andrebbero usati potenziometri particolari, non i soliti standard, a meno di non costruire un VVR più sofisticato (Merlin ne ha disegnato uno) dove è possibile usare potenziometri standard
Quindi VVR SOLO per esperti
Franco
L' idea è buona, solo vorrei che, se possibile, si scegliesse un qualcosa di semplice, il più semplice che fosse possibile, a me un fusibile fatto saltare in qualche modo andrebbe bene
La tensione per le G3 la prendiamo da quella per le G2, questo in effetti non me lo ricordavo, guardando le ultime simulazioni G3 non si vedeva e pensavo la collegassimo al catodo
Discorso VVR, in effetti vanno usate delle cautele ed anche andrebbero usati potenziometri particolari, non i soliti standard, a meno di non costruire un VVR più sofisticato (Merlin ne ha disegnato uno) dove è possibile usare potenziometri standard
Quindi VVR SOLO per esperti
Franco
Re: Dumble SE con GU50 (???)
Pienamente d'accordo con voi sulla sicurezza riguardo ai VVR. Facciamolo fisso per ora.
Ho simulato alcune "prove" con il circuito postato da Robi.
Ho provato a farlo con un T.A. che fosse abbastanza reperibile e semplice prendendo come riferimento questo:
https://www.tubetown.net/ttstore/en/tt- ... plexi.html
Ho cercato di ricostruirlo su ltspice basandomi su dei valori che mi ha dato wintrafo.
Il risultato è questo:
Ho notato che senza il primo cap di filtro avremmo cmq molto ripple.
Quindi ho lasciato un 47uF ( ...e questo credo proprio che lo dovremmo fare con 2 cap in serie ).
Riguardo il Soft Start ( C9 ), ho simulato le curve in base al tempo. Forse potremmo andare con un valore di 2.2uF ?
La R30 la ho abbassata di proposito ( 2 X 300k in parallelo ) per avere una tensione di griglia più alta. La scelta è stata dettata dalle simulazioni successive in ambiente transitorio con feedback connesso.
Cmq sia, il circuito ci semplifica notevolmente tanti aspetti che stavamo prendendo in considerazione! Bel lavoro Robi!
Il ripple sembra essere inesistente!
Attendiamo il completamento con le sicurezze per i mosfet.
Ho simulato alcune "prove" con il circuito postato da Robi.
Ho provato a farlo con un T.A. che fosse abbastanza reperibile e semplice prendendo come riferimento questo:
https://www.tubetown.net/ttstore/en/tt- ... plexi.html
Ho cercato di ricostruirlo su ltspice basandomi su dei valori che mi ha dato wintrafo.
Il risultato è questo:
Ho notato che senza il primo cap di filtro avremmo cmq molto ripple.
Quindi ho lasciato un 47uF ( ...e questo credo proprio che lo dovremmo fare con 2 cap in serie ).
Riguardo il Soft Start ( C9 ), ho simulato le curve in base al tempo. Forse potremmo andare con un valore di 2.2uF ?
La R30 la ho abbassata di proposito ( 2 X 300k in parallelo ) per avere una tensione di griglia più alta. La scelta è stata dettata dalle simulazioni successive in ambiente transitorio con feedback connesso.
Cmq sia, il circuito ci semplifica notevolmente tanti aspetti che stavamo prendendo in considerazione! Bel lavoro Robi!
Il ripple sembra essere inesistente!
Attendiamo il completamento con le sicurezze per i mosfet.

