Controllo Tono - Come si potrebbe ......
- Kagliostro
- Amministratore

- Messaggi: 9913
- Iscritto il: 03/12/2007, 0:16
- Località: Prov. di Treviso
- Kagliostro
- Amministratore

- Messaggi: 9913
- Iscritto il: 03/12/2007, 0:16
- Località: Prov. di Treviso
Re: Controllo Tono - Come si potrebbe ......
Sarà un po' dura
Premesso che disegnare layout non è che sia mai stato il mio forte
sono un paio d'anni che non uso Visio (ci faccio i Layout) e quindi devo rifarci la mano
ma non è tanto quello, che ho visto riesco a recuperare abbastanza in fretta
quanto il fatto che a causa di un crash di windows 7 da tempo ho sul PC windows 10 e .....
mi sto trovando male con le librerie componenti di Visio, mi ero fatto un sacco di componenti custom
ed adesso devo andare in giro per le cartelle a cercare o me li devo ridisegnare
Vabbeh, ci vorrà del tempo, ma quello al momento non scarseggia
Franco
Premesso che disegnare layout non è che sia mai stato il mio forte
sono un paio d'anni che non uso Visio (ci faccio i Layout) e quindi devo rifarci la mano
ma non è tanto quello, che ho visto riesco a recuperare abbastanza in fretta
quanto il fatto che a causa di un crash di windows 7 da tempo ho sul PC windows 10 e .....
mi sto trovando male con le librerie componenti di Visio, mi ero fatto un sacco di componenti custom
ed adesso devo andare in giro per le cartelle a cercare o me li devo ridisegnare
Vabbeh, ci vorrà del tempo, ma quello al momento non scarseggia
Franco
Re: Controllo Tono - Come si potrebbe ......
Parti dal Fender Champ, non è molto distante da cosa vuoi fare.
- Kagliostro
- Amministratore

- Messaggi: 9913
- Iscritto il: 03/12/2007, 0:16
- Località: Prov. di Treviso
Re: Controllo Tono - Come si potrebbe ......
Si, ho anche un layout che feci anni fa, non con Visio, con JSChem, per lo Squirrel Monkey, che ha la stessa valvola
Devo solo risistemare alcune componenti delle librerie, tra l'altro, stranamente, visto il tempo passato senza usare il programma, mi sono scoperto essere capace di sistemare dei piccoli difetti di alcuni componenti che non ero stato in grado di creare correttamente al 100% all'epoca (???)
Franco
Devo solo risistemare alcune componenti delle librerie, tra l'altro, stranamente, visto il tempo passato senza usare il programma, mi sono scoperto essere capace di sistemare dei piccoli difetti di alcuni componenti che non ero stato in grado di creare correttamente al 100% all'epoca (???)
Franco
Re: Controllo Tono - Come si potrebbe ......
Bravo Franco!
- Kagliostro
- Amministratore

- Messaggi: 9913
- Iscritto il: 03/12/2007, 0:16
- Località: Prov. di Treviso
Re: Controllo Tono - Come si potrebbe ......
Ah, quasi dimenticavo
Per il Percolator senza modifiche
se a qualcuno può interessare
questo è un layout su PCB
che ho trovato con lo schema di cui al post #1

Franco
Per il Percolator senza modifiche
se a qualcuno può interessare
questo è un layout su PCB
che ho trovato con lo schema di cui al post #1
Franco
- Kagliostro
- Amministratore

- Messaggi: 9913
- Iscritto il: 03/12/2007, 0:16
- Località: Prov. di Treviso
Re: Controllo Tono - Come si potrebbe ......
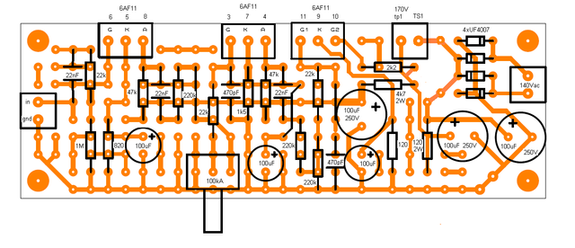
Non è la prima versione, e sicuramente neanche l'ultima, inoltre è incompleto
Comunque, tanto per mostrarvi cosa se ne sta uscendo .....
Per adesso sto supponendo di usare una board da 6cm x 30cm (che poi taglierò a misura)
aggiungendo torrette ove necessario
(la Board monta 2 x 30 torrette ed è preforata con una griglia fori di 10mm x 10mm)
Ovviamente se avete consigli su una disposizione diversa fatevi avanti, son qui apposta

Franco
Comunque, tanto per mostrarvi cosa se ne sta uscendo .....
Per adesso sto supponendo di usare una board da 6cm x 30cm (che poi taglierò a misura)
aggiungendo torrette ove necessario
(la Board monta 2 x 30 torrette ed è preforata con una griglia fori di 10mm x 10mm)
Ovviamente se avete consigli su una disposizione diversa fatevi avanti, son qui apposta

Franco
Re: Controllo Tono - Come si potrebbe ......
Ciao.
Innanzi tutto bel layout sta venendo fuori.
Se posso, un consiglio ce lo avrei: Risparmia le torrette.
Lì dove hai cap + res in parallelo ( non leggo i valori perchè non si può ingrandire ), fossi in te, sfrutterei solo 2 torrette per coppia. Inoltre ti si riduce lo spazio in orizzontale della basetta finita. Mi spiego meglio:
Se metti un cap sotto e sopra la resistenza che va in parallelo vai a ridurre la lunghezza della basetta con il circuito finito. L'unica pecca è che se devi cambiare un valore di un condensatore ti tocca dissaldare entrambi i componenti.
Solo su questo pezzo risparmi 6 torrette. Se hai 6 o 8 stadi, per esempio, non ci metti nulla a sprecare ( si fa per dire ) 50 torrette.
Purtroppo le torrette costano. Quelle buone costano anche un bel pò. Non le trovi dappertutto e quando ti servono per fare un piccolo circuitino di prova scarseggino sempre dalla tua scorta personale.
Ti dico questo perchè ho comprato più di 600 torrette!
Il layout così come lo stai cominciando a fare viene bello lineare e a colpo d'occhio trovi tutto. Ma hai pensato agli spazi che hai a disposizione per mettere il tutto?
Innanzi tutto bel layout sta venendo fuori.
Se posso, un consiglio ce lo avrei: Risparmia le torrette.
Lì dove hai cap + res in parallelo ( non leggo i valori perchè non si può ingrandire ), fossi in te, sfrutterei solo 2 torrette per coppia. Inoltre ti si riduce lo spazio in orizzontale della basetta finita. Mi spiego meglio:
Se metti un cap sotto e sopra la resistenza che va in parallelo vai a ridurre la lunghezza della basetta con il circuito finito. L'unica pecca è che se devi cambiare un valore di un condensatore ti tocca dissaldare entrambi i componenti.
Solo su questo pezzo risparmi 6 torrette. Se hai 6 o 8 stadi, per esempio, non ci metti nulla a sprecare ( si fa per dire ) 50 torrette.
Purtroppo le torrette costano. Quelle buone costano anche un bel pò. Non le trovi dappertutto e quando ti servono per fare un piccolo circuitino di prova scarseggino sempre dalla tua scorta personale.
Ti dico questo perchè ho comprato più di 600 torrette!
Il layout così come lo stai cominciando a fare viene bello lineare e a colpo d'occhio trovi tutto. Ma hai pensato agli spazi che hai a disposizione per mettere il tutto?
- Kagliostro
- Amministratore

- Messaggi: 9913
- Iscritto il: 03/12/2007, 0:16
- Località: Prov. di Treviso
Re: Controllo Tono - Come si potrebbe ......
Ciao Domenico - Grazie
Sì, sono considerazioni che ho fatto, e sto vedendo come posso fare, tant'è che questa mattina sono andato in mezzo alla confusione del garage a cercare degli elettrolitici per vedere effettivamente cosa avevo e dimensionare il layout in base alle loro reali misure, non approssimate
Ho iniziato anche ad aggiungere al layout la parte alimentazione ed effettivamente se ne verrebbe sproporzionato in lunghezza se rapportato al fatto che c'è una sola valvola
Sto considerando se usare due spezzoni di Turret Board (le board sono 6cm x 30cm - due righe di 30 torrette spaziate di ~10mm e fori liberi già predisposti)
o se usare un pezzo di bachelite tagliato a misura e mettere tutte le torrette (essendo la basetta nuda), non solo quelle "aggiuntive" rispetto la board già attrezzata con le 60 Torrette, però non so se le torrette sciolte che ho potrebbero bastare
Franco
Sì, sono considerazioni che ho fatto, e sto vedendo come posso fare, tant'è che questa mattina sono andato in mezzo alla confusione del garage a cercare degli elettrolitici per vedere effettivamente cosa avevo e dimensionare il layout in base alle loro reali misure, non approssimate
Ho iniziato anche ad aggiungere al layout la parte alimentazione ed effettivamente se ne verrebbe sproporzionato in lunghezza se rapportato al fatto che c'è una sola valvola
Sto considerando se usare due spezzoni di Turret Board (le board sono 6cm x 30cm - due righe di 30 torrette spaziate di ~10mm e fori liberi già predisposti)
o se usare un pezzo di bachelite tagliato a misura e mettere tutte le torrette (essendo la basetta nuda), non solo quelle "aggiuntive" rispetto la board già attrezzata con le 60 Torrette, però non so se le torrette sciolte che ho potrebbero bastare
Franco
- Kagliostro
- Amministratore

- Messaggi: 9913
- Iscritto il: 03/12/2007, 0:16
- Località: Prov. di Treviso
Re: Controllo Tono - Come si potrebbe ......
Oggi mi sono occupato di altro ed il layout è rimasto in stallo
Sono andato avanti, comunque, sul valutare altri aspetti del progetto
ed avrei bisogno di qualche chiarimento
---
Vista l'esigua capacità di ingresso della valvola (il primo triodo 120pF) quando si calcola un filtro (che non necessita di essere calcolato all'herz di precisione), in questo caso passa basso, da usare al suo ingresso, ha senso tralasciare il valore di capacità dell'ingresso valvola ?
Grazie
Franco
Sono andato avanti, comunque, sul valutare altri aspetti del progetto
ed avrei bisogno di qualche chiarimento
Per cortesia, mi sfugge, a cosa corrispondono i numeri 12.400 e 9.400 usati nei calcoli ?da robi » 28/03/2020, 12:07
Facciamo due calcoli:
Il guadagno del primo stadio (bypassato) è:
(68x100.000)/(100.000+12.400) = 60,5 volte
Il guadagno del secondo stadio (bypassato) è:
(41x100.000)/(100.000+9.400) = 37,5 volte
---
Vista l'esigua capacità di ingresso della valvola (il primo triodo 120pF) quando si calcola un filtro (che non necessita di essere calcolato all'herz di precisione), in questo caso passa basso, da usare al suo ingresso, ha senso tralasciare il valore di capacità dell'ingresso valvola ?
Grazie
Franco
Re: Controllo Tono - Come si potrebbe ......
Ciao Franco,
è la formula per calcolare il guadagno di un triodo:
Av = (mu*Ra)/(Ra+ra)
ra é la resitenza interna, o resistenza anodica, o resistenza di placca che dir si voglia.
è la formula per calcolare il guadagno di un triodo:
Av = (mu*Ra)/(Ra+ra)
ra é la resitenza interna, o resistenza anodica, o resistenza di placca che dir si voglia.
- Kagliostro
- Amministratore

- Messaggi: 9913
- Iscritto il: 03/12/2007, 0:16
- Località: Prov. di Treviso
Re: Controllo Tono - Come si potrebbe ......
Ciao Robi Buona Pasquetta
Ah, ecco cosa erano
Ricevuto, grazie
Franco
Ah, ecco cosa erano
Ricevuto, grazie
Franco
Re: Controllo Tono - Come si potrebbe ......
Buona Pasquetta a te Franco! 
Re: Controllo Tono - Come si potrebbe ......
Dimenticavo,
possono sembrare pochi 120 pF, ma solitamente come grid stopper ci sono valori di alcune decine di kOhm.
Calcola il classico 68 kOhm, diventa un passa basso a 19,5 kHz.
possono sembrare pochi 120 pF, ma solitamente come grid stopper ci sono valori di alcune decine di kOhm.
Calcola il classico 68 kOhm, diventa un passa basso a 19,5 kHz.

