DIYitalia preamp ibrido Mesa Mark IIc+ in rack
- Kagliostro
- Amministratore

- Messaggi: 9960
- Iscritto il: 03/12/2007, 0:16
- Località: Prov. di Treviso
Re: DIYitalia preamp ibrido Mesa Mark IIc+ in rack
Non te lo so dire
K
K
Re: DIYitalia preamp ibrido Mesa Mark IIc+ in rack
In base al relè che vai a scegliere, trovi le tensioni massime e minime sul datasheet.
-
MapleMarco
- Roger Mayer Jr.

- Messaggi: 2658
- Iscritto il: 02/06/2012, 14:22
- Località: Mirano (VE)
Re: DIYitalia preamp ibrido Mesa Mark IIc+ in rack
ho trovato questa mattina il datasheet e tutte le risposte fortunatamente.
cmq alla fine metto due resistenze, una per ogni gruppo di relè!
ho un altra domanda che può sembrare stupida ma che mi servirebbe per semplificare sia circuito che pcb..
per isolare un cap al catodo gli si mette una resistenza di 1M o comunque grande, in serie subito dopo....la mia domanda è...come si calcola quando "diminuiscono" i farad del condensatore a seconda della resistenza che gli si va a mettere in serie?
in alternativa, se al posto della resistenza per bypassare lo switch (ovvero in serie al cap), mettessi un altro cap in modo da rendere banale il calcolo del risultato...rischierei di avere un bel pop al momento dello switch??
ho cercato info in questi giorni ma non riesco a venirne a capo....>.<
cmq alla fine metto due resistenze, una per ogni gruppo di relè!
ho un altra domanda che può sembrare stupida ma che mi servirebbe per semplificare sia circuito che pcb..
per isolare un cap al catodo gli si mette una resistenza di 1M o comunque grande, in serie subito dopo....la mia domanda è...come si calcola quando "diminuiscono" i farad del condensatore a seconda della resistenza che gli si va a mettere in serie?
in alternativa, se al posto della resistenza per bypassare lo switch (ovvero in serie al cap), mettessi un altro cap in modo da rendere banale il calcolo del risultato...rischierei di avere un bel pop al momento dello switch??
ho cercato info in questi giorni ma non riesco a venirne a capo....>.<
CHE DIO B'ASSISTA!
- Kagliostro
- Amministratore

- Messaggi: 9960
- Iscritto il: 03/12/2007, 0:16
- Località: Prov. di Treviso
Re: DIYitalia preamp ibrido Mesa Mark IIc+ in rack
per i cap di catodo si usa una resistenza affinchè possano, seppur lentamente caricarsi, in questo modo si evitano i pop quando si inseriscono tramite uno switch
di solito si usano res da 1M e ............. sei il primo che sento si preoccupi della capacità che hanno con la resistenza in serie
comunque il cap di catodo serve a bypassare le frequenze AC in modo migliore di quanto faccia di per sè la resistenza di catodo da sola
ora se in serie al cap c'è una res molto alta, ben difficilmente questa lascerà passare molto del segnale AC
K
di solito si usano res da 1M e ............. sei il primo che sento si preoccupi della capacità che hanno con la resistenza in serie
comunque il cap di catodo serve a bypassare le frequenze AC in modo migliore di quanto faccia di per sè la resistenza di catodo da sola
ora se in serie al cap c'è una res molto alta, ben difficilmente questa lascerà passare molto del segnale AC
K
-
MapleMarco
- Roger Mayer Jr.

- Messaggi: 2658
- Iscritto il: 02/06/2012, 14:22
- Località: Mirano (VE)
Re: DIYitalia preamp ibrido Mesa Mark IIc+ in rack
quindi mi sto solo preoccupando per nulla!
beh meglio così
tre quarti delle mie preoccupazioni sono frutto di ignoranza....
quindi fortunatamente grazie a questo forum sono risolvibili
grazie, ordunque, a tutti!
beh meglio così
tre quarti delle mie preoccupazioni sono frutto di ignoranza....
quindi fortunatamente grazie a questo forum sono risolvibili
grazie, ordunque, a tutti!
CHE DIO B'ASSISTA!
- Kagliostro
- Amministratore

- Messaggi: 9960
- Iscritto il: 03/12/2007, 0:16
- Località: Prov. di Treviso
Re: DIYitalia preamp ibrido Mesa Mark IIc+ in rack
Merlin, nel suo libro sui pre, propone di usare in serie al cap di bypass catodo un pot da 4.7k
in questo modo si riesce ad avere un controllo sul guadagno dello stadio che può essere regolato a piacimento per avere una risposta diversa dell'ampli
ma non so se ti possa interessare una mod così
ciao
K
in questo modo si riesce ad avere un controllo sul guadagno dello stadio che può essere regolato a piacimento per avere una risposta diversa dell'ampli
ma non so se ti possa interessare una mod così
ciao
K
-
MapleMarco
- Roger Mayer Jr.

- Messaggi: 2658
- Iscritto il: 02/06/2012, 14:22
- Località: Mirano (VE)
Re: DIYitalia preamp ibrido Mesa Mark IIc+ in rack
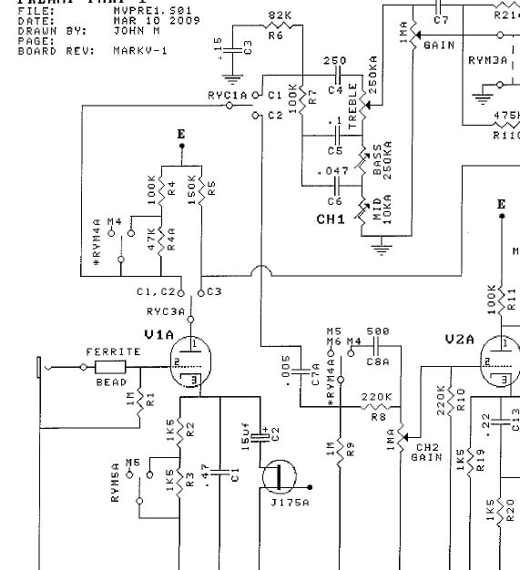
Ragazzi, riassumendo, alla fine della fiera lo schema è quello che ho messo in allegato...
spero di non essermi perso nessuno dei vostri preziosi consigli per strada!!
notizia dell'ultimo minuto: alimentazione in parallelo! in serie ai primi stadi abbasso troppo i volt e così facendo le qualità del canale pulito andrebbero a farsi benedire!!
perplessità irrisolte:
1- griglia V1B e griglia V2A...meglio riferirle sempre a massa con una 2M per sicurezza??
2- SW1B, meglio bypassarlo anchesso con le res da 1M per evitare pop o non c'è pericolo? (mesa non le usa nella mark IV
)
3- dato l'inserimento del positive feedback (è una mia fissa..non sono riuscito a metterlo sul pre simil orange perchè aggiungeva troooooooppa distorsione....ma qui...qui voglio proprio mettercelo :D) la res a massa da 47 K prima di SW3A è meglio ridurla tipo a 33K?
4- collegare in quel modo i cap al catodo dei primi due stadi è un problema per quanto riguarda eventuali rumori di massa?
ok, ho finito l'interrogatorio
grazie a tutti della collaborazione!!!
spero di non essermi perso nessuno dei vostri preziosi consigli per strada!!
notizia dell'ultimo minuto: alimentazione in parallelo! in serie ai primi stadi abbasso troppo i volt e così facendo le qualità del canale pulito andrebbero a farsi benedire!!
perplessità irrisolte:
1- griglia V1B e griglia V2A...meglio riferirle sempre a massa con una 2M per sicurezza??
2- SW1B, meglio bypassarlo anchesso con le res da 1M per evitare pop o non c'è pericolo? (mesa non le usa nella mark IV
3- dato l'inserimento del positive feedback (è una mia fissa..non sono riuscito a metterlo sul pre simil orange perchè aggiungeva troooooooppa distorsione....ma qui...qui voglio proprio mettercelo :D) la res a massa da 47 K prima di SW3A è meglio ridurla tipo a 33K?
4- collegare in quel modo i cap al catodo dei primi due stadi è un problema per quanto riguarda eventuali rumori di massa?
ok, ho finito l'interrogatorio
grazie a tutti della collaborazione!!!
- Allegati
-
- preamp.pdf
- (18.56 KiB) Scaricato 285 volte
CHE DIO B'ASSISTA!
-
MapleMarco
- Roger Mayer Jr.

- Messaggi: 2658
- Iscritto il: 02/06/2012, 14:22
- Località: Mirano (VE)
Re: DIYitalia preamp ibrido Mesa Mark IIc+ in rack
Ragazzi, ritorno con brutte notizie!
calbato in ptp mentre attendevo la pcb, solo il canale distorto, senza relay...ma......
non ci siamo per niente!
un macello!! troppo gain dove non serve, suono confuso...veramente deludente! da non saper nemmeno dove metterci le mani D:
così ho concluso che 6 stadi da prototipare, senza averne nemmeno i primi 4 risolti, vuol dire andare a farsi del male!
Ergo intendo ripartire dai 4 primi stadi intanto, e se ci sarà bisogno di più gain...trovare una soluzione successivaamente.
quindi, passo indietro!
intanto, caratterizzare il pre diyitalia per avvicinarlo alle sonorità mark, quindi l'ultimo stadio 270k\\470p e 3k3\\220n e il secondo stadio con bypass catodico da 10u a 15u.
per ora ho fatto solo a tempo a buttare giù una bozza con anche sistema di switch e canale pulito (per il momento cablerò solo il distorto però), la allego.
questo fine settimana inizio a lavorarci!!
che delusione! non stavo nella pelle a cablarlo, e sentire sto popò di disastro mi ha demoralizzato troppo
calbato in ptp mentre attendevo la pcb, solo il canale distorto, senza relay...ma......
non ci siamo per niente!
un macello!! troppo gain dove non serve, suono confuso...veramente deludente! da non saper nemmeno dove metterci le mani D:
così ho concluso che 6 stadi da prototipare, senza averne nemmeno i primi 4 risolti, vuol dire andare a farsi del male!
Ergo intendo ripartire dai 4 primi stadi intanto, e se ci sarà bisogno di più gain...trovare una soluzione successivaamente.
quindi, passo indietro!
intanto, caratterizzare il pre diyitalia per avvicinarlo alle sonorità mark, quindi l'ultimo stadio 270k\\470p e 3k3\\220n e il secondo stadio con bypass catodico da 10u a 15u.
per ora ho fatto solo a tempo a buttare giù una bozza con anche sistema di switch e canale pulito (per il momento cablerò solo il distorto però), la allego.
questo fine settimana inizio a lavorarci!!
che delusione! non stavo nella pelle a cablarlo, e sentire sto popò di disastro mi ha demoralizzato troppo
- Allegati
-
- preamp.pdf
- (15.11 KiB) Scaricato 261 volte
CHE DIO B'ASSISTA!
- Kagliostro
- Amministratore

- Messaggi: 9960
- Iscritto il: 03/12/2007, 0:16
- Località: Prov. di Treviso
Re: DIYitalia preamp ibrido Mesa Mark IIc+ in rack
Ciao Marco
non è che sia il tuo progetto, ma di stadi in cascata ce ne sono
e la cosa, come puoi immaginare, naturalmente porta a problemi di layout
se vuoi darci un'occhiata
http://www.el34world.com/Forum/index.php?topic=12774.0
http://www.el34world.com/Forum/index.php?topic=8470.0
il layout del pdf dovrebbe essere OK
K
non è che sia il tuo progetto, ma di stadi in cascata ce ne sono
e la cosa, come puoi immaginare, naturalmente porta a problemi di layout
se vuoi darci un'occhiata
http://www.el34world.com/Forum/index.php?topic=12774.0
http://www.el34world.com/Forum/index.php?topic=8470.0
il layout del pdf dovrebbe essere OK
K
-
MapleMarco
- Roger Mayer Jr.

- Messaggi: 2658
- Iscritto il: 02/06/2012, 14:22
- Località: Mirano (VE)
Re: DIYitalia preamp ibrido Mesa Mark IIc+ in rack
ho una domanda che c'entra poco, ma che mi sta arrovellando il cervello perchè mi permetterebbe più libertà di ottimizzazione tra pulito e distorto...
a quanto detto in questo thread, è meglio evitare di switchare l'anodica non disaccoppiata
e poi studiando gli schemi del mark V vedo questo:
dunque è una cosa possibile o vado in cerca di problemi? e se si, di che problemi??
grazie dell'attenzione!
a quanto detto in questo thread, è meglio evitare di switchare l'anodica non disaccoppiata
e poi studiando gli schemi del mark V vedo questo:
dunque è una cosa possibile o vado in cerca di problemi? e se si, di che problemi??
grazie dell'attenzione!
CHE DIO B'ASSISTA!
- Kagliostro
- Amministratore

- Messaggi: 9960
- Iscritto il: 03/12/2007, 0:16
- Località: Prov. di Treviso
Re: DIYitalia preamp ibrido Mesa Mark IIc+ in rack
Effettivamente sembra che lo facciano con disinvoltura
e non credo proprio che sia uno switch manuale da azionare ad ampli spento
(anche se non conosco il Mark V in dettaglio)
k
e non credo proprio che sia uno switch manuale da azionare ad ampli spento
(anche se non conosco il Mark V in dettaglio)
k
-
MapleMarco
- Roger Mayer Jr.

- Messaggi: 2658
- Iscritto il: 02/06/2012, 14:22
- Località: Mirano (VE)
Re: DIYitalia preamp ibrido Mesa Mark IIc+ in rack
no no, è proprio un relay per cambio canale quello!!
il problema è scoprire se usano un sistema per eliminare i problemi, o se i problemi quell'utilizzo proprio non li crea.
certo che avere la possibilità di variare così la resistenza e relativo TS del primo stadio è una meraviglia
se la cosa non reca nessun rischio, mi permette di avere la res all'anodo da 150k sul distorto e 100k sul pulito...ed un pulito con il voltaggio più alto ne guadagna impressionantemente tanto!
il problema è scoprire se usano un sistema per eliminare i problemi, o se i problemi quell'utilizzo proprio non li crea.
certo che avere la possibilità di variare così la resistenza e relativo TS del primo stadio è una meraviglia
se la cosa non reca nessun rischio, mi permette di avere la res all'anodo da 150k sul distorto e 100k sul pulito...ed un pulito con il voltaggio più alto ne guadagna impressionantemente tanto!
CHE DIO B'ASSISTA!
- Fix_Metal
- Braccio destro di Roger Mayer

- Messaggi: 1955
- Iscritto il: 28/07/2008, 3:44
- Località: Bergamo
- Contatta:
Re: DIYitalia preamp ibrido Mesa Mark IIc+ in rack
se è lo schema distribuito da mesa, sicuramente manca qualche parte importante.
-
MapleMarco
- Roger Mayer Jr.

- Messaggi: 2658
- Iscritto il: 02/06/2012, 14:22
- Località: Mirano (VE)
Re: DIYitalia preamp ibrido Mesa Mark IIc+ in rack
credo che in effetti sia lo schema distribuito dalla mesa...
ma nessuno ha mai provato a fare uno switch simile? o conosce altri amp dove è stato usato?
ma nessuno ha mai provato a fare uno switch simile? o conosce altri amp dove è stato usato?
CHE DIO B'ASSISTA!
- Kagliostro
- Amministratore

- Messaggi: 9960
- Iscritto il: 03/12/2007, 0:16
- Località: Prov. di Treviso
Re: DIYitalia preamp ibrido Mesa Mark IIc+ in rack
Ma non potresti fare con una res fissa ed una messa in parallelo con il relè ?
Suppongo che il problema sia con il doppio ToneStack, o no ?
K
Suppongo che il problema sia con il doppio ToneStack, o no ?
K
